
EPM7160EQC160-10 इंटेल की मैक्स 7000 श्रृंखला का हिस्सा है, जिसे इलेक्ट्रॉनिक सिस्टम में बुनियादी तर्क नियंत्रण को संभालने के लिए बनाया गया है।यह एक 160-पिन PQFP पैकेज में आता है और EEPROM तकनीक का उपयोग करता है, इसलिए आप इसे बिना किसी परेशानी के आवश्यकतानुसार पुन: उपयोग कर सकते हैं।यह चिप सरल नियंत्रण कार्यों या डिजाइनों के लिए एक अच्छा फिट है जिसे विश्वसनीय, दोहराने योग्य तर्क की आवश्यकता होती है।यह छोटा, व्यावहारिक और आसान है, अगर आप कुछ ऐसा बना रहे हैं, जिसमें बिना किसी ओवरबोर्ड के तर्क अनुकूलन की आवश्यकता हो।
EPM7160EQC160-10 के लिए खोज रहे हैं?वर्तमान स्टॉक, लीड समय और मूल्य निर्धारण की जांच करने के लिए हमसे संपर्क करें।

यह आरेख EPM7160EQC160-10 द्वारा उपयोग किए जाने वाले 160-पिन PQFP (प्लास्टिक क्वाड फ्लैट पैकेज) के भौतिक लेआउट को दर्शाता है।स्क्वायर चिप के प्रत्येक पक्ष में 40 पिन हैं, जो स्पष्ट रूप से पिन 1, पिन 41, पिन 81, और पिन 121 जैसे वेतन वृद्धि में चिह्नित हैं। पिन नंबर एक पीसीबी पर प्लेसमेंट के दौरान अभिविन्यास के साथ मदद करते हैं।कॉम्पैक्ट स्क्वायर शेप सतह बढ़ते का समर्थन करता है और आमतौर पर एम्बेडेड और प्रोग्रामेबल लॉजिक एप्लिकेशन में उपयोग किया जाता है।केंद्र में सूचीबद्ध लेबल किए गए भाग संख्या अन्य संबंधित अधिकतम 7000 श्रृंखला उपकरणों के साथ संगतता की पुष्टि करती है।
EPM7160EQC160-10 आपको 160 मैक्रोसेल देता है, जिसका अर्थ है कि आपको कमरे से बाहर चलाने के बिना विभिन्न तर्क कार्यों को बनाने और प्रबंधित करने के लिए बहुत जगह मिल गई है।यह मदद करता है यदि आप उन डिजाइनों पर काम कर रहे हैं जिन्हें थोड़ा अधिक लचीलापन की आवश्यकता है।
10 लॉजिक ब्लॉक में से प्रत्येक एक छोटी टीम की तरह काम करता है जो चिप के अंदर विशिष्ट कार्यों को संभालता है।वे चीजों को व्यवस्थित रखने में मदद करते हैं, इसलिए आपका डिज़ाइन अधिक जटिल होने पर भी प्रबंधनीय रहता है।
आपको इस चिप के साथ 104 इनपुट/आउटपुट पिन मिलते हैं, जिससे आपको इसे अपने सिस्टम के अन्य हिस्सों से कनेक्ट करने के बहुत सारे तरीके मिलते हैं।चाहे आप डेटा ला रहे हों या इसे बाहर भेज रहे हों, यह चिप दोनों को संभालना आसान बनाती है।
3200 प्रयोग करने योग्य गेट्स के साथ, EPM7160EQC160-10 में लॉजिक ऑपरेशंस की एक विस्तृत श्रृंखला लेने के लिए कमरा है।यह उन समयों के लिए एक अच्छा फिट है जब आप नियंत्रण चाहते हैं लेकिन एक विशाल या जटिल प्रणाली की आवश्यकता नहीं है।
चिप लगभग 10 नैनोसेकंड में प्रतिक्रिया करता है, जो चीजों को जल्दी से स्थानांतरित करने में मदद करता है।यदि आपके सेटअप में टाइमिंग मायने रखती है, तो यह गति सब कुछ बिना लैग के सुचारू रूप से चल सकती है।
यह चिप 5V बिजली की आपूर्ति रेंज पर चलती है, जो आम है और साथ काम करना आसान है।आपको विशेष वोल्टेज सेटअप के बारे में चिंता करने की ज़रूरत नहीं है - बस इसे अधिकांश मानक प्रणालियों में प्लग करें।
यह 160-पिन प्लास्टिक क्वाड फ्लैट पैकेज (PQFP) में आता है, जो 28x28 मिमी के आकार का है।यह आपको एक छोटे से क्षेत्र में बहुत सारे पिन देता है, इसलिए यह आपके बोर्ड पर बहुत अधिक जगह नहीं लेता है।
EPM7160EQC160-10 0 ° C और 70 ° C के बीच सबसे अच्छा काम करता है।यह रेंज अधिकांश इनडोर सेटअप में फिट बैठता है, चाहे आप इसे डेस्क पर, लैब में, या उत्पादन स्थान में उपयोग कर रहे हों।
आप इस चिप को सीधे अपने बोर्ड पर ड्रिलिंग छेद के बिना माउंट कर सकते हैं।यह सतह बढ़ते के लिए बनाया गया है, जो अंतरिक्ष को बचाने में मदद करता है और आपके डिजाइन को सरल रखता है।
| उत्पाद विशेषता | मान बताइए |
| उत्पादक | इंटेल |
| वोल्टेज आपूर्ति - आंतरिक | 4.75V ~ 5.25V |
| आपूर्तिकर्ता युक्ति पैकेज | 160-PQFP (28x28) |
| शृंखला | MAX® 7000 |
| क्रमादेश प्रकार | ईई पीएलडी |
| पैकेज / मामला | 160-BQFP |
| पैकेट | ट्रे |
| परिचालन तापमान | 0 ° C ~ 70 ° C (TA) |
| मैक्रोसेल की संख्या | 160 |
| तर्क तत्वों/ब्लॉकों की संख्या | 10 |
| I/O की संख्या | 104 |
| गेट्स की संख्या | 3200 |
| माउन्टिंग का प्रकार | सतह पर्वत |
| देरी समय टीपीडी (1) अधिकतम | 10 एनएस |
| आधार उत्पाद संख्या | EPM7160 |

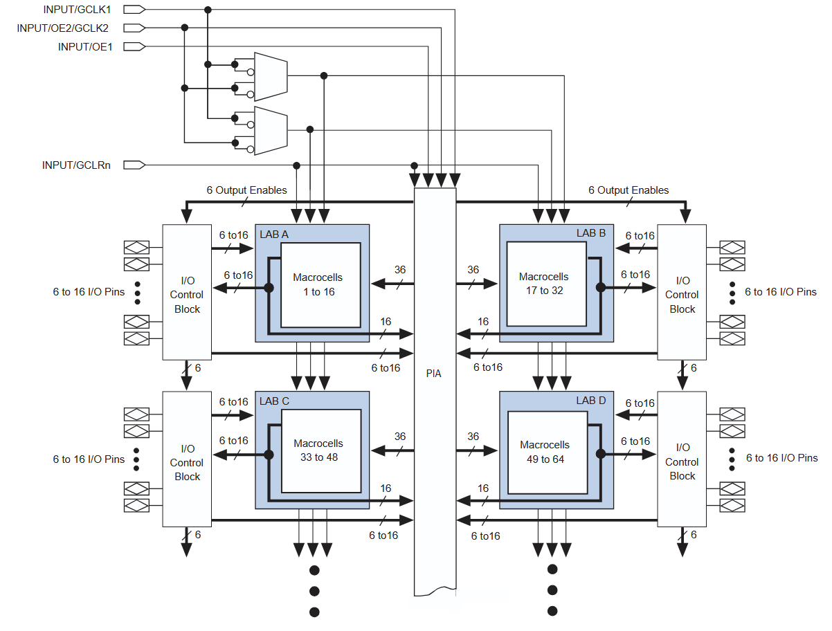
यह आरेख EPM7160EQC160-10 की आंतरिक संरचना को दर्शाता है।इसमें ए से डी लेबल वाले चार लॉजिक सरणी ब्लॉक शामिल हैं, जिनमें से प्रत्येक में 16 मैक्रोसेल 1 से 16, 17 से 32, और इसी तरह सेट में समूहीकृत हैं।ये लैब्स पीआईए नामक एक केंद्रीय इंटरकनेक्ट के माध्यम से जुड़े हुए हैं, जिससे लचीले डेटा रूटिंग की अनुमति मिलती है।प्रत्येक प्रयोगशाला पास के I/O नियंत्रण ब्लॉकों के साथ संचार करती है, जो 6 से 16 इनपुट/आउटपुट पिन का प्रबंधन करती है।आरेख के शीर्ष पर, GCLK या नियंत्रण संकेतों के रूप में चिह्नित कई इनपुट लाइनें हैं जो वैश्विक नियंत्रण तर्क में फ़ीड करते हैं।यह लॉजिक सभी ब्लॉकों में आउटपुट सक्षम करता है और इनपुट कंट्रोल सिग्नल करता है।

यह आरेख EPM7160EQC160-10 सहित अधिकतम 7000E और अधिकतम 7000S डिवाइस में उपयोग किए जाने वाले मैक्रोसेल के आंतरिक लेआउट को दर्शाता है।यह प्रोग्रामेबल इंटरकनेक्ट सरणी (PIA) से आने वाले संकेतों के साथ शुरू होता है और एक लॉजिक सरणी और विस्तारक उत्पाद की शर्तों के माध्यम से बहता है।इन शर्तों को एक उत्पाद-टर्म सेलेक्ट मैट्रिक्स द्वारा चुना और संसाधित किया जाता है, जो तब गेट्स के एक सेट में लॉजिक आउटपुट को फीड करता है।वहां से, सिग्नल तेजी से इनपुट को बायपास करने या सक्षम करने के विकल्पों के साथ एक प्रोग्रामेबल रजिस्टर में यात्रा करता है।मैक्रोसेल समय नियंत्रण के लिए वैश्विक स्पष्ट और वैश्विक घड़ी लाइनों से भी जुड़ा हुआ है।आउटपुट विकल्पों में I/O कंट्रोल ब्लॉक को सिग्नल भेजना या इसे PIA में वापस भेजना शामिल है।
आप कारखानों या स्वचालन सेटअप में पाए जाने वाले बुनियादी नियंत्रण प्रणालियों में EPM7160EQC160-10 का उपयोग कर सकते हैं।यह नियमित संचालन को प्रबंधित करने में मदद करता है, जैसे स्विचिंग, टाइमिंग, या सरल तर्क नियंत्रण, जिससे यह उन प्रणालियों के लिए उपयोगी हो जाता है जिन्हें अत्यधिक जटिल सेटअप की आवश्यकता नहीं होती है।
यह चिप उन उपकरणों में अच्छी तरह से फिट बैठता है जो डेटा या सिग्नल को संभालते हैं, जैसे राउटर या टेलीकॉम स्विच।यह आपको अपने सिस्टम को अन्य भागों से सुचारू रूप से बात करने और उत्तरदायी बने रहने में मदद करने के लिए कस्टम लॉजिक पथ का निर्माण करने देता है।
यदि आप गैजेट या होम इलेक्ट्रॉनिक्स पर काम कर रहे हैं, तो EPM7160EQC160-10 आपके विचारों को जीवन में लाने में मदद कर सकता है।यह अतिरिक्त स्थान या शक्ति की आवश्यकता के बिना नियंत्रण तर्क को संभालता है, जो कॉम्पैक्ट या कम-शक्ति वाले डिजाइनों में अच्छी तरह से काम करता है।
एम्बेडेड सिस्टम में, जहां अंतरिक्ष और सादगी मायने रखती है, यह चिप सही मात्रा में लचीलेपन की पेशकश करती है।आप इसका उपयोग छोटे नियंत्रण कार्यों को चलाने या अपने सिस्टम के विभिन्न भागों को एक साथ जोड़ने में मदद करने के लिए कर सकते हैं।
यदि आप अधिकतम 7000 श्रृंखला का उपयोग करने वाले पुराने डिजाइनों को बनाए रख रहे हैं, तो EPM7160EQC160-10 आपको सब कुछ काम करने की सुविधा देता है।यह एक ठोस विकल्प है जब आपको प्रत्यक्ष प्रतिस्थापन की आवश्यकता होती है या विरासत सेटअप के जीवन का विस्तार करना चाहते हैं।
• 10 एनएस देरी के साथ हाई-स्पीड लॉजिक
• एक कॉम्पैक्ट रूप कारक में उच्च तर्क घनत्व
• गैर-वाष्पशील EEPROM कॉन्फ़िगरेशन मेमोरी
• स्थिर और अनुमानित प्रदर्शन
• व्यापक रूप से विरासत उत्पाद समर्थन के लिए उपयोग किया जाता है
• पुराने 5V लॉजिक सिस्टम तक सीमित
• आधुनिक कम-वोल्टेज IO के लिए कोई समर्थन नहीं
• उत्पाद जीवन का अंत है, सीमित उपलब्धता
इंटेल प्रौद्योगिकी की दुनिया में एक प्रसिद्ध नाम है, जो उन उत्पादों की पेशकश करता है जो कई रोजमर्रा के उपकरणों में उपयोग किए जाते हैं।इन वर्षों में, इसने विश्वसनीय चिप्स बनाने के लिए एक मजबूत प्रतिष्ठा बनाई है जो सिस्टम की एक विस्तृत श्रृंखला को शक्ति प्रदान करने में मदद करती है।होम इलेक्ट्रॉनिक्स से लेकर व्यावसायिक उपकरण तक, इंटेल के भागों को चीजों को सुचारू रूप से चलाने के लिए डिज़ाइन किया गया है।यदि आप किसी ऐसी चीज की तलाश कर रहे हैं जिसे विभिन्न उद्योगों में परीक्षण और विश्वसनीय किया गया है, तो इंटेल एक ऐसा ब्रांड है जिस पर आप भरोसा कर सकते हैं।
EPM7160EQC160-10 एक भरोसेमंद विकल्प है यदि आपको अच्छे प्रदर्शन और आसानी से उपयोग करने वाली सुविधाओं के साथ प्रोग्रामेबल लॉजिक चिप की आवश्यकता है।यह आपको 160 मैक्रोसेल और 104 I/O पिन के साथ लचीलापन देता है, सभी एक कॉम्पैक्ट, रिप्रोग्रामेबल प्रारूप में।सामान्य प्रणालियों के साथ इसकी तेजी से प्रतिक्रिया समय और संगतता इसे कई परियोजनाओं के लिए एक व्यावहारिक हिस्सा बनाती है।चाहे आप कुछ नया बना रहे हों या किसी पुराने सेटअप को अपडेट कर रहे हों, यह चिप चीजों को सुचारू रूप से चलाती है।यह एम्बेडेड सिस्टम, नियंत्रण उपकरणों और यहां तक कि उपभोक्ता उत्पादों में अच्छी तरह से फिट बैठता है।लंबे समय से समर्थन और ठोस डिजाइन के साथ, यह कई तर्क नियंत्रण आवश्यकताओं के लिए एक स्मार्ट पिक है।
कृपया एक जांच भेजें, हम तुरंत जवाब देंगे।
EPM7160EQC160-10 का उपयोग आमतौर पर नियंत्रण प्रणालियों, एम्बेडेड अनुप्रयोगों और संचार उपकरणों में किया जाता है जहां कस्टम डिजिटल लॉजिक की आवश्यकता होती है।यह एक पूर्ण प्रोसेसर की आवश्यकता के बिना सिग्नल प्रवाह, नियंत्रण कार्यों और इनपुट/आउटपुट कार्यों को प्रबंधित करने में मदद करता है।यह फैक्ट्री ऑटोमेशन, उपभोक्ता इलेक्ट्रॉनिक्स और अन्य प्रणालियों में उपयोगी बनाता है जो प्रोग्रामेबल लॉजिक पर भरोसा करते हैं।
हां, यह EEPROM तकनीक का उपयोग करता है, इसलिए इसे आवश्यकतानुसार कई बार पुन: प्राप्त किया जा सकता है।यह आपको चिप को प्रतिस्थापित किए बिना अपने लॉजिक डिज़ाइन को अपडेट करने की अनुमति देता है।यह एक महान विशेषता है जब आप अभी भी अपने सिस्टम को विकसित कर रहे हैं या स्थापना के बाद परिवर्तन करने की आवश्यकता है।
EPM7160EQC160-10 4.75V से 5.25V की आपूर्ति वोल्टेज रेंज के भीतर काम करता है।यह कई प्रणालियों के लिए मानक है और एकीकरण को सरल बनाता है।यदि आपका सिस्टम पहले से ही 5V लॉजिक का उपयोग करता है, तो आपको विशेष वोल्टेज नियामकों या समायोजन की आवश्यकता नहीं है।
यह चिप 104 I/O पिन प्रदान करती है।यह आपको इसे विभिन्न उपकरणों और सर्किटों से जोड़ने के लिए बहुत लचीलापन देता है।आप बाहरी विस्तारकों की आवश्यकता के बिना इन पिनों का उपयोग करके डेटा इनपुट, नियंत्रण संकेतों या अन्य सिस्टम भागों का प्रबंधन कर सकते हैं।
जबकि EPM7160EQC160-10 को एक विरासत उत्पाद माना जाता है और यह पूर्ण उत्पादन में नहीं हो सकता है, यह अभी भी विभिन्न वितरकों के माध्यम से उपलब्ध है।आप वर्तमान स्टॉक, मूल्य निर्धारण और लीड समय के लिए आपूर्तिकर्ताओं के साथ जांच कर सकते हैं, खासकर यदि आप पुराने सिस्टम को बनाए रख रहे हैं या मरम्मत कर रहे हैं जो इस पर निर्भर हैं।
2025/07/30 पर
2025/07/29 पर
8000/04/18 पर 147758
2000/04/18 पर 111948
1600/04/18 पर 111349
0400/04/18 पर 83722
1970/01/1 पर 79508
1970/01/1 पर 66918
1970/01/1 पर 63076
1970/01/1 पर 63012
1970/01/1 पर 54081
1970/01/1 पर 52145