
चित्रा 1। सात-खंड प्रदर्शन
एक सात-खंड का प्रदर्शन एक इलेक्ट्रॉनिक घटक है जिसे संख्या और कुछ अक्षर दिखाने के लिए डिज़ाइन किया गया है, जो एक चित्रा-आठ लेआउट में व्यवस्थित सात प्रकाश उत्सर्जक खंडों का उपयोग कर रहा है।प्रत्येक खंड, जी के माध्यम से लेबल किया गया, 0 से 9 तक अंक बनाने के लिए व्यक्तिगत रूप से रोशनी करता है। एक छोटा आठवां खंड, आमतौर पर नीचे-दाएं कोने में एक डॉट, दशमलव बिंदुओं का प्रतिनिधित्व करने के लिए भी शामिल किया जा सकता है।
प्रत्येक खंड एक एलईडी है जो संचालित होने पर प्रकाश का उत्सर्जन करता है।डिस्प्ले एलईडी के टर्मिनलों में वोल्टेज को लागू करके काम करता है, जिससे इलेक्ट्रोल्यूमिनेसेंस के माध्यम से प्रकाश का उत्पादन होता है।
1960 और 70 के दशक में सात-सेगमेंट डिस्प्ले लोकप्रिय हो गए क्योंकि एलईडी ने निक्सी ट्यूब और मैकेनिकल इंडिकेटर्स जैसी पहले डिस्प्ले तकनीकों को बदल दिया।इन नए डिस्प्ले को ड्राइव करना आसान था, कम शक्ति का इस्तेमाल किया, और अधिक टिकाऊ थे।70 के दशक के उत्तरार्ध तक, वे कैलकुलेटर, घड़ियों और माप उपकरणों में मानक थे।
आज भी, इन डिस्प्ले का उपयोग उन उपकरणों में व्यापक रूप से किया जाता है जिन्हें सरल, विश्वसनीय संख्यात्मक आउटपुट की आवश्यकता होती है।वे कम बिजली की खपत, मजबूत दृश्यता और सीधे नियंत्रण तर्क प्रदान करते हैं।बेहतर एलईडी सामग्री ने उन्हें भी उज्जवल और अधिक टिकाऊ बना दिया है, जो कॉम्पैक्ट गैजेट्स और बड़े औद्योगिक प्रणालियों दोनों में अपनी भूमिका बनाए रखने में मदद करता है।
सात-सेगमेंट डिस्प्ले दो मुख्य प्रकारों में आते हैं, जो आंतरिक एलईडी को वायर्ड के आधार पर रखते हैं: कॉमन एनोड (सीए) और कॉमन कैथोड (सीसी)।अंतर में निहित है कि एलईडी सेगमेंट विद्युत कनेक्शन कैसे साझा करते हैं।
एक सामान्य एनोड डिस्प्ले में, एलईडी के सभी सकारात्मक पक्ष (एनोड्स कहा जाता है) एक साथ जुड़े हुए हैं।सकारात्मक कनेक्शन का यह समूह सकारात्मक बिजली की आपूर्ति से जुड़ा हुआ है।
एक सेगमेंट (नंबर डिस्प्ले का एक हिस्सा) को चालू करने के लिए, आप उस सेगमेंट के नकारात्मक पक्ष (कैथोड कहा जाता है) को एक कम सिग्नल (जिसका अर्थ है जमीन या 0 वोल्ट से कनेक्शन) भेजते हैं।यह बिजली को प्रवाहित करने की अनुमति देता है और खंड रोशनी बढ़ाता है।
इस प्रकार का डिस्प्ले कुछ प्रकार के डिजिटल सर्किटों के साथ अच्छी तरह से काम करता है, विशेष रूप से वे जो वर्तमान को जमीन पर नीचे खींचने के लिए डिज़ाइन किए गए हैं।एक उदाहरण टीटीएल (ट्रांजिस्टर-ट्रांसिस्टर लॉजिक) सर्किट है।

चित्रा 2। सामान्य एनोड कॉन्फ़िगरेशन

चित्रा 3। सत्य तालिका
एक सामान्य कैथोड प्रदर्शन में, एलईडी के सभी नकारात्मक पक्ष (कैथोड) एक साथ जुड़े हुए हैं और जमीन से बंधे हैं।
एक सेगमेंट को हल्का करने के लिए, आप उस सेगमेंट के पॉजिटिव साइड (एनोड) को एक उच्च सिग्नल (एक वोल्टेज, 5V) भेजते हैं।यह एलईडी के माध्यम से सकारात्मक पिन से बिजली का प्रवाह बनाता है, और खंड रोशनी करता है।
आम कैथोड डिस्प्ले आमतौर पर माइक्रोकंट्रोलर के साथ उपयोग करना आसान होता है, जैसे कि Arduino या रास्पबेरी पाई, क्योंकि ये डिवाइस अपने आउटपुट पिन से सीधे आवश्यक उच्च सिग्नल को बाहर भेज सकते हैं।

चित्रा 4। आम कैथोड कॉन्फ़िगरेशन

चित्रा 5। सत्य तालिका

चित्रा 6। सात खंड प्रदर्शन का शीर्ष दृश्य
प्रत्येक सात-खंड डिस्प्ले अंक में एक आयताकार पैटर्न में व्यवस्थित सात व्यक्तिगत एलईडी होते हैं जो "8" जैसा दिखता है।सेगमेंट को जी के माध्यम से एक लेबल किया जाता है, जिसमें तीन क्षैतिज खंड (ए, जी, डी) और चार ऊर्ध्वाधर (बी, सी, ई, एफ) हैं।कुछ डिस्प्ले में एक दशमलव बिंदु भी शामिल है, जो नीचे-दाएं कोने के पास स्थित है।

चित्रा 7। दशमलव या डॉट पॉइंट
आधुनिक डिस्प्ले आमतौर पर प्लास्टिक या राल में एम्बेडेड सतह-माउंटेड एलईडी का उपयोग करते हैं।डिस्प्ले हाउसिंग में अक्सर पड़ोसी सेगमेंट में रक्तस्राव से चमक को रोकने के लिए हल्की बाधाएं शामिल होती हैं।आवरण आमतौर पर प्रकाश को फैलाने और इसके विपरीत सुधारने में मदद करने के लिए टिंटेड या फ्रॉस्टेड होता है।
मानक एकल-अंक डिस्प्ले में दस पिन होते हैं: प्रत्येक सात खंडों में से एक, दशमलव बिंदु के लिए एक, और साझा आम टर्मिनल के लिए एक या दो।मामले के अंदर, पतली तारों या निशान प्रत्येक खंड को उसके संबंधित पिन से जोड़ते हैं।
कुछ डिस्प्ले में वर्तमान को नियंत्रित करने के लिए अंतर्निहित प्रतिरोध शामिल हैं, जबकि अन्य को बाहरी प्रतिरोधों की आवश्यकता होती है।अच्छा थर्मल डिज़ाइन प्रदर्शन को लंबे समय तक मज़बूती से चलाने में मदद करता है, यहां तक कि चुनौतीपूर्ण वातावरण में भी।

चित्रा 8। सात खंड डिस्प्ले का निचला दृश्य

चित्रा 9। पिन आरेख
|
पिन नंबर |
जुड़े हुए
खंड |
समारोह |
|
पिन 1 |
ईटी |
नियंत्रण खंड ई |
|
पिन २ |
डी |
नियंत्रण खंड डी |
|
पिन ३ |
कॉम (सामान्य पिन) |
सामान्य एनोड या कैथोड |
|
पिन ४ |
सी |
नियंत्रण खंड c |
|
पिन ५ |
डी पी |
दशमलव बिंदु (डीपी) को नियंत्रित करता है |
|
पिन ६ |
बी |
नियंत्रण खंड बी |
|
पिन 7 |
ए |
नियंत्रण खंड ए |
|
पिन 8 |
कॉम (सामान्य पिन) |
सामान्य एनोड या कैथोड |
|
पिन 9 |
एफ |
नियंत्रण खंड एफ |
|
पिन 10 |
जी |
नियंत्रण खंड जी |
एक सात-खंड डिस्प्ले संख्या या सरल अक्षरों को बनाने के लिए विशिष्ट खंडों को प्रकाश द्वारा काम करता है।प्रत्येक खंड एक व्यक्ति एलईडी है जो सही दिशा में इसके माध्यम से प्रवाहित होने पर चमकता है।

चित्रा 10। प्रदर्शन संख्याएँ
एक नंबर दिखाने के लिए, सिस्टम सेगमेंट के सही संयोजन को चालू करता है।उदाहरण के लिए, "0" प्रदर्शित करने के लिए, जी को छोड़कर सभी खंडों को जलाया जाता है।एक "1" केवल बी और सी को रोशनी देता है। इन संयोजनों को माइक्रोकंट्रोलर मेमोरी में संग्रहीत किया जाता है या डिकोडिंग चिप द्वारा संभाला जाता है।

चित्र 11। सात खंड वर्णमाला वर्ण
ए, सी, ई, और एफ जैसे कुछ पत्रों को दिखाया जा सकता है, लेकिन कई अन्य लोगों को सीमित खंड की गिनती के कारण प्रतिनिधित्व करना मुश्किल है।क्यू या आर जैसे पत्रों को स्पष्ट रूप से प्रदर्शित करना मुश्किल है।
एक से अधिक अंक वाले सिस्टम में, डिस्प्ले मल्टीप्लेक्सिंग का उपयोग करते हैं।इसका मतलब है कि एक बार में केवल एक अंक जलाया जाता है, लेकिन सिस्टम अंक के बीच इतनी तेजी से (आमतौर पर 60 बार प्रति सेकंड या अधिक) के बीच स्विच करता है कि वे सभी एक ही बार में जलाए जाते हैं।यह शक्ति बचाता है और आवश्यक कनेक्शन की संख्या को कम करता है।
दशमलव बिंदु का उपयोग अंशों, समय पृथक्करण या एक विशेष संकेतक के रूप में किया जा सकता है।कुछ घड़ियां भी दशमलव बिंदुओं का उपयोग ब्लिंकिंग कॉलन के रूप में करती हैं।

चित्रा 12। सात खंड एलईडी घड़ी समय प्रदर्शन
सात-सेगमेंट डिस्प्ले पर नंबर दिखाने के लिए, प्रत्येक अंक सेगमेंट के एक अनूठे सेट को रोशन करता है।इन पैटर्न को बाइनरी कोड के रूप में संग्रहीत किया जाता है।कोड आम कैथोड और सामान्य एनोड प्रकारों के लिए अलग हैं, यह इस बात पर निर्भर करता है कि सेगमेंट कैसे चालू होते हैं।नीचे दी गई तालिका 0 से 9 अंकों के लिए कोड दिखाती है।
|
अंक |
जलाया हुआ खंड
(ए -जी) |
द्विआधारी कोड
(कॉमन कैथोड) |
हेक्स कोड (सीसी) |
द्विआधारी कोड
(सामान्य एनोड) |
हेक्स कोड (सीए) |
|
0 |
ए, बी, सी, डी, ई, एफ |
0B00111111 |
0x3f |
0B11000000 |
0xc0 |
|
1 |
बी, सी |
0B00000110 |
0x06 |
0B111111001 |
0xf9 |
|
2 |
ए, बी, डी, ई, जी |
0B01011011 |
0x5b |
0B10100100 |
0xa4 |
|
3 |
ए, बी, सी, डी, जी |
0B01001111 |
0x4f |
0B10110000 |
0xb0 |
|
4 |
बी, सी, एफ, जी |
0B01100110 |
0x66 |
0B10011001 |
0x99 |
|
5 |
ए, सी, डी, एफ, जी |
0B01101101 |
0x6d |
0B10010010 |
0x92 |
|
6 |
ए, सी, डी, ई, एफ, जी |
0B01111101 |
0x7d |
0B10000010 |
पास 0x82 |
|
7 |
ए, बी, सी |
0B00000111 |
0x07 |
0B11111000 |
0xf8 |
|
8 |
ए, बी, सी, डी, ई, एफ, जी |
0B01111111 |
0x7f |
0B10000000 |
0x80 |
|
9 |
क ख ग घ च छ |
0B01101111 |
0x6f |
0B10010000 |
0x90 |
एक प्रदर्शन को नियंत्रित करने के कुछ सामान्य तरीके हैं।चलो सबसे सरल से अधिक उन्नत तक उनके माध्यम से चलते हैं।

चित्रा 13। एक माइक्रोकंट्रोलर के लिए सात-खंड प्रदर्शन के प्रत्यक्ष कनेक्शन का सर्किट आरेख
एक अंक को नियंत्रित करने का सबसे आसान तरीका प्रत्येक खंड को माइक्रोकंट्रोलर पर अपने स्वयं के पिन से जोड़कर है।यह छोटी परियोजनाओं के लिए अच्छी तरह से काम करता है जो केवल एक संख्या दिखाते हैं।
एक सामान्य एनोड डिस्प्ले के लिए, एलईडी के सभी सकारात्मक पक्ष (एनोड) शक्ति (जैसे 3.3 वी या 5 वी) से जुड़े होते हैं।प्रत्येक खंड का नकारात्मक पक्ष (कैथोड) एक अवरोधक के माध्यम से जाता है और फिर माइक्रोकंट्रोलर पर एक पिन पर जाता है।जब माइक्रोकंट्रोलर एक कम संकेत भेजता है, तो खंड चालू हो जाता है।
यह सेटअप आपको प्रत्येक सेगमेंट का पूरा नियंत्रण देता है, इसलिए आप कोई भी नंबर बना सकते हैं।लेकिन यह बहुत सारे पिन का उपयोग करता है, सेगमेंट के लिए सात और एक और यदि आप दशमलव बिंदु का उपयोग करते हैं।उदाहरण के लिए, आप प्रत्येक खंड में एक Arduino या STM32 पर PA7 के माध्यम से PA0 PA0 कनेक्ट कर सकते हैं।प्रतिरोधों (लगभग 220-330 ओम) एलईडी को बहुत अधिक वर्तमान से बचाते हैं।
यह विधि सरल है, लेकिन यदि आप एक से अधिक अंक दिखाना चाहते हैं, तो यह अच्छी तरह से काम नहीं करता है, आप पिन से बाहर निकलेंगे।जब मल्टीप्लेक्सिंग या डिस्प्ले ड्राइवर चिप का उपयोग करना बेहतर होता है।

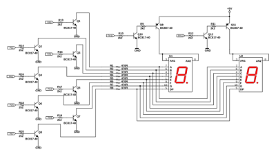
चित्रा 14। दो सात सेगमेंट डिस्प्ले के लिए ट्रांजिस्टर ड्राइवर सर्किट
यदि आप एक से अधिक अंक का उपयोग करना चाहते हैं, तो प्रत्येक खंड को माइक्रोकंट्रोलर से जोड़ने के लिए बहुत अधिक पिन की आवश्यकता होगी।मल्टीप्लेक्सिंग एक ट्रिक है जो आपको कम पिन का उपयोग करके कई अंकों को नियंत्रित करने में मदद करती है।
मल्टीप्लेक्सिंग में, सभी अंक समान खंड तारों को साझा करते हैं।लेकिन एक समय में केवल एक अंक रोशनी।माइक्रोकंट्रोलर अंकों के बीच बहुत तेजी से स्विच करता है, इसलिए ऐसा लगता है कि सभी अंक एक ही बार में हैं।
प्रत्येक अंक को एक ट्रांजिस्टर का उपयोग करके चालू किया जाता है।माइक्रोकंट्रोलर अंक के लिए डेटा भेजता है और अपने ट्रांजिस्टर को चालू करता है।फिर यह अगले अंक में चला जाता है, और इसी तरह।यह जल्दी से दोहराता है ताकि आपकी आँखें एक बार में पूरी संख्या देख सकें।
आपको प्रत्येक अंक के ट्रांजिस्टर के लिए केवल सात सेगमेंट तारों और एक तार की आवश्यकता होती है।आप SN74HC595 शिफ्ट रजिस्टर जैसी चिप का भी उपयोग कर सकते हैं।यह आपको कम पिन के साथ डेटा भेजने देता है और केवल कुछ माइक्रोकंट्रोलर पिन का उपयोग करके सेगमेंट को नियंत्रित करता है।यह वायरिंग को आसान बनाता है और आपको बड़े डिस्प्ले बनाने में मदद करता है।

चित्रा 15। सात खंड प्रदर्शन Arduino के साथ इंटरफेसिंग
जब आप एक प्रोटोटाइप सीख रहे हैं या निर्माण कर रहे हैं, तो एक Arduino के साथ हाथ से प्रदर्शन को नियंत्रित करना आम है।सात-सेगमेंट डिस्प्ले में आठ एलईडी हैं जो "8." के आकार के हैं।दशमलव बिंदु (डीपी) के लिए एक अतिरिक्त के साथ सेगमेंट को जी का नाम दिया गया है।
आप प्रत्येक खंड को Arduino पर एक पिन के लिए एक रोकनेवाला के माध्यम से कनेक्ट करते हैं।यदि आप एक सामान्य कैथोड डिस्प्ले का उपयोग कर रहे हैं, तो आम पिन जमीन पर जाता है।एक सेगमेंट को हल्का करने के लिए, Arduino सेगमेंट के पिन को एक उच्च संकेत भेजता है।
आम कैथोड डिस्प्ले में, उच्च खंड को चालू करता है।सामान्य एनोड डिस्प्ले में, आपको इसके बजाय कम सिग्नल की आवश्यकता होती है।यह जानना महत्वपूर्ण है कि आप किस तरह के डिस्प्ले का उपयोग कर रहे हैं ताकि आप सही कोड लिखें।
उदाहरण के लिए, संख्या 0 से 9 दिखाने के लिए, Arduino कोड प्रत्येक संख्या के लिए खंडों के सही संयोजन को चालू करता है।यह विधि अभ्यास के लिए बहुत अच्छी है, लेकिन यह एक से अधिक अंक के लिए अच्छी तरह से काम नहीं करता है जब तक कि आप मल्टीप्लेक्सिंग या ड्राइवर चिप नहीं जोड़ते हैं।

चित्र 16। 4511 ड्राइवर का उपयोग करना
चीजों को आसान बनाने और माइक्रोकंट्रोलर पिन को बचाने के लिए, आप CD4511 की तरह एक चिप का उपयोग कर सकते हैं।यह चिप 4-बिट बाइनरी नंबर लेती है और अंक 0 से 9 दिखाने के लिए सही सेगमेंट को रोशन करती है।
आप चिप को स्विच से या माइक्रोकंट्रोलर से इसका इनपुट दे सकते हैं।जब इनपुट बदलता है, तो चिप डिस्प्ले पर सही नंबर को रोशन करती है।प्रतिरोध अभी भी एलईडी की रक्षा करते हैं, और जब स्विच को दबाया नहीं जाता है, तो पुल-डाउन रेसिस्टर्स इनपुट को स्थिर रखते हैं।
4511 चिप वायरिंग और कोड को सरल बनाती है।प्रत्येक सेगमेंट को नियंत्रित करने के बजाय, माइक्रोकंट्रोलर सिर्फ एक नंबर भेजता है, और चिप बाकी का ख्याल रखती है।
अधिक उन्नत परियोजनाओं में, माइक्रोकंट्रोलर I2C या SPI जैसे संचार विधियों का उपयोग करके ड्राइवरों को प्रदर्शित करने के लिए बात कर सकते हैं।इससे बहुत सारे पिनों का उपयोग किए बिना कई अंकों को नियंत्रित करना आसान हो जाता है।
बुनियादी भागों से सात-खंड डिस्प्ले सेटअप का निर्माण इलेक्ट्रॉनिक्स सीखने का एक शानदार तरीका है।आपको एक डिस्प्ले मॉड्यूल, एक डिकोडर चिप (जैसे 4511), रेसिस्टर्स, डिप स्विच (या बटन), और एक ब्रेडबोर्ड की आवश्यकता होगी।
स्टेप 1: अपने ब्रेडबोर्ड पर 4511 रखें और पिन 16 को पावर से कनेक्ट करें और 8 को जमीन पर पिन करें।
चरण दो:10K पुल-डाउन प्रतिरोधों के माध्यम से स्विच करने के लिए वायर पिन 1, 2, 6, और 7 (बीसीडी इनपुट)।यह आपको मैन्युअल रूप से बाइनरी मान दर्ज करने देता है।
चरण 3 :LT (LAMP परीक्षण) और LE (LATCH सक्षम) को VCC से कनेक्ट करें, और BI (ब्लैंकिंग इनपुट) को ग्राउंड करें।
चरण 4:220-470 and प्रतिरोधों के माध्यम से डिस्प्ले के लिए पिन 9-15 (आउटपुट ए -जी) कनेक्ट करें।
चरण 5 :डिस्प्ले के कॉमन कैथोड पिन को जमीन पर बांधें।
अब, स्विच को फ़्लिप करने से बीसीडी इनपुट बदल जाता है और डिस्प्ले को अपडेट करता है।आप दशमलव अंक या अभ्यास के लिए दूसरा अंक जैसी सुविधाएँ जोड़ सकते हैं।डीआईपी स्विच के बजाय एक माइक्रोकंट्रोलर का उपयोग करने से आप मल्टीप्लेक्सिंग और डायनेमिक डिस्प्ले कंट्रोल का पता लगाने देते हैं।
• उपयोग करने में आसान: सात-खंड का प्रदर्शन बहुत सरल है।इसमें सात छोटी रोशनी (एलईडी कहा जाता है) एक तरह से व्यवस्थित किया गया है जो 0 से 9 तक किसी भी नंबर को दिखा सकता है। आप प्रत्येक नंबर बनाने के लिए सही रोशनी चालू करते हैं।यह डिजिटल घड़ियों या काउंटरों जैसी शुरुआती और छोटी परियोजनाओं के लिए इसे बहुत अच्छा बनाता है।
• कम लागत: ये डिस्प्ले बनाने और खरीदने के लिए सस्ते हैं।क्योंकि वे सरल हैं और बुनियादी तकनीक का उपयोग करते हैं, इसलिए वे ज्यादा खर्च नहीं करते हैं।यह उन्हें कम बजट वाली परियोजनाओं या उत्पादों के लिए एकदम सही बनाता है जिन्हें सस्ती रहने की आवश्यकता है।
• बहुत कम बिजली का उपयोग करता है: सात-खंड डिस्प्ले को विशेष रूप से एलसीडी वाले काम करने के लिए बहुत अधिक बिजली की आवश्यकता नहीं होती है।यहां तक कि एलईडी संस्करण भी बहुत अधिक शक्ति का उपयोग नहीं करते हैं यदि आप उन्हें सही तरीके से उपयोग करते हैं।यही कारण है कि वे बैटरी पर चलने वाले उपकरणों के लिए अच्छे हैं।
• पढ़ने में आसान: सात-खंड डिस्प्ले पर संख्या उज्ज्वल और स्पष्ट है।एलईडी प्रकार दृढ़ता से चमकते हैं और इसे अंधेरे में या दूर से भी देखा जा सकता है।यही कारण है कि आप उन्हें अलार्म घड़ियों और बुनियादी माप उपकरणों में देखते हैं।
• मजबूत और लंबे समय तक चलने वाला: इन डिस्प्ले में मूविंग पार्ट्स नहीं होते हैं, इसलिए वे आसानी से नहीं टूटते हैं।अंदर की रोशनी (एलईडी) बहुत लंबे समय तक रह सकती है।जब यह गर्म, ठंडा, या यदि डिवाइस टकरा जाता है, तब भी वे अच्छी तरह से काम करते हैं।
• छोटे और अंतरिक्ष-बचत: सात-खंड डिस्प्ले छोटे हैं और तंग स्थानों में अच्छी तरह से फिट हैं।आप अधिक जगह की आवश्यकता के बिना लंबी संख्या दिखाने के लिए कई साइड-बाय-साइड डाल सकते हैं।वे कॉम्पैक्ट उपकरणों के लिए एकदम सही हैं।
• पूर्ण शब्द या प्रतीक नहीं दिखा सकते हैं: ये डिस्प्ले नंबर दिखाने के लिए किए जाते हैं, न कि पूर्ण अक्षर या प्रतीक।वे कुछ सरल अक्षर (जैसे ए, बी, सी) दिखा सकते हैं, लेकिन सभी नहीं।इसलिए वे पूर्ण शब्द या वाक्य दिखाने के लिए अच्छे नहीं हैं।
• डिजाइन में लचीला नहीं: सेगमेंट का आकार तय हो गया है, इसलिए आप यह नहीं बदल सकते कि संख्याएं कैसे दिखती हैं।आप चित्र या विशेष आइकन भी नहीं दिखा सकते हैं।यह अधिक स्टाइलिश या आधुनिक उत्पादों के लिए डिजाइन विकल्पों को सीमित करता है।
• कुछ कोणों से देखने के लिए कठिन: एलईडी प्रकारों के साथ, यदि आप उन्हें सीधे नहीं देख रहे हैं तो संख्याओं को पढ़ना मुश्किल हो सकता है।यदि आप पक्ष से देखते हैं या यदि यह बाहर बहुत उज्ज्वल है, तो संख्याओं को देखना मुश्किल हो सकता है।
• एलईडी प्रकार अधिक बिजली का उपयोग कर सकते हैं: एलईडी डिस्प्ले एलसीडी वाले की तुलना में अधिक बिजली का उपयोग करते हैं, खासकर अगर कई खंड हर समय होते हैं।यह बैटरी से चलने वाले गैजेट्स के लिए एक समस्या हो सकती है जहां बचत बिजली महत्वपूर्ण है।
• यदि कोई हिस्सा टूट जाता है, तो इसे पढ़ना मुश्किल है: यदि रोशनी (सेगमेंट) में से कोई एक काम करना बंद कर देती है, तो यह एक संख्या को गलत बना सकता है।उदाहरण के लिए, नंबर 8 0 की तरह लग सकता है यदि कोई मध्य खंड विफल हो जाता है।यह दूसरों को भ्रमित कर सकता है।
• वायरिंग कई अंकों के लिए जटिल हो जाती है: एक से अधिक अंक दिखाने का अर्थ है अधिक तारों और भागों।सब कुछ जोड़ने के लिए आपको विशेष चिप्स और अतिरिक्त काम की आवश्यकता हो सकती है।यह डिजाइन और प्रोग्रामिंग को कठिन बना सकता है, खासकर शुरुआती लोगों के लिए।
नंबर दिखाने के लिए सात-सेगमेंट डिस्प्ले सरल और उपयोगी उपकरण हैं।वे 0 से 9 तक अंक बनाने के लिए कुछ भागों (सेगमेंट) कहा जाता है। दो प्रकार के होते हैं, जो इस बात पर आधारित होते हैं कि सेगमेंट कैसे वायर्ड होते हैं।इन डिस्प्ले को कनेक्ट करना आसान है, बहुत अधिक शक्ति का उपयोग नहीं करते हैं, और घड़ियों, मीटर और रसोई उपकरणों जैसे बुनियादी उपकरणों के लिए महान हैं।आप उन्हें अलग -अलग तरीकों से नियंत्रित कर सकते हैं, प्रत्यक्ष वायरिंग से लेकर चिप्स का उपयोग करने तक जो अंतरिक्ष को बचाते हैं और चीजों को आसान बनाते हैं।भले ही वे पूर्ण शब्द या फैंसी चित्र नहीं दिखा सकते हैं, फिर भी वे एक अच्छा विकल्प हैं जब आपको स्पष्ट और सरल संख्या डिस्प्ले की आवश्यकता होती है।
कृपया एक जांच भेजें, हम तुरंत जवाब देंगे।
एक 7-खंड डिस्प्ले केवल संख्या और कुछ अक्षर दिखाता है, जबकि 14-खंड डिस्प्ले दोनों नंबर और पूर्ण वर्णमाला वर्ण बनाने के लिए अधिक एलईडी का उपयोग करता है।
हाँ।प्रतिरोधों के बिना, एलईडी बहुत अधिक वर्तमान आकर्षित कर सकते हैं और बाहर जल सकते हैं।आमतौर पर, प्रत्येक खंड के लिए 220 and से 470। प्रतिरोधों का उपयोग किया जाता है।
मल्टीमीटर के डायोड टेस्ट मोड का उपयोग करें: सामान्य पिन कनेक्ट करें और प्रत्येक सेगमेंट की जांच करें।यदि सकारात्मक जांच आम पिन पर होती है, तो यह सामान्य कैथोड है;यदि नकारात्मक जांच आम पिन पर है, तो यह सामान्य एनोड है।
मानक एलईडी-आधारित डिस्प्ले 1.8V से 3.3V प्रति खंड पर काम करता है, लेकिन आमतौर पर चमक को नियंत्रित करने के लिए 5V तर्क और वर्तमान-सीमित प्रतिरोधों के साथ संचालित होता है।
प्रत्यक्ष नहीं।हालाँकि, आप Microcontrollers या ड्राइवर ICs का उपयोग करने के लिए प्रोग्राम कर सकते हैं कि वे संख्या, एनिमेशन, या काउंटडाउन को गतिशील रूप से कैसे प्रदर्शित करते हैं।
2024/01/16 पर
2026/03/17 पर
8000/04/18 पर 147758
2000/04/18 पर 111941
1600/04/18 पर 111349
0400/04/18 पर 83721
1970/01/1 पर 79508
1970/01/1 पर 66914
1970/01/1 पर 63065
1970/01/1 पर 63012
1970/01/1 पर 54081
1970/01/1 पर 52135