
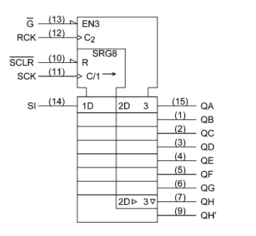
74HC595D एक 8-बिट शिफ्ट रजिस्टर/कुंडी है जो उन्नत सिलिकॉन गेट C2MOS तकनीक का उपयोग करके सावधानीपूर्वक योजना बनाई गई है।यह परिष्कृत डिज़ाइन यह सुनिश्चित करता है कि यह सीएमओएस तकनीक की बिजली दक्षता के संयोजन से, एलएसटीटीएल सर्किट के लिए गति से संचालित हो।इसके मुख्य घटकों में 8-बिट स्टेटिक शिफ्ट रजिस्टर और 8-बिट स्टोरेज रजिस्टर शामिल हैं।जब SCK इनपुट एक सकारात्मक संक्रमण से गुजरता है, तो डेटा रजिस्टर के माध्यम से सुचारू रूप से बदल जाता है।इसके अलावा, आरसीके इनपुट पर एक सकारात्मक संक्रमण पर, यह डेटा मूल रूप से भंडारण रजिस्टर में स्थानांतरित हो जाता है।
74HC595D की एक उल्लेखनीय विशेषता RCK और SCK संकेतों का विभाजन है, जो शिफ्टिंग प्रक्रिया में समानांतर आउटपुट को काफी स्थिर और बनाए रखता है।यह न्यूनतम डेटा भ्रष्टाचार और उच्च आउटपुट अखंडता की आवश्यकता वाले संदर्भों में विशेष रूप से फायदेमंद है।डिवाइस में 3-राज्य समानांतर आउटपुट हैं जो 8-बिट बस में आसान कनेक्शन को सक्षम करते हैं, जिससे विभिन्न सीरियल-टू-समानांतर रूपांतरण कार्यों में इसकी उपयोगिता बढ़ जाती है।
आप अक्सर व्यावहारिक अनुप्रयोगों के असंख्य के लिए 74HC595D की ओर मुड़ सकते हैं, ज्यादातर सीरियल-टू-पैरेल रूपांतरण और डेटा रिसेप्शन में।डिजाइन में स्थैतिक निर्वहन और क्षणिक वोल्टेज स्पाइक्स के खिलाफ सुरक्षात्मक तंत्र शामिल हैं।यह विभिन्न वातावरणों में भरोसेमंद प्रदर्शन का आश्वासन देता है।सर्किट डिजाइन और कार्यान्वयन में, 74HC595D को इसकी दक्षता और मजबूती के लिए प्रशंसा की जाती है, उच्च गति वाले डेटा प्रोसेसिंग क्षमताओं को बनाए रखते हुए बिजली की खपत को कम करने के लिए मांगे जाने वाले गुणों की मांग की जाती है।यह पहलू आधुनिक इलेक्ट्रॉनिक्स में तेजी से प्रासंगिक है जहां ऊर्जा बचत और प्रदर्शन दोनों को अत्यधिक महत्व दिया जाता है।




|
विशेषता |
विवरण |
|
उच्च गति |
fmax = 55 मेगाहर्ट्ज (टाइप)। |
|
कम शक्ति अपव्यय |
ICC = 4.0 µA (अधिकतम) TA = 25 ° C पर |
|
संतुलित प्रसार देरी |
tplh g tphl |
|
वाइड ऑपरेटिंग वोल्टेज रेंज |
VCC (OPR) = 2.0 V से 6.0 V |
|
प्रकार |
पैरामीटर |
|
फैक्टरी लीड टाइम |
12 सप्ताह |
|
माउन्टिंग का प्रकार |
सतह पर्वत |
|
पैकेज / मामला |
16-SHIC (0.154, 3.90 मिमी चौड़ाई) |
|
तत्वों की संख्या |
1 |
|
परिचालन तापमान |
-40 ° C ~ 125 ° C |
|
पैकेजिंग |
कट टेप (सीटी) |
|
शृंखला |
74HC |
|
भाग की स्थिति |
सक्रिय |
|
नमी संवेदनशीलता स्तर (एमएसएल) |
1 (असीमित) |
|
वोल्टेज - आपूर्ति |
2v ~ 6v |
|
समारोह |
समानांतर के लिए धारावाहिक |
|
उत्पादन का प्रकार |
त्रिराज्य |
|
तर्क प्रकार |
शिफ्ट रजिस्टर |
|
प्रति तत्व बिट्स की संख्या |
8 |
|
रोह्स स्टेटस |
ROHS आज्ञाकारी |


|
भाग |
तुलना करना |
निर्माताओं |
वर्ग |
विवरण |
|
74HC595D |
वर्तमान भाग |
एनएक्सपी |
पारी रजिस्टर |
NXP 74HC595D शिफ्ट रजिस्टर, एचसी परिवार, 74HC595, सीरियल
समानांतर, धारावाहिक से धारावाहिक, 1element, 8bit, soic |
|
74HC595D, 118 |
74HC595D बनाम 74HC595D, 118 |
एनएक्सपी |
पारी रजिस्टर |
NXP 74HC595D, 118 शिफ्ट रजिस्टर, एचसी परिवार, 74HC595,
समानांतर से सीरियल, सीरियल टू सीरियल, 8element, 8bit, SOIC |
|
74HC595D-Q100,118
|
74HC595D बनाम 74HC595D-Q100,118 |
एनएक्सपी |
पारी रजिस्टर |
आईसी शिफ्ट रजिस्टर 8bit 16SOIC |
|
SN74HC595N |
74HC595D बनाम SN74HC595N |
ती |
पारी रजिस्टर |
शिफ्ट रजिस्टर, एचसी परिवार, 74HC595, समानांतर से सीरियल,
1Element, 8bit, DIP, 16PINS |
74HC595D आदर्श रूप से एलईडी बोर्डों को नियंत्रित करने के लिए अनुकूल है, खासकर जब एक माइक्रोकंट्रोलर का उपयोग करके बड़ी संख्या में एलईडी का प्रबंधन करने का काम सौंपा जाता है।यह शिफ्ट रजिस्टर मल्टीप्लेक्सिंग की प्रक्रिया को सुव्यवस्थित करता है, इस प्रकार माइक्रोकंट्रोलर पर आवश्यक I/O पिन काउंट को काफी कम करता है।उदाहरण के लिए, स्कोरबोर्ड या गतिशील सूचनात्मक बोर्डों जैसे जटिल डिस्प्ले सिस्टम में, 74HC595D को एकीकृत करना समग्र सर्किट डिजाइन को सरल बना सकता है, जिससे यह अधिक कुशल और प्रबंधनीय हो सकता है।
74HC595D कुशलतापूर्वक एलसीडी स्क्रीन के साथ मूल डेटा बिट्स की आपूर्ति करके, माइक्रोकंट्रोलर और डिस्प्ले के बीच एक सहज संचार चैनल की स्थापना करके इंटरफेस करता है।यह सुविधा प्रदर्शन सामग्री के चिकनी अपडेट की अनुमति देती है।यह औद्योगिक मशीनों और उपभोक्ता इलेक्ट्रॉनिक्स के नियंत्रण पैनलों में ज्यादातर लाभप्रद है, जहां स्पष्ट और समय पर सूचना प्रदर्शन सक्रिय है।यह एकीकरण अधिक कॉम्पैक्ट और लागत प्रभावी डिजाइनों को प्रोत्साहित करता है।
74HC595D 5V लोड को नियंत्रित करने में सक्षम है, जैसे कि रिले, 3.3V माइक्रोकंट्रोलर के माध्यम से, इसकी 3.15V उच्च-स्तरीय वोल्टेज क्षमता के कारण।यह विशेषता मुख्य रूप से ऐसे वातावरण में उपयोगी है जिसमें विवश बिजली प्रणालियों के भीतर विश्वसनीय स्विचिंग तंत्र की आवश्यकता होती है।व्यावहारिक अनुप्रयोगों में होम ऑटोमेशन सिस्टम और रोबोटिक्स शामिल हैं, जहां कम वोल्टेज लॉजिक सर्किट से उच्च वोल्टेज घटकों को प्रबंधित करना चिकनी और कुशल संचालन के लिए उपयोगी है।74HC595D को शामिल करने से विभिन्न वोल्टेज डोमेन के बीच चिकनी संक्रमण सुनिश्चित होता है, जिससे पूरे सिस्टम की अखंडता बनाए रखती है।
74HC595D की एक उल्लेखनीय ताकत इलेक्ट्रॉनिक सर्किट की विश्वसनीयता और स्केलेबिलिटी को बढ़ाने में इसकी भूमिका है।अनुभव से पता चलता है कि 74HC595D की तरह शिफ्ट रजिस्टर लंबी दूरी पर सिग्नल अखंडता को बनाए रखने में मदद करता है, आर्किटेक्चरल लाइटिंग सिस्टम या व्यापक सार्वजनिक सूचना डिस्प्ले जैसे बड़े पैमाने पर एलईडी इंस्टॉलेशन में एक सामान्य आवश्यकता।वे डिज़ाइन आर्किटेक्चर को भी सरल बनाते हैं, जिससे न्यूनतम हार्डवेयर परिवर्तनों के साथ नियंत्रणीय आउटपुट की संख्या का विस्तार करना आसान हो जाता है, इस प्रकार यह सुनिश्चित होता है कि सिस्टम भविष्य की जरूरतों के अनुकूल है।
सर्किट डिजाइन में 74HC595D को एकीकृत करना समग्र डिजाइन दक्षता और बिजली प्रबंधन को बढ़ाता है।नियंत्रण को केंद्रीकृत करने की इसकी क्षमता संगठित बिजली वितरण की सुविधा देती है, जो बैटरी से चलने वाले उपकरणों में महत्वपूर्ण है जहां ऊर्जा संरक्षण एक प्राथमिकता है।यह लाभ समकालीन डिजाइन दर्शन के साथ संरेखित करता है जो प्रदर्शन को अधिकतम करते हुए न्यूनतम बिजली की खपत पर जोर देते हैं, जैसा कि पहनने योग्य प्रौद्योगिकी और पोर्टेबल चिकित्सा उपकरणों में देखा जाता है।
74HC595D को अक्सर परिदृश्यों में नियोजित किया जाता है जहां डेटा को एक सीरियल प्रारूप से समानांतर प्रारूप में संक्रमण की आवश्यकता होती है।यह क्षमता विभिन्न डिजिटल अनुप्रयोगों में गंभीर है जो कुशल डेटा प्रबंधन और प्रसंस्करण की मांग करती है।माइक्रोकंट्रोलर-आधारित सिस्टम अक्सर सीमित GPIO पिन की चुनौती का सामना करते हैं।74HC595D का लाभ उठाकर, ये सिस्टम उपलब्ध संसाधनों को अनुकूलित करते हुए कम इनपुट पिन के साथ अधिक से अधिक आउटपुट को प्रभावी ढंग से नियंत्रित कर सकते हैं।
व्यावहारिक अनुप्रयोगों में, आप अक्सर इस आईसी का उपयोग एलईडी मैट्रिसेस ड्राइव करने या कई उपकरणों को प्रबंधित करने के लिए कर सकते हैं, जैसे कि रिले या डिस्प्ले सेगमेंट।डेटा भेजना क्रमिक रूप से और फिर इसे समानांतर आउटपुट में विस्तारित करने से वायरिंग को सरल बनाता है और जटिल संचालन के लिए आवश्यक पिन काउंट को कम करता है।74HC595D के उपयोग को हार्डवेयर डिजाइन को सुव्यवस्थित करने के लिए अनुभव के माध्यम से दिखाया गया है, जिसके परिणामस्वरूप अधिक कॉम्पैक्ट और कुशल सर्किट बोर्ड हैं।
74HC595D का एक और बकाया अनुप्रयोग रिमोट कंट्रोल होल्डिंग रजिस्टरों में इसकी भूमिका है, जो प्रोग्रामेबल लॉजिक कंट्रोलर्स (पीएलसी) और अन्य औद्योगिक स्वचालन प्रणालियों में ज्यादातर फायदेमंद है।यह डिवाइस नियंत्रण संकेतों को संग्रहीत कर सकता है, तब भी जब वे सक्रिय रूप से प्रेषित नहीं होते हैं।आप अक्सर पता लगा सकते हैं कि रिमोट कंट्रोल सिस्टम के साथ 74HC595D का उपयोग करने से विश्वसनीयता बढ़ जाती है और मैनुअल हस्तक्षेपों की आवृत्ति को कम कर देता है।इसके अलावा, होल्डिंग रजिस्टर मध्यवर्ती बफ़र्स के रूप में कार्य करता है, लंबी दूरी के संचार पर डेटा अखंडता में सुधार करता है।निरंतर डेटा ट्रांसमिशन की आवश्यकता को कम करने से अप्रत्यक्ष रूप से कम बिजली की खपत होती है और समग्र प्रणाली दक्षता को बढ़ावा मिलता है।

तोशिबा सेमीकंडक्टर एंड स्टोरेज प्रौद्योगिकी समाधानों की एक विविध सरणी प्रस्तुत करता है जो मूल उपकरण निर्माताओं (OEMs), मूल डिजाइन निर्माता (ODM), अनुबंध निर्माता (CMS), और Fabless चिप कंपनियों को सक्रिय करता है।ये समाधान कई बाजारों में परिष्कृत एकीकृत उत्पादों के विकास को बढ़ावा देते हैं, जिनमें कंप्यूटिंग, नेटवर्किंग, संचार, डिजिटल उपभोक्ता इलेक्ट्रॉनिक्स और ऑटोमोटिव अनुप्रयोग शामिल हैं।
तोशिबा की अर्धचालक और भंडारण प्रौद्योगिकी की महारत इसके विभिन्न योगदानों में स्पष्ट है।कंप्यूटिंग में, उनके माइक्रोप्रोसेसर्स और मेमोरी सॉल्यूशंस अधिक शक्तिशाली और कुशल कंप्यूटिंग क्षमताओं के लिए बोझिल की आवश्यकता को पूरा करते हैं।नेटवर्किंग और संचार में, तोशिबा के घटक आधुनिक बुनियादी ढांचे के खतरनाक अनुप्रयोगों के लिए उपयोग किए जाने वाले भरोसेमंद और उच्च गति वाले डेटा ट्रांसफर को सुनिश्चित करते हैं।डिजिटल उपभोक्ता बाजार तोशिबा के नवाचारों के साथ पनपता है, बेहतर डिवाइस प्रदर्शन और ऊर्जा दक्षता के माध्यम से आपके अनुभवों को बढ़ाता है।मोटर वाहन उद्योग के भीतर, तोशिबा के अर्धचालक अधिक बुद्धिमान और ऊर्जा-कुशल वाहनों की ओर संक्रमण को बढ़ाते हैं।उनकी प्रौद्योगिकियां इलेक्ट्रिक वाहनों (ईवीएस), स्वायत्त ड्राइविंग सिस्टम और इन-कार मनोरंजन में प्रगति के लिए मार्ग प्रशस्त करती हैं।व्यावहारिक अनुभव प्रदर्शित करते हैं कि तोशिबा के अनुकूलित बिजली प्रबंधन आईसीएस और सेंसर को नियोजित करना ईवी रेंज और विश्वसनीयता का विस्तार करता है, जिससे वे उपभोक्ताओं और निर्माताओं के लिए अधिक आकर्षक बनते हैं।
तोशिबा का प्रभाव विशेष रूप से नेटवर्किंग और संचार में गहरा है।उनके उच्च गति और कम-विलंबता घटक अगले-जीन नेटवर्क बनाने के लिए उपयोगी हैं, ज्यादातर 5 जी तकनीक की ओर ड्राइव में हैं।वे उपयोग किए गए घटकों की भी आपूर्ति करते हैं जो सहज कनेक्टिविटी और उच्च डेटा थ्रूपुट सुनिश्चित करते हैं।उद्योग की प्रतिक्रिया इस बात पर जोर देती है कि तोशिबा के समाधानों को एकीकृत करने से नेटवर्क दक्षता और विश्वसनीयता में सुधार होता है, बढ़ाया मोबाइल ब्रॉडबैंड से इंटरनेट ऑफ थिंग्स (IoT) उपकरणों तक विभिन्न अनुप्रयोगों का समर्थन करता है।
74HC595D एक एकीकृत सर्किट है जो एक स्टोरेज रजिस्टर और ट्राई-स्टेट आउटपुट के साथ 8-स्टेज सीरियल शिफ्ट रजिस्टर को जोड़ती है।यह शिफ्ट और स्टोरेज रजिस्टरों के लिए अलग -अलग घड़ियों को नियुक्त करता है, जिसमें शिफ्ट रजिस्टर घड़ी इनपुट (SHCP) के सकारात्मक किनारे पर डेटा संक्रमण होता है।स्टोरेज रजिस्टर से डेटा का प्रदर्शन तब होता है जब आउटपुट सक्षम इनपुट (OE) कम होता है।
74HC595D एक सीरियल-इन समानांतर-आउट (SIPO) प्रोटोकॉल का उपयोग करके संचालित होता है।माइक्रोकंट्रोलर शिफ्ट रजिस्टर में डेटा को क्रमिक रूप से भेजता है, बाद में समानांतर पिन के माध्यम से आउटपुट किया जाता है।प्रत्येक चिप आठ अतिरिक्त आउटपुट पिन प्रदान करता है, जब एक साथ उपयोग किए जाने पर I/O क्षमताओं का विस्तार करने की अनुमति देता है।कई 74HC595D चिप्स एक डेज़ी-चेन कॉन्फ़िगरेशन में कनेक्ट हो सकते हैं, संभावित आउटपुट पिन में काफी वृद्धि कर सकते हैं।यह अनुकूलन क्षमता मुख्य रूप से कई आउटपुट सिग्नल की आवश्यकता वाली परियोजनाओं में फायदेमंद है, जैसे कि कई एलईडी को चलाना या जटिल डिजिटल डिस्प्ले का प्रबंधन करना।सीरियल डेटा इनपुट और क्लॉक सिग्नल के बीच सिंक्रनाइज़ेशन को समझना विश्वसनीय प्रदर्शन के लिए उपयुक्त है।कई एम्बेडेड सिस्टम में, सटीक समय शिफ्ट के दौरान डेटा अखंडता सुनिश्चित करता है।
प्राथमिक भेद ब्रांडिंग और पैकेजिंग बारीकियों में निहित है।74HC595D का 'D' प्रत्यय एक विशिष्ट पैकेजिंग (छोटे रूपरेखा एकीकृत सर्किट - SOIC) या ऑपरेटिंग तापमान रेंज को इंगित करता है, जो विशेष विनिर्माण या पर्यावरणीय स्थितियों के लिए अनुकूल है।जबकि 74HC595 सामान्य नाम के रूप में कार्य करता है, टेक्सास इंस्ट्रूमेंट्स जैसे निर्माता 'एसएन' उपसर्ग के साथ अपने संस्करण को निरूपित करते हैं।उपयुक्त पैकेजिंग का चयन करना, जैसे कि 74HC595D, सिस्टम के प्रदर्शन और दीर्घायु में सुधार कर सकता है, विशेष रूप से अंतरिक्ष या परिचालन वातावरण जैसे डिजाइन की बाधाओं पर विचार कर सकता है।यह निर्णय अक्सर सबसे प्रभावी परिणामों के लिए व्यावहारिक निर्माण परिदृश्यों के साथ तकनीकी विनिर्देशों को संतुलित करते हुए, Yourl अनुभव का लाभ उठाता है।
कृपया एक जांच भेजें, हम तुरंत जवाब देंगे।
2024/10/17 पर
2024/10/17 पर
8000/04/18 पर 147758
2000/04/18 पर 111943
1600/04/18 पर 111349
0400/04/18 पर 83721
1970/01/1 पर 79508
1970/01/1 पर 66916
1970/01/1 पर 63068
1970/01/1 पर 63012
1970/01/1 पर 54081
1970/01/1 पर 52139