
74LS08 इंटीग्रेटेड सर्किट में चार अलग -अलग और गेट शामिल हैं, जिनमें से प्रत्येक में दो इनपुट हैं, फास्ट लॉजिक ऑपरेशंस को सुविधाजनक बनाने के लिए शोट्की ट्रांजिस्टर का लाभ उठाते हैं।कई अक्सर डिजिटल सिस्टम के लिए 74LS08 चुनते हैं, जहां त्वरित प्रतिक्रिया और दक्षता ड्राइव नवाचार।इसका डिज़ाइन कंप्यूटिंग और संचार में तर्क कार्यों का समर्थन करता है, जिससे सर्किट जटिलताओं के एक स्पेक्ट्रम में प्रदर्शन को अनुकूलित करने की अनुमति मिलती है।74LS08 को एकीकृत करने के लिए बारीक योजना की आवश्यकता है।आपको यह सुनिश्चित करना चाहिए कि सिग्नल अखंडता और बिजली दक्षता जैसे तत्वों पर विचार करते हुए, अन्य घटकों के साथ यह अच्छी तरह से मेष हो।चुनौतियां अक्सर इन पहलुओं को रोशन करती हैं, जिसमें उन्हें प्रभावी ढंग से संबोधित करने के लिए अपने दृष्टिकोण को ठीक करने के साथ-साथ उनके दृष्टिकोण को ठीक किया जाता है।74LS08 अपनी गति और भरोसेमंद कार्यक्षमता के साथ तर्क प्रसंस्करण को समृद्ध करता है।इसका विचारशील एकीकरण तकनीकी डिजाइन में अवतार लेते हुए सर्किट क्षमताओं को उत्थान कर सकता है।संबंधित मॉडल से अंतर्दृष्टि आगे परिणामों को बढ़ाती है, इन प्रौद्योगिकियों के परस्पर संबंध को दिखाती है।
• 74LS73
• 74LS00
• 74LS02
• 74LS04
• 74LS138
• Sn54ls08
• आईसी 7408
• HEF4081

|
पिन नंबर |
विवरण |
|
और गेट 1 |
|
|
1 |
गेट 1 का a1-input1 |
|
2 |
गेट 1 के बी 1-इनपुट 2 |
|
3 |
गेट 1 का Y1-आउटपुट |
|
और गेट 2 |
|
|
4 |
गेट 2 का a2-input1 |
|
5 |
गेट 2 के बी 2-इनपुट 2 |
|
6 |
गेट 2 का Y2-आउटपुट |
|
और गेट 3 |
|
|
9 |
गेट 3 के a3-input1 |
|
10 |
गेट 3 के बी 3-इनपुट 2 |
|
8 |
गेट 3 का y3-आउटपुट |
|
और गेट 4 |
|
|
12 |
गेट 4 का a4-input1 |
|
13 |
गेट 4 के बी 4-इनपुट 2 |
|
11 |
गेट 4 का Y4-आउटपुट |
|
सहभास टर्मिनल |
|
|
7 |
Gnd- जमीन से जुड़ा हुआ है |
|
14 |
वीसीसी को एक सकारात्मक वोल्टेज से जुड़ा हुआ है ताकि शक्ति प्रदान की जा सके
चारों गेट्स |


74LS08N के तुलनीय विनिर्देशों के साथ भागों सहित, सांकेतिक कॉर्प 74LS08 के तकनीकी विनिर्देशों, विशेषताओं और मापदंडों।
|
प्रकार |
पैरामीटर |
|
सतह पर्वत |
नहीं |
|
एचटीएस कोड |
8542.39.00.01 |
|
टर्मिनल रूप |
होल के माध्यम से |
|
वोल्टेज आपूर्ति |
5V |
|
योग्यता की स्थिति |
योग्य नहीं |
|
आपूर्ति वोल्टेज-मैक्स (वीएसयूपी) |
5.25V |
|
आपूर्ति वोल्टेज-मिन (वीएसयूपी) |
4.75V |
|
इनपुट की संख्या |
2 |
|
प्रसार विलंब (टीपीडी) |
20 एनएस |
|
टर्मिनलों की संख्या |
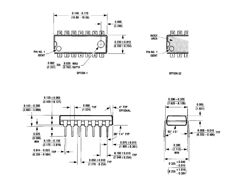
14 |
|
टर्मिनल स्थिति |
दोहरी |
|
कार्यों की संख्या |
4 |
|
JESD-30 कोड |
R-pdip-t14 |
|
परिचालन तापमान (अधिकतम) |
70 ° C |
|
तापमान ग्रेड |
व्यावसायिक |
|
परिवार |
रास |
|
तर्क आईसी प्रकार |
और गेट |
74LS08 न्यूनतम बिजली खींचते हुए, 5V आपूर्ति पर मूल रूप से संचालित होता है।यह विशेषता बैटरी-संचालित डिजाइनों के लिए अपनी अपील को बढ़ाती है, जहां ऊर्जा संरक्षण डिवाइस जीवन को लम्बा करने के लिए महत्वपूर्ण है।इसके अतिरिक्त, सीमित बिजली कम तापमान बनाए रखने में एड्स आकर्षित करती है, कॉम्पैक्ट सर्किट व्यवस्था में लाभकारी।
प्रत्येक गेट 8mA तक पहुंचा सकता है, विभिन्न TTL लॉजिक सर्किट को पर्याप्त रूप से शक्ति प्रदान कर सकता है।यह वर्तमान क्षमता विविध डिजिटल घटकों के साथ संगतता सुनिश्चित करती है।सिस्टम डिज़ाइन में, अनावश्यक पहनने से बचने और आईसी के स्थायित्व को सुरक्षित रखने के लिए इस वर्तमान सीमा के भीतर प्रत्येक गेट का प्रबंधन करना अच्छा है।
18NS के आसपास वृद्धि और गिरावट के समय को प्रस्तुत करना, 74LS08 ने मध्यम गति की आवश्यकता वाले अनुप्रयोगों को सूट किया।इन समय में डिजिटल परियोजनाओं को पूरा किया जाता है, जहां उच्च गति वाली क्षमताओं पर कर लगाने के बिना स्विफ्ट प्रतिक्रिया समय की आवश्यकता होती है।यह संतुलन सराहना करता है, क्योंकि यह अन्य भागों को ओवरबर्ड किए बिना स्थिर कार्यक्षमता की पुष्टि करता है।
आईसी -65 डिग्री सेल्सियस से 150 डिग्री सेल्सियस तक भंडारण के तापमान का सामना करने के लिए पर्याप्त मजबूत है।यह व्यापक सीमा 74LS08 के भंडारण के दौरान और विभिन्न वातावरणों में पारगमन के दौरान लचीलापन का संकेत देती है, जिससे नुकसान का जोखिम कम होता है।यह वैश्विक रसद में लगे निर्माताओं और वितरकों को लाभान्वित करता है, विभिन्न जलवायु में भंडारण चुनौतियों को कम करता है।
74LS08 डिजिटल सर्किट डिजाइन के दिल में खुद को पाता है, अक्सर जटिल तर्क प्रणालियों में एक घटक के रूप में सेवा करता है।इसकी सुसंगत विश्वसनीयता और गति इसे टाइमिंग सर्किट, फ्लिप-फ्लॉप और विभिन्न लॉजिक गेट कॉन्फ़िगरेशन जैसे अनुप्रयोगों के लिए अच्छी तरह से अनुकूल बनाती है।व्यावहारिक परिदृश्यों में यह भरोसेमंद प्रदर्शन सर्किट डिजाइन और निष्पादन की दक्षता को बढ़ाता है।
सर्वर वातावरण में, 74LS08 डेटा प्रवाह को निर्देशित करने और नियंत्रण संकेतों को प्रबंधित करने में एक भूमिका निभाता है।निष्पादित करने और तर्क संचालन में इसकी प्रवीणता घटकों के बीच सहज प्रसंस्करण और संचार की सुविधा प्रदान करती है, भारी भार के दौरान परिचालन अखंडता और सिस्टम लचीलापन को बनाए रखने में इसकी भूमिका को उजागर करती है।
मेमोरी आर्किटेक्चर के भीतर, 74LS08 को डेटा स्थिरता सुनिश्चित करने के लिए एक्सेस को नियंत्रित करने का काम सौंपा गया है।इसकी मजबूत तर्क क्षमताएं मेमोरी एड्रेसिंग और डेटा सत्यापन के लिए एक स्थिर आधार बनाते हुए, पढ़ने/लिखने के संचालन का प्रबंधन करती हैं।ये अनुप्रयोग डेटा अखंडता और सिस्टम प्रभावकारिता में सुधार करने में अपनी भूमिका प्रदर्शित करते हैं।
एलस के दायरे में, 74LS08 गणितीय संचालन और डेटा हेरफेर को निष्पादित करने में सहायता करता है।तेजी से स्विचिंग क्षमताओं के साथ, यह स्विफ्ट लॉजिक संचालन को सक्षम बनाता है, प्रभावी अंकगणितीय प्रसंस्करण में योगदान देता है।ये विशेषताएं कम्प्यूटेशनल कार्यों को अनुकूलित करने और प्रसंस्करण गति को बढ़ाने के लिए इसके योगदान का उदाहरण देती हैं।
74LS08 अक्सर विभिन्न इलेक्ट्रॉनिक सर्किटों में सीधे और तर्क कार्यों के लिए उपयोग किया जाता है।इसका Schottky डिज़ाइन स्विचिंग देरी को कम करता है, जिससे यह उच्च गति वाले अनुप्रयोगों के लिए उपयुक्त हो जाता है, जिसमें तेजी से तर्क प्रसंस्करण की आवश्यकता होती है।यह बहुमुखी प्रतिभा विविध इलेक्ट्रॉनिक अनुप्रयोगों में अपनी अनुकूलन क्षमता दिखाती है।
74LS08 IC के व्यापक अनुप्रयोग आधुनिक प्रौद्योगिकी में अपनी बहुमुखी प्रतिभा को उजागर करते हैं।विभिन्न प्रणालियों में मूल रूप से एकीकृत करके, यह कई क्षेत्रों में कुशल और विश्वसनीय संचालन की सुविधा प्रदान करता है।विविध सेटिंग्स में इसका स्थायी प्रदर्शन इलेक्ट्रॉनिक डिजाइन सिद्धांतों की गहन समझ को दर्शाता है।

74LS08 IC डिजिटल लॉजिक सिस्टम में एक भूमिका निभाता है, निष्पादन और संचालन में उत्कृष्ट है।एक साथ कई फाटकों को शक्ति देने की क्षमता के साथ, यह सेटिंग्स में अत्यधिक मूल्यवान है जहां त्वरित प्रतिक्रिया और भरोसेमंदता गहराई से गूंजती है।शोटकी ट्रांजिस्टर तकनीक को रोजगार देते हुए, 74LS08 स्विफ्ट प्रोसेसिंग देने में चमकता है, जो आधुनिक डिजिटल सर्किटरी का एक मूल है।Schottky ट्रांजिस्टर प्रसार देरी को कम करके एक वृद्धि लाते हैं।इस डिजाइन पर तेजी से संचालन की मांग करने वाले सिस्टम, क्योंकि यह चतुराई से पारंपरिक तर्क गेट्स की विलंबता को कम करता है।यह स्विफ्ट प्रतिक्रिया डेटा प्रोसेसिंग के लिए कम्प्यूटेशनल कार्यों को फैले हुए अनुप्रयोगों के लिए अपील करती है।
74LS08 कंप्यूटिंग और स्वचालन क्षेत्रों में व्यापक उपयोग पाता है।यह प्रमुख रूप से डेटा राउटर और सिग्नल प्रोसेसिंग इकाइयों में दिखाया गया है, जो इसके मजबूत चरित्र के लिए एक वसीयतनामा है।कई लोग इस आईसी के लिए चुनते हैं, जब सर्किट को क्राफ्टिंग करते हैं जो स्थिर प्रदर्शन पर पनपते हैं, तो वर्कलोड की मांग से निपटने के दौरान भी दक्षता सुनिश्चित करते हैं।74LS08 का सहज एकीकरण जटिल सर्किट में इसकी बहुमुखी प्रतिभा को उजागर करता है।मॉड्यूलर सिस्टम काफी हद तक लाभ प्राप्त करते हैं क्योंकि आईसी अत्यधिक शक्ति को खत्म किए बिना विस्तार का समर्थन करता है।यह अनुकूलनशीलता अभिनव सर्किट समाधानों को बढ़ावा देती है, मौजूदा घटकों को बदलने की आवश्यकता के बिना, सहजता से विनिर्देशों को डिजाइन करने में परिवर्तन की अनुमति देती है।
74LS08 का उपयोग करने के लिए एक अच्छी तरह से सोचा गया दृष्टिकोण थर्मल प्रबंधन रणनीतियों में फैक्टरिंग शामिल है।उच्च गति वाले संचालन से बंधे गर्मी विघटन को देखते हुए, दीर्घकालिक विश्वसनीयता को बनाए रखने के लिए उपयुक्त शीतलन तंत्र पेश करना।डिजाइन में इस तरह की दूरदर्शिता प्रदर्शन को बढ़ाती है और सर्किट ज्ञान के साथ संरेखित, सिस्टम के जीवन का विस्तार करती है।74LS08 और गेट अपनी गति और अनुकूलनशीलता के साथ डिजिटल लॉजिक डिज़ाइन में खुद को अलग करता है।अपनी क्षमताओं को समझना इसके आवेदन को बढ़ाता है, जिससे यह कई उन्नत तकनीकी सेटिंग्स में एक पसंदीदा विकल्प बन जाता है।

1961 में स्थापित, कंपनी ने हस्ताक्षर के रूप में शुरू किया, एकीकृत सर्किट क्रांति में एक ट्रेलब्लेज़र, नवाचार की एक अटूट पीछा द्वारा संचालित।इस बोल्ड दृष्टिकोण ने फिलिप्स द्वारा उनके अधिग्रहण को बढ़ावा दिया, जो गतिशील विकास के एक चरण को चिह्नित करता है।फिलिप्स में एकीकरण ने अपनी तकनीकी पहुंच का विस्तार किया और इलेक्ट्रॉनिक प्रगति में अग्रणी के रूप में अपने खड़े को मजबूत किया, जिससे उन्हें नए क्षितिज का पता लगाने की अनुमति मिली।कंपनी का योगदान इलेक्ट्रॉनिक्स क्षेत्र के जीवंत विकास को उजागर करता है।उनके अभिनव प्रगति का कई क्षेत्रों में व्यापक प्रभाव पड़ता है, जो उनकी प्रगति के साथ प्रौद्योगिकी के भविष्य का संकेत देता है।निरंतर वृद्धि की संस्कृति को बढ़ावा देकर, वे न केवल अनुकूलन करते हैं, बल्कि बदलते इलेक्ट्रॉनिक्स परिदृश्य को सक्रिय रूप से ढालते हैं।प्रगति के लिए यह स्थायी प्रतिबद्धता गहन उद्योग बदलाव के लिए एक उत्प्रेरक के रूप में कार्य करती है।एनएक्सपी के तहत हस्ताक्षरकर्ताओं से उनके वर्तमान रूप में परिवर्तन रचनात्मकता और लचीलापन के एक असाधारण ओडिसी का प्रतिनिधित्व करता है।
74LS08 एक डिजिटल और लॉजिक गेट प्रोसेसर के रूप में काम करता है, दो इनपुट राज्यों के साथ काम कर रहा है: उच्च (3-5V) और निम्न (0-2.6V)।यह डिजिटल सर्किट के भीतर तार्किक संयोजन करने में एक भूमिका निभाता है, कम्प्यूटेशनल कार्यों में सुचारू रूप से तार्किक संचालन करता है।डिजिटल इलेक्ट्रॉनिक्स में इसकी स्थिर उपस्थिति सटीक तार्किक परिणामों की आवश्यकता वाली स्थितियों में एक गहरी-बैठी विश्वसनीयता दिखाती है।
चिप में चार 2-इनपुट और गेट हैं, जो एक एकल आपूर्ति द्वारा संचालित हैं, जो विविध कार्यात्मकताओं को संभालने के लिए तैयार की गई हैं।यह संरचना विभिन्न सर्किट जरूरतों के लिए सहज अनुकूलनशीलता सुनिश्चित करती है, डिजाइनों को सरल बनाती है और बिजली के उपयोग को कम करती है।एक चिप के भीतर कई फाटकों का समावेश एकीकरण बाधाओं से बचने के दौरान सर्किट निर्माण को सुव्यवस्थित करने के लिए एक विचारशील रणनीति को दर्शाता है।
74LS00 श्रृंखला में वृद्धि की गति और परिष्कृत दक्षता प्रदान की जाती है, हालांकि यह 7400 श्रृंखला की तुलना में कम वर्तमान आउटपुट प्रदान करता है।यह अंतर उन परिदृश्यों में एक भूमिका निभाता है जहां बिजली संरक्षण और प्रदर्शन को बढ़ावा देता है।इन श्रृंखलाओं के बीच सूक्ष्म अभी तक सार्थक विविधताएं अलग -अलग उद्देश्यों के लिए उपयुक्त तर्क घटकों को चुनने में विचारशील विचारों को उजागर करती हैं।
74LS08 एक स्थिर 5V आपूर्ति के साथ TTL लॉजिक का उपयोग करता है, जबकि 74HC08 CMOS तकनीक का उपयोग करता है, 2V से 6V के वोल्टेज रेंज को समायोजित करता है।प्रौद्योगिकी में यह अंतर अनुप्रयोगों और बिजली की स्थिति की एक व्यापक सरणी को पूरा करता है।74HC08 में CMOS तकनीक का लचीलापन प्रदर्शन दक्षता का त्याग किए बिना परिचालन बहुमुखी प्रतिभा की आवश्यकता वाली स्थितियों में इसकी उपयोगिता पर जोर देता है।
कृपया एक जांच भेजें, हम तुरंत जवाब देंगे।
2024/10/24 पर
2024/10/24 पर
8000/04/18 पर 147757
2000/04/18 पर 111935
1600/04/18 पर 111349
0400/04/18 पर 83719
1970/01/1 पर 79508
1970/01/1 पर 66903
1970/01/1 पर 63027
1970/01/1 पर 63010
1970/01/1 पर 54081
1970/01/1 पर 52121