
WS2813 एक प्रकार का एलईडी है जो नियंत्रण सर्किट और आरजीबी चिप दोनों को एक छोटे घटक में जोड़ती है।यह एलईडी आमतौर पर प्रकाश परियोजनाओं में उपयोग किया जाता है क्योंकि यह रंगों और चमक पर बहुत नियंत्रण प्रदान करता है।WS2813 में ऐसी तकनीक होती है जो इसे विकृति के बिना प्रभावी रूप से संकेतों को प्रसारित करने की अनुमति देती है, यह सुनिश्चित करता है कि प्रकाश लगातार रहता है।इसमें एक अंतर्निहित रीसेट सिस्टम भी है, जो यह सुनिश्चित करता है कि यह एक शक्ति रुकावट के बाद भी सुचारू रूप से काम करता है।WS2813 में प्रत्येक पिक्सेल रंगों की एक विस्तृत श्रृंखला प्रदर्शित कर सकता है, और यह एक ताज़ा दर का समर्थन करता है जो रोशनी को उज्ज्वल और तरल रखता है।यह उन परियोजनाओं के लिए अत्यधिक उपयुक्त है जिन्हें उज्ज्वल, रंगीन प्रकाश और विश्वसनीय प्रदर्शन की आवश्यकता होती है।

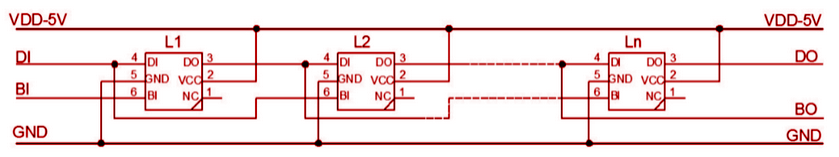
| नहीं। | प्रतीक | नत्थी करना | समारोह विवरण |
| 1 | एनसी | फांसी | पीसीबी लेआउट में निलंबित, सर्किट ऑपरेशन से बाहर हो जाएगा जब यह अन्य सर्किट से जुड़ता है |
| 2 | वीडीडी | बिजली वोल्टेज | पावर वोल्टेज, "+5V" से कनेक्ट करें |
| 3 | करना | डेटा करना | नियंत्रण आंकड़ा संकेत आउटपुट |
| 4 | शोर | डेटा | नियंत्रण आंकड़ा संकेत इनपुट |
| 5 | Gnd | मैदान | आंकड़ा और शक्ति आधार |
| 6 | बिन | में बैकअप डेटा | बैकअप नियंत्रण आंकड़ा सिग्नल इनपुट |


तकनीकी विनिर्देशों, सुविधाओं, पैरामीटर और दुनिया के WS2813C से संबंधित तुलनीय भागों।
| प्रकार | पैरामीटर |
| माउन्टिंग का प्रकार | सतह पर्वत |
| पैकेज / मामला | एसएमडी, 5x5 मिमी |
| पैकेजिंग | टेप और रील (टीआर) |
| रोशनी का रंग | आरजीबी |
| प्रमुख तरंग दैर्ध्य / समन्वय रैंक | 620625NM लाल, 515525NM हरा, 465 ~ 475nm ब्लू |
| चमकदार तीव्रता (यदि = 20ma) | 60MCD@5ma Red, 245mcd@5ma ग्रीन, 60MCD@5ma ब्लू |
| रोह्स स्टेटस | ROHS आज्ञाकारी |
WS2813 में नियंत्रण सर्किट और एलईडी एक ही बिजली की आपूर्ति साझा करते हैं।इसका मतलब है कि आपको विभिन्न घटकों के लिए अलग -अलग बिजली स्रोतों की आवश्यकता नहीं है।यह आवश्यक वायरिंग और पावर मैनेजमेंट की मात्रा को कम करके आपके सेटअप को सरल बनाता है।
नियंत्रण सर्किट और आरजीबी चिप को एक ही घटक में जोड़ा जाता है।यह एकीकरण एलईडी के चिकनी संचालन के लिए अनुमति देता है, अलग -अलग घटकों की आवश्यकता के बिना बेहतर रंग नियंत्रण और अधिक सुसंगत प्रकाश व्यवस्था प्रदान करता है।
WS2813 एक अंतर्निहित सिग्नल रीशैपिंग सर्किट के साथ आता है।यह सुनिश्चित करता है कि जैसा कि डेटा प्रत्येक एलईडी से गुजरता है, सिग्नल बिना किसी विकृति के मजबूत और स्पष्ट रहता है।तो, कोई फर्क नहीं पड़ता कि आप एक पंक्ति में कितने एल ई डी का उपयोग करते हैं, सिग्नल सटीक रहता है, जिससे आपकी रोशनी सुसंगत है।
WS2813 में बिल्ट-इन रीसेट सर्किट हैं।पावर-ऑन रीसेट यह सुनिश्चित करता है कि आप उन्हें पावर करने के बाद एलईडी सही तरीके से शुरू करें, जबकि ब्राउन-आउट रीसेट उन्हें किसी भी संक्षिप्त पावर ड्रॉप के मामले में आसानी से ठीक होने में मदद करता है।यह बिजली के उतार -चढ़ाव के दौरान भी आपके प्रकाश को स्थिर रखता है।
WS2813 में प्रत्येक पिक्सेल 16,777,216 विभिन्न रंगों को प्रदर्शित कर सकता है।यह संभव है क्योंकि प्रत्येक पिक्सेल में 256 स्तर ग्रे होते हैं, जो बेहद सटीक रंग नियंत्रण के लिए अनुमति देते हैं।यह सुविधा आपको रंगों की एक विस्तृत श्रृंखला के साथ जीवंत और गतिशील प्रकाश डिस्प्ले बनाने की सुविधा देती है।
एक श्रृंखला में कई WS2813 एलईडी को जोड़ने के लिए आपको केवल एक डेटा सिग्नल लाइन की आवश्यकता होती है।इसका मतलब है कम वायरिंग और अधिक सीधा सेटअप, विशेष रूप से बड़ी परियोजनाओं में।डेटा एक श्रृंखला में प्रत्येक एलईडी के माध्यम से यात्रा करता है, जिससे आप एक ही लाइन का उपयोग करके सभी एलईडी को नियंत्रित कर सकते हैं।
WS2813 दो सिग्नल तारों का उपयोग करता है, जो इसे एक सिग्नल वायर टूटने पर भी संचारित करने की अनुमति देता है।इसका मतलब यह है कि भले ही एक पिक्सेल विफल हो जाता है, आपके बाकी एल ई डी काम करना जारी रखेंगे।यह सुविधा आपकी परियोजना को अधिक विश्वसनीय बनाती है, क्योंकि विफलता के एक बिंदु ने पूरे सिस्टम को नीचे नहीं लाया।
आप सिग्नल को बढ़ावा देने के लिए किसी भी अतिरिक्त सर्किट की आवश्यकता के बिना अपने WS2813 एलईडी को 3 मीटर से अधिक अलग रख सकते हैं।यह बड़े पैमाने पर परियोजनाओं के लिए बहुत अच्छा है जहां रोशनी को दूर करने की आवश्यकता हो सकती है, क्योंकि आपको सिग्नल को मजबूत रखने के लिए अतिरिक्त घटकों को जोड़ने की आवश्यकता नहीं है।
WS2813 प्रति सेकंड 2 kHz की ताज़ा दर का समर्थन करता है।यह उच्च ताज़ा दर यह सुनिश्चित करती है कि आपकी रोशनी सुचारू रूप से और जल्दी से बदल जाती है, बिना किसी ध्यान देने योग्य फ़्लिकर के, यह उन परियोजनाओं के लिए आदर्श बनाती है जिन्हें तेज या गतिशील प्रकाश प्रभाव की आवश्यकता होती है।
WS2813 के लिए डेटा ट्रांसमिशन की गति 800 kbps तक है।यह फास्ट ट्रांसमिशन आपके लाइटिंग सेटअप के लिए त्वरित अपडेट के लिए अनुमति देता है, जिससे आप बिना देरी के रंगों और पैटर्न में वास्तविक समय में बदलाव कर सकें।
WS2813 को सभी एल ई डी में विश्वसनीय रंग स्थिरता प्रदान करने के लिए डिज़ाइन किया गया है।यह सुनिश्चित करता है कि सभी रोशनी एक ही समय में एक ही रंग प्रदर्शित करेंगी, जो आपकी परियोजना में एक समान और नेत्रहीन मनभावन परिणाम प्रदान करती है।
WS2813 का उपयोग अक्सर रेलिंग ट्यूब लाइटिंग में किया जाता है।इस प्रकार का एप्लिकेशन आउटडोर लाइटिंग में आम है, विशेष रूप से रास्ते या वास्तुशिल्प सुविधाओं के साथ, जहां सुसंगत और जीवंत प्रकाश व्यवस्था की आवश्यकता होती है।सेटअप का स्थायित्व और आसानी इसे इन वातावरणों के लिए एक उपयुक्त विकल्प बनाती है।
WS2813 पॉइंट लाइट डिस्प्ले के लिए आदर्श है, जहां प्रत्येक एलईडी एक बड़े डिस्प्ले में प्रकाश के एक व्यक्तिगत बिंदु के रूप में कार्य करता है।इसका उपयोग सजावटी प्रकाश, साइनेज, या रचनात्मक प्रतिष्ठानों के लिए किया जा सकता है जहां सटीक रंग नियंत्रण और चमक महत्वपूर्ण हैं।
WS2813 दोनों लचीले और कठोर एलईडी स्ट्रिप्स में अच्छी तरह से काम करता है।इन स्ट्रिप्स का उपयोग विभिन्न अनुप्रयोगों में किया जा सकता है, जो घरों में कम-कैबिनट लाइटिंग से लेकर वाणिज्यिक स्थानों में बड़े पैमाने पर प्रतिष्ठानों तक का उपयोग किया जा सकता है।WS2813 की विश्वसनीयता के साथ संयुक्त स्ट्रिप्स का लचीलापन, आपको डिजाइन के लिए कई विकल्प देता है।
WS2813 का उपयोग आमतौर पर एलईडी मॉड्यूल में भी किया जाता है, जो स्व-निहित इकाइयां हैं जिनमें एलईडी और आवश्यक सर्किटरी शामिल हैं।ये मॉड्यूल उन अनुप्रयोगों में उपयोगी हैं जहां अंतरिक्ष सीमित है लेकिन विश्वसनीय प्रकाश व्यवस्था अभी भी आवश्यक है, जैसे कि छोटे प्रतिष्ठानों या कस्टम प्रकाश जुड़नार में।
WS2813 को स्टेज लाइटिंग वेशभूषा में शामिल किया जा सकता है, जो प्रदर्शन संगठनों में गतिशील प्रकाश प्रभाव को जोड़ता है।पूर्ण-रंग प्रदर्शन और उच्च ताज़ा दर इसे वेशभूषा के लिए एक उत्कृष्ट विकल्प बनाते हैं जो एक प्रदर्शन के दौरान रंगों और पैटर्न को जल्दी से बदलने की आवश्यकता होती है।
WS2813 का उपयोग विभिन्न अभिनव गैजेट्स या इलेक्ट्रॉनिक उत्पादों में किया जा सकता है जिनके लिए उज्ज्वल, रंगीन प्रकाश व्यवस्था की आवश्यकता होती है।चाहे आप एक अद्वितीय गैजेट डिजाइन कर रहे हों या किसी मौजूदा उत्पाद में प्रकाश व्यवस्था जोड़ रहे हों, WS2813 आपको एक कॉम्पैक्ट और आसान-से-उपयोग पैकेज में रंग और चमक पर नियंत्रण प्रदान करता है।
जब आप WS2813 के साथ काम कर रहे हैं, तो आपको केवल एक बिजली की आपूर्ति की आवश्यकता होती है जो नियंत्रण सर्किट और एलईडी दोनों का समर्थन करता है।WS2813 को RGB चिप और कंट्रोल सर्किट को एक में मिलाकर वायरिंग को सरल बनाने के लिए डिज़ाइन किया गया है।अंतर्निहित सर्किट सिग्नल को फिर से शुरू करता है, यह सुनिश्चित करता है कि सिग्नल की गुणवत्ता में कोई नुकसान नहीं है क्योंकि यह प्रत्येक पिक्सेल से गुजरता है।यह आपके प्रकाश व्यवस्था को टिमटिमाते या मिसफायरिंग के बिना सही ढंग से काम करने के लिए महत्वपूर्ण है।वायरिंग को और सरल किया जाता है क्योंकि WS2813 में अंतर्निहित रीसेट सर्किट हैं जो सुनिश्चित करते हैं कि लाइट एक रीसेट या पावर ड्रॉप के बाद ठीक से ऑनलाइन वापस आ जाए।

WS2813 का उपयोग करने के लिए, डेटा ट्रांसफर को NZR के रूप में जाना जाने वाला एकल संचार विधि के माध्यम से संभाला जाता है।जब आप पहली बार पिक्सेल को पावर करते हैं, तो DIN (डेटा इनपुट) पोर्ट को आपके नियंत्रक से जानकारी प्राप्त होगी।श्रृंखला में पहला पिक्सेल डेटा के शुरुआती 24 बिट्स को कैप्चर करेगा और इसे आंतरिक रूप से संग्रहीत करेगा।इसके बाद यह अगले पिक्सेल को रिज़ैप्ड सिग्नल भेजेगा, और यह प्रक्रिया तब तक जारी रहती है जब तक कि हर पिक्सेल का डेटा नहीं होता।
WS2813 की एक बड़ी विशेषता ऑटो-रीसेप संकेतों की क्षमता है।इसका मतलब यह है कि कोई फर्क नहीं पड़ता कि आप कितने एल ई डी एक साथ श्रृंखला करते हैं, सिग्नल मजबूत रहेगा क्योंकि यह एक पिक्सेल से अगले तक गुजरता है।यदि कोई नुकसान पिक्सेल में से किसी एक को होता है, तो बैकअप इनपुट (बिन) स्वचालित रूप से खत्म हो जाता है, यह सुनिश्चित करता है कि सिग्नल बिना किसी रुकावट के जारी रहता है।यह सेटअप आपके लाइटिंग प्रोजेक्ट को काम करता रहता है, भले ही एक पिक्सेल विफल हो जाए।

WS2813 और WS2812B के बीच सबसे बड़ा अंतर इस बात पर है कि वे सिग्नल रुकावट को कैसे संभालते हैं।WS2812B के साथ, यदि चेन में कोई एलईडी काम करना बंद कर देती है, तो बाकी एलईडी कार्य नहीं करेंगे क्योंकि सर्किट टूट गया है।हालांकि, WS2813 इस समस्या को अपने दोहरे-सिग्नल सिस्टम के साथ हल करता है।इसका मतलब यह है कि यदि कोई एलईडी विफल हो जाती है, तो अन्य तब तक काम करना जारी रखेंगे जब तक कि असफलता दो पड़ोसी एल ई डी में नहीं है।यह WS2813 को एक अधिक विश्वसनीय विकल्प बनाता है जब उन परियोजनाओं पर काम कर रहे हैं जिन्हें एलईडी की लंबी श्रृंखलाओं की आवश्यकता होती है।
आपको अपने पूरे प्रोजेक्ट के बारे में चिंता करने की ज़रूरत नहीं है, क्योंकि एक एलईडी WS2813 के साथ विफल रहता है।सिस्टम को टूटे हुए पिक्सेल को बायपास करने के लिए डिज़ाइन किया गया है, जो सब कुछ सुचारू रूप से चलाता रहता है।WS2812B पर यह सुधार WS2813 को अधिक भरोसेमंद प्रकाश सेटअप की तलाश में लोगों के लिए एक पसंदीदा विकल्प बनाता है।

WS2813 वर्ल्डसेमी नामक कंपनी द्वारा बनाया गया है।2007 में शुरू होने के बाद से, वर्ल्डसेमी एलईडी तकनीक में अपनी विशेषज्ञता के लिए जाना जाता है।उन्होंने एलईडी नियंत्रकों और अन्य संबंधित घटक सहित एलईडी से परे विभिन्न प्रकार के उत्पाद विकसित किए हैं।विश्वसनीय, अभिनव प्रकाश व्यवस्था समाधानों पर उनका ध्यान उन्हें बाजार में एक मजबूत खिलाड़ी बना दिया है।चाहे आप एक छोटी सी प्रकाश परियोजना या कुछ बड़ा बनाना चाहते हैं, WorldSemi के उत्पाद जैसे WS2813 आपको आसानी और आत्मविश्वास के साथ उन परिणामों को प्राप्त करने में मदद करने के लिए बनाया गया है।
आप Arduino के साथ फास्टल लाइब्रेरी का उपयोग करके WS2813 एलईडी स्ट्रिप्स को नियंत्रित कर सकते हैं।लाइब्रेरी में "WS2812" प्रकार का चयन करें और स्ट्रिप के लिए डेटा पिन निर्दिष्ट करें।एलईडी स्ट्रिप के डीआईएन (डेटा इनपुट) पिन को Arduino पिन 6 से कनेक्ट करें, और अतिरिक्त सुरक्षा के लिए, उनके बीच एक वैकल्पिक 470-OHM रोकनेवाला रखें।
WS2813 में 250μs का रीसेट समय है, जो इसे WS2812B की तुलना में कम आवृत्तियों पर और कम महंगे माइक्रोकंट्रोलर पर अधिक कुशलता से संचालित करने की अनुमति देता है।
WS2813 एल ई डी का उपयोग आमतौर पर रेलिंग ट्यूब, पिक्सेल डिस्प्ले, लचीले और कठोर स्ट्रिप्स, मॉड्यूलर लाइटिंग सिस्टम, स्टेज लाइटिंग और इनोवेटिव इलेक्ट्रॉनिक गैजेट्स जैसे अनुप्रयोगों में किया जाता है।
कृपया एक जांच भेजें, हम तुरंत जवाब देंगे।
2024/10/18 पर
2024/10/18 पर
8000/04/18 पर 147758
2000/04/18 पर 111943
1600/04/18 पर 111349
0400/04/18 पर 83721
1970/01/1 पर 79508
1970/01/1 पर 66916
1970/01/1 पर 63070
1970/01/1 पर 63012
1970/01/1 पर 54081
1970/01/1 पर 52139