
SN74HC14N डिजिटल इलेक्ट्रॉनिक्स में एक श्रद्धेय स्थान रखता है, जो कि हेक्स इन्वर्टर क्षमताओं को श्मिट-ट्रिगर इनपुट के साथ मिलकर प्रदान करने में इसकी अनुकूलनशीलता के कारण है।इस एकीकृत सर्किट में एक ही चिप पर छह अलग -अलग इनवर्टर होते हैं, जो विविध तकनीकी एरेनास में अनुप्रयोगों के एक व्यापक स्पेक्ट्रम की सुविधा देता है।Schmitt-ट्रिगर इनपुट का समावेश सुसंगत और भरोसेमंद तर्क-स्तरीय संक्रमणों को सुनिश्चित करने में काफी एड्स है।ये इनपुट शोर को कम करने और सिग्नल फिडेलिटी को बढ़ाने में अंतिम भूमिका निभाते हैं, जिससे SN74HC14N इनपुट वोल्टेज में हस्तक्षेप या उतार -चढ़ाव के लिए वातावरण में अत्यधिक लाभप्रद हो जाता है।
श्मिट-ट्रिगर विशेषताओं के साथ इनवर्टर होने का लाभ चुनौतीपूर्ण परिस्थितियों के दौरान उनकी सटीकता में सन्निहित है।उदाहरण के लिए, उन स्थितियों में जहां इनपुट सिग्नल पर्यावरणीय प्रभावों के कारण डगमगाते हैं, हिस्टैरिसीस गुणवत्ता एक स्थिर बफर के रूप में कार्य करती है।यह फ़ंक्शन अक्सर लगातार संकेत स्पष्टता की मांग करने वाले उपकरणों में नियोजित होता है, जैसे कि ऑसिलेटर या डेब्यू सर्किट।इसके अलावा, आप अक्सर उन कार्यों के लिए SN74HC14N के स्थायित्व पर निर्भर कर सकते हैं जहां अन्य इनवर्टर संघर्ष कर सकते हैं।वास्तविक अनुभव बताते हैं कि श्मिट ट्रिगर को डिजाइन आर्किटेक्चर में शामिल करने से सिग्नल की गलत व्याख्या की संभावना काफी कम हो जाती है, जिससे जटिल सर्किट में इसकी प्रभावकारिता पर जोर दिया जाता है।
SN74HC14N के सफल कार्यान्वयन को अपनी पूर्ण क्षमताओं का एहसास करने के लिए अपने विद्युत मापदंडों की सावधानीपूर्वक परीक्षा की आवश्यकता होती है।यह अक्सर इसकी शोर-कम करने वाली ताकत का उपयोग करके प्रभावी रूप से पूरा किया जाता है, जिसे आमतौर पर अपनाया जाता है।हिस्टैरिसीस फ़ंक्शन संक्रमण प्रक्रियाओं को चौरसाई करने में उपयोगी है, यह सुनिश्चित करना कि सर्किट क्षणिक गड़बड़ी के कारण अचानक बदलाव के बिना काम करते हैं।आप अक्सर इस सुविधा की ओर बढ़ सकते हैं ताकि उनके सिस्टम के परिचालन निर्भरता को बढ़ाया जा सके।




|
विशेषता |
विवरण |
|
फुलाया हुआ इनपुट |
स्थिर और विश्वसनीय इनपुट संक्रमण सुनिश्चित करता है। |
|
प्रचालन वोल्टेज रेंज |
बहुमुखी अनुप्रयोगों के लिए 2V से 6V तक की व्यापक सीमा। |
|
तापमान रेंज आपरेट करना |
चरम स्थितियों में ऑपरेशन का समर्थन करता है: -40 ° C से +85 ° C। |
|
फैनआउट समर्थन |
10 LSTTL लोड तक ड्राइव कर सकते हैं। |
|
बिजली बचत |
LSTTL लॉजिक की तुलना में महत्वपूर्ण बिजली बचत प्रदान करता है
Ics। |
|
प्रकार |
पैरामीटर |
|
जीवनचक्र स्थिति |
सक्रिय (अंतिम अद्यतन: 3 दिन पहले) |
|
फैक्टरी लीड टाइम |
12 सप्ताह |
|
संपर्क चढ़ाना |
सोना |
|
पर्वत |
होल के माध्यम से |
|
माउन्टिंग का प्रकार |
होल के माध्यम से |
|
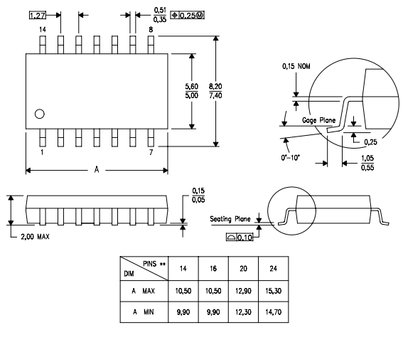
पैकेज / मामला |
14-डिप (0.300, 7.62 मिमी) |
|
पिन की संख्या |
14 |
|
वज़न |
927.99329mg |
|
तर्क स्तर-उच्च |
1.5V ~ 4.2V |
|
तर्क स्तर-कम |
0.3V ~ 1.2V |
|
परिचालन तापमान |
-40 ° C ~ 85 ° C |
|
पैकेजिंग |
नली |
|
शृंखला |
74HC |
|
JESD-609 कोड |
ई 3 |
|
भाग की स्थिति |
सक्रिय |
|
नमी संवेदनशीलता स्तर (एमएसएल) |
1 (असीमित) |
|
समाप्ति की संख्या |
14 |
|
ईसीसीएन कोड |
Ear99 |
|
टर्मिनल खत्म |
मैट टिन (एसएन) |
|
एचटीएस कोड |
8542.39.00.01 |
|
वोल्टेज - आपूर्ति |
2v ~ 6v |
|
टर्मिनल स्थिति |
दोहरी |
|
कार्यों की संख्या |
6 |
|
वोल्टेज आपूर्ति |
5V |
|
टर्मिनल पिच |
2.54 मिमी |
|
आधार भाग संख्या |
74HC14 |
|
पिन काउंट |
14 |
|
अधिकतम आउटपुट करंट |
5.2ma |
|
प्रचालन आपूर्ति वोल्टेज |
5V |
|
आपूर्ति वोल्टेज-मैक्स (वीएसयूपी) |
6V |
|
चैनल की संख्या |
6
|
|
लोड कैपेसिटेंस |
50pf |
|
आउटपुट करेंट |
5.2ma |
|
प्रचार देरी |
21 एनएस |
|
निष्क्रिय करंट |
2μA |
|
देरी का समय चालू करें |
155 एनएस |
|
परिवार |
एचसी/उह |
|
तर्क समारोह |
बफर, इन्वर्टर, श्मिट ट्रिगर |
|
तर्क प्रकार |
पलटनेवाला |
|
मैक्स I (ol) |
0.004 ए |
|
अधिकतम प्रसार देरी @ v, अधिकतम सीएल |
21ns @ 6v, 50pf |
|
प्रोप। देरी @ नोम-सप |
31 एनएस |
|
बिजली की आपूर्ति वर्तमान-मैक्स (आईसीसी) |
0.02MA |
|
न्यूनतम आपूर्ति वोल्टेज |
2 वी |
|
श्मिट ट्रिगर इनपुट |
हाँ |
|
विशेषताएँ |
श्मिट ट्रिगर |
|
ऊंचाई |
5.08 मिमी |
|
लंबाई |
19.3 मिमी |
|
चौड़ाई |
6.35 मिमी |
|
मोटाई |
3.9 मिमी |
|
SVHC तक पहुँचें |
कोई एसवीएचसी नहीं |
|
विकिरण कठोरता |
नहीं |
|
रोह्स स्टेटस |
ROHS3 आज्ञाकारी |
|
सीसा मुक्त |
सीसा मुक्त |
|
भाग संख्या |
उत्पादक |
पैकेज / मामला |
पिन की संख्या |
तर्क समारोह |
प्रचार देरी |
न्यूनतम आपूर्ति वोल्टेज |
वोल्टेज आपूर्ति |
निष्क्रिय करंट |
तकनीकी |
|
SN74HC14N |
टेक्सास इंस्ट्रूमेंट्स |
14-डिप (0.300, 7.62 मिमी) |
14 |
बफर, इन्वर्टर, श्मिट |
21 एनएस |
2 वी |
5 वी |
2 µa |
सीएमओएस |
|
SN74HC04NN |
टेक्सास इंस्ट्रूमेंट्स |
14-डिप (0.300, 7.62 मिमी) |
14 |
- |
16 एनएस |
2 वी |
5 वी |
2 µa |
सीएमओएस |
|
CD74HCU04E |
टेक्सास इंस्ट्रूमेंट्स |
14-डिप (0.300, 7.62 मिमी) |
14 |
- |
12 एनएस |
- |
4.5 वी |
2 µa |
सीएमओएस |
|
SN74AHC04NN |
टेक्सास इंस्ट्रूमेंट्स |
14-डिप (0.300, 7.62 मिमी) |
14 |
- |
13 एनएस |
- |
3.3 वी |
2 µa |
सीएमओएस |
|
MC74HCU04ANG |
अर्धचालक पर |
14-डिप (0.300, 7.62 मिमी) |
14 |
- |
12 एनएस |
- |
3 वी |
1 µa |
सीएमओएस |
डिजिटल सिस्टम की दुनिया में, SN74HC14N सटीक घड़ी इनपुट प्रबंधन को प्राप्त करने के लिए एक आधारशिला के रूप में कार्य करता है, जो समय को स्थिर करके माइक्रोकंट्रोलर और कंप्यूटिंग सिस्टम में प्रदर्शन को बढ़ाता है।यह विशेषज्ञ रूप से डिजिटल सर्किट को सिंक्रनाइज़ करता है, जो समय की विसंगतियों को रोकने में मदद करता है, डेटा त्रुटियों के जोखिम को कम करता है।
जब स्विचिंग कंट्रोल की बात आती है, तो SN74HC14N अपने तेज प्रतिक्रिया समय और सिग्नल बाउंस को कम करने की क्षमता के साथ चमकता है, यांत्रिक स्विच के साथ एक कुख्यात मुद्दा।उपभोक्ता इलेक्ट्रॉनिक सर्किट में इस आईसी को लागू करने से उन इंटरफेस की ओर जाता है जो अधिक भरोसेमंद होते हैं, कुशल इनपुट मान्यता सुनिश्चित करते हैं जो आपकी अपेक्षाओं के साथ प्रतिध्वनित होता है।
यह आईसी इसकी डिजिटल सिग्नल इनवर्जन क्षमताओं के लिए मनाया जाता है, अवांछनीय लॉजिक स्टेट्स को इनवर्ट करके जटिल सर्किट में बहुमुखी प्रतिभा की पेशकश करता है, सिग्नल की जरूरतों को संरेखित करने के लिए संचार प्रणालियों में प्रचलित एक तकनीक।उदाहरण के लिए, नेटवर्किंग हार्डवेयर में, सफल सिग्नल उलटा विभिन्न घटकों में संगतता को बढ़ाता है, इस प्रकार एकीकरण को सरल बनाता है और विविध सेटअप के भीतर एकता को बढ़ावा देता है।
सिग्नल कंडीशनिंग में प्रवीणता प्रदर्शित करते हुए, SN74HC14N घबराहट को कम करने के लिए इनपुट संकेतों को परिष्कृत करके इलेक्ट्रॉनिक संचार की अखंडता को सुनिश्चित करता है और उन वृद्धि को रोकता है जो अन्यथा डेटा प्रसारण को उजागर कर सकते हैं।शोर फ़िल्टरिंग में इसकी कौशल विद्युत चुम्बकीय हस्तक्षेप से त्रस्त वातावरण में लाभप्रद साबित होती है, ज्यादातर औद्योगिक स्वचालन में, जहां विश्वसनीयता बनाए रखना एक गहरी आयोजित प्रतिबद्धता है।
डिजिटल लॉजिक फ्रेमवर्क में, SN74HC14N ने घटक के बीच वोल्टेज असमानताओं को संबोधित करते हुए स्तर को स्थानांतरित करने की सुविधा प्रदान की है, जो चिकनी इंटरऑपरेबिलिटी सुनिश्चित करने के लिए मिश्रित-वोल्टेज सिस्टम में सक्रिय है।इस तरह के स्तर की स्थानांतरण रोबोटिक्स में महत्वपूर्ण है, जहां यह सेंसर और प्रसंस्करण इकाइयों के बीच सहज संचार को बढ़ाता है, कुशल डेटा प्रसंस्करण और कार्रवाई योग्य अंतर्दृष्टि के लिए मार्ग प्रशस्त करता है।

कृपया एक जांच भेजें, हम तुरंत जवाब देंगे।
SN74HC14N 2 से 6 वोल्ट की बिजली आपूर्ति वोल्टेज स्पैन के भीतर सुचारू रूप से चलता है।यह 50 एमए के संयुक्त पैकेज कैप तक पहुंचने के दौरान प्रत्येक पिन के लिए 6 एमए तक के आउटपुट करंट का समर्थन करता है।यह व्यापक वोल्टेज रेंज कई डिजिटल प्रणालियों को पूरा करता है, जो व्यापक अनुकूलनशीलता के लिए अनुमति देता है।वर्तमान सीमाओं को ध्यान में रखते हुए प्रदर्शन के मुद्दों या हार्डवेयर क्षति से बचने के लिए सर्किट असेंबली में सक्रिय है, ज्यादातर उच्च-स्तरीय सिग्नल आउटपुट की मांग करने वाली स्थितियों में।
SN74HC14N सिग्नल कंडीशनिंग, शोर में कमी, तरंग हेरफेर और स्तर संक्रमण कार्यों के लिए डिजिटल सेटिंग्स में अपनी जगह पाता है।यह एकीकृत सर्किट माइक्रोकंट्रोलर, डिजिटल संचार सेटअप और रोबोटिक्स के साथ -साथ अन्य सामान्य डिजिटल लॉजिक घटकों में भी भूमिका निभाता है।आप अक्सर शोर-भारी वातावरण में सिग्नल अस्थिरता का प्रतिकार करने के लिए इसके श्मिट-ट्रिगर इनपुट का दोहन कर सकते हैं।सिग्नल विश्वसनीयता बनाए रखने में इसका योगदान स्वचालित समाधानों में उल्लेखनीय है।डिजिटल इंजीनियरिंग में व्यक्तिगत अंतर्दृष्टि से ड्राइंग, यह समझते हुए कि कैसे आईसी विनिर्देशों को परियोजना के साथ संरेखित किया जाता है, को एडेप्ट इलेक्ट्रॉनिक सिस्टम के निर्माण को ईंधन की आवश्यकता होती है।
2024/11/16 पर
2024/11/15 पर
8000/04/18 पर 147758
2000/04/18 पर 111941
1600/04/18 पर 111349
0400/04/18 पर 83721
1970/01/1 पर 79508
1970/01/1 पर 66914
1970/01/1 पर 63065
1970/01/1 पर 63012
1970/01/1 पर 54081
1970/01/1 पर 52135