

|
पिन नंबर |
पिन नाम |
विवरण |
|
1 |
लाभ (-rg) |
इनवर्टिंग गेन टर्मिनल प्रिवडर से जुड़ा हुआ लाभ प्राप्त करने के लिए
कीमत |
|
2 |
इनवर्टिंग इनपुट |
Op-amp का इनवर्टिंग इनपुट पिन |
|
3 |
गैर-इनपुट इनपुट (में) |
एम्पलीफायर का गैर-इनपेरिंग इनपुट पिन |
|
4 |
शक्ति (-vs) |
ऋणात्मक आपूर्ति टर्मिनल |
|
5 |
संदर्भ |
आउटपुट संदर्भ इनपुट।आम तौर पर आम से जुड़ा हुआ है |
|
6 |
उत्पादन |
एम्पलीफायर आउटपुट पिन |
|
7 |
शक्ति (+बनाम) |
सकारात्मक आपूर्ति टर्मिनल |
|
8 |
लाभ (+आरजी) |
गैर-इनवर्टिंग गेन टर्मिनल टर्मिनल से जुड़ा हुआ है
लाभ |
|
फ़ीचर/स्पेसिफिकेशन |
विवरण |
|
प्रकार |
रेल-से-रेल इंस्ट्रूमेंटेशन एम्पलीफायर |
|
वोल्टेज आपूर्ति |
एकल और दोहरी आपूर्ति वोल्टेज के साथ काम करता है |
|
संचालन करंट (अधिकतम) |
550 µa |
|
लाभ -सीमा |
1 से 1000 |
|
बैंडविड्थ |
800 kHz |
|
प्राप्त करना |
केवल एक अवरोधक के साथ लाभ निर्धारित करें |
|
पैकेज विकल्प |
8-पिन पीडीआईपी, एसओआईसी और वीएसएसओपी |
• Ina333
• LM4871
• AD620
• IC6283
• JRC4558
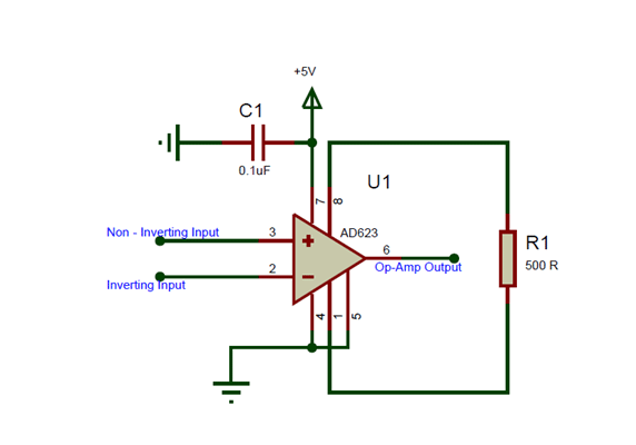
स्थापित करना AD623 एक अपेक्षाकृत सीधी प्रक्रिया है, जो मुख्य रूप से अपने लाभ को परिभाषित करने के लिए एक अवरोधक के चयन को शामिल करती है।यह सादगी AD623 के आकर्षक पहलुओं में से एक है, जिससे यह आपके लिए स्वीकार्य है।एक विशिष्ट कॉन्फ़िगरेशन पिन 4 को ग्राउंडिंग करते समय आईसी को एकल +5 वी बिजली की आपूर्ति से जोड़ता है। दोहरी आपूर्ति कॉन्फ़िगरेशन की आवश्यकता वाले परिदृश्यों में, पिन 4 को एक नकारात्मक वोल्टेज से कनेक्ट करना चाहिए, जिससे सिग्नल प्रोसेसिंग एप्लिकेशन की सीमा का विस्तार होता है।

इनपुट सिग्नल गैर-इनवर्टिंग (पिन 2) और इनवर्टिंग (पिन 3) पिन पर लागू होते हैं, जबकि संदर्भ पिन (पिन 5) अक्सर ग्राउंडेड होता है।इस पिन को ग्राउंड करना सुनिश्चित करता है कि आउटपुट वोल्टेज सही तरीके से संरेखित करता है जब इनपुट संकेतों के बीच कोई अंतर नहीं होता है, इस प्रकार सिग्नल व्याख्या में संभावित त्रुटियों को कम करता है।यह अभ्यास सर्किट डिजाइन में एक अंतिम सिद्धांत का प्रतीक है: एक स्थिर संदर्भ बिंदु को बनाए रखना सटीक माप और भरोसेमंद प्रदर्शन के लिए गतिशील है।
AD623 के लाभ को समायोजित करना पिन 8 (आरजी) और पिन 1 के बीच एक रोकनेवाला रखकर प्राप्त किया जाता है। उदाहरण के लिए, 100 के लाभ में 500-ओम रोकनेवाला परिणाम का उपयोग करते हुए। लाभ समायोजन में यह लचीलापन आपको आईसी के प्रदर्शन को अनुकूलित करने के लिए सशक्त बनाता हैविशिष्ट अनुप्रयोग आवश्यकताओं को पूरा करने के लिए।

इसके अतिरिक्त, आप विभिन्न अवरोधक मूल्यों को समायोजित करते हुए, एक प्रदान सूत्र या संदर्भ चार्ट का उपयोग करके लाभ की गणना कर सकते हैं।इस तरह की अनुकूलन क्षमता वास्तविक परिदृश्यों में ज्यादातर लाभप्रद साबित होती है जहां सिग्नल का स्तर काफी उतार -चढ़ाव कर सकता है।
|
आरजी का 1% एसटीडी तालिका मूल्य (ω) |
गणना लाभ |
आरजी का 0.1% एसटीडी तालिका मूल्य
(() |
गणना लाभ |
|
49.9K |
1.990 |
49.3k |
2.002 |
|
12.4k |
4.984 |
12.4k |
4.984 |
|
5.49K |
9.998 |
5.49K |
9.998 |
|
2.61K |
19.93 |
2.61K |
19.93 |
|
1.00k |
50.40 |
1.01k |
49.91 |
|
499 |
100 |
499 |
100.0 |
|
249 |
199.4 |
249 |
199.4 |
|
100 |
495 |
98.8 |
501.0 |
|
49.9 |
991 |
49.3 |
1,003 |
AD623 शक्ति-संवेदनशील अनुप्रयोगों की एक विविध रेंज के लिए असाधारण रूप से अच्छी तरह से अनुकूल है।इसकी उपयोगिता अंशांकन और परीक्षण उपकरण, कम-शक्ति चिकित्सा इंस्ट्रूमेंटेशन, विभेदक एम्पलीफायरों, डेटा अधिग्रहण प्रणाली और नियंत्रण प्रक्रिया प्रणालियों को फैलाता है।AD623 का डिज़ाइन दक्षता और सटीक दोनों पर जोर देता है, जिससे यह उन परिदृश्यों में एक पसंदीदा विकल्प बन जाता है जहां ये गुण प्रदर्शन को काफी प्रभावित करते हैं।
अंशांकन और परीक्षण वातावरण के भीतर, AD623 की कम शोर विशेषताओं और उच्च सटीकता गंभीर लाभ के रूप में बाहर खड़े हैं।ये विशेषताएं सटीक माप को सक्षम करती हैं जो विभिन्न उपकरणों की विश्वसनीयता की पुष्टि करने में एक गतिशील भूमिका निभाती हैं।उदाहरण के लिए, सेंसर अंशांकन के दौरान, बिजली की खपत को कम करते हुए सिग्नल अखंडता को बनाए रखना अधिक प्रभावी और टिकाऊ परीक्षण प्रथाओं को बढ़ावा देता है।यह पहलू प्रयोगशालाओं में विशेष महत्व रखता है, जहां उपकरण अक्सर लगातार उपयोग किए जाते हैं, और ऊर्जा दक्षता से परिचालन लागत में पर्याप्त कमी हो सकती है।
चिकित्सा क्षेत्र तेजी से उन उपकरणों की तलाश करता है जो न्यूनतम शक्ति का उपभोग करते हुए सटीक रीडिंग प्रदान करते हैं।AD623 प्रदर्शन का त्याग किए बिना कम-शक्ति की खपत प्रदान करके इस मांग को प्रभावी ढंग से संबोधित करता है।पोर्टेबल डायग्नोस्टिक उपकरण और पहनने योग्य स्वास्थ्य मॉनिटर जैसे अनुप्रयोगों में, सीमित बिजली स्रोतों पर कुशलता से संचालित करने की क्षमता रोगी की गतिशीलता और आराम को बढ़ाती है।इसके अलावा, नियमित स्वास्थ्य निगरानी में ऐसी तकनीक का एकीकरण रोगी परिणामों में काफी सुधार कर सकता है, क्योंकि लगातार निगरानी अधिक संभव और सुलभ हो जाती है।
शोर के बीच छोटे संकेतों की माप की आवश्यकता वाले परिदृश्यों में, अंतर एम्पलीफायरों एक प्रमुख भूमिका निभाते हैं।इस डोमेन में AD623 एक्सेल, असाधारण सामान्य-मोड अस्वीकृति और उच्च इनपुट प्रतिबाधा की पेशकश करता है।ये विशेषताएं यह सुनिश्चित करती हैं कि एम्पलीफायर विभिन्न स्रोतों से संकेतों को सटीक रूप से संसाधित कर सकता है, जिसमें तनाव गेज और तापमान सेंसर शामिल हैं, आमतौर पर औद्योगिक और अनुसंधान संदर्भों में उपयोग किए जाते हैं।AD623 को शामिल करके, आप उन प्रणालियों को तैयार कर सकते हैं जो न केवल विश्वसनीयता को बढ़ाते हैं, बल्कि चुनौतीपूर्ण वातावरण में सटीक डेटा भी प्रदान करते हैं।
AD623 डेटा अधिग्रहण प्रणालियों के लिए बुनियादी है, एनालॉग सिग्नल के सटीक संग्रह और प्रसंस्करण की सुविधा प्रदान करता है।कम बिजली पर इसका कुशल संचालन इसे ज्यादातर बैटरी-संचालित उपकरणों के लिए उपयुक्त बनाता है, जो दूरस्थ निगरानी अनुप्रयोगों में तेजी से प्रचलित हैं।उन्नत डेटा एनालिटिक्स के साथ ऐसी प्रणालियों का संलयन अधिक सूचित निर्णय लेने से हो सकता है, विशेष रूप से पर्यावरण निगरानी और स्मार्ट कृषि जैसे क्षेत्रों में।इन प्रणालियों से प्राप्त अंतर्दृष्टि विभिन्न क्षेत्रों में नवाचारों और सुधारों को बढ़ा सकती है।
नियंत्रण प्रक्रिया प्रणालियों में, AD623 की विशेषताएं उत्तरदायी और सटीक प्रक्रिया प्रबंधन को सक्षम करती हैं।यह क्षमता विशेष रूप से स्वचालन और औद्योगिक अनुप्रयोगों में उपयोग की जाती है जहां वर्तमान डेटा प्रसंस्करण प्रमुख है।एम्पलीफायर की कम बिजली की खपत नियंत्रण प्रणालियों की समग्र दक्षता में योगदान देती है, जो स्थायी संचालन के लिए अनुमति देती है।जैसा कि उद्योग स्वचालन को अपनाना जारी रखते हैं, AD623 जैसे कुशल और सटीक घटकों का महत्व प्रगति को चलाने और परिचालन क्षमताओं को बढ़ाने में महत्वपूर्ण होगा।

कृपया एक जांच भेजें, हम तुरंत जवाब देंगे।
2024/12/26 पर
2024/12/26 पर
8000/04/18 पर 147758
2000/04/18 पर 111943
1600/04/18 पर 111349
0400/04/18 पर 83721
1970/01/1 पर 79508
1970/01/1 पर 66916
1970/01/1 पर 63070
1970/01/1 पर 63012
1970/01/1 पर 54081
1970/01/1 पर 52139