




Atmega16u2 एक 8-बिट माइक्रोकंट्रोलर है जो अपनी कम बिजली की खपत और AVR एन्हांस्ड RISC आर्किटेक्चर के कारण अनुकूलनशीलता के लिए जाना जाता है।यह डिज़ाइन जटिल निर्देशों को एक घड़ी चक्र के भीतर संसाधित करने की अनुमति देता है, जिससे प्रभावशाली प्रदर्शन को सक्षम किया जाता है जो लगभग 1 MIPS प्रति मेगाहर्ट्ज तक पहुंच सकता है।बिजली दक्षता और प्रसंस्करण गति का यह संतुलन विविध अनुप्रयोगों की सुविधा प्रदान करता है, विशेष रूप से जहां ऊर्जा उपयोग को कम करना एक प्राथमिकता है।
आर्किटेक्चर को आगे बढ़ाते हुए, एकल-चक्र निर्देश निष्पादन के लिए AVR की क्षमता आपको अत्यधिक कुशल कोड लिखने में सक्षम बनाती है।यह उन संदर्भों में लाभप्रद साबित होता है जो तेजी से निर्णय लेने की मांग करते हैं, जैसे कि एम्बेडेड ऑटोमोटिव सिस्टम या वास्तविक नियंत्रण।निर्देश सेट की सादगी न केवल प्रदर्शन को बढ़ावा देती है, बल्कि प्रोग्रामिंग प्रक्रिया को भी कम करती है।नतीजतन, आप अक्सर Atmega16u2 के साथ एक अधिक प्रबंधनीय सीखने की अवस्था का अनुभव कर सकते हैं, नवाचार और निर्माण की गति को तेज कर सकते हैं।
यहां माइक्रोचिप तकनीक के लिए तकनीकी विनिर्देशों, विशेषताओं और मापदंडों को प्रस्तुत करने वाली तालिका है Atmega16u2-au।
|
प्रकार |
पैरामीटर |
|
फैक्टरी लीड टाइम |
10 सप्ताह |
|
संपर्क चढ़ाना |
टिन |
|
पर्वत |
सतह पर्वत |
|
माउन्टिंग का प्रकार |
सतह पर्वत |
|
पैकेज / मामला |
32-टीक्यूएफपी |
|
पिन की संख्या |
32 |
|
I/OS की संख्या |
22 |
|
प्रहरी टाइमर |
हाँ |
|
परिचालन तापमान |
-40 ° C ~ 85 ° C (TA) |
|
पैकेजिंग |
ट्रे |
|
शृंखला |
AVR® ATMEGA |
|
प्रकाशित |
2007 |
|
JESD-609 कोड |
ई 3 |
|
Pbfree कोड |
हाँ |
|
भाग की स्थिति |
सक्रिय |
|
नमी संवेदनशीलता स्तर (एमएसएल) |
3 (168 घंटे) |
|
समाप्ति की संख्या |
32 |
|
टर्मिनल स्थिति |
ट्रैक्टर |
|
टर्मिनल रूप |
गूल विंग |
|
पीक रिफ्लो तापमान (° C) |
260 |
|
वोल्टेज आपूर्ति |
5V |
|
टर्मिनल पिच |
0.8 मिमी |
|
आवृत्ति |
16MHz |
|
समय @ पीक रिफ्लो टेम्प (एस) |
40 |
|
आधार भाग संख्या |
Atmega16u2 |
|
योग्यता की स्थिति |
योग्य नहीं |
|
इंटरफ़ेस |
SPI, सीरियल, UART, USART, USB |
|
मेमोरी का आकार |
16kb |
|
थरथरानवाला प्रकार |
आंतरिक |
|
राम का आकार |
512 x 8 |
|
वोल्टेज - आपूर्ति (वीसीसी/वीडीडी) |
2.7V ~ 5.5V |
|
यूपीएस/यूसीएस/परिधीय आईसीएस प्रकार |
माइक्रोकंट्रोलर, आरआईएससी |
|
कोर प्रोसेसर |
अवाक |
|
बाह्य उपकरणों |
ब्राउन-आउट डिटेक्ट/रीसेट, POR, PWM, WDT |
|
क्रमादेश स्मृति प्रकार |
चमक |
|
कोर आकार |
8 बिट |
|
प्रोग्राम मैमोरी आकार |
16kb (8k x 16) |
|
कनेक्टिविटी |
SPI, UART/USART, USB |
|
बिट आकार |
8 |
|
एडीसी है |
नहीं |
|
डीएमए चैनल |
नहीं |
|
आंकड़ा बस चौड़ाई |
8 बी |
|
डीएसी चैनल |
नहीं |
|
टाइमर/काउंटरों की संख्या |
2 |
|
Eeprom आकार |
512 x 8 |
|
पीडब्लूएम चैनलों की संख्या |
5 |
|
एसपीआई चैनलों की संख्या |
1 |
|
ऊंचाई |
1.05 मिमी |
|
लंबाई |
7 मिमी |
|
चौड़ाई |
7 मिमी |
|
SVHC तक पहुँचें |
कोई एसवीएचसी नहीं |
|
रोह्स स्टेटस |
ROHS3 आज्ञाकारी |
|
सीसा मुक्त |
सीसा मुक्त |
|
भाग संख्या |
Atmega16u2-au |
AT90USB162-16AR |
Atmega8u2-au |
Atmega8u2-ar |
|
उत्पादक |
माइक्रोचिप प्रौद्योगिकी |
माइक्रोचिप प्रौद्योगिकी |
माइक्रोचिप प्रौद्योगिकी |
माइक्रोचिप प्रौद्योगिकी |
|
पैकेज / मामला |
32-टीक्यूएफपी |
32-टीक्यूएफपी |
32-टीक्यूएफपी |
32-टीक्यूएफपी |
|
पिन की संख्या |
32 |
32 |
32 |
32 |
|
आंकड़ा बस चौड़ाई |
8 बी |
8 बी |
8 बी |
8 बी |
|
I/O की संख्या |
22 |
22 |
22 |
22 |
|
इंटरफ़ेस |
SPI, सीरियल, UART, USART, USB |
SPI, UART, USART, USB |
EBI/EMI, SPI, UART, USART, USB |
EBI/EMI, SPI, UART, USART, USB |
|
मेमोरी का आकार |
16 केबी |
8 kb |
16 केबी |
8 kb |
|
वोल्टेज आपूर्ति |
5 वी |
5 वी |
4.5 वी |
- |
|
बाह्य उपकरणों |
ब्राउन-आउट डिटेक्ट/रीसेट, पावर-ऑन रीसेट, प्रोग्रामेबल I/O |
ब्राउन-आउट डिटेक्ट/रीसेट, पावर-ऑन रीसेट, प्रोग्रामेबल I/O |
ब्राउन-आउट डिटेक्ट/रीसेट, पावर-ऑन रीसेट, प्रोग्रामेबल I/O |
ब्राउन-आउट डिटेक्ट/रीसेट, पावर-ऑन रीसेट, प्रोग्रामेबल I/O |
|
विशेषता
वर्ग |
विवरण |
|
मुख्य
|
उच्च प्रदर्शन, कम शक्ति AVR® 8-बिट माइक्रोकंट्रोलर |
|
वास्तुकला |
उन्नत RISC आर्किटेक्चर |
|
- 125 शक्तिशाली निर्देश - अधिकांश एकल घड़ी चक्र
कार्यान्वयन |
|
|
- 32 x 8 सामान्य उद्देश्य कार्य रजिस्टर |
|
|
- पूरी तरह से स्थिर ऑपरेशन |
|
|
- 16 मेगाहर्ट्ज पर 16 MIPS थ्रूपुट |
|
|
याद |
-8k/16k/32k बाइट्स इन-सिस्टम सेल्फ-प्रोग्रामेबल फ्लैश |
|
- 512/512/1024 EEPROM |
|
|
- 512/512/1024 आंतरिक SRAM |
|
|
- लिखें/मिटाएं चक्र: 10,000 फ्लैश/100,000 EEPROM |
|
|
- डेटा रिटेंशन: 20 साल 85 डिग्री सेल्सियस / 100 साल 25 डिग्री सेल्सियस पर |
|
|
- स्वतंत्र लॉक बिट्स के साथ वैकल्पिक बूट कोड अनुभाग |
|
|
-ऑन-चिप बूट प्रोग्राम द्वारा इन-सिस्टम प्रोग्रामिंग |
|
|
-ट्रू रीड-व्हाइल-राइट ऑपरेशन |
|
|
- सॉफ्टवेयर सुरक्षा के लिए प्रोग्रामिंग लॉक |
|
|
यूएसबी मॉड्यूल |
- USB 2.0 फुल-स्पीड डिवाइस मॉड्यूल |
|
- सार्वभौमिक सीरियल बस विनिर्देश के साथ पूरी तरह से अनुपालन करता है
रेव 2.0 |
|
|
- 48 मेगाहर्ट्ज पीएलएल फुल-स्पीड बस ऑपरेशन के लिए (12 MBIT/S) |
|
|
- 176 बाइट्स यूएसबी डीपीआरएएम एंडपॉइंट मेमोरी आवंटन के लिए |
|
|
- कंट्रोल ट्रांसफर के लिए एंडपॉइंट 0 (8 से 64 बाइट्स) |
|
|
- 4 प्रोग्रामेबल एंडपॉइंट्स |
|
|
- में या बाहर दिशा |
|
|
- बल्क, इंटरप्ट और आइसोक्रोनस ट्रांसफर |
|
|
- प्रोग्रामेबल अधिकतम पैकेट आकार (8 से 64 बाइट्स) |
|
|
- प्रोग्रामेबल सिंगल या डबल बफर |
|
|
- निलंबित/फिर से शुरू |
|
|
- USB बस रीसेट पर माइक्रोकंट्रोलर रीसेट |
|
|
- माइक्रोकंट्रोलर अनुरोध पर USB बस डिस्कनेशन |
|
|
परिधीय विशेषताएं |
- एक 8-बिट टाइमर/अलग-अलग प्रीस्केलर के साथ काउंटर और
मोड की तुलना करें (दो 8-बिट PWM चैनल) |
|
- एक 16-बिट टाइमर/प्रेस्सलर के साथ काउंटर, तुलना करें और
कैप्चर मोड (तीन 8-बिट पीडब्लूएम चैनल) |
|
|
- एसपीआई मास्टर-ओनली मोड और हार्डवेयर प्रवाह के साथ USART
नियंत्रण (आरटीएस/सीटी) |
|
|
- मास्टर/दास SPI सीरियल इंटरफ़ेस |
|
|
- अलग-अलग ऑन-चिप के साथ प्रोग्रामेबल वॉचडॉग टाइमर
थरथरानवाला |
|
|
- ऑन-चिप एनालॉग तुलनित्र |
|
|
- पिन चेंज पर इंटरप्ट और वेक-अप |
|
|
डिबगिंग |
ऑन-चिप डिबग इंटरफ़ेस (डिबगवायर) |
|
विशेष लक्षण |
-पावर-ऑन रीसेट और प्रोग्रामेबल ब्राउन-आउट डिटेक्शन |
|
- आंतरिक कैलिब्रेटेड थरथरानवाला |
|
|
- बाहरी और आंतरिक रुकावट स्रोत |
|
|
-पांच नींद मोड: निष्क्रिय, पावर-सेव, पावर-डाउन,
स्टैंडबाय, और विस्तारित स्टैंडबाय |
|
|
I/O और पैकेज |
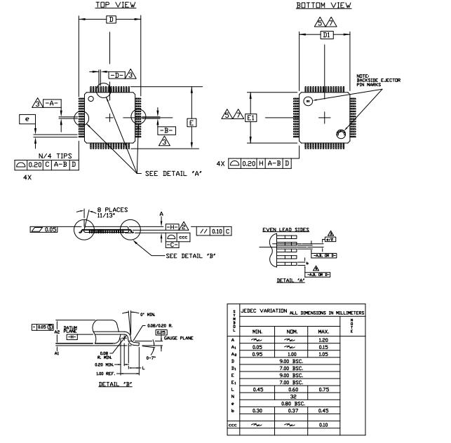
- 22 प्रोग्रामेबल I/O लाइनें |
|
- QFN32 (5x5 मिमी) / TQFP32 पैकेज |
|
|
ऑपरेटिंग वोल्टेज |
2.7 - 5.5V |
|
परिचालन तापमान |
औद्योगिक (-40 ° C से +85 ° C) |
|
अधिकतम आवृत्ति |
- 2.7V (औद्योगिक रेंज) पर 8 मेगाहर्ट्ज |
|
- 4.5V (औद्योगिक रेंज) पर 16 मेगाहर्ट्ज |

Atmega16u2 माइक्रोकंट्रोलर अपनी उल्लेखनीय शक्ति दक्षता के लिए खड़ा है, न्यूनतम ऊर्जा का उपभोग करते हुए उच्च कार्यक्षमता प्रदान करता है।यह गुणवत्ता इसे पोर्टेबल और बैटरी-संचालित उपकरणों के लिए असाधारण रूप से उपयुक्त बनाती है, जो दीर्घायु और सुविधा को महत्व देती हैं।अत्याधुनिक मेमोरी प्रौद्योगिकी पर निर्मित, माइक्रोकंट्रोलर का उद्देश्य अनावश्यक शक्ति हानि को कम करने पर जोर देने के साथ इष्टतम प्रदर्शन के लिए है।इस तरह की सुविधा ज्यादातर उन अनुप्रयोगों के लिए आकर्षक है, जिनके लिए स्थायी संचालन की आवश्यकता होती है, जिससे उपकरणों को लगातार रिचार्जिंग या पावर स्रोतों को बदलने की परेशानी के बिना लंबे समय तक काम करने की अनुमति मिलती है।
समुदाय-संचालित विकास के लिए समर्थन Atmega16u2 के फायदों के लिए एक और सम्मोहक परत जोड़ता है।एक मजबूत बूटलोडर से लैस, सिस्टम अनुप्रयोगों के लिए सहज अपडेट सक्षम करता है, यह सुनिश्चित करना कि चल रहे संचालन बाधित नहीं हैं।एक जीवंत वैश्विक समुदाय सॉफ्टवेयर पुस्तकालयों और विकास उपकरणों के एक व्यापक पारिस्थितिकी तंत्र को ईंधन देता है, जो प्रोटोटाइप प्रक्रिया और अभिनव समाधानों के रोलआउट को बढ़ाता है।यह सहयोगी वातावरण ज्ञान और संसाधनों के आदान -प्रदान का पोषण करता है, जो रोजमर्रा की धारणाएं प्रदान करता है जो आवेदन विकास को समृद्ध और ऊंचा करते हैं।
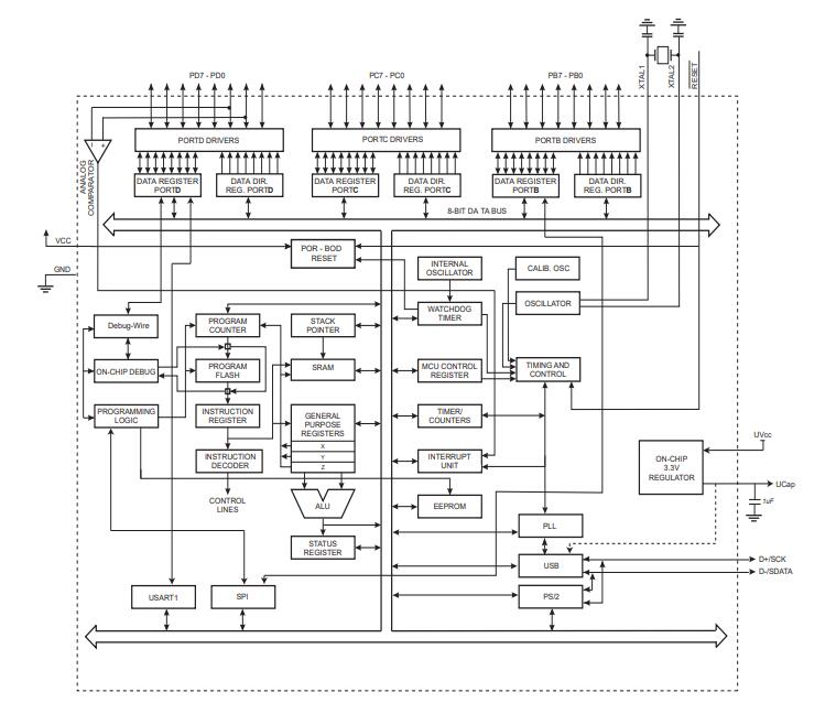
Atmega16u2 के मूल में ISP फ्लैश मेमोरी के साथ एक एकीकृत RISC CPU है, जो इसे एक बेजोड़ बहुमुखी प्रतिभा प्रदान करता है जो एम्बेडेड सिस्टम की एक विस्तृत श्रृंखला को पूरा करता है।यह एकीकरण माइक्रोकंट्रोलर को सीधे प्रोग्रामिंग और निष्पादन सुनिश्चित करते हुए जटिल कंप्यूटिंग कार्यों को करने के लिए सशक्त बनाता है।आर्किटेक्चर विशेष रूप से कम्प्यूटेशनल रूप से मांग वाले संचालन और मल्टीटास्किंग का प्रबंधन करने के लिए डिज़ाइन किया गया है, जो विभिन्न अनुप्रयोगों में एक गतिशील भूमिका निभाते हैं - उपभोक्ता इलेक्ट्रॉनिक्स से संपर्क करते हैं जो दैनिक अनुभवों को औद्योगिक स्वचालन के लिए बढ़ाते हैं जो कार्यबल में दक्षता और उत्पादकता को बढ़ाते हैं।

माइक्रोचिप टेक्नोलॉजी इंक एम्बेडेड नियंत्रण समाधानों में एक प्रमुख बल के रूप में उभरता है, जो नवाचार के लिए एक समर्पण को दर्शाता है जो विकास उपकरणों और प्रसादों के अपने विशाल चयन से परे है।संगठन एक मजबूत बुनियादी ढांचे को सुव्यवस्थित डिजाइन प्रक्रियाओं के लिए डिज़ाइन किया गया है, जो विभिन्न प्रकार के क्षेत्रों में उत्पादों के कार्यान्वयन को प्रभावी ढंग से सुविधाजनक बनाता है।चांडलर, एरिज़ोना में अपने मुख्यालय से संचालन, माइक्रोचिप गर्व से विश्व स्तर पर 120,000 से अधिक ग्राहकों की सेवा करता है, जो कई उद्योगों में अपने पर्याप्त प्रभाव और प्रतिष्ठा को उजागर करता है।
एम्बेडेड नियंत्रण का परिदृश्य तीव्रता से बदल गया है, जिसमें माइक्रोचिप जैसे अभिनव उद्यमों के साथ इन तकनीकी प्रगति में चार्ज का नेतृत्व किया गया है।उनके विविध पोर्टफोलियो में माइक्रोकंट्रोलर के साथ -साथ परिधीयों का एक व्यापक चयन शामिल है, जो सभी समग्र प्रणाली क्षमताओं को बढ़ाने के उद्देश्य से है।यह समृद्ध संग्रह आपको अपनी विशिष्ट आवश्यकताओं के अनुरूप समाधानों को अनुकूलित करने का अधिकार देता है, जो उन अनुप्रयोगों के विकास का मार्ग प्रशस्त करता है जो उपभोक्ता इलेक्ट्रॉनिक्स से लेकर औद्योगिक स्वचालन तक एक विस्तृत स्पेक्ट्रम का विस्तार करते हैं।
कृपया एक जांच भेजें, हम तुरंत जवाब देंगे।
Atmega16u2 एक कम-शक्ति, 8-बिट CMOS माइक्रोकंट्रोलर है जो AVR- संवर्धित RISC आर्किटेक्चर पर निर्मित है।यह डिज़ाइन सटीक रूप से बिजली दक्षता और प्रसंस्करण गति को अधिकतम करने के लिए तैयार किया गया है, जो 1 MIPS प्रति MHz के करीब प्राप्त करता है।इसकी वास्तुकला खुद को विभिन्न क्षेत्रों में बहुमुखी अनुप्रयोगों के लिए उधार देती है, एम्बेडेड सिस्टम से IoT उपकरणों तक।विशेष रूप से, Atmega16u2 की कुशल बिजली की खपत बैटरी-संचालित उपकरणों के जीवन को लम्बा करने में पर्याप्त भूमिका निभाती है।प्रदर्शन और बिजली दक्षता के बीच परस्पर क्रिया माइक्रोकंट्रोलर तकनीक में व्यापक रुझानों को दर्शाती है, जहां लक्ष्य गति से समझौता किए बिना ऊर्जा के उपयोग को कम करना है।यह संतुलन आधुनिक डिजाइन प्रथाओं को प्रभावित कर सकता है, विशेष रूप से स्थिरता के संदर्भ में।
डिवाइस में इनपुट/आउटपुट फ़ंक्शन की एक विस्तृत श्रृंखला के लिए समर्पित 32 पिन हैं।ये पिन माइक्रोकंट्रोलर को अन्य घटकों से जोड़ने के लिए सक्रिय इंटरफेस हैं, जिनमें सेंसर और एक्ट्यूएटर्स शामिल हैं।एक अच्छी तरह से सोचा गया पिन कॉन्फ़िगरेशन होने से जटिल प्रणालियों के डिजाइन को काफी बढ़ा सकता है, जिससे बेहतर परिचालन दक्षता हो सकती है।उदाहरण के लिए, रणनीतिक पिन आवंटन सहज मल्टीटास्किंग के लिए अनुमति देता है और समग्र प्रणाली जवाबदेही को बढ़ाता है।अनुभव से पता चलता है कि विकास प्रक्रिया में जल्दी पिन असाइनमेंट पर ध्यान केंद्रित करने से संभावित डिजाइन की कमी हो सकती है, जो परियोजना निष्पादन के दौरान विचारशील योजना पर जोर देती है।
Atmega16u2 विकास उपकरणों के एक विविध संग्रह द्वारा समर्थित है, जिसमें सी कंपाइलर, डिबगर्स, इन-सर्किट एमुलेटर और मूल्यांकन किट शामिल हैं जो कार्यक्रम और सिस्टम विकास में सहायता करते हैं।इन संसाधनों का उपयोग करने से विकास की समयरेखा में काफी गति हो सकती है और उत्पादकता को बढ़ावा मिल सकता है, एक पुनरावृत्त डिजाइन दृष्टिकोण को बढ़ावा दे सकता है।उल्लेखनीय डीबगिंग और कोड अनुकूलन में इन उपकरणों का व्यावहारिक उपयोग है, एक रणनीति जो एम्बेडेड प्रोग्रामिंग की पेचीदगियों के प्रबंधन के लिए उपयोग की गई है।सॉफ्टवेयर और हार्डवेयर संसाधनों का तालमेल एक व्यापक विकास दृष्टिकोण पर जोर देता है, जहां व्यापक टूलसेट का उपयोग करने से अभिनव और प्रभावी समाधान होते हैं।इस तरह की प्रथाओं को गले लगाने से सिस्टम के प्रदर्शन की समझ को गहरा किया जा सकता है और प्रौद्योगिकी डिजाइन में भविष्य की प्रगति का मार्ग प्रशस्त किया जा सकता है।
2024/11/15 पर
2024/11/15 पर
8000/04/18 पर 147757
2000/04/18 पर 111935
1600/04/18 पर 111349
0400/04/18 पर 83719
1970/01/1 पर 79508
1970/01/1 पर 66902
1970/01/1 पर 63025
1970/01/1 पर 63010
1970/01/1 पर 54081
1970/01/1 पर 52121