
में प्रत्येक इन्वर्टर का कार्य 74LS04 इनपुट सिग्नल की तर्क स्थिति को उलटने के लिए है, इसे उच्च से निम्न या निम्न से उच्च तक स्थानांतरित करना है।यह ऑपरेशन इलेक्ट्रॉनिक सर्किट डिज़ाइन में एक गतिशील भूमिका निभाता है, जो बहुमुखी सिग्नल हेरफेर और कुशल डेटा प्रोसेसिंग को सक्षम करके एनालॉग और डिजिटल दोनों अनुप्रयोगों को प्रभावित करता है।
इलेक्ट्रॉनिक सिस्टम में, ज्यादातर डिजिटल सर्किट के भीतर, 74LS04 इनवर्टर तार्किक संचालन को बोल्ट करते हैं।इन इनवर्टर का उपयोग गेट्स का निर्माण करने के लिए किया जाता है, जिससे जटिल तर्क कार्यों के कार्यान्वयन की सुविधा होती है।इसके अलावा, उन्हें नंद और न ही, इस तरह से कम्प्यूटेशनल क्षमताओं का विस्तार करने के लिए उन्नत लॉजिक गेट्स बनाने के लिए कॉन्फ़िगर किया जा सकता है।एनालॉग सिस्टम में, 74LS04 सिग्नल अखंडता और शोर को आकार देने में महत्वपूर्ण योगदान देता है।संकेतों को इनवर्ट करके, ये घटक संचार सर्किट के भीतर सिंक्रनाइज़ेशन और पेसिंग में सहायता करते हैं।यह इंटरैक्शन समय की विसंगतियों को कम करता है और सिग्नल स्पष्टता को बढ़ाता है, समग्र प्रदर्शन को बढ़ाता है।




|
विशेषता |
विनिर्देश |
|
वोल्टेज आपूर्ति सीमा |
+4.75V से +5.25V |
|
अधिकतम आपूर्तिित वोल्टेज |
+7v |
|
अधिकतम उत्पादन प्रति गेट |
8MA |
|
TTL आउटपुट |
सीसा मुक्त |
|
अधिकतम वृद्धि समय |
15NS |
|
अधिकतम गिरावट समय |
15NS |
|
तापमान रेंज आपरेट करना |
0 ° C से 70 ° C |

|
पैरामीटर |
SN54S04 |
SN74S04 |
इकाई |
||||
|
न्यूनतम |
मैक्स |
न्यूनतम |
मैक्स |
||||
|
वीसीसी आपूर्ति वोल्टेज |
4.5 |
5 |
5.5 |
4.75 |
5 |
5.25 |
वी |
|
उच्च-स्तरीय इनपुट
वोल्टेज |
2 |
2 |
वी |
||||
|
कम-स्तरीय इनपुट
वोल्टेज |
0.8 |
0.8 |
वी |
||||
|
IOH उच्च-स्तरीय
आउटपुट करेंट |
-1 |
-1 |
एमए |
||||
|
IOL निम्न-स्तरीय आउटपुट
मौजूदा |
20 |
20 |
एमए |
||||
|
टा संचालन
तापमान |
-55 |
125 |
0 |
70 |
° C |
||
|
भाग संख्या |
विवरण |
उत्पादक |
|
GD54LS04LOGIC |
इन्वर्टर, एलएस श्रृंखला, 6-फन्क, 1-इनपुट, टीटीएल, पीडीआईपी 14 |
गोल्डस्टार इलेक्ट्रॉन कंपनी लिमिटेड |
|
SN74LS04NLOGIC |
इन्वर्टर, एलएस श्रृंखला, 6-फन्क, 1-इनपुट, टीटीएल, पीडीआईपी 14, 646-06 |
मोटोरोला अर्धचालक उत्पाद |
|
SN74LS04N-00LOGIC |
एलएस श्रृंखला, हेक्स 1-इनपुट इनवर्ट गेट, पीडीआईपी 14, पैकेज -14 |
रोचेस्टर इलेक्ट्रॉनिक्स एलएलसी |
|
SN74LS04JLOGIC |
हेक्स इनवर्टर 14-सीडीआईपी 0 से 70 |
टेक्सास इंस्ट्रूमेंट्स |
|
M38510/30003SCALOGIC |
इन्वर्टर, एलएस श्रृंखला, 6-फन्क, 1-इनपुट, टीटीएल, सीडीआईपी 14,
सिरेमिक, डीआईपी -14 |
साइननेटिक्स |
|
74LS04ALOGIC |
आईसी एलएस श्रृंखला, हेक्स 1-इनपुट इनवर्ट गेट, पीडीआईपी 14, गेट |
एनएक्सपी अर्धचालक |
|
GD74LS04LOGIC |
इन्वर्टर, TTL, PDIP14 |
एलजी सेमिकन सीओ लिमिटेड |
|
GD74LS04JLOGIC |
इन्वर्टर, एलएस सीरीज़, 6-फन्क, 1-इनपुट, टीटीएल, सीडीआईपी 14 |
गोल्डस्टार इलेक्ट्रॉन कंपनी लिमिटेड |
|
HD74LS04PLOGIC |
इन्वर्टर, एलएस श्रृंखला, 6-फन्क, 1-इनपुट, टीटीएल, पीडीआईपी 14, डीपी -14 |
हिताची लिमिटेड |
|
M38510/30003bcalogic |
इन्वर्टर, एलएस श्रृंखला, 6-फन्क, 1-इनपुट, टीटीएल, सीडीआईपी 14,
सिरेमिक, डीआईपी -14 |
मोटोरोला अर्धचालक उत्पाद |
यहाँ रेथियॉन सेमीकंडक्टर के लिए एक तालिका प्रारूप में प्रस्तुत जानकारी दी गई है 74LS04N।
|
प्रकार |
पैरामीटर |
|
JESD-609 कोड |
e0 |
|
टर्मिनल खत्म |
टिन/लीड (एसएन/पीबी) |
|
पीक रिफ्लो तापमान (° C) |
निर्दिष्ट नहीं है |
|
समय @ पीक रिफ्लो तापमान (अधिकतम) |
निर्दिष्ट नहीं है |
|
रोह्स स्टेटस |
गैर-आरओएचएस आज्ञाकारी |
74LS04, एक हेक्स इन्वर्टर, सिग्नल उलटा प्रदान करके तर्क सर्किट में विभिन्न अनुप्रयोगों को पाता है।इसका उपयोग जटिल तर्क कार्यों को बनाने के लिए किया जाता है, डिजिटल सर्किट के भीतर संचालन के प्रवाह को बढ़ाता है।आप सिग्नल के स्तर का प्रबंधन करने के लिए इस घटक पर भरोसा कर सकते हैं, सटीक समय और अनुक्रमण सुनिश्चित करते हैं, जो व्यावहारिक अनुप्रयोगों में उपयोगी हैं।
सर्वर डिज़ाइन में, 74LS04 को सिग्नल कंडीशनिंग और संशोधन के लिए नियोजित किया जाता है, जो सुचारू डेटा प्रोसेसिंग और कम विलंबता को कम करने के लिए डिजिटल सिग्नल को संभालता है।यह घटक सर्वर के भीतर पावर मैनेजमेंट सर्किट के लिए मूल्यवान है, विशेष रूप से उच्च-ट्रैफिक डेटा सेंटरों में जहां निर्भरता और दक्षता को प्राथमिकता दी जाती है।
डिजिटल उपकरणों में, 74LS04 सिग्नल इनपुट और आउटपुट को स्थिर करने के लिए मूल्यवान है, जो सटीक और भरोसेमंद माप में योगदान देता है।यह उच्च परिशुद्धता की आवश्यकता वाले उपकरणों में पर्याप्त भूमिका निभाता है, जैसे कि ऑस्किलोस्कोप और मल्टीमीटर, वास्तविक स्थितियों में उनके लगातार प्रदर्शन का समर्थन करते हैं।
नेटवर्किंग सिस्टम में, 74LS04 सिग्नल एन्हांसमेंट और शोर में कमी में योगदान देता है।यह डेटा अखंडता और दक्षता को बनाए रखने के लिए डेटा ट्रांसमिशन प्रोटोकॉल में एकीकृत है, विशेष रूप से वातावरण को लाभान्वित करता है जहां थ्रूपुट को अधिकतम करना और त्रुटियों को कम करना उच्च चिंता का विषय है।

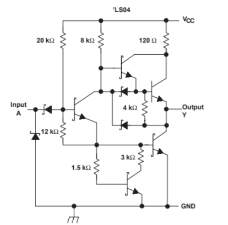
74LS04 में छह अलग -अलग गेट होते हैं, जिनमें से प्रत्येक लॉजिक इनवर्ट फ़ंक्शन का प्रदर्शन करता है।आउटपुट सिग्नल सीधे उनके संबंधित इनपुट सिग्नल के विपरीत हैं।इन्वर्टर इनपुट सिग्नल के चरण को 180 डिग्री तक उलट देता है।यह सर्किट विभिन्न एनालॉग सिस्टम में अपना एप्लिकेशन पाता है, जिसमें ऑडियो एम्पलीफायरों और घड़ी ऑसिलेटर शामिल हैं।इनवर्टर व्यापक रूप से इलेक्ट्रॉनिक सर्किट डिजाइन में उपयोग किए जाते हैं, सटीकता और अनुकूलनशीलता के साथ कार्यक्षमता को आकार देते हैं।
कृपया एक जांच भेजें, हम तुरंत जवाब देंगे।
2024/10/24 पर
2024/10/24 पर
8000/04/18 पर 147757
2000/04/18 पर 111935
1600/04/18 पर 111349
0400/04/18 पर 83719
1970/01/1 पर 79508
1970/01/1 पर 66901
1970/01/1 पर 63022
1970/01/1 पर 63010
1970/01/1 पर 54081
1970/01/1 पर 52121