

|
नत्थी करना |
नाम |
समारोह |
|
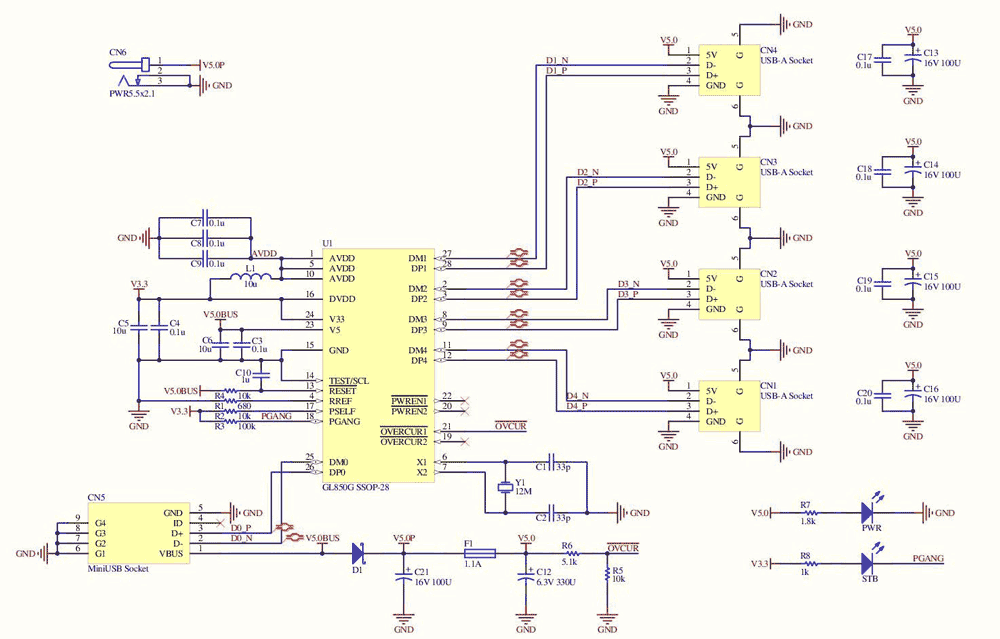
1 |
AVDD |
एनालॉग सर्किट के लिए 3.3V एनालॉग पावर इनपुट |
|
2 |
DM2 |
डाउनस्ट्रीम 2 पोर्ट डेटा - |
|
3 |
Dp2 |
डाउनस्ट्रीम 2 पोर्ट डेटा + |
|
4 |
Rref |
RREF और AGND के बीच 680OHMS रोकनेवाला कनेक्ट करें |
|
5 |
AVDD |
एनालॉग सर्किट के लिए 3.3V एनालॉग पावर इनपुट |
|
6 |
X1 |
12MHz थरथरानवाला इनपुट |
|
7 |
X2 |
12MHz थरथरानवाला इनपुट |
|
8 |
DM3 |
डाउनस्ट्रीम 3 पोर्ट डेटा - |
|
9 |
डीपी 3 |
डाउनस्ट्रीम 3 पोर्ट डेटा + |
|
10 |
AVDD |
एनालॉग सर्किट के लिए 3.3V एनालॉग पावर इनपुट |
|
11 |
DM4 |
डाउनस्ट्रीम 4 पोर्ट डेटा - |
|
12 |
Dp4 |
डाउनस्ट्रीम 4 पोर्ट डेटा + |
|
13 |
रीसेट करना |
सक्रिय कम बाहरी रीसेट |
|
14 |
परीक्षण/एससीएल |
यदि उच्च / i2c घड़ी खींची जाती है तो चिप टेस्ट मोड में होगी
आउटपुट |
|
15 |
Gnd |
मैदान |
|
16 |
डीवीडीडी |
डिजिटल सर्किट, लॉजिक के लिए 3.3V डिजिटल पावर इनपुट
स्तर |
|
17 |
स्वेमा |
0: GL850G बस संचालित है, 1: GL850G स्व-संचालित है |
|
18 |
पगांग |
व्यक्तिगत / गैंग मोड का चयन करें |
|
19 |
Ovcur2 |
वर्तमान संकेतक पर सक्रिय |
|
20 |
Pwren2 |
सक्रिय कम शक्ति आउटपुट सक्षम करें |
|
21 |
Ovcur1 |
वर्तमान संकेतक पर सक्रिय |
|
22 |
Pwren1 |
सक्रिय कम शक्ति आउटपुट सक्षम करें |
|
23 |
वी 5 |
5V से 3.3V नियामक इनपुट |
|
24 |
V33 |
3.3V नियामक आउटपुट |
|
25 |
DM0 |
अपस्ट्रीम पोर्ट डेटा - |
|
26 |
Dp0 |
अपस्ट्रीम पोर्ट डेटा + |
|
27 |
DM1 |
डाउनस्ट्रीम 1 पोर्ट डेटा - |
|
28 |
Dp1 |
डाउनस्ट्रीम 1 पोर्ट डेटा + |
|
विशेषता |
विवरण |
|
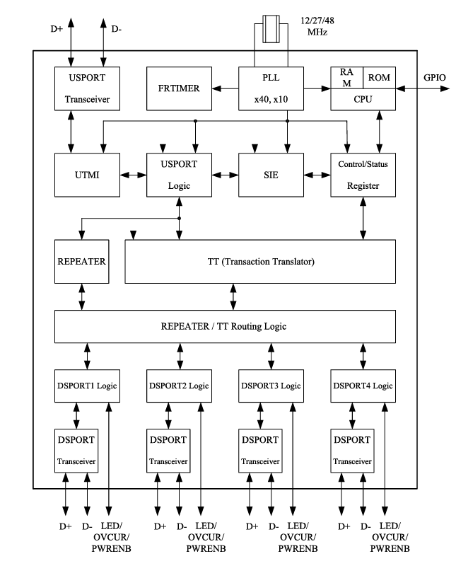
यूएसबी विनिर्देश |
USB विनिर्देशन संशोधन 2.0 के अनुरूप;पिछड़ा
USB विनिर्देश 1.1 के लिए संगत। |
|
अपस्ट्रीम पोर्ट |
दोनों हाई-स्पीड (एचएस) और फुल-स्पीड (एफएस) का समर्थन करता है
ट्रैफ़िक। |
|
बहाव बंदरगाह |
एचएस, एफएस, और कम गति (एलएस) ट्रैफ़िक का समर्थन करता है। |
|
पाइप्स |
1 नियंत्रण पाइप (समापन बिंदु 0, 64-बाइट डेटा पेलोड);1
इंटरप्ट पाइप (एंडपॉइंट 1, 1-बाइट पेलोड)। |
|
माइक्रोप्रोसेसर |
RISC जैसी वास्तुकला के साथ 8-बिट माइक्रोप्रोसेसर ऑन-चिप
और USB- अनुकूलित निर्देश सेट। |
|
प्रदर्शन |
6 mips @ 12 मेगाहर्ट्ज। |
|
याद |
64-बाइट रैम और 4K मास्क रोम। |
|
अनुकूलित पीआईडी/vid |
बाहरी EEPROM/SMBUS के माध्यम से समर्थित। |
|
डाउनस्ट्रीम पोर्ट कॉन्फ़िगरेशन |
बाहरी EEPROM/SMBUS के माध्यम से समर्थित। |
|
एकल लेनदेन अनुवादक |
सभी डाउनस्ट्रीम पोर्ट के लिए एक ही टीटी नियंत्रण तर्क साझा करता है
उपकरण (लागत प्रभावी समाधान)। |
|
पारलौकिक एकीकरण |
USB 2.0 ट्रांसीवर को एकीकृत करता है। |
|
आउटपुट ड्राइवर |
ईएमआई में कमी के लिए स्लीव-रेट नियंत्रण के साथ सुधार। |
|
शक्ति प्रबंध |
अंतर्निहित 5V से 3.3V नियामक। |
|
शक्ति का पता लगाना |
ईएसडी रिकवरी के लिए आंतरिक पावर-फेल डिटेक्शन। |
|
पुल-अप/पुल-डाउन रेसिस्टर्स |
बिल्ट-इन अपस्ट्रीम 1.5Kω पुल-अप;डाउनस्ट्रीम 15k।
पुल-डाउन। |
|
पीएलएल |
अंतर्निहित पीएलएल बाहरी 12 मेगाहर्ट्ज क्रिस्टल/थरथरानवाला का समर्थन करता है
घड़ी इनपुट। |
|
धारावाहिक रोकनेवाला |
USB संकेतों के लिए एम्बेडेड सीरियल रेसिस्टर। |
|
कम बिजली का समर्थन |
चयनात्मक निलंबन, LPM L1 (EEPROM के माध्यम से) का समर्थन करता है। |
|
स्मार्ट पावर मोड |
बिजली प्रबंधन के व्यक्तिगत और गैंग मोड का समर्थन करता है
और ओवर-करंट डिटेक्शन। |
|
बस -शक्ति |
बस शक्ति आवश्यकताओं के अनुरूप;स्वत: स्विचिंग
स्व-संचालित और बस-संचालित मोड के बीच। |
|
डाउनस्ट्रीम पोर्ट कॉन्फ़िगरेशन लचीलापन |
SMBUS/EEPROM के माध्यम से कॉन्फ़िगर किया गया। |
|
यौगिक युक्ति समर्थन |
I/O स्ट्रैपिंग, SMBUS, या EEPROM द्वारा कॉन्फ़िगर करने योग्य। |
|
उपलब्ध पैकेज |
- 28-पिन QFN (5x5 मिमी) |
|
- 28-पिन SSOP (209 मिल) |
|
|
- 24-पिन QFN (4x4 मिमी)। |
• GL852G
• Fe1.1s
• PL2586


क्रिस्टल ऑसिलेटर और यूएसबी पोर्ट के अलावा, GL850G USB हब कंट्रोलर को अपनी बिजली की आपूर्ति की उचित फ़िल्टरिंग और स्थिरता सुनिश्चित करने के लिए एक आउटपुट संधारित्र की आवश्यकता होती है।इसके अलावा, पुल-अप रेसिस्टर्स कॉन्फ़िगरेशन पिन के लिए उचित वोल्टेज स्तर बनाए रखने और विश्वसनीय संचालन को सक्षम करने के लिए उपयोगी हैं।
GL850G इलेक्ट्रॉनिक उपकरणों की एक विस्तृत श्रृंखला में अनुकूलनशीलता को प्रदर्शित करता है, जिसमें स्टैंडअलोन यूएसबी हब, कंप्यूटर, टैबलेट, मदरबोर्ड, डॉकिंग स्टेशन, गेमिंग कंसोल और एलसीडी मॉनिटर शामिल हैं।परिष्कृत USB कार्यक्षमता के लिए इसका असाधारण समर्थन विभिन्न पहलुओं में आपके अनुभव को समृद्ध करता है।
USB HUB में GL850G को शामिल करने से आपको कनेक्टिविटी बढ़ाई जाती है, जिससे सुचारू डेटा ट्रांसफर और पावर डिलीवरी सुनिश्चित होती है, और कम केबल अव्यवस्था और बढ़ी हुई कार्यक्षेत्र दक्षता की इच्छा के लिए खानपान होता है।इस तरह की तकनीक को दैनिक वातावरण में एकीकृत करना अधिक एर्गोनोमिक और सुव्यवस्थित सेटिंग्स की ओर एक कदम का संकेत देता है।
कंप्यूटर और टैबलेट के लिए, GL850G चिप डेटा ट्रांसफर दरों का अनुकूलन करता है, अनुप्रयोगों और डेटा-भारी कार्यों की मांग में डिवाइस के प्रदर्शन को बढ़ाता है।इस तरह का एकीकरण बेहतर मल्टीटास्किंग और परिचालन प्रभावशीलता के लिए क्षमता का पोषण करता है।आप अक्सर पा सकते हैं कि डेटा ट्रांसमिशन में मामूली सुधार उनके अनुभव और संतुष्टि को बहुत प्रभावित कर सकते हैं।
जब मदरबोर्ड पर लागू होता है, तो घटकों के बीच GL850G चिपसेट फाइन-ट्यून्स संचार, सिस्टम जवाबदेही और दक्षता को बढ़ावा देता है।यह अनुकूलन आपको उच्च-प्रदर्शन कार्यों को बनाए रखने में आपका समर्थन करता है, व्यक्तिगत उपयोग और व्यावसायिक वातावरण दोनों को लाभान्वित करता है जहां भरोसेमंद प्रदर्शन अत्यधिक मूल्यवान है।
डॉकिंग स्टेशनों में, GL850G कनेक्टिविटी का विस्तार करने और एक साथ परिधीय कनेक्शन को सक्षम करने में सक्रिय भूमिका निभाता है।यह नवाचार पोर्टेबल उपकरणों को व्यापक डेस्कटॉप कॉन्फ़िगरेशन के साथ प्रभावी ढंग से जोड़कर लचीले कार्यक्षेत्रों की आवश्यकता को संबोधित करता है।
गेमिंग कंसोल में चिपसेट का उपयोग करने से तरल डेटा एक्सचेंज और परिधीय समर्थन सुनिश्चित होता है, जो आपकी सगाई को समृद्ध करता है।यह प्रदर्शन पर ध्यान केंद्रित गेमिंग रोमांच के लिए उपभोक्ता अपेक्षाओं के साथ संरेखित करता है, जहां भी छोटे संवर्द्धन का एक उल्लेखनीय प्रभाव हो सकता है।
LCD मॉनिटर में GL850G का एकीकरण USB पोर्ट के कुशल संचालन की सुविधा देता है, क्लीनर सेटअप को बढ़ावा देता है और अतिरिक्त एडेप्टर के लिए आवश्यकता को दूर करता है।ये प्रगति एक गहरी जागरूकता के साथ संरेखित करती है कि कैसे दृश्य स्पष्टता और कनेक्टिविटी उत्पादकता और संतोष को बढ़ावा देती है।

कृपया एक जांच भेजें, हम तुरंत जवाब देंगे।
2024/12/17 पर
2024/12/17 पर
8000/04/18 पर 147757
2000/04/18 पर 111935
1600/04/18 पर 111349
0400/04/18 पर 83719
1970/01/1 पर 79508
1970/01/1 पर 66902
1970/01/1 पर 63025
1970/01/1 पर 63010
1970/01/1 पर 54081
1970/01/1 पर 52121