
EPF10K30AFC484-1 एक फ़ील्ड प्रोग्रामेबल गेट ऐरे है जिसका उपयोग एम्बेडेड इलेक्ट्रॉनिक सिस्टम में कॉन्फ़िगर करने योग्य डिजिटल लॉजिक को लागू करने के लिए किया जाता है।डिवाइस में प्रोग्रामयोग्य तर्क तत्व, आंतरिक मेमोरी ब्लॉक और रूटिंग संसाधन शामिल हैं जो एक ही घटक के भीतर कस्टम डिजिटल फ़ंक्शन बनाने की अनुमति देते हैं।इसकी आंतरिक संरचना इलेक्ट्रॉनिक उपकरणों की एक विस्तृत श्रृंखला में नियंत्रण तर्क, डेटा हैंडलिंग और इंटरफ़ेस प्रबंधन का समर्थन करती है।डिवाइस 4.75 V से 5.25 V आपूर्ति रेंज तक संचालित होता है और 246 प्रोग्रामयोग्य इनपुट और आउटपुट कनेक्शन प्रदान करता है।पैकेज कॉम्पैक्ट सिस्टम डिज़ाइन में सतह पर लगे सर्किट बोर्ड के लिए उपयुक्त 484 बॉल फाइन पिच बीजीए प्रारूप का उपयोग करता है।
EPF10K30AFC484-1 खोज रहे हैं?वर्तमान स्टॉक, लीड समय और मूल्य निर्धारण की जांच के लिए हमसे संपर्क करें।

पैकेज लेआउट दर्शाता है कि कैसे FLEX 10K परिवार के उपकरण विभिन्न पैकेज आकारों में एक सुसंगत बॉल ग्रिड संरचना साझा करते हैं।484 पिन फाइनलाइन बीजीए पैकेज के लिए डिज़ाइन किया गया एक मुद्रित सर्किट बोर्ड फ़ुटप्रिंट समान बाहरी बॉल स्थिति को बनाए रखते हुए विभिन्न I/O गणना वाले उपकरणों का समर्थन करता है।आरेख 256 पिन फाइनलाइन बीजीए डिवाइस और 484 पिन फाइनलाइन बीजीए डिवाइस की तुलना करता है, जहां छोटा पैकेज समान बोर्ड लेआउट के साथ संरेखण रखते हुए कम संख्या में सक्रिय कनेक्शन का उपयोग करता है।यह व्यवस्था बड़े पैकेज के लिए डिज़ाइन किए गए सर्किट बोर्डों को डिवाइस के छोटे संस्करणों को समायोजित करने की अनुमति देती है जब कम इनपुट या आउटपुट सिग्नल या तर्क संसाधनों की आवश्यकता होती है।
डिवाइस एक प्रोग्रामेबल लॉजिक संरचना को एकीकृत करता है जो इंस्टॉलेशन के बाद डिजिटल सर्किट को कॉन्फ़िगर करने की अनुमति देता है।डिज़ाइनर आंतरिक तर्क तत्वों के बीच कनेक्शन को परिभाषित करके चिप के अंदर नियंत्रण तर्क, सिग्नल रूटिंग और प्रसंस्करण कार्यों को लागू कर सकते हैं।
कुल 1728 तर्क तत्वों को कई तर्क सरणी ब्लॉकों में व्यवस्थित किया गया है जो आंतरिक प्रसंस्करण संरचना बनाते हैं।प्रत्येक तर्क तत्व अंकगणित, संयोजन तर्क, या भंडारण संचालन कर सकता है, जिससे डिवाइस को डिजिटल सर्किट डिजाइनों की एक विस्तृत श्रृंखला का समर्थन करने की अनुमति मिलती है।
डिवाइस में समर्पित सरणी ब्लॉकों में व्यवस्थित 12288 बिट्स की आंतरिक मेमोरी शामिल है।ये ब्लॉक ऑन चिप डेटा स्टोरेज प्रदान करते हैं जिन्हें अस्थायी बफरिंग, लुकअप टेबल या डिजिटल सिस्टम द्वारा उपयोग किए जाने वाले छोटे मेमोरी फ़ंक्शंस के लिए कॉन्फ़िगर किया जा सकता है।
246 तक प्रोग्राम योग्य इनपुट और आउटपुट कनेक्शन डिवाइस को बाहरी घटकों के साथ संचार करने की अनुमति देते हैं।ये कनेक्शन द्विदिश सिग्नल पथों का समर्थन करते हैं और इन्हें विभिन्न डिजिटल इंटरफ़ेस आवश्यकताओं के लिए कॉन्फ़िगर किया जा सकता है।
पंक्ति और स्तंभ इंटरकनेक्ट पथों द्वारा गठित रूटिंग संरचना का उपयोग करके सिग्नल डिवाइस के माध्यम से चलते हैं।यह आंतरिक नेटवर्क प्रोग्रामयोग्य सरणी में लॉजिक ब्लॉक, मेमोरी क्षेत्र और इनपुट आउटपुट पिन के बीच डेटा वितरित करता है।
यह उपकरण 4.75 V से 5.25 V आपूर्ति रेंज तक संचालित होता है जो कई डिजिटल इलेक्ट्रॉनिक प्रणालियों के साथ संरेखित होता है।यह वोल्टेज रेंज निरंतर सिस्टम संचालन के दौरान विश्वसनीय सिग्नल व्यवहार का समर्थन करती है।
व्यावसायिक तापमान वाले वातावरण के लिए डिज़ाइन किया गया यह उपकरण 0°C से 70°C के तापमान रेंज में कार्य करता है।यह ऑपरेटिंग विंडो इनडोर इलेक्ट्रॉनिक उपकरण और नियंत्रित सिस्टम वातावरण का समर्थन करती है।
घटक को 484 बॉल फाइन पिच बीजीए पैकेज में रखा गया है, जिसकी माप लगभग 23 गुणा 23 मिलीमीटर है।यह प्रारूप मल्टीलेयर मुद्रित सर्किट बोर्डों पर स्थिर विद्युत कनेक्शन बनाए रखते हुए सघन सर्किट लेआउट का समर्थन करता है।
| उत्पाद गुण | गुण मान |
| निर्माता | अल्टेरा (इंटेल) |
| वोल्टेज - आपूर्ति | 4.75V ~ 5.25V |
| कुल RAM बिट्स | 12288 |
| आपूर्तिकर्ता डिवाइस पैकेज | 484-एफबीजीए (23x23) |
| शृंखला | फ्लेक्स-10KA® |
| पैकेज/केस | 484-बीबीजीए |
| पैकेज | थोक |
| परिचालन तापमान | 0°C ~ 70°C (TA) |
| तर्क तत्वों/कोशिकाओं की संख्या | 1728 |
| प्रयोगशालाओं/सीएलबी की संख्या | 216 |
| आई/ओ की संख्या | 246 |
| गेटों की संख्या | 69000 |
| बढ़ते प्रकार | सतही माउंट |
| RoHS स्थिति | RoHS गैर-अनुपालक |
| नमी संवेदनशीलता स्तर (एमएसएल) | 3 (168 घंटे) |
| पहुंच स्थिति | अप्रभावित पहुंचें |
| ईसीसीएन | 3ए991डी |
| एचटीएसयूएस | 8542.39.0001 |

आंतरिक लेआउट लॉजिक ऐरे ब्लॉक के ग्रिड में प्रोग्रामयोग्य लॉजिक को व्यवस्थित करता है जिसमें डिजिटल सर्किट बनाने के लिए उपयोग किए जाने वाले कई लॉजिक तत्व होते हैं।एंबेडेड ऐरे ब्लॉक ऐरे के भीतर दिखाई देते हैं और समर्पित मेमोरी संसाधन प्रदान करते हैं जो डिवाइस ऑपरेशन के दौरान डेटा संग्रहीत करते हैं।पंक्ति और स्तंभ इंटरकनेक्ट के रूप में लेबल किए गए क्षैतिज और ऊर्ध्वाधर रूटिंग चैनल आंतरिक सिग्नल नेटवर्क बनाते हैं जो तर्क ब्लॉक और मेमोरी क्षेत्रों को जोड़ता है।इनपुट और आउटपुट तत्व डिवाइस के बाहरी किनारों के आसपास स्थित होते हैं, जो आंतरिक तर्क और बाहरी पिन के बीच विद्युत इंटरफ़ेस बनाते हैं।प्रत्येक लॉजिक ऐरे ब्लॉक के अंदर स्थानीय इंटरकनेक्ट पथ आस-पास के लॉजिक तत्वों को संकेतों का त्वरित आदान-प्रदान करने की अनुमति देते हैं, जबकि बड़ी रूटिंग संरचना पूरे प्रोग्राम योग्य ऐरे में सिग्नल वितरित करती है।

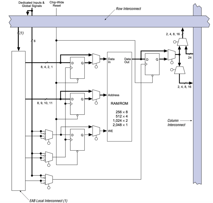
प्रोग्रामयोग्य सरणी के अंदर मेमोरी संरचना में एक एंबेडेड ऐरे ब्लॉक होता है जो एफपीजीए फैब्रिक के भीतर समर्पित भंडारण प्रदान करता है।ब्लॉक 256 × 8, 512 × 4, 1,024 × 2, और 2,048 × 1 सहित कॉन्फ़िगर करने योग्य मेमोरी आकारों का समर्थन करता है, जो डिज़ाइन के आधार पर लचीली डेटा चौड़ाई और गहराई की व्यवस्था की अनुमति देता है।डेटा इनपुट, डेटा आउटपुट, पता चयन, और लेखन सक्षम पथ मेमोरी सेल को आंतरिक रजिस्टरों के माध्यम से आसपास के तर्क से जोड़ते हैं और मल्टीप्लेक्सर्स को नियंत्रित करते हैं।स्थानीय इंटरकनेक्ट लाइनें पास के लॉजिक एरे ब्लॉक से सिग्नल को सीधे मेमोरी इंटरफ़ेस में रूट करती हैं, जबकि पंक्ति और कॉलम इंटरकनेक्ट चैनल ब्लॉक को पूरे डिवाइस में व्यापक रूटिंग नेटवर्क से जोड़ते हैं।समर्पित इनपुट पथ और वैश्विक नियंत्रण सिग्नल समय और सिंक्रनाइज़ेशन का प्रबंधन करते हैं ताकि संग्रहीत डेटा को एफपीजीए के भीतर प्रोग्रामयोग्य तर्क तत्वों द्वारा एक्सेस किया जा सके।
डिवाइस स्वचालित उपकरण के भीतर डिजिटल नियंत्रण कार्यों का प्रबंधन कर सकता है।प्रोग्रामयोग्य तर्क सिस्टम डिजाइनरों को औद्योगिक मशीनों और उत्पादन प्रणालियों के भीतर समय नियंत्रण, सेंसर प्रसंस्करण और एक्चुएटर समन्वय को लागू करने की अनुमति देता है।
एंबेडेड तर्क संसाधन और आंतरिक मेमोरी डिवाइस को सिग्नल हेरफेर और फ़िल्टरिंग कार्यों का समर्थन करने की अनुमति देते हैं।इसका उपयोग उन प्रणालियों में किया जा सकता है जो नमूना डेटा स्ट्रीम को संसाधित करते हैं, जहां डिजिटल संचालन पूर्वानुमानित समय अंतराल में होना चाहिए।
संचार उपकरण को अक्सर प्रोटोकॉल हैंडलिंग और सिग्नल रूटिंग को प्रबंधित करने के लिए कॉन्फ़िगर करने योग्य तर्क की आवश्यकता होती है।डिवाइस नेटवर्किंग उपकरण के भीतर संचार चैनलों और डिजिटल प्रोसेसिंग इकाइयों के बीच डेटा पथों का समन्वय कर सकता है।
इलेक्ट्रॉनिक माप प्रणालियाँ कई सेंसरों से सिग्नल एकत्र करती हैं और उन्हें डिजिटल डेटा स्ट्रीम में परिवर्तित करती हैं।डिवाइस निगरानी और माप के लिए उपयोग किए जाने वाले सिस्टम में सिग्नल टाइमिंग, बफरिंग और इंटरफ़ेस नियंत्रण का प्रबंधन कर सकता है।
नेटवर्क इंटरफ़ेस उपकरण पैकेट हैंडलिंग और आंतरिक सिग्नल समन्वय को प्रबंधित करने के लिए प्रोग्रामयोग्य तर्क का उपयोग करता है।डिवाइस प्रोसेसिंग इकाइयों और बाहरी संचार इंटरफेस के बीच डेटा पथ व्यवस्थित कर सकता है।
डिजिटल सर्किट डिज़ाइन का परीक्षण और मूल्यांकन करने के लिए विकास प्रणालियाँ अक्सर प्रोग्रामयोग्य तर्क उपकरणों का उपयोग करती हैं।डिवाइस इंजीनियरों और डेवलपर्स को निश्चित हार्डवेयर कार्यान्वयन के लिए डिज़ाइन करने से पहले सिस्टम व्यवहार को सत्यापित करने की अनुमति देता है।
• उच्च I/O पिन गणना जटिल प्रणालियों में कई बाहरी घटकों के साथ कनेक्शन को सक्षम बनाती है
• बड़ी संख्या में तर्क तत्व परिष्कृत डिजिटल लॉजिक सर्किट के कार्यान्वयन की अनुमति देते हैं
• एंबेडेड रैम आंतरिक डेटा बफ़रिंग और मेमोरी संचालन का समर्थन करता है
• प्रोग्रामयोग्य आर्किटेक्चर हार्डवेयर लेआउट को संशोधित किए बिना डिज़ाइन में बदलाव की अनुमति देता है
• सरफेस माउंट एफबीजीए पैकेज कॉम्पैक्ट सर्किट बोर्ड एकीकरण का समर्थन करता है
• कस्टम हार्डवेयर त्वरण और समानांतर तर्क प्रसंस्करण के लिए उपयुक्त
• विशेष FPGA विकास उपकरण और हार्डवेयर डिज़ाइन ज्ञान की आवश्यकता है
• छोटे प्रोग्रामयोग्य लॉजिक उपकरणों की तुलना में अधिक बिजली की खपत
• आधुनिक एफपीजीए आर्किटेक्चर की तुलना में कम दक्षता वाला पुराना एफपीजीए परिवार
• शुरुआती लोगों के लिए विकास और डिबगिंग प्रक्रिया जटिल हो सकती है
| भाग संख्या | निर्माता | मुख्य विशेषताएं | केस/नोट्स का प्रयोग करें |
| EPF10K30AFC484-2 | इंटेल | लगभग 1,728 तर्क तत्वों और 12,288 बिट एम्बेडेड रैम के साथ फ्लेक्स-10केए एफपीजीए परिवार का सदस्य।246 I/O पिन तक प्रदान करता है और 5 V आपूर्ति रेंज का समर्थन करता है।यह उपकरण डिजाइनरों को एकल एकीकृत सर्किट के अंदर प्रोग्रामयोग्य डिजिटल लॉजिक कार्यों को लागू करने की अनुमति देता है। | आमतौर पर औद्योगिक नियंत्रण प्रणालियों, दूरसंचार हार्डवेयर और एम्बेडेड कंप्यूटिंग प्लेटफार्मों में उपयोग किया जाता है जहां कस्टम डिजिटल प्रोसेसिंग के लिए कॉन्फ़िगर करने योग्य तर्क की आवश्यकता होती है। |
| EPF10K30AFC484-3 | इंटेल | प्रोग्राम योग्य लॉजिक ब्लॉक, आंतरिक रैम संसाधनों और एक उच्च पिन-गिनती इंटरफ़ेस के साथ FLEX-10KA आर्किटेक्चर पर आधारित FPGA डिवाइस।यह डिज़ाइनरों को कस्टम ASIC बनाए बिना डिजिटल सर्किट कॉन्फ़िगर करने में सक्षम बनाता है। | अक्सर संचार उपकरण, सिग्नल प्रोसेसिंग बोर्ड और प्रोटोटाइप डिजिटल सिस्टम में उपयोग किया जाता है जहां विकास के दौरान हार्डवेयर लचीलेपन की आवश्यकता होती है। |
| EPF10K30AFC484-3 | अल्टेरा | FLEX-10KA श्रृंखला से उच्च घनत्व प्रोग्रामयोग्य लॉजिक डिवाइस, जो कॉन्फ़िगर करने योग्य लॉजिक सेल, एम्बेडेड मेमोरी ब्लॉक और लचीले रूटिंग संसाधनों का संयोजन है।आर्किटेक्चर बड़ी गेट क्षमता वाले जटिल डिजिटल डिज़ाइन का समर्थन करता है। | दूरसंचार प्रणालियों, एम्बेडेड प्रोसेसिंग हार्डवेयर और कस्टम डिजिटल नियंत्रण बोर्डों के लिए उपयुक्त जहां प्रोग्रामयोग्य तर्क निश्चित हार्डवेयर सर्किट की जगह लेता है। |
अल्टेरा एक सेमीकंडक्टर कंपनी थी जो डिजिटल इलेक्ट्रॉनिक सिस्टम में उपयोग किए जाने वाले प्रोग्रामेबल लॉजिक उपकरणों को डिजाइन करने के लिए जानी जाती थी।कंपनी ने संचार, कंप्यूटिंग, औद्योगिक उपकरण और एम्बेडेड प्लेटफार्मों में उपयोग किए जाने वाले फील्ड प्रोग्रामेबल गेट एरेज़ और प्रोग्रामेबल लॉजिक घटकों की एक विस्तृत श्रृंखला विकसित की है।इसके उत्पादों ने डिजाइनरों को कस्टम डिजिटल सर्किट बनाने की अनुमति दी जिन्हें निर्माण के बाद पुन: कॉन्फ़िगर किया जा सकता है।अल्टेरा ने MAX, FLEX और Stratix उपकरणों सहित कई प्रोग्रामयोग्य तर्क परिवार पेश किए जो इलेक्ट्रॉनिक डिजाइन में व्यापक रूप से उपयोग किए गए।कंपनी बाद में इंटेल का हिस्सा बन गई, जहां डेटा प्रोसेसिंग, नेटवर्किंग सिस्टम और एम्बेडेड डिजिटल प्लेटफॉर्म के लिए इसकी प्रोग्रामेबल लॉजिक तकनीक विकसित की जा रही है।
EPF10K30AFC484-1 को समझने से आपको यह देखने में मदद मिलती है कि प्रोग्रामयोग्य तर्क जटिल डिजिटल सिस्टम को कैसे सरल बना सकता है।यह डिवाइस कॉन्फ़िगर करने योग्य तर्क तत्वों, आंतरिक मेमोरी और लचीली रूटिंग को जोड़ती है ताकि आप एक ही घटक के अंदर कस्टम तर्क फ़ंक्शन बना सकें।आपने यह भी देखा कि कैसे इसकी पैकेज संरचना, डिवाइस आर्किटेक्चर और एम्बेडेड मेमोरी ब्लॉक एक सर्किट में विश्वसनीय डेटा मूवमेंट का समर्थन करते हैं।इसके अनुप्रयोगों में औद्योगिक नियंत्रण, सिग्नल प्रोसेसिंग, संचार उपकरण और सिस्टम प्रोटोटाइप शामिल हैं।इसकी विशेषताओं और डिज़ाइन संरचना की समीक्षा करके, आप एक स्पष्ट विचार प्राप्त कर सकते हैं कि यह FPGA अनुकूलनीय और कुशल इलेक्ट्रॉनिक सिस्टम विकास का समर्थन कैसे कर सकता है।
कृपया एक जांच भेजें, हम तुरंत जवाब देंगे।
EPF10K30AFC484-1 एक फ़ील्ड प्रोग्रामयोग्य गेट ऐरे है जो अनुमति देता है डिवाइस स्थापित होने के बाद डिजिटल लॉजिक सर्किट को कॉन्फ़िगर किया जाना चाहिए एक प्रणाली.
डिवाइस 246 प्रोग्रामेबल इनपुट और आउटपुट को सपोर्ट करता है कनेक्शन जो बाहरी घटकों के साथ संचार की अनुमति देते हैं सर्किट.
यह उपकरण 4.75 V से 5.25 V की आपूर्ति वोल्टेज सीमा के भीतर संचालित होता है, जो कई डिजिटल इलेक्ट्रॉनिक प्रणालियों के साथ संरेखित होता है।
डिवाइस में एम्बेडेड मेमोरी ब्लॉक शामिल हैं जो 12,288 बिट्स प्रदान करते हैं डेटा को बफ़र करने और आंतरिक तर्क संचालन का समर्थन करने के लिए भंडारण का।
इसका उपयोग अक्सर औद्योगिक नियंत्रण प्रणालियों, संचार में किया जाता है उपकरण, डेटा अधिग्रहण हार्डवेयर, और डिजिटल सिस्टम प्रोटोटाइप प्लेटफार्म.
2026/03/13 पर
2026/03/13 पर
8000/04/18 पर 147757
2000/04/18 पर 111936
1600/04/18 पर 111349
0400/04/18 पर 83721
1970/01/1 पर 79508
1970/01/1 पर 66909
1970/01/1 पर 63046
1970/01/1 पर 63012
1970/01/1 पर 54081
1970/01/1 पर 52127