
Ad9361 एक बहुमुखी आरएफ एजाइल ट्रांसीवर के रूप में खड़ा है, जो समकालीन 3 जी और 4 जी बेस स्टेशन उद्यमों के लिए सिलवाया गया है।70MHz से 6.0GHz से एक विस्तृत आवृत्ति स्पेक्ट्रम को कवर करते हुए, यह विभिन्न वायरलेस संचार मांगों के साथ अपनी बहुमुखी प्रतिभा और संरेखण दिखाता है।लचीले बेसबैंड और आवृत्ति सिंथेसाइज़र के साथ एक आरएफ फ्रंट एंड के एकीकरण के साथ, डिजाइन को सुव्यवस्थित किया जाता है, जो प्रोसेसर के लिए एक डिजिटल इंटरफ़ेस पेश करता है।यह कुशल पैकेज, 10 मिमी × 10 मिमी, 144-गेंद CSP_BGA में संलग्न है, उन अनुप्रयोगों को पूरा करता है जहां अंतरिक्ष एक प्रीमियम पर है।एक व्यापक आवृत्ति स्पेक्ट्रम को शामिल करते हुए, AD9361 बेस स्टेशनों और अत्याधुनिक वायरलेस सिस्टम सहित ट्रांसीवर अनुप्रयोगों की एक भीड़ का समर्थन करता है।इसकी प्रोग्राम योग्य प्रकृति डिवाइस को सटीक विनिर्देशों के लिए अनुकूलित करने, विकास प्रक्रिया को बढ़ाने और प्रदर्शन को बढ़ावा देने के लिए सशक्त करती है।
चैनल बैंडविड्थ्स 200 kHz से 56MHz से नीचे तक फैला है, जिससे AD9361 अनुप्रयोगों के एक व्यापक स्पेक्ट्रम के लिए उपयुक्त है।यह बैंडविड्थ लचीलापन विभिन्न संचार मानदंडों के साथ सहज संरेखण के लिए अनुमति देता है, कुशल संसाधन प्रबंधन को बढ़ावा देता है।फ़ील्ड परीक्षण इस बात पर जोर देता है कि यह अनुकूलन क्षमता गतिशील वातावरण के लिए तेज और सटीक प्रतिक्रियाओं को कैसे सक्षम करती है।प्रोसेसर के साथ डिजिटल इंटरफेसिंग के लिए AD9361 की क्षमता RF डिजाइन में पारंपरिक चुनौतियों को कम करती है।एक इकाई में कई कार्यों को विलय करके, यह अतिरिक्त घटकों की आवश्यकता को कम कर देता है, समग्र सिस्टम डिजाइन को सुव्यवस्थित करता है।यह रणनीति अक्सर लागत को कम करने और विफलता बिंदुओं को कम करके निर्भरता बढ़ाने की क्षमता के लिए उद्योग मंचों के भीतर प्रशंसा प्राप्त करती है।



एनालॉग डिवाइसेस इंक के साथ -साथ एनालॉग डिवाइसेस इंक। AD9361BBCZ।
|
प्रकार |
पैरामीटर |
|
जीवनचक्र स्थिति |
उत्पादन (अंतिम अद्यतन: 2 सप्ताह पहले) |
|
संपर्क चढ़ाना |
तांबा, चांदी, टिन |
|
माउन्टिंग का प्रकार |
सतह पर्वत |
|
पिन की संख्या |
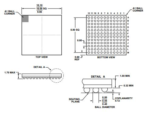
144 |
|
पैकेजिंग |
ट्रे |
|
Pbfree कोड |
नहीं |
|
नमी संवेदनशीलता स्तर (एमएसएल) |
3 (168 घंटे) |
|
ईसीसीएन कोड |
5A991.B |
|
टर्मिनल खत्म |
टिन/सिल्वर/कॉपर (एसएन/एजी/सीयू 0.5) |
|
टर्मिनल रूप |
गेंद |
|
कार्यों की संख्या |
1 |
|
टर्मिनल पिच |
0.8 मिमी |
|
आवृत्ति |
70MHz -6GHz |
|
आधार भाग संख्या |
Ad9361 |
|
प्रचालन आपूर्ति वोल्टेज |
1.3V |
|
पावर आउटपुट |
0.8MW |
|
सीरियल इंटरफेस |
एसपीआई |
|
वर्तमान - संचारण |
240ma ~ 800ma |
|
शोर -फिगर |
2.5 डीबी |
|
लंबाई |
10 मिमी |
|
SVHC तक पहुँचें |
कोई एसवीएचसी नहीं |
|
सीसा मुक्त |
इसमें लीड शामिल है |
|
फैक्टरी लीड टाइम |
8 सप्ताह |
|
पर्वत |
सतह पर्वत |
|
पैकेज / मामला |
144-LFBGA, CSPBGA |
|
परिचालन तापमान |
-40 ° C ~ 85 ° C |
|
JESD-609 कोड |
ई 1 |
|
भाग की स्थिति |
सक्रिय |
|
समाप्ति की संख्या |
144 |
|
प्रकार |
केवल TX-RX |
|
टर्मिनल स्थिति |
तल |
|
पीक रिफ्लो तापमान (CEL) |
260 |
|
वोल्टेज आपूर्ति |
1.3V |
|
गहराई |
10 मिमी |
|
समय@पीक रिफ्लो तापमान-मैक्स (एस) |
निर्दिष्ट नहीं है |
|
पिन काउंट |
144 |
|
शिष्टाचार |
लिटा |
|
आरएफ परिवार/मानक |
सेलुलर |
|
वर्तमान - प्राप्त करना |
175ma ~ 445ma |
|
रिसीवर की संख्या |
2 |
|
ऊंचाई |
1 मिमी |
|
चौड़ाई |
10 मिमी |
|
रोह्स स्टेटस |
ROHS आज्ञाकारी |

ट्रांसीवर दोनों टाइम डिवीजन डुप्लेक्स (टीडीडी) और फ्रीक्वेंसी डिवीजन डुप्लेक्स (एफडीडी) संचालन दोनों को समायोजित करता है, जो एक बहुमुखी दोहरे-मोड की पेशकश करता है।यह लचीलापन विविध संचार प्रणालियों में सहज एकीकरण की अनुमति देता है।दूरसंचार से लेकर सैन्य अनुप्रयोगों तक, यह अनुकूलन क्षमता विभिन्न चुनौतीपूर्ण वातावरणों में रणनीतियों को बढ़ाती है।
चैनल ट्यूनबिलिटी 200 kHz से 56 मेगाहर्ट्ज से कम तक फैला है, जो प्रभावशाली अनुकूलनशीलता की पेशकश करता है।यह विभिन्न आवृत्ति बैंडों में सिलवाया प्रदर्शन के लिए अनुमति देता है: संकीर्ण अनुप्रयोग, और वाइडबैंड अनुप्रयोग।LTE और 5G जैसी तकनीकें स्पेक्ट्रम दक्षता को अनुकूलित करने और हस्तक्षेप को कम करने के लिए इस ट्यूनबिलिटी का प्रभावी ढंग से उपयोग करती हैं, जो परिचालन प्रभावकारिता को बहुत बढ़ाती है।
उच्च रिसीवर संवेदनशीलता विश्वसनीय सिग्नल का पता लगाने में एक भूमिका निभाती है, विशेष रूप से चुनौतीपूर्ण परिस्थितियों में।यह सुविधा दूरदराज के क्षेत्रों और ग्रामीण क्षेत्रों में उपयोग की जाती है।इस तरह की संवेदनशीलता मजबूत कनेक्शन बनाए रखने के लिए फायदेमंद है, विशेष रूप से आपातकालीन सेवाओं या दूरस्थ स्वास्थ्य सेवा निगरानी जैसे क्षेत्रों में संचार के लिए अच्छा है।
AD9361 पॉइंट-टू-पॉइंट संचार प्रणालियों में एक कोर है, जिसे इसकी उल्लेखनीय अनुकूलनशीलता के लिए मनाया जाता है।आवृत्तियों और बैंडविथ्स के एक स्पेक्ट्रम के प्रबंधन में इसकी निपुणता इसे इन प्रणालियों के भीतर एक इष्टतम विकल्प प्रदान करती है।अन्य लोग अक्सर अपने एकीकरण की क्षमता को सुव्यवस्थित नेटवर्क बनाने की क्षमता का उपयोग करते हैं, जिससे लिंक की विश्वसनीयता और प्रदर्शन दोनों को बढ़ाया जाता है।संसाधनों का विवेकपूर्ण रूप से अनुकूलित करके, आप पॉइंट-टू-पॉइंट कनेक्टिविटी में सुधार देख सकते हैं।
बेस स्टेशनों के भीतर, AD9361 इसके लचीलापन और उत्कृष्ट प्रदर्शन मैट्रिक्स द्वारा प्रतिष्ठित है।यह मूल रूप से विभिन्न नेटवर्क मानकों के साथ एकीकृत होता है, उल्लेखनीय स्केलेबिलिटी और लचीलेपन की सुविधा देता है, दो पहलुओं को जो आधुनिक दूरसंचार बुनियादी ढांचे पर निर्भर करता है।कई के पास परिचालन दक्षता में लाभ होता है और AD9361 को उनके ढांचे में शामिल करके तैनाती व्यय में कमी होती है।
डिवाइस की बहुमुखी प्रतिभा भी सामान्य-उद्देश्य वाले रेडियो सिस्टम में चमकती है, जहां अनुकूलन और अनुकूलनशीलता की मांग अधिक है।अन्य लोग AD9361 की कई सिग्नल मार्गों को एक साथ प्रबंधित करने की क्षमता को महत्व देते हैं, जो अभिनव रेडियो समाधानों के लिए मार्ग प्रशस्त करते हैं।इस तरह का एकीकरण आज के हाइपर-कनेक्टेड वातावरण में बेहतर सिग्नल स्पष्टता और दक्षता प्राप्त करने में एक भूमिका निभाता है।

AD9361 ट्रांसमीटर मॉडल मूल रूप से डिजिटल अप-रूपांतरण, एनालॉग, और आरएफ फ्रंट-एंड फिल्टर को विभिन्न अनुप्रयोगों में कुशल संचार का समर्थन करने के लिए एकीकृत करता है, जिससे प्रौद्योगिकी और बातचीत की मांगों के बीच एक पुल बनाया जाता है।डिजिटल अप-कॉनवर्सन बेसबैंड सिग्नल को प्रभावी ट्रांसमिशन के लिए आवश्यक उच्च आवृत्तियों में बदल देता है।यह प्रक्रिया विकृति को कम करके सिग्नल अखंडता को संरक्षित करती है।डिजिटल सिग्नल प्रोसेसिंग का निरंतर विकास औद्योगिक जरूरतों से प्रेरित है, जो जटिल संचार प्रणालियों में सटीकता और विश्वसनीयता के लिए लक्ष्य है।एनालॉग और आरएफ फ्रंट-एंड फिल्टर अनावश्यक आवृत्तियों को समाप्त करके और शोर को कम करके संकेतों को शुद्ध करते हैं।वे विभिन्न दूरी पर स्पष्ट संचार सुनिश्चित करने में एक प्रमुख भूमिका निभाते हैं, उनकी दक्षता बार -बार वातावरण में साबित होती है।ये तत्व सिग्नल फिडेलिटी और सिस्टम प्रदर्शन को बढ़ाते हैं।
Nonlinearities और लाभ असंतुलन सिग्नल ट्रांसमिशन में चुनौतियों का सामना करते हैं।AD9361 ट्रांसमीटर मॉडल इन को संबोधित करने के लिए परिष्कृत एल्गोरिदम को नियुक्त करता है, जिससे शिखर प्रदर्शन को सक्षम किया जाता है।अनुभवजन्य सत्यापन और कठोर क्षेत्र परीक्षण में आधारित अभिनव रणनीतियों को निरंतर पैरामीटर समायोजन के लिए नियोजित किया जाता है।
समायोज्य क्षीणन विशिष्ट आवश्यकताओं के आधार पर अनुरूप संचरण विशेषताओं को सक्षम करते हुए, सिग्नल पावर के स्तर पर सटीक नियंत्रण की अनुमति देता है।यह अनुकूलनशीलता डेटा हानि या हस्तक्षेप को रोकती है, सिग्नल की ताकत को संतुलित करती है।यह दृष्टिकोण, व्यापक प्रतिक्रिया के आकार का, लचीला और लचीले संचार प्रणालियों के लिए समकालीन मांगों से मेल खाता है।विविध संचार प्लेटफार्मों में प्रभावी क्षीणन प्रबंधन प्रणाली अखंडता और दक्षता को बढ़ाता है।अनुकूलन योग्य सेटिंग्स विभिन्न परिचालन स्थितियों के साथ संरेखित करते हैं, जबकि गतिशील सेटिंग्स में फील्ड परीक्षण आधुनिक प्रणालियों में समायोज्य क्षीणन की भूमिका को रेखांकित करते हैं।

AD9361 रिसीवर की वास्तुकला अपने ट्रांसमीटर समकक्ष के साथ प्रतिध्वनित होती है, जो कि शोर नियंत्रण पर ध्यान केंद्रित करती है और एक व्यापक गतिशील रेंज को बनाए रखता है।इस सद्भाव में जटिल फ़िल्टरिंग और क्षीणन तकनीकों को लागू करना शामिल है, जिसका उद्देश्य सिग्नल शुद्धता की सुरक्षा करना है।शोर को कम करने से प्राप्त संकेतों की स्पष्टता बढ़ जाती है।आसपास के शोर से वांछित सिग्नल को अलग करने में उन्नत फिल्टर एड्स का उपयोग।इसके अलावा, अनुकूली फ़िल्टरिंग रणनीतियाँ शोर वातावरण को बदलने के लिए ऑन-द-फ्लाई समायोजन के लिए लचीलापन प्रदान करती हैं, जिससे स्थिरता में सुधार होता है।एक व्यापक गतिशील रेंज को बनाए रखना रिसीवर के प्रदर्शन के लिए अभिन्न है।स्वचालित लाभ नियंत्रण (AGC) सिस्टम रिसीवर को अलग -अलग सिग्नल की ताकत को समायोजित करने में सक्षम बनाता है, जिसका उद्देश्य डेटा परिशुद्धता को बढ़ाते हुए विरूपण को कम करना है।अन्य लोग आमतौर पर सिग्नल उत्कृष्टता को बनाए रखने के लिए जटिल वातावरण में एजीसी को लागू करते हैं।

एनालॉग डिवाइसों ने एनालॉग और डिजिटल सिग्नल प्रोसेसिंग में विलय करने में अपनी विशेषज्ञता के लिए मान्यता प्राप्त की है।यह ग्राउंडब्रेकिंग समाधान प्रदान करता है जो जटिल घटनाओं को व्यावहारिक विद्युत डेटा में अनुवाद करता है, आगे इलेक्ट्रॉनिक अनुप्रयोगों को आगे बढ़ाता है।गुणवत्ता और अग्रणी प्रौद्योगिकी के लिए कंपनी का समर्पण इसे उद्योग के विकास में सबसे आगे रखता है, जो सम्मान और प्रशंसा की भावना दोनों को प्राप्त करता है।AD9361 के माध्यम से, एनालॉग डिवाइस पारंपरिक सीमाओं को पार करने वाली प्रौद्योगिकियों को सशक्त बनाने में अपनी प्रभावशाली भूमिका पर प्रकाश डालते हैं।जैसे-जैसे उद्योग विकसित होते हैं, अनुकूलनीय और प्रभावी सिग्नल प्रोसेसिंग समाधानों की प्यास अनिवार्य रूप से बढ़ेगी, AD9361 भविष्य के नवाचार के लिए एक महत्वपूर्ण तत्व के रूप में खड़े होने के साथ, प्रत्याशा और आगे-सोच अन्वेषण की भावना को बढ़ावा देती है।
AD9361 को रेडियो आवृत्ति आवश्यकताओं की एक विस्तृत श्रृंखला की सेवा के लिए तैयार किया गया है, जो मॉड्यूलेशन और नेटवर्क अनुकूलनशीलता दोनों में मजबूत क्षमताओं की पेशकश करता है।अपने उच्च एकीकरण और उत्कृष्ट प्रदर्शन के साथ, यह समकालीन संचार ढांचे में मूल रूप से फिट बैठता है।व्यावहारिक रूप से, चिप विभिन्न कार्यात्मकताओं को एक ही पैकेज में एकीकृत करके डिजाइन प्रक्रियाओं को समेकित करने में मदद करता है।जटिलता में यह कमी सॉफ्टवेयर-परिभाषित रेडियो और MIMO सिस्टम जैसे उपकरणों में बेहतर विश्वसनीयता में योगदान देती है।इसका लचीलापन नेटवर्क मानकों को विकसित करने के लिए त्वरित समायोजन की आवश्यकता वाले परिदृश्यों में विशेष रूप से प्रभावशाली हो जाता है।
एक फुर्तीली ट्रांसीवर एक रेडियो फ्रीक्वेंसी फ्रंट-एंड को एक प्रोग्राम करने योग्य बेसबैंड के साथ विलय कर देता है, जो वर्तमान डिजिटल प्रोसेसर या फील्ड-प्रोग्रामेबल गेट सरणियों (FPGAs) के लिए डिजाइन प्रक्रियाओं की सुविधा देता है।ये ट्रांससीवर्स संचार प्रणालियों को क्राफ्टिंग और तैनाती करने में अक्षांश प्रदान करते हैं, विभिन्न संचार प्रोटोकॉल की मांगों को पूरा करने के लिए गतिशील पुनर्संरचना से गुजरने की उनकी क्षमता के लिए धन्यवाद।उदाहरण के लिए, नेटवर्क उपकरण निर्माताओं ने पाया कि वे तेजी से उत्पादों को बाजार में ला सकते हैं, हार्डवेयर परिवर्तनों के बजाय सॉफ्टवेयर अपडेट के माध्यम से ट्रांसीवर कार्यों को बदलकर अर्थव्यवस्था।
AD9361 एक विस्तृत आवृत्ति रेंज में कार्य करता है, 70 मेगाहर्ट्ज से 6 गीगाहर्ट्ज तक फैलता है, जो आरएफ ट्रांसीवर्स को क्राफ्टिंग के लिए एक सुव्यवस्थित विधि बनाता है।यह आवृत्ति सिंथेसाइज़र के साथ एक मिश्रित-सिग्नल बेसबैंड को शामिल करता है, जो इसे आवृत्ति बैंड के विविध स्पेक्ट्रम को कवर करने में सक्षम बनाता है।यह समेकन आवश्यक बाहरी भागों की संख्या को कम करने में मदद करता है, अधिक कॉम्पैक्ट और ऊर्जा-संरक्षण डिजाइनों को बढ़ावा देता है।इसकी विविध क्षमताओं को देखते हुए, AD9361 को विभिन्न क्षेत्रों में लागू किया जाता है, जैसे कि मोबाइल बेस स्टेशन और एयरोस्पेस तकनीक, जहां गतिशील और स्थिर वायरलेस संचार मूल्य रखता है।कई लोगों ने आवृत्ति में बदलाव के लिए जल्दी से अपना प्रवीणता का उल्लेख किया है और साथ ही कई चैनलों का समर्थन करते हुए, तकनीकी डोमेन को तेजी से प्रगति करने में उल्लेखनीय परिचालन लाभ प्रस्तुत करते हैं।
कृपया एक जांच भेजें, हम तुरंत जवाब देंगे।
2024/10/29 पर
2024/10/29 पर
8000/04/18 पर 147757
2000/04/18 पर 111935
1600/04/18 पर 111349
0400/04/18 पर 83719
1970/01/1 पर 79508
1970/01/1 पर 66901
1970/01/1 पर 63022
1970/01/1 पर 63010
1970/01/1 पर 54081
1970/01/1 पर 52121