
1N5822 एक Schottky डायोड अपने असाधारण रूप से कम फॉरवर्ड वोल्टेज ड्रॉप के लिए प्रसिद्ध है, जिससे यह उन अनुप्रयोगों के लिए एक अनुकूल विकल्प बन जाता है, जिन्हें कम वर्तमान स्तरों पर त्वरित स्विचिंग की आवश्यकता होती है।यह स्विच मोड पावर आपूर्ति और उच्च-आवृत्ति डीसी-टू-डीसी कन्वर्टर्स में एक लाभ प्रदान करता है, जहां दक्षता समग्र प्रणाली के प्रदर्शन को प्रभावित कर सकती है।DO-201AD पैकेज में संलग्न, यह डायोड अक्सर कम-वोल्टेज और उच्च-आवृत्ति संचालन में उपयोग किया जाता है, जिसमें कम-वोल्टेज इनवर्टर, फ्रीव्हीलिंग एप्लिकेशन, पोलरिटी प्रोटेक्शन और स्लीक बैटरी चार्जर जैसे उपयोग शामिल हैं।आसानी से राज्यों को संक्रमण करने की इसकी क्षमता कम से कम ऊर्जा हानि सुनिश्चित करती है, जिससे उस पर निर्भर प्रणालियों की दक्षता बढ़ जाती है।
व्यावहारिक अनुप्रयोगों में, 1N5822 का डिज़ाइन थर्मल अपव्यय को प्रबंधित करने की अपनी क्षमता में उत्कृष्टता प्राप्त करता है, जो अक्सर कॉम्पैक्ट सिस्टम में एक चुनौती है जो उच्च दक्षता की मांग करता है।यह निर्माण इसे विभिन्न परिस्थितियों में भरोसेमंद रूप से कार्य करने की अनुमति देता है, जिससे यह प्रोटोटाइप के लिए एक पसंदीदा विकल्प बन जाता है, जिसे बदलते वातावरण में स्थिर प्रदर्शन की आवश्यकता होती है।डायोड का कम फॉरवर्ड वोल्टेज पावर प्रिजर्वेशन का समर्थन करने में महत्वपूर्ण है, जो पोर्टेबल इलेक्ट्रॉनिक उपकरणों में ऊर्जा बनाए रखने के लिए ज्यादातर फायदेमंद है।
एक विश्लेषणात्मक दृष्टिकोण से, जबकि 1N5822 कम-वोल्टेज परिदृश्यों में चमकता है, यह सुनिश्चित करना बुनियादी है कि संपूर्ण सर्किटरी अपने कम-फॉरवर्ड वोल्टेज ड्रॉप के लाभों का शोषण करती है।सिस्टम के अन्य घटकों के साथ डायोड की विशेषताओं को अच्छी तरह से संरेखित करना डिवाइस के प्रदर्शन और स्थायित्व को काफी हद तक बढ़ा सकता है।डिजाइन क्षमताओं में गहराई से खोज करने से अत्याधुनिक अनुप्रयोगों में इस घटक की क्षमता का पूरी तरह से शोषण करने के लिए आगे की रणनीतियों को उजागर किया जा सकता है।

|
पिन नाम |
विवरण |
|
एनोड |
वर्तमान हमेशा एनोड के माध्यम से प्रवेश करता है |
|
कैथोड |
वर्तमान हमेशा कैथोड के माध्यम से बाहर निकलता है |



|
विशेषता |
विवरण |
|
बहुत छोटे चालन नुकसान |
चालन के दौरान ऊर्जा हानि को कम करता है |
|
नगण्य स्विचिंग हानि |
स्विचिंग के दौरान नुकसान को कम करता है |
|
बेहद तेजी से स्विचिंग |
तेजी से संक्रमण की अनुमति देता है |
|
कम फॉरवर्ड वोल्टेज ड्रॉप |
कम बिजली की हानि प्रदान करता है |
|
हिमस्खलन क्षमता निर्दिष्ट |
उच्च वोल्टेज की स्थिति का सामना करता है |
|
ओवरवॉल्टेज संरक्षण के लिए गार्ड रिंग |
ओवरवॉल्टेज क्षति से बचाता है |
|
उच्च -अग्रिम वृद्धि क्षमता |
उच्च वर्तमान वृद्धि को संभालता है |
|
उच्च आवृत्ति संचालन |
उच्च आवृत्ति अनुप्रयोगों के लिए उपयुक्त |
|
सोल्डर डुबकी 275 डिग्री सेल्सियस मैक्स।10 एस, प्रति JESD 22-B106 |
टांका लगाने की प्रक्रियाओं में स्थायित्व सुनिश्चित करता है |
|
प्रकार |
पैरामीटर |
|
फैक्टरी लीड टाइम |
6 सप्ताह |
|
पर्वत |
होल के माध्यम से |
|
माउन्टिंग का प्रकार |
होल के माध्यम से |
|
पैकेज / मामला |
DO-2011AD, अक्षीय |
|
पिन की संख्या |
2 |
|
वज़न |
4.535924G |
|
डायोड तत्व सामग्री |
सिलिकॉन |
|
तत्वों की संख्या |
1 |
|
पैकेजिंग |
टेप और बॉक्स (टीबी) |
|
JESD-609 कोड |
ई 3 |
|
भाग की स्थिति |
सक्रिय |
|
नमी संवेदनशीलता स्तर (एमएसएल) |
1 (असीमित) |
|
समाप्ति की संख्या |
2 |
|
ईसीसीएन कोड |
Ear99 |
|
टर्मिनल खत्म |
मैट टिन (एसएन) - annealed |
|
अधिकतम परिचालन तापमान |
150 ° C |
|
न्यूनतम संचालन तापमान |
-65 ° C |
|
अनुप्रयोग |
शक्ति |
|
अतिरिक्त विशेषता
|
नि: शुल्क व्हीलिंग डायोड |
|
एचटीएस कोड |
8541.10.00.80 |
|
समाई |
190pf |
|
वोल्टेज - रेटेड डीसी |
40V |
|
टर्मिनल रूप |
तार |
|
वर्तमान रेटिंग |
3 ए |
|
आधार भाग संख्या |
1N58 |
|
पिन काउंट |
2 |
|
विचारों में भिन्नता |
मानक |
|
तत्व विन्यास |
अकेला |
|
रफ़्तार |
तेजी से वसूली =< 500ns, > 200ma (IO) |
|
डायोड प्रकार |
schottky |
|
वर्तमान - रिवर्स लीकेज @ वीआर |
2ma @ 40v |
|
आउटपुट करेंट |
3 ए |
|
वोल्टेज - फॉरवर्ड (वीएफ) (अधिकतम) @ अगर |
525MV @ 3 ए |
|
केस कनेक्शन |
एकाकी |
|
आगे प्रवाह |
3 ए |
|
अधिकतम रिवर्स रिसाव करंट |
2ma |
|
ऑपरेटिंग तापमान - जंक्शन |
150 डिग्री सेल्सियस मैक्स |
|
अधिकतम वृद्धि वर्तमान |
80 ए |
|
आगे की वोल्टेज |
525MV |
|
अधिकतम रिवर्स वोल्टेज (डीसी) |
40V |
|
औसत सुधारा हुआ वर्तमान |
3 ए |
|
चरणों की संख्या |
1 |
|
पीक रिवर्स करंट |
2ma |
|
अधिकतम दोहराव रिवर्स वोल्टेज (वीआरआरएम) |
40V |
|
पीक नॉन-रीपेटिटिव सर्ज करंट |
80 ए |
|
अधिकतम फॉरवर्ड सर्ज करंट (IFSM) |
80 ए |
|
अधिकतम जंक्शन तापमान (टीजे) |
150 ° C |
|
ऊंचाई |
5.3 मिमी |
|
लंबाई |
9.5 मिमी |
|
चौड़ाई |
5.3 मिमी |
|
SVHC तक पहुँचें |
कोई एसवीएचसी नहीं |
|
विकिरण कठोरता |
नहीं |
|
रोह्स स्टेटस |
ROHS3 आज्ञाकारी |
|
सीसा मुक्त |
सीसा मुक्त |
|
भाग संख्या |
विवरण |
उत्पादक |
|
SR304HA0 डायोड |
रेक्टिफायर डायोड |
ताइवान सेमीकंडक्टर मैन्युफैक्चरिंग कंपनी लिमिटेड |
|
SR304HB0 डायोड |
रेक्टिफायर डायोड |
ताइवान सेमीकंडक्टर मैन्युफैक्चरिंग कंपनी लिमिटेड |
|
SR340 डायोड |
रेक्टिफायर डायोड |
चांगझौ स्टार्सिया इलेक्ट्रॉनिक्स कंपनी लिमिटेड |
|
SR304A0 डायोड |
3 ए, 40 वी, सिलिकॉन, रेक्टिफायर डायोड, डीओ -201AD, आरओएचएस
आज्ञाकारी, प्लास्टिक पैकेज -2 |
ताइवान सेमीकंडक्टर मैन्युफैक्चरिंग कंपनी लिमिटेड |
|
SR304HX0 डायोड |
रेक्टिफायर डायोड |
ताइवान सेमीकंडक्टर मैन्युफैक्चरिंग कंपनी लिमिटेड |
|
1N5822_R2_00001 |
रेक्टिफायर डायोड, शोट्की, 1 चरण, 1 तत्व, 3 ए, 40 वी
(वीआरआरएम), सिलिकॉन, डीओ -201AD |
पंजित अर्धचालक |
|
1N5822_AY_00001 |
रेक्टिफायर डायोड, शोट्की, 1 चरण, 1 तत्व, 3 ए, 40 वी
(वीआरआरएम), सिलिकॉन, डीओ -201AD |
पंजित अर्धचालक |
|
SR304X0G डायोड |
रेक्टिफायर डायोड, शोट्की, 1 चरण, 1 तत्व, 3 ए, 40 वी
(वीआरआरएम), सिलिकॉन, डीओ -201AD, ग्रीन, प्लास्टिक पैकेज -2 |
ताइवान सेमीकंडक्टर मैन्युफैक्चरिंग कंपनी लिमिटेड |
|
1N5822_AY_10001 |
रेक्टिफायर डायोड, शोट्की, 1 चरण, 1 तत्व, 3 ए, 40 वी
(वीआरआरएम), सिलिकॉन, डीओ -201AD |
पंजित अर्धचालक |
|
1N5822-T3 |
रेक्टिफायर डायोड, शोट्की, 1 चरण, 1 तत्व, 3 ए, 40 वी
(वीआरआरएम), सिलिकॉन, डीओ -201AD, प्लास्टिक पैकेज -2 |
Sangdest Microelectronics (Nanjing) Co Ltd |
समकालीन इलेक्ट्रॉनिक फ्रेमवर्क में, 1N5822 Schottky डायोड कम फॉरवर्ड वोल्टेज ड्रॉप और रैपिड स्विचिंग क्षमताओं जैसी विशेषताओं के कारण गतिशील भूमिका निभाता है, कम-वोल्टेज और ऊर्जा-बचत कार्यों के लिए इसकी उपयुक्तता को आकार देता है।ये सुविधाएँ बिजली के नुकसान और गर्मी उत्पादन को कम करके पावर रेक्टिफिकेशन, वोल्टेज क्लैम्पिंग और प्रोटेक्शन सर्किट से जुड़े अनुप्रयोगों में महत्वपूर्ण योगदान देती हैं।न्यूनतम ऊर्जा हानि के साथ उच्च वर्तमान घनत्वों को संभालने से सर्किट प्रदर्शन को बहुत प्रभावित किया जा सकता है, जिससे डिजाइन दृष्टिकोणों में सावधानीपूर्वक ध्यान दिया जा सकता है।
निम्न सर्किट एक 3.7V बैटरी द्वारा संचालित एलईडी को सक्रिय करने के लिए 1N5822 डायोड के आगे के पूर्वाग्रह को दिखाता है, जो कम-वोल्टेज परिदृश्यों में इसकी प्रभावशीलता को प्रदर्शित करता है।Schottky डायोड इनपुट वोल्टेज के स्तर को बनाए रखने और डायोड में ऊर्जा अपव्यय को कम करने के लिए इष्ट हैं, इस प्रकार लंबे समय तक बैटरी जीवन और इष्टतम एलईडी प्रदर्शन को बढ़ावा देते हैं।Schottky डायोड का उपयोग करते समय थर्मल प्रबंधन और लोड की स्थिति जैसे कारकों का उपयोग किया जाता है।पर्याप्त गर्मी अपव्यय उपयुक्त गर्मी सिंक या थर्मल पैड के माध्यम से प्रबंधनीय है।एक वर्तमान रेटिंग के साथ एक डायोड का चयन करना जो सर्किट की मांगों से मेल खाता है, समय से पहले टूटने से बचने और विश्वसनीयता को बढ़ाने में मदद करता है।इन रणनीतियों को शामिल करने से सर्किट लचीलापन बढ़ जाता है और घटक स्थायित्व को बढ़ाता है।

1N5822 के लाभों को अधिकतम करने के लिए सटीकता के साथ विचारशील सर्किट एकीकरण की आवश्यकता होती है।बिजली की आपूर्ति के करीब डायोड को सिट करने से सर्किट दक्षता को बढ़ाता है।प्रतिक्रिया तंत्र को कॉन्फ़िगर करना पूर्वाग्रह की स्थिति को तरल रूप से अनुकूलित करने के लिए विविध परिचालन परिदृश्यों के तहत प्रदर्शन का अनुकूलन कर सकता है।Schottky डायोड सिस्टम में महत्वपूर्ण हैं, जो तेजी से स्विचिंग और कम फॉरवर्ड वोल्टेज की मांग कर रहे हैं, जैसे कि स्विच-मोड पावर सप्लाई (एसएमपी) और उच्च-आवृत्ति अनुप्रयोगों, स्विचिंग लॉस पर अंकुश लगाने में उनकी प्रवीणता के कारण।
कम वोल्टेज और उच्च आवृत्ति पर काम करने वाले इनवर्टर बिजली के नुकसान को कम करने के लिए कुशल घटकों पर बहुत अधिक निर्भर हैं।1N5822 डायोड अपने कम फॉरवर्ड वोल्टेज ड्रॉप और रैपिड रिकवरी सुविधाओं के कारण बाहर खड़ा है।ये विशेषताएं ऊर्जा दक्षता और विश्वसनीयता को महत्वपूर्ण रूप से बढ़ा सकती हैं, मुख्य रूप से पोर्टेबल इलेक्ट्रॉनिक उपकरणों में मूल्यवान हैं जहां ऊर्जा का संरक्षण करना एक प्राथमिकता है।
फ्रीव्हीलिंग सर्किट का उद्देश्य मुख्य स्विच खुला होने पर एक वैकल्पिक वर्तमान पथ की पेशकश करना है।1N5822 डायोड यहां एक्सेल करता है, जिससे ऊर्जा हानि को कम करने और वोल्टेज स्पाइक्स को दबाने में मदद मिलती है, इस प्रकार सर्किट स्थिरता सुनिश्चित होती है।आप पा सकते हैं कि 1N5822 का उपयोग करने से क्षणिक वोल्टेज के खिलाफ बेहतर सुरक्षा मिलती है, और पवन टर्बाइन और अन्य नवीकरणीय ऊर्जा प्रणालियों का उत्पादन करते हुए आपके उपकरणों के जीवनकाल का विस्तार करता है।
DC/DC कन्वर्टर्स 1N5822 की त्वरित स्विचिंग क्षमताओं और कम बिजली अपव्यय से काफी अधिक लाभ प्राप्त करते हैं।इस डायोड को एकीकृत करने से उच्च दक्षता और बेहतर वोल्टेज विनियमन होता है।आप नोट कर सकते हैं कि इसका मजबूत प्रदर्शन हीट बिल्डअप को कम करने में मदद करता है - आमतौर पर समकालीन इलेक्ट्रॉनिक उपकरणों में पाए जाने वाले घनी पैक सर्किट बोर्डों में एक आवश्यक सुविधा।
सिग्नल डिटेक्शन की दुनिया में, 1N5822 जैसे डायोड को उनकी उत्तरदायी विशेषताओं के लिए बेशकीमती किया जाता है, जिससे आरएफ सर्किट में कमजोर संकेतों की पहचान सटीकता बढ़ जाती है।यह उतार -चढ़ाव की ताकत के साथ भी अधिक विश्वसनीय सिग्नल रिसेप्शन को सक्षम करके डिजिटल संचार में सुधार करता है।
ध्रुवीयता संरक्षण आकस्मिक रिवर्स पोलरिटी कनेक्शन से इलेक्ट्रॉनिक उपकरणों की सुरक्षा करता है।1N5822 डायोड एक सीधा और प्रभावी समाधान प्रदान करता है, जिससे घटक विफलता दरों में ध्यान देने योग्य कमी होती है।इस तरह के परिणाम मजबूत सर्किट डिजाइन बनाने में इसके मूल्य पर जोर देते हैं।
आरएफ अनुप्रयोगों की मांग ने शोर हस्तक्षेप को कम किया और सिग्नल स्पष्टता को बढ़ाया।1N5822 डायोड सिग्नल विरूपण को कम करके इन आवश्यकताओं का समर्थन करता है।आप इस बात की सराहना कर सकते हैं कि इस डायोड को शामिल करने से उच्च-निष्ठा ऑडियो और संचार प्रणालियों में बेहतर प्रदर्शन होता है, जहां सटीक सिग्नल प्रबंधन का उपयोग किया जाता है।
फास्ट-स्विचिंग घटकों की आवश्यकता वाले लॉजिक सर्किट 1N5822 के रैपिड स्विचिंग समय से लाभान्वित होते हैं।इस डायोड का उपयोग करते हुए, सर्किट तेजी से प्रतिक्रिया समय प्राप्त करते हैं, उच्च गति कंप्यूटिंग और डेटा प्रोसेसिंग में खतरनाक।उद्योग के नेताओं का सुझाव है कि 1N5822 को शामिल करने से कंप्यूटिंग सिस्टम की समग्र गति और दक्षता बढ़ सकती है।
स्विच-मोड पावर सप्लाई (एसएमपीएस) को उच्च दक्षता और विश्वसनीयता की आवश्यकता होती है।1N5822 डायोड संचालन के दौरान ऊर्जा हानि को काफी कम कर देता है और थर्मल प्रदर्शन को बढ़ाता है, बिजली की आपूर्ति घटकों की दीर्घायु के लिए सक्रिय होता है।आप डायोड को एसएमपीएस ऊर्जा दक्षता को बढ़ाने में महत्वपूर्ण भूमिका निभा सकते हैं, आधुनिक बिजली प्रबंधन समाधानों में अपनी भूमिका को मजबूत करते हैं।
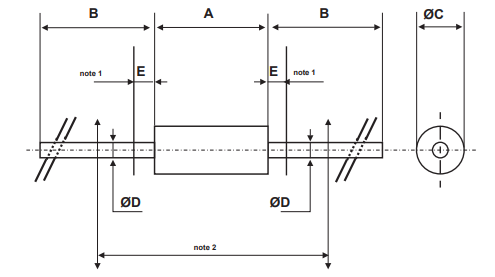
1N5822 पैकेज रूपरेखा

1N5822 यांत्रिक डेटा
|
रेफ। |
DIMENSIONS |
नोट |
|||
|
मिलीमीटर |
इंच |
||||
|
मिन। |
अधिकतम। |
मिन। |
अधिकतम। |
1। लीड व्यास ▲ D नहीं है ज़ोन ई पर नियंत्रित ई। 2। न्यूनतम अक्षीय लंबाई जिसके भीतर डिवाइस को अपने लीड के साथ रखा जा सकता है। समकोण पर तुला 0.59 "(15 (15 मिमी) |
|
|
ए |
9.50 |
0.374 |
|||
|
बी |
25.40 |
1000 |
|||
|
▲ सी |
5.30 |
0.209 |
|||
|
▲ डी |
1.30 |
0.051 |
|||
|
ईटी |
1.25 |
0.049 |
|||
Stmicroelectronics ने खुद को वैश्विक सेमीकंडक्टर स्टेज पर एक अग्रणी खिलाड़ी के रूप में तैनात किया है।कंपनी को उन्नत सिलिकॉन और सिस्टम सॉल्यूशंस को शिल्प करने की अपनी असाधारण क्षमता के लिए जाना जाता है।सिस्टम-ऑन-चिप (एसओसी) प्रौद्योगिकी में प्रगति को प्रेरित करके, उन्होंने आधुनिक इलेक्ट्रॉनिक्स के विकास में उल्लेखनीय योगदान दिया है।
अनुसंधान और विकास के लिए अपने समर्पण के माध्यम से, Stmicroelectronics ने विभिन्न कार्यात्मक घटकों को एक ही चिप में एकीकृत करके सिस्टम-ऑन-चिप के लिए डिज़ाइन परिष्कृत किया है।यह नवाचार न केवल बढ़ी हुई दक्षता और लागत में कमी की पेशकश करता है, बल्कि उपभोक्ता इलेक्ट्रॉनिक्स और ऑटोमोटिव सिस्टम में फैले उत्पादों की एक विस्तृत सरणी को भी प्रभावित करता है।इस क्षेत्र में वे जो कौशल प्रदर्शित करते हैं, वह तकनीकी सीमाओं और सरलता को आगे बढ़ाने के लिए उनके समर्पण को इंगित करता है।
कृपया एक जांच भेजें, हम तुरंत जवाब देंगे।
1N5822 Schottky डायोड को 0.525 V के अनुमानित कम फॉरवर्ड वोल्टेज ड्रॉप के लिए नोट किया गया है, जो कुशल बिजली प्रवाह को सक्षम करके आगे-पक्षपाती सर्किट में इसके कौशल में योगदान देता है।यह डायोड तेजी से स्विचिंग सेटिंग्स में चमकता है, जिसमें कम धाराओं की आवश्यकता होती है, जैसे कि उच्च-आवृत्ति पावर सर्किट।उद्योग मानदंडों की दुनिया के भीतर, डायोड को अक्सर भूमिकाओं के लिए चुना जाता है, जिसमें कम से कम बिजली की हानि और विद्युत उतार -चढ़ाव के लिए तेजी से प्रतिक्रिया की मांग की जाती है।वास्तविक अनुप्रयोग समकालीन विद्युत प्रणालियों के डिजाइन में इसकी अपील को बढ़ाते हुए, सर्किट परिवर्तनों के दौरान ऊर्जा के संरक्षण में इसकी निपुणता को उजागर करते हैं।
आमतौर पर, Schottky डायोड को एनोड के बजाय कैथोड पर एक थर्मल पैड के साथ डिज़ाइन किया गया है।इस विकल्प को सूचित किया जाता है कि ये डायोड थर्मल तनाव पर कैसे प्रतिक्रिया करते हैं, जिससे असमान थर्मल स्थितियां हो सकती हैं।मानक अभ्यास प्रभावी गर्मी अपव्यय सुनिश्चित करने के लिए कैथोड में एक हीट सिंक हासिल करने के लिए मजबूर करता है।क्षेत्र के अनुभवों से पता चलता है कि यह सेटअप डायोड ऑपरेशन को स्थिर करता है और कुशल गर्मी प्रबंधन के माध्यम से अपनी सेवा जीवन का विस्तार करता है।
1N5819 Schottky डायोड को 1N5822 के साथ बदलना उनके साझा फॉरवर्ड वोल्टेज (VF) और जंक्शन-टू-एम्बिएंट थर्मल प्रतिरोध (RTH-JA) पर निर्भर करता है।हालांकि, 1N5822 का उच्च रिसाव वर्तमान कुछ उपयोगों को प्रभावित कर सकता है, विशेष रूप से पावर-या सर्किट जैसे रिसाव के प्रति संवेदनशील वातावरण में।जब स्विच-मोड पावर सप्लाई (एसएमपी) या रिवर्स पोलरिटी प्रोटेक्शन जैसे संदर्भों की बात आती है, तो उन्हें स्वैप करना ज्यादातर उपयुक्त होता है।बहरहाल, किसी को भौतिक आयामों पर विचार करना चाहिए;1N5822 का बड़ा पदचिह्न 1.5 मिमी व्यास में गिरता है, जो उपयुक्त बढ़ते आवास की आवश्यकता होती है।यह व्यावहारिक समझ निर्बाध घटक प्रतिस्थापन के लिए यांत्रिक और विद्युत मापदंडों को संरेखित करने की आवश्यकता पर प्रकाश डालती है।
2024/11/5 पर
2024/11/5 पर
8000/04/18 पर 147758
2000/04/18 पर 111943
1600/04/18 पर 111349
0400/04/18 पर 83721
1970/01/1 पर 79508
1970/01/1 पर 66916
1970/01/1 पर 63070
1970/01/1 पर 63012
1970/01/1 पर 54081
1970/01/1 पर 52139