
BF245 मुख्य रूप से VHF, UHF बैंड और ऑडियो आवृत्तियों के भीतर संकेतों को बढ़ाने के लिए उपयोग किया जाता है।उच्च लाभ और कम शोर विशेषताओं के साथ, यह शोर हस्तक्षेप को कम करते हुए छोटे संकेतों को बढ़ाता है।
BF245 सहित श्रृंखला, BF245A, BF245B, और BF245C, अलग-अलग विद्युत विशेषताओं को दर्शाता है, ज्यादातर गेट-सोर्स वोल्टेज और शून्य-गेट वोल्टेज ड्रेन करंट में।ये अंतर विशिष्ट अनुप्रयोगों को पूरा करते हैं, विविध सिग्नल प्रवर्धन आवश्यकताओं के लिए सर्किट डिजाइनों को अनुकूलित करने में बहुमुखी प्रतिभा की पेशकश करते हैं।वीएचएफ और यूएचएफ बैंड में प्रभावकारिता कमजोर संकेतों को प्रबंधित करने और बढ़ाने की उनकी क्षमता के कारण उल्लेखनीय है, सिग्नल स्पष्टता और शक्ति को बढ़ाने, प्रसारण और संचार प्रणालियों के लिए बुनियादी।
ऑडियो फ्रीक्वेंसी एप्लिकेशन में, उच्च-निष्ठा ऑडियो उपकरणों में उपयोग किए जाने वाले सिग्नल अखंडता और कम से कम विकृति को कम करके BF245 एक्सेल।शोर को फ़िल्टर करने की इसकी क्षमता क्लीनर ऑडियो आउटपुट सुनिश्चित करती है।समान ट्रांजिस्टर की तुलना में, उच्च लाभ और कम शोर के बीच BF245 का संतुलन इसे एक लोकप्रिय विकल्प बनाता है।आप अक्सर इस घटक को मांग वातावरण में इसकी मजबूती और विश्वसनीयता के लिए पसंद कर सकते हैं।

|
नत्थी करना |
प्रतीक |
विवरण |
|
1 |
जी |
दरवाज़ा |
|
2 |
एस |
स्रोत |
|
3 |
डी |
नाली |



|
विशेषता |
विनिर्देश |
|
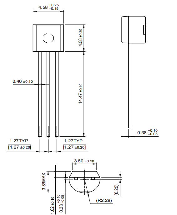
पैकेज प्रकार |
को-92 |
|
ट्रांजिस्टर प्रकार |
N चैनल JFET |
|
नाली-स्रोत वोल्टेज |
30V (अधिकतम) |
|
नाली-गेट वोल्टेज |
30V (अधिकतम) |
|
रिवर्स गेट-सोर्स वोल्टेज |
-30V (अधिकतम) |
|
निरंतर नाली धारा |
25ma (अधिकतम) |
|
गेट-सोर्स कटऑफ वोल्टेज |
-0.5v से -0v |
|
शक्ति का अपव्यय |
300MW (अधिकतम) |
|
भंडारण और परिचालन तापमान |
-55 ° C से +150 ° C |
|
शोर स्तर और लाभ |
कम शोर और उच्च लाभ |
|
प्रचालन आवृत्ति |
700 मेगाहर्ट्ज तक |
|
नाली और स्रोत परस्पर क्रिया |
हाँ |
यहां सेमीकंडक्टर के लिए तकनीकी विनिर्देश तालिका है BF245B Jfet।
|
प्रकार |
पैरामीटर |
|
जीवनचक्र स्थिति |
अप्रचलित |
|
अंतिम शिपमेंट |
अंतिम अद्यतन: 1 सप्ताह पहले |
|
पर्वत |
होल के माध्यम से |
|
पैकेज / मामला |
TO-226-3, TO-92-3 (TO-226AA) |
|
पिन की संख्या |
3 |
|
वज़न |
200 मिलीग्राम |
|
ब्रेकडाउन वोल्टेज / वी |
-30 वी |
|
तत्वों की संख्या |
1 |
|
पैकेजिंग |
थोक |
|
प्रकाशित |
2009 |
|
JESD-609 कोड |
e0 |
|
Pbfree कोड |
नहीं |
|
भाग की स्थिति |
अप्रचलित |
|
नमी संवेदनशीलता स्तर (एमएसएल) |
1 (असीमित) |
|
समाप्ति की संख्या |
3 |
|
ईसीसीएन कोड |
Ear99 |
|
टर्मिनल खत्म |
टिन/लीड (एसएन/पीबी) |
|
अधिकतम परिचालन तापमान |
150 ° C |
|
न्यूनतम संचालन तापमान |
-55 ° C |
|
एचटीएस कोड |
8541.21.00.75 |
|
वोल्टेज - रेटेड डीसी |
30 वी |
|
वर्तमान रेटिंग (AMPS) |
100 मा |
|
अधिकतम शक्ति अपव्यय |
350 मेगावाट |
|
टर्मिनल स्थिति |
तल |
|
पीक रिफ्लो तापमान (° C) |
240 |
|
अनुपालन कोड तक पहुंचें |
सम्मत नहीं है |
|
वर्तमान रेटिंग |
10 मा |
|
समय@पीक रिफ्लो टेम्प-मैक्स (एस) |
30 |
|
आधार भाग संख्या |
BF245 |
|
पिन काउंट |
3 |
|
योग्यता की स्थिति |
योग्य नहीं |
|
तत्व विन्यास |
अकेला |
|
संचालन विधा |
रिक्तीकरण विधा |
|
शक्ति का अपव्यय |
350 मेगावाट |
|
ट्रांजिस्टर आवेदन |
एम्पलीफायर |
|
स्रोत वोल्टेज (VDSS) के लिए नाली |
15 वी |
|
ट्रांजिस्टर प्रकार |
एन-चैनल जेएफईटी |
|
निरंतर नाली वर्तमान (आईडी) |
15 मा |
|
स्रोत वोल्टेज (वीजीएस) का द्वार |
-30 वी |
|
नाली वर्तमान-मैक्स (एबीएस) (आईडी) |
0.1 ए |
|
स्रोत ब्रेकडाउन वोल्टेज के लिए नाली |
30 वी |
|
भ्रूण प्रौद्योगिकी |
जंक्शन |
|
उच्चतम आवृत्ति बैंड |
अल्ट्रा हाई फ़्रीक्वेंसी बी |
|
ऊंचाई |
4.58 मिमी |
|
लंबाई |
4.58 मिमी |
|
चौड़ाई |
3.86 मिमी |
|
रोह्स स्टेटस |
गैर-आरओएचएस आज्ञाकारी |
|
सीसा मुक्त |
सीसा मुक्त
|
• BF245C
• 2N5457
• 2SK117
• MPF102
• 2N5458
• BF244A
• BF256A
• J113
• 2N3819
• 2N4416
• 2N5638
• 2SK162
BF245 VHF (बहुत उच्च आवृत्ति) और UHF (अल्ट्रा उच्च आवृत्ति) संकेतों को बढ़ाने में व्यापक उपयोग पाता है।ये आवृत्तियां रेडियो संचार, टेलीविजन प्रसारण और वायरलेस उपकरणों में एक भूमिका निभाती हैं, जिसमें संकेत स्पष्टता को बनाए रखने के लिए विस्तृत प्रवर्धन की आवश्यकता होती है।आप प्रदर्शन को बढ़ाने के लिए परिष्कृत कॉन्फ़िगरेशन का पता लगा सकते हैं, सिग्नल विरूपण और शोर प्रबंधन जैसी चुनौतियों पर विचार कर सकते हैं।यह पीछा अक्सर तकनीकी उत्कृष्टता प्राप्त करने की भावनात्मक संतुष्टि के साथ संरेखित करता है।
यह ट्रांजिस्टर आरएफ ऑसिलेटर को क्राफ्टिंग में एक भूमिका निभाता है, जो स्थिर और सटीक आवृत्ति संकेतों को उत्पन्न करता है।इसकी कम शोर सुविधा आउटपुट संकेतों की गुणवत्ता को समृद्ध करती है, दूरसंचार और प्रसारण हलकों में पोषित एक कारक।आप आवृत्ति स्थिरता को संरक्षित करते हुए हार्मोनिक विरूपण को कम करने के लिए भावनात्मक और बौद्धिक प्रयास का निवेश कर सकते हैं, सर्किट मापदंडों को समायोजित करने के लिए हाथों पर अनुभवों से अंतर्दृष्टि खींचते हैं।
ऑडियो प्रवर्धन के डोमेन में, BF245 कम-शक्ति ऑडियो संकेतों के लिए भरोसेमंद समर्थन प्रदान करता है।ऑडियो सर्किट में इसकी भूमिका न्यूनतम विकृति सुनिश्चित करती है, जिससे यह उच्च-निष्ठा ऑडियो सिस्टम के लिए उपयुक्त है।प्रदर्शन के साथ बिजली की खपत को संतुलित करने की कला एक सटीक कार्य बन जाती है, आप सुनने के अनुभव को बढ़ाने के लिए शोधन का आनंद ले सकते हैं, जो ट्रांजिस्टर को सही ढंग से पक्षपात करने में व्यावहारिक विशेषज्ञता द्वारा सूचित किया गया है।
निम्न-स्तरीय सिग्नल प्रोसेसिंग के लिए, अक्सर विश्लेषणात्मक और माप उपकरणों में देखा जाता है, BF245 इसके मूल्य को प्रदर्शित करता है।कमजोर संकेतों को संभालने से डेटा अखंडता सुनिश्चित होती है।पर्यावरण निगरानी और बायोमेडिकल इंजीनियरिंग जैसे क्षेत्रों में इस ट्रांजिस्टर के साथ काम करना सटीक माप की जरूरतों को पूरा करने के लिए सर्किट को अनुकूलित करने का एक अन्वेषण बन जाता है, इस बौद्धिक जुड़ाव का आनंद ले रहा है।
BF245 विविध सेंसर से कमजोर संकेतों को बढ़ाकर सेंसर सर्किट को बढ़ाता है।चाहे तापमान, दबाव, या आर्द्रता संवेदन में, यह ट्रांजिस्टर स्थिर प्रवर्धन प्रदान करता है, सटीक सेंसर डेटा व्याख्या की सुविधा प्रदान करता है।आप सेंसर सर्किट को परिष्कृत करने की तलाश कर सकते हैं, प्रतिक्रिया समय को कम करने और संवेदनशीलता को बढ़ाने पर ध्यान केंद्रित कर सकते हैं, सभी विभिन्न परिस्थितियों में BF245 के सुसंगत प्रदर्शन की सराहना करते हुए।

अर्धचालक पर उत्पादों की एक विविध सरणी के साथ अर्धचालक क्षेत्र का कार्य करता है।कंपनी पावर और सिग्नल मैनेजमेंट, लॉजिकल घटकों और ऑटोमोटिव, कम्युनिकेशंस, कम्प्यूटिंग, कंज्यूमर, इंडस्ट्रियल, एलईडी लाइटिंग, मेडिकल, मिलिट्री/एयरोस्पेस और पावर एप्लिकेशन जैसे असतत और सिलवाया उपकरणों में माहिर है।अर्धचालक पर उत्तरी अमेरिका, यूरोप और एशिया प्रशांत में एक व्यापक नेटवर्क संचालित करता है।कंपनी का मुख्यालय फीनिक्स, एरिज़ोना के जीवंत शहर में है, जो एक हब है जो अपनी अभिनव भावना को ईंधन देता है।
कृपया एक जांच भेजें, हम तुरंत जवाब देंगे।
2024/10/29 पर
2024/10/29 पर
8000/04/18 पर 147757
2000/04/18 पर 111935
1600/04/18 पर 111349
0400/04/18 पर 83719
1970/01/1 पर 79508
1970/01/1 पर 66901
1970/01/1 पर 63022
1970/01/1 पर 63010
1970/01/1 पर 54081
1970/01/1 पर 52121