
CD4007 इंटीग्रेटेड सर्किट (आईसी) समकालीन इलेक्ट्रॉनिक्स में एक आधार है, जो कि पूरक एन-चैनल और पी-चैनल एमओएस ट्रांजिस्टर के तीन जोड़े की संरचना के कारण है।ये ट्रांजिस्टर जोड़े उल्लेखनीय बहुमुखी प्रतिभा प्रदान करते हैं, क्योंकि उन्हें श्रृंखला और शंट कॉन्फ़िगरेशन दोनों में उपयोग किया जा सकता है, जो विभिन्न सर्किट डिजाइन आवश्यकताओं के लिए सिलवाया समाधान प्रदान करता है।इसके अलावा, CD4007 कई प्रकार के उपकरणों के साथ सहजता से इंटरफेस करता है।
• सीएमओ (पूरक धातु-ऑक्साइड-सेमिकंडक्टर)
• एनएमओएस (एन-चैनल मेटल-ऑक्साइड-सेमिकंडक्टर)
• टीटीएल (ट्रांजिस्टर-ट्रांसिस्टर लॉजिक)
CD4007 कम थर्मल अपव्यय और पर्याप्त शोर प्रतिरक्षा की आवश्यकता वाले परिदृश्यों में चमकती है।यह विशेषज्ञ रूप से वोल्टेज के स्तर का प्रबंधन करता है, उन्हें एक संकीर्ण 0.3V मार्जिन के भीतर आपूर्ति वोल्टेज (VDD) और ग्राउंड (VSS) के बीच रखते हुए।यह सटीक वोल्टेज नियंत्रण उन अनुप्रयोगों में महत्वपूर्ण भूमिका निभाता है जो बिजली के नुकसान को कम करने और सिग्नल अखंडता को बनाए रखने को प्राथमिकता देते हैं।
इलेक्ट्रोस्टैटिक डिस्चार्ज (ईएसडी) के खिलाफ आईसी की स्थिर सुरक्षा एक और उल्लेखनीय विशेषता है।इलेक्ट्रॉनिक घटकों पर ईएसडी के हानिकारक प्रभावों का विश्लेषण करते हुए, सीडी 4007 वोल्टेज नाली (वीडी) और ग्राउंड (वीएसएस) के बीच क्लैम्पिंग डायोड से सुसज्जित है।ये डायोड तुरंत अचानक वोल्टेज स्पाइक्स को अवशोषित करते हैं, स्थैतिक बिजली से इनपुट की सुरक्षा करते हुए, हैंडलिंग और ऑपरेशन के दौरान नियमित रूप से परिवर्तनीय स्थिर स्थितियों के संपर्क में आने वाले घटकों के लिए एक प्रमुख विशेषता।

|
पिन नं |
पिन नाम |
विवरण |
|
1 |
2dp |
पी चैनल 2 की नाली |
|
2 |
2sp |
पी चैनल 2 का स्रोत |
|
3 |
2 ए |
इनपुट चैनल 2 |
|
4 |
2 एसएन |
एन चैनल 2 का स्रोत |
|
5 |
2 डीएन |
एन चैनल 2 की नाली |
|
6 |
1 क |
इनपुट चैनल 1 |
|
7 |
वीएसएस |
स्रोत आपूर्ति |
|
8 |
1 डीएन |
एन चैनल 1 की नाली |
|
9 |
3SN |
एन चैनल 3 का स्रोत |
|
10 |
3 ए |
इनपुट चैनल 3 |
|
11 |
3sp |
पी चैनल 3 का स्रोत |
|
12 |
3y |
उत्पादन |
|
13 |
1DP |
पी चैनल 1 की नाली |
|
14 |
वीडीडी |
नाली आपूर्ति |


|
प्रकार |
पैरामीटर |
कीमत |
|
पर्वत |
माउन्टिंग का प्रकार |
सतह पर्वत |
|
पैकेज / मामला |
14-SHIC (0.154, 3.90 मिमी चौड़ाई) |
|
|
पिन की संख्या |
14 |
|
|
आपूर्तिकर्ता युक्ति पैकेज |
14-हुक |
|
|
परिचालन की स्थिति |
परिचालन तापमान |
-40 ° C से 85 ° C से |
|
अधिकतम परिचालन तापमान |
85 ° C |
|
|
न्यूनतम संचालन तापमान |
-40 ° C |
|
|
विद्युत विशेषताओं |
वोल्टेज आपूर्ति |
3v से 15V |
|
अधिकतम आपूर्ति वोल्टेज |
15V |
|
|
न्यूनतम आपूर्ति वोल्टेज |
3 वी |
|
|
प्रचार देरी |
50 एनएस |
|
|
डिजाइन विनिर्देश |
शृंखला |
4000 बी |
|
तर्क समारोह |
पलटनेवाला |
|
|
तर्क प्रकार |
पूरक जोड़ी प्लस इन्वर्टर |
|
|
सर्किट की संख्या |
2 |
|
|
बिट्स की संख्या |
3 |
|
|
इनपुट लाइनों की संख्या |
3 |
|
|
आउटपुट लाइन्स की संख्या |
3 |
|
|
आधार भाग संख्या |
4007 |
|
|
विचारों में भिन्नता |
अस्वाभाविक |
|
|
अतिरिक्त विवरण |
पैकेजिंग |
नली |
|
भाग की स्थिति |
अप्रचलित |
|
|
नमी संवेदनशीलता स्तर (एमएसएल) |
1 (असीमित) |
|
|
रोह्स स्टेटस |
ROHS आज्ञाकारी |
|
|
सीसा मुक्त |
सीसा मुक्त |
|
|
प्रकाशित |
1999 |
|
विशेषता |
विवरण |
|
व्यापक आपूर्ति वोल्टेज सीमा |
3.0V से 15V |
|
उच्च शोर प्रतिरक्षा |
0.45 वीसीसी (टाइप।) |
|
वर्तमान परीक्षण परीक्षण |
20V पर 100% परीक्षण किया गया |
|
सममित आउटपुट विशेषताओं |
मानकीकृत, विश्वसनीय आउटपुट सुनिश्चित करना |
CD4007 इंटीग्रेटेड सर्किट, जो अपने अनुकूलनशीलता और भरोसेमंद प्रदर्शन के लिए जाना जाता है, विभिन्न इलेक्ट्रॉनिक डिजाइनों में विविध अनुप्रयोगों को पाता है।
CD4007 सिग्नल शार्पनिंग सर्किट के निर्माण में निपुण है, डिजिटल सिस्टम का एक आवश्यक घटक जहां सटीक सिग्नल किनारों को सटीक समय और कार्यक्षमता के लिए आधिकारिक है।ये शार्पनर्स समय की त्रुटियों और डेटा भ्रष्टाचार से बचने के लिए संचार प्रणालियों में उपयोग किए जाने वाले स्वच्छ, अच्छी तरह से परिभाषित दालों में शोर संकेतों को परिष्कृत करते हैं।आप देख सकते हैं कि CD4007 को शामिल करना सिग्नल अखंडता को बढ़ाता है, स्थिर डेटा ट्रांसमिशन सुनिश्चित करता है।
डिजिटल इलेक्ट्रॉनिक्स की दुनिया में, इनवर्टर अंतिम घटकों के रूप में काम करते हैं।जब सही ढंग से कॉन्फ़िगर किया जाता है, तो CD4007 एक अत्यधिक कुशल इन्वर्टर के रूप में कार्य करता है, इसकी कम बिजली की खपत और मजबूत प्रदर्शन के लिए प्रशंसा की जाती है, जिससे यह बड़े पैमाने पर एकीकरण अनुप्रयोगों के लिए आदर्श बन जाता है।आप देख सकते हैं कि CD4007 जटिल तर्क सर्किट और माइक्रोप्रोसेसरों में लगातार प्रदर्शन प्रदान करता है, डिजिटल लॉजिक डिज़ाइन में सर्किट स्थिरता और विश्वसनीयता में महत्वपूर्ण योगदान देता है।
थ्रेशोल्ड डिटेक्टर यह निर्धारित करते हैं कि एक इनपुट सिग्नल एक विशिष्ट मूल्य को पार करता है और स्वचालन और सुरक्षा प्रणालियों में सक्रिय हैं।CD4007 का उपयोग करके, ये डिटेक्टर उच्च परिशुद्धता और न्यूनतम घटक गणना के साथ काम करते हैं।यह दक्षता ज्यादातर नियंत्रण प्रणालियों में मूल्यवान है जहां सटीक दहलीज का पता लगाना अलग -अलग इनपुट स्तरों के लिए उपयुक्त सिस्टम प्रतिक्रियाएं सुनिश्चित करता है।वास्तविक अनुप्रयोग विश्वसनीय सीमा का पता लगाने के साथ परिचालन सुरक्षा और दक्षता को बढ़ाने वाले CD4007 को दिखाते हैं।
रैखिक एम्पलीफायरों ने तरंग विरूपण के बिना छोटे संकेतों को बढ़ाया, और सीडी 4007, जब एक रैखिक एम्पलीफायर के रूप में कॉन्फ़िगर किया जाता है, तो स्थिर और प्राचीन सिग्नल प्रवर्धन प्रदान करता है।यह ऑडियो और इंस्ट्रूमेंटेशन अनुप्रयोगों में प्रमुख है जहां सिग्नल फिडेलिटी गंभीर है।आप प्रवर्धन में सिग्नल अखंडता को बनाए रखने के लिए CD4007 की सराहना कर सकते हैं, इस प्रकार संवेदनशील एनालॉग सर्किटरी में इसकी अपरिहार्यता का समर्थन करते हैं।
क्रिस्टल ऑसिलेटर, जो नियंत्रित क्रिस्टल दोलनों के माध्यम से स्थिर आवृत्ति आउटपुट पर निर्भर करते हैं, अक्सर दोलन मापदंडों में स्थिरता बनाए रखने के लिए CD4007 को नियुक्त करते हैं।यह स्थिरता समय उपकरणों और संचार उपकरणों में सक्रिय है।आप CD4007 का लाभ उठा सकते हैं, क्रिस्टल ऑसिलेटर को सफलतापूर्वक विकसित किया है जो उच्च स्थिरता का प्रदर्शन करते हैं, सटीक इलेक्ट्रॉनिक अनुप्रयोगों के लिए विश्वसनीयता और सटीकता को सुनिश्चित करते हैं।इस तरह के स्थिर ऑसिलेटर इन डोमेन में प्रदर्शन को बढ़ाने में महत्वपूर्ण भूमिका निभाते हैं।
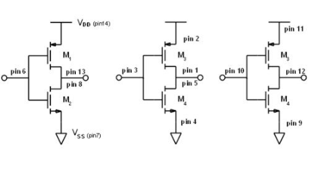
CD4007 पैकेज में तीन इनवर्टर उत्पन्न करने की क्षमता है, जो विविध सर्किट अनुप्रयोगों के लिए एक बहुमुखी उपकरण की पेशकश करता है।अल्टीमेट इन्वर्टर सेटअप में आउटपुट के लिए पिन 8 और 13 कनेक्ट करना शामिल है, इनपुट के रूप में पिन 6 अभिनय के साथ।पिन 14 (वीडीडी) को बिजली की आपूर्ति से जोड़ा जाना चाहिए।पिन 7 (वीएसएस) को जमीन से जोड़ा जाना चाहिए।विशिष्ट आवश्यकताओं को पूरा करने के लिए अतिरिक्त इनवर्टर की व्यवस्था की जा सकती है।

पिन 2 (वीडीडी) और 4 (वीएसएस) पावर कनेक्शन के रूप में काम करते हैं।पिन 1 और 5 आउटपुट बनाते हैं।पिन 3 इनपुट है।पिन 11 VDD से जुड़ता है।पिन 9 वीएसएस से जुड़ा हुआ है।पिन 12 आउटपुट के रूप में कार्य करता है।पिन 10 इनपुट प्रदान करता है।

सेमीकंडक्टर (NASDAQ: ON) अपने ऊर्जा-कुशल नवाचारों के लिए प्रसिद्ध है, ऊर्जा की खपत को कम करने के लिए अपनी खोज में वैश्विक ग्राहकों का समर्थन करता है।कंपनी मोटर वाहन, संचार और उपभोक्ता इलेक्ट्रॉनिक्स सहित विभिन्न क्षेत्रों में समाधानों का एक विशाल सरणी प्रदान करती है।
कंपनी की व्यापक-पहुंचने वाली उत्पाद रेंज अपने बाजार की प्रमुखता के एक स्तंभ के रूप में कार्य करती है।सेमीकंडक्टर पर अलग -अलग उद्योगों की अनूठी मांगों के अनुरूप अनुकूलनीय और भरोसेमंद समाधान प्रदान करते हैं।ऑटोमोटिव सेक्टर में, उनके उत्पाद वाहन दक्षता और सुरक्षा को बढ़ाते हैं, जिससे बेहतर ईंधन अर्थव्यवस्था होती है और एक चिकनी और सुरक्षित सवारी सुनिश्चित होती है।उपभोक्ता इलेक्ट्रॉनिक्स में, कंपनी के प्रसाद को डिवाइस के प्रदर्शन को अधिकतम करने और बैटरी जीवन का विस्तार करने के लिए डिज़ाइन किया गया है।
सेमीकंडक्टर के प्रभावी आपूर्ति श्रृंखला प्रबंधन वैश्विक मांग को पूरा करने के लिए अपने उत्पादों की लगातार समय पर उपलब्धता की गारंटी देता है।कंपनी की सुविधाओं और कार्यालयों का व्यापक नेटवर्क, रणनीतिक रूप से उत्तरी अमेरिका, यूरोप और एशिया-प्रशांत भर में खतरनाक बाजारों में रखा गया है, यह बाजार की जरूरतों और ग्राहकों की आवश्यकताओं के लिए तेजी से प्रतिक्रिया करने में सक्षम बनाता है।
|
भाग संख्या |
उत्पादक |
पैकेज / मामला |
पिन की संख्या |
तर्क समारोह |
सर्किट की संख्या |
आउटपुट लाइन्स की संख्या |
प्रचार देरी |
न्यूनतम आपूर्ति वोल्टेज |
वोल्टेज आपूर्ति |
तुलना देखें |
|
CD4007CM |
अर्धचालक पर |
14-SHIC (0.154, 3.90 मिमी चौड़ाई) |
14 |
पलटनेवाला |
2 |
3 |
50 एनएस |
3 वी |
3V ~ 15V |
CD4007CM |
|
Mc14007ubd |
अर्धचालक पर |
14-SHIC (0.154, 3.90 मिमी चौड़ाई) |
14 |
- |
- |
- |
18 एनएस |
- |
5 वी |
Mc14007ubd |
|
SN74HCT04DR |
टेक्सास इंस्ट्रूमेंट्स |
14-SHIC (0.154, 3.90 मिमी चौड़ाई) |
14 |
पलटनेवाला |
- |
- |
55 एनएस |
3 वी |
3V ~ 18v |
SN74HCT04DR |
CD4007 एक बहुमुखी आईसी है जिसे इंजीनियर कई उद्देश्यों के लिए शोषण कर सकते हैं।यह तीन इनवर्टर की एक श्रृंखला बना सकता है, दो ट्रांसमिशन गेट्स के साथ एक इन्वर्टर, या अधिक जटिल लॉजिक गेट्स।इनवर्टर और ट्रांसमिशन गेट्स डी फ्लिप-फ्लॉप जैसे डिजिटल सिस्टम के निर्माण में एक गंभीर भूमिका निभाते हैं।CD4007 के लचीलेपन को पहचानने से आप कई IC का उपयोग करने की परेशानी के बिना कस्टम सर्किटरी डिजाइन करने में सक्षम बनाता है।अलग -अलग उपयोगों के लिए एक ही आईसी को फिर से कॉन्फ़िगर करने की क्षमता न केवल मुद्रित सर्किट बोर्डों पर स्थान को संरक्षित करती है, बल्कि डिजाइन प्रक्रिया को भी सुव्यवस्थित करती है।यह अनुकूलनशीलता इसे अकादमिक और औद्योगिक दोनों वातावरणों में एक पोषित उपकरण बनाती है।
CD4007 IC को अक्सर इसके विभिन्न अनुप्रयोगों, कम थर्मल अपव्यय और प्रभावशाली शोर प्रतिरक्षा के लिए महत्व दिया जाता है।यह VSS पर -0.3V और VDD पर +0.3V पर संचालित होता है।उचित वोल्टेज प्रबंधन आईसी की अखंडता को बनाए रखने और इसकी दीर्घायु को बढ़ाने के लिए बुनियादी है।इन परिचालन वोल्टेज को सुनिश्चित करना, विद्युत ओवरस्ट्रेस को रोकने के लिए उपयोग किया जाता है जो परिष्कृत सर्किटरी में आईसी के प्रदर्शन को नीचा कर सकता है।इस विवरण पर ध्यान देना ज्यादातर इलेक्ट्रॉनिक डिजाइन के प्रोटोटाइपिंग चरण के दौरान पर्याप्त है।
धातु ऑक्साइड सेमीकंडक्टर (MOS) तकनीक का उपयोग करके निर्मित, CD4007 DIP और SOP पैकेजों में उपलब्ध है।आईसी में तीन एन-चैनल और तीन पी-चैनल एन्हांसमेंट-टाइप एमओएस ट्रांजिस्टर शामिल हैं।यह कॉन्फ़िगरेशन विवेकपूर्ण और एकीकृत लॉजिक सर्किट दोनों को विकसित करने के लिए अत्यधिक फायदेमंद है।MOS तकनीक का उपयोग उच्च इनपुट प्रतिबाधा और कम बिजली की खपत के फायदे प्रदान करता है।ये लाभ CD4007 को आधुनिक कम-शक्ति अनुप्रयोगों के लिए एक फिटिंग विकल्प बनाते हैं।एमओएस ट्रांजिस्टर के गुणों को सबसे अधिक बनाकर, आप ऐसे सर्किट प्राप्त कर सकते हैं जो कुशल और विश्वसनीय दोनों हैं, ज्यादातर पोर्टेबल और पहनने योग्य इलेक्ट्रॉनिक उपकरणों की उम्र में प्रासंगिक हैं।
कृपया एक जांच भेजें, हम तुरंत जवाब देंगे।
2024/10/21 पर
2024/10/21 पर
8000/04/18 पर 147757
2000/04/18 पर 111935
1600/04/18 पर 111349
0400/04/18 पर 83719
1970/01/1 पर 79508
1970/01/1 पर 66903
1970/01/1 पर 63027
1970/01/1 पर 63010
1970/01/1 पर 54081
1970/01/1 पर 52121