

|
पिन नाम |
पिन नं। |
प्रकार |
विवरण |
|
वीडीडी |
16 |
शक्ति |
आपूर्ति वोल्टेज (+3 से +15V) |
|
Gnd |
8 |
शक्ति |
ग्राउंड (0v) |
|
D0-D7 |
1, 4, 5, 6, 7, 13, 14, 15 |
इनपुट |
समानांतर डेटा इनपुट पिन |
|
Q5, Q6, Q7 |
2, 3, 12 |
उत्पादन |
पिछले तीन बिट्स से बफर आउटपुट |
|
पीई |
9 |
इनपुट |
समानांतर सक्षम करें |
|
सीपी |
10 |
इनपुट |
इनपुट को सिंक करने के लिए घड़ी पिन |
|
डी एस |
11 |
इनपुट |
सीरियल इनपुट पिन |
4014 आईसी का उपयोग करने के लिए, अपने पावर स्रोत के पॉजिटिव टर्मिनल और जीएनडी को नकारात्मक टर्मिनल से सावधानीपूर्वक कनेक्ट करके शुरू करें।यह IC 3V से 15V की पावर रेंज के भीतर संचालित होता है, हालांकि विशिष्ट मॉडल 20V तक बढ़ सकते हैं।सटीक विद्युत विवरणों के लिए डेटशीट की जांच करना उचित है, आपके अद्वितीय सेटअप के लिए अनुकूलता की सिलाई करना।चुना हुआ वोल्टेज रेंज सीधे डिवाइस की परिचालन अखंडता और स्थिर कार्यक्षमता को प्रभावित करता है।
समानांतर सक्षम (PE) पिन को एक उच्च अवस्था में स्विच करके समानांतर डेटा लोडिंग शुरू करें।अपने चुने हुए डेटा इनपुट को समानांतर डेटा पिन में D0 से चिह्नित करें।सीएलके पिन पर लागू एक बढ़ती बढ़त सिग्नल रजिस्टर में इच्छित डेटा को कैप्चर करता है।यह तैयारी चरण एक अच्छी तरह से समन्वित अभ्यास पर एक टीम की स्थापना करता है, जहां भूमिकाएं और सिंक्रनाइज़ेशन का अत्यधिक महत्व है।
पीई पिन को कम स्थिति में टॉगल करके डेटा शिफ्टिंग शुरू करें।प्रत्येक बढ़ती सीएलके पल्स डेटा को बढ़ाती है।इस मोड में, डीएस पिन सीरियल डेटा इनपुट के लिए कार्य करता है, लचीला डेटा प्रोसेसिंग की सुविधा देता है।यह फ़ंक्शन विशेष रूप से लाभकारी हो जाता है जब द्रव डेटा संक्रमण की आवश्यकता होती है, कुशल संगठन और डिजिटल संकेतों के वर्गीकरण को सुनिश्चित करता है।

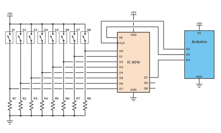
CD4014 शिफ्ट रजिस्टर केवल तीन माइक्रोकंट्रोलर पिन का उपयोग करके आठ स्विच तक की राज्यों को पढ़ने के लिए एक व्यावहारिक उपकरण है, जैसे कि एक Arduino के साथ।यह उन परियोजनाओं के लिए आदर्श बनाता है जहां पिन उपलब्धता सीमित है, क्योंकि यह अतिरिक्त हार्डवेयर की आवश्यकता के बिना कुशलता से इनपुट क्षमता का विस्तार करता है।सर्किट सभी कनेक्टेड स्विच के राज्यों को कैप्चर करके और इस डेटा को एक बार में माइक्रोकंट्रोलर को एक बिट पर भेजकर काम करता है।CD4014 समानांतर-से-सेरियल रूपांतरण का उपयोग करता है, जिससे आप वायरिंग को सरल और कॉम्पैक्ट रखते हुए कई स्विच की निगरानी कर सकते हैं।
इसे सेट करने के लिए, Arduino के D3 पिन को CD4014 के समानांतर सक्षम (PE) पिन, D2 को घड़ी (CLK) पिन, और D4 से डेटा आउटपुट (Q) पिन से कनेक्ट करें।D3 स्विच राज्यों को कैप्चर करने के लिए कुंडी को सक्रिय करता है, D2 राज्यों को आउटपुट में स्थानांतरित करने के लिए घड़ी दालों को भेजता है, और D4 डेटा को क्रमिक रूप से पढ़ता है।प्रत्येक घड़ी पल्स अगले स्विच स्थिति को आउटपुट पिन में बदल देती है, जिससे Arduino एक समय में सभी आठ स्विच को पढ़ने की अनुमति देता है।यह दृष्टिकोण कुशल है और अंतरिक्ष और संसाधनों दोनों को बचाता है।CD4014 का उपयोग करके, आप न्यूनतम I/O उपयोग के साथ कई इनपुट का प्रबंधन कर सकते हैं, अपने डिजाइन को सरल बना सकते हैं, और वायरिंग जटिलता को कम कर सकते हैं।यह उन परियोजनाओं के लिए एक कॉम्पैक्ट और विश्वसनीय समाधान है जिसमें स्विच राज्यों की सटीक निगरानी की आवश्यकता होती है।
• NTE4014
• MC14014
• HCF4014
• HEF4014
• CD4014BE
• 74HC165
• 74HC166
• 74HC198
कृपया एक जांच भेजें, हम तुरंत जवाब देंगे।
2024/12/9 पर
2024/12/8 पर
8000/04/18 पर 147757
2000/04/18 पर 111935
1600/04/18 पर 111349
0400/04/18 पर 83719
1970/01/1 पर 79508
1970/01/1 पर 66902
1970/01/1 पर 63023
1970/01/1 पर 63010
1970/01/1 पर 54081
1970/01/1 पर 52121