
CD4052 , अनुकूलनशीलता में समृद्ध एक एकीकृत सर्किट, दोनों 4-चैनल मल्टीप्लेक्स और एक डेमुलिप्लेक्सर के रूप में कार्य करता है।यह पूरी तरह से 4: 1 मल्टीप्लेक्स के रूप में कार्य करता है, चार उपलब्ध इनपुट्स से एकल आउटपुट का चयन करता है, या 1: 4 डेमल्टिप्लेक्सर के रूप में, इनपुट सिग्नल को चार संभावित आउटपुट में से एक में निर्देशित करता है।एनालॉग और डिजिटल सिग्नल दोनों के साथ इसका सामंजस्य यह है कि यह विभिन्न डिजाइन परिदृश्यों में बहुमुखी है, जटिल ऑडियो सिग्नल पथ को नेविगेट करने से लेकर नियंत्रण प्रणालियों को परिष्कृत करने तक।CD4052 की दोहरी क्षमताएं एनालॉग और डिजिटल दुनिया के साथ सहज इंटरफ़ेस प्रदान करती हैं, जिससे इसकी सीमा बढ़ जाती है।यह अनुकूलनशीलता मिश्रित संकेतों से निपटने वाले वातावरण में पोषित है।

|
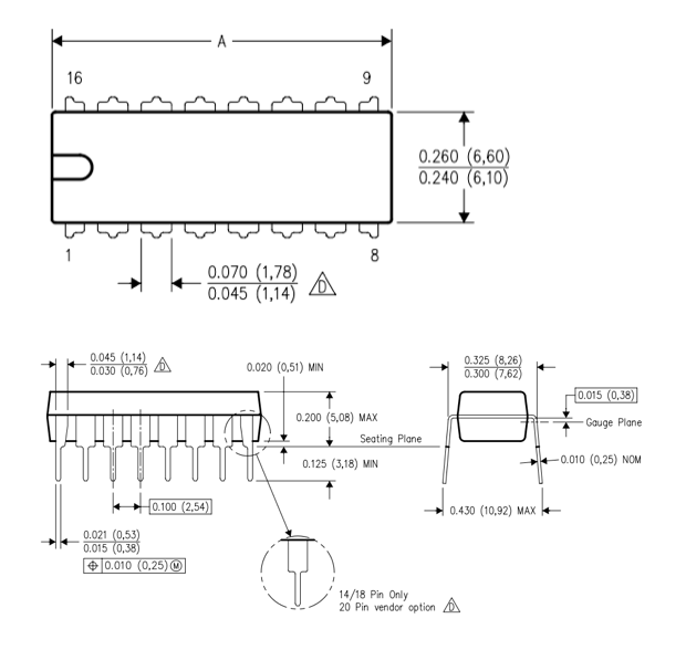
नत्थी करना
नहीं। |
पिन नाम |
विवरण |
|
16 |
वीडीडी |
सकारात्मक बिजली इनपुट, अधिकतम 20V |
|
7 |
वी |
नकारात्मक बिजली रेल, आम तौर पर जमीन से जुड़ी होती है। |
|
8 |
वीएसएस (आधार) |
सर्किट की जमीन से जुड़ा हुआ है |
|
6 |
Inh |
पिन सक्षम करें - सामान्य के लिए जमीन पर खींचा जाना चाहिए
संचालन |
|
9,10 |
ए, बी |
चैनल सेलेक्ट पिन |
|
1,12 |
Y0, x0 |
चैनल 0 इनपुट / आउटपुट |
|
5,14 |
Y1, X1 |
चैनल 1 इनपुट / आउटपुट |
|
2,15 |
Y2, x2 |
चैनल 2 इनपुट / आउटपुट |
|
4,11 |
Y3, x3 |
चैनल 3 इनपुट / आउटपुट |
|
3,13 |
Y, x |
सामान्य आउटपुट / इनपुट |
|
विशेषता |
विवरण |
|
4-चैनल MUX और डेमक्स |
मल्टीप्लेक्सिंग और डेमक्सिंग के लिए 4 चैनलों का समर्थन करता है। |
|
4: 1 मल्टीप्लेक्स |
1-आउटपुट मल्टीप्लेक्स के लिए 4-इनपुट के रूप में काम करता है। |
|
1: 4 डेमुलिप्लेक्सर |
4-इनपुट के रूप में 4-आउटपुट डेमुलिप्लेक्सर के रूप में काम करता है। |
|
अनुरूप और डिजिटल समर्थन |
एनालॉग और डिजिटल सिग्नल दोनों को संभालता है। |
|
नाममात्र वोल्टेज |
5V, 10V, या 15V पर संचालित होता है। |
|
मैक्स वोल्टेज |
20V तक संचालित होता है। |
|
प्रचार देरी |
5V पर 400Ns। |
|
पैकेज विकल्प |
PDIP, CDIP, SOIC और TSSOP (16-पिन) में उपलब्ध है। |
• 74HC4067
• 74HC157
• CD4016
• NTE4052
• 4017
CD4052 उन्नत CMOS तकनीक का लाभ उठाते हुए, उच्च-वोल्टेज मल्टीप्लेक्स और डेमुलिप्लेक्सर फ्रेमवर्क दोनों के भीतर अपनी अनुकूलनशीलता के लिए प्रसिद्ध है।आप अक्सर इसे कॉन्फ़िगरेशन में पा सकते हैं जहां एक 4: 1 मल्टीप्लेक्सर (MUX) या 1: 4 डेमल्टिप्लेक्सर (डेमक्स) एक भूमिका निभाता है, विशेष रूप से प्रोग्रामेबल लॉजिक वातावरण में।डिवाइस की क्षमता एनालॉग और डिजिटल वोल्टेज दोनों को नेविगेट करने की क्षमता इसे एनालॉग-टू-डिजिटल और डिजिटल-टू-एनालॉग संक्रमणों के बीच एक पुल बनाती है।
एक मल्टीप्लेक्स, या "MUX," एक उपकरण है जिसका उपयोग कई इनपुट सिग्नल में से एक का चयन करने और इसे एकल आउटपुट तक पहुंचाने के लिए किया जाता है।यह क्षमता चयन लाइनों द्वारा नियंत्रित की जाती है, जो निर्धारित करती है कि कौन सा इनपुट आउटपुट पर भेजा जाता है।मल्टीप्लेक्स डेटा कुशलता से डेटा को प्रबंधित करने के लिए अच्छे हैं, विशेष रूप से उन प्रणालियों में जो जानकारी के बड़े संस्करणों को संभालते हैं, जैसे कि दूरसंचार और कंप्यूटर नेटवर्क।दूरसंचार में, मल्टीप्लेक्सर्स एक एकल संचार चैनल को साझा करने के लिए आवाज, वीडियो और डेटा जैसे कई संकेतों की अनुमति देते हैं, जिससे उपलब्ध बैंडविड्थ का अधिकतम लाभ होता है।इसी तरह, कंप्यूटिंग में, वे डेटा रूटिंग और स्विचिंग को प्रबंधित करने में मदद करते हैं, उपकरणों के बीच सुचारू और कुशल संचार सुनिश्चित करते हैं।मल्टीप्लेक्सर्स भी डिजिटल सिस्टम में एक भूमिका निभाते हैं, जैसे कि माइक्रोकंट्रोलर और लॉजिक सर्किट, सीमित हार्डवेयर घटकों की कार्यक्षमता का विस्तार करके और तेजी से डेटा प्रोसेसिंग और सिग्नल स्विचिंग को सक्षम करके।

|
ए |
बी |
चैनल चयनित |
|
0 |
0 |
चैनल 0 |
|
1 |
0 |
चैनल 1 |
|
0 |
1 |
चैनल 2 |
|
1 |
1 |
चैनल 3
|
आंकड़ा और तालिका एक साथ CD4052 IC के संचालन को 4: 1 मल्टीप्लेक्स के रूप में चित्रित करती है, यह दर्शाता है कि एक समय में एक इनपुट चैनल को चुनिंदा पिन ए और बी के मूल्यों के आधार पर कैसे चुना जाता है, यह चित्र में चार इनपुट हैं।चैनल (x0 -x3) मल्टीप्लेक्स से जुड़े, सेलेक्ट लाइनों ए और बी के साथ यह निर्धारित करते हैं कि कौन सा इनपुट आउटपुट (एक्स) के लिए रूट किया गया है।उदाहरण के लिए, आंकड़ा कॉन्फ़िगरेशन को दर्शाता है जहां A = 1 और B = 0, चैनल 1 (X1) को सक्रिय करना, और इसके सिग्नल (बाइनरी 1) को आउटपुट में पारित किया जाता है।तालिका इसी सक्रिय चैनलों के लिए चुनिंदा पिन राज्यों की एक स्पष्ट मानचित्रण प्रदान करके इसे पूरक करती है: A = 0 और B = 0 चैनल 0 (x0), A = 1 और B = 0 का चयन करता है।0 और b = 1 चैनल 2 (x2), और a = 1 और b = 1 चैनल 3 (x3) का चयन करता है।साथ में, आंकड़ा और तालिका प्रभावी रूप से मल्टीप्लेक्स की कार्यक्षमता को चित्रित करती है, जिसमें आंकड़ा नेत्रहीन रूप से तालिका में परिभाषित चैनल चयन को लागू करता है।
एक demultiplexer, या "Demux," एक मल्टीप्लेक्सर के विपरीत कार्य करता है।यह एक एकल इनपुट सिग्नल लेता है और इसे नियंत्रण संकेत के आधार पर कई आउटपुट लाइनों में से एक में वितरित करता है।यह उन प्रणालियों में उपयोगी है जिन्हें डेटा या सिग्नल को विभिन्न गंतव्यों पर निर्देशित करने की आवश्यकता होती है, जैसे कि संचार प्रणालियों में जहां एक एकल स्रोत कई रिसीवरों को डेटा भेजता है।Demultiplexers का उपयोग उन प्रणालियों में सटीक डेटा वितरण सुनिश्चित करने के लिए किया जाता है जो जानकारी की कई धाराओं को संभालते हैं।उदाहरण के लिए, मल्टीमीडिया अनुप्रयोगों में, DeMultiplexers अलग -अलग ऑडियो, वीडियो और प्लेबैक या प्रोसेसिंग के लिए अन्य डेटा स्ट्रीम को अलग करते हैं।कंप्यूटिंग में, उन्हें मेमोरी सिस्टम में विशिष्ट स्थानों या उपकरणों के लिए डेटा को रूट करने के लिए उपयोग किया जाता है।

यह आंकड़ा CD4052 IC के संचालन को 1: 4 डेमुलिप्लेक्सर के रूप में प्रदर्शित करता है, जहां X और Y पिन पर लागू एक एकल इनपुट सिग्नल को चार आउटपुट जोड़े (X0Y0, X1Y1, X2Y2, X3Y3) में से एक में राज्यों के आधार पर रूट किया जाता है।आरेख में चुनिंदा पिन ए और बी में से, इनपुट सिग्नल (बाइनरी 1) को दूसरे आउटपुट जोड़ी (x2 और y2) के लिए निर्देशित किया जाता है क्योंकि चुनिंदा पिन को ए = 0 और बी = 1 के रूप में कॉन्फ़िगर किया गया है, विवरण में मिलान करनाप्रदान की गई सामग्री।यह रूटिंग क्षमता आईसी के आंतरिक स्विचिंग तंत्र द्वारा प्राप्त की जाती है, जो वांछित आउटपुट चैनल के लिए संकेतों के सटीक वितरण को सक्षम करती है।डायनेमिक सिग्नल डिस्ट्रीब्यूशन की आवश्यकता वाले सिस्टम में इस तरह की कार्यक्षमता की आवश्यकता होती है, जैसे कि संचार और सिग्नल प्रोसेसिंग सेटअप, जहां कई आउटपुट के लिए एक सिग्नल को रूट करने की क्षमता कुशलता से जटिल परिचालन मांगों का समर्थन करती है।
एक मल्टीप्लेक्स और डेमुलिप्लेक्सर के रूप में कार्य करता है।इलेक्ट्रॉनिक सिस्टम में कई सिग्नल इनपुट या आउटपुट के कुशल चयन और रूटिंग को सक्षम करता है।व्यापक रूप से संचार और डेटा प्रबंधन अनुप्रयोगों में उपयोग किया जाता है।
एनालॉग-टू-डिजिटल और डिजिटल-टू-एनालॉग सिस्टम में सटीक और रूपांतरण दरों में सुधार करता है।ऑडियो प्रसंस्करण और इंस्ट्रूमेंटेशन के लिए उत्कृष्ट सटीक सिग्नल रूपांतरण की आवश्यकता होती है।
नेटवर्क सिस्टम में सहज डेटा ट्रांसफर की सुविधा देता है।कुशल स्विचिंग और फॉल्ट डिटेक्शन के लिए टेलीकॉम और हाई-स्पीड कंप्यूटिंग में उपयोग किया जाता है।
एम्बेडेड सिस्टम और IoT में अनुकूलन योग्य और त्वरित प्रोटोटाइप समाधानों का समर्थन करता है।प्रोग्रामेबल लॉजिक डिवाइसों में अनुकूलनशीलता और विकास दक्षता को बढ़ाता है।

कृपया एक जांच भेजें, हम तुरंत जवाब देंगे।
2024/12/19 पर
2024/12/19 पर
8000/04/18 पर 147758
2000/04/18 पर 111943
1600/04/18 पर 111349
0400/04/18 पर 83721
1970/01/1 पर 79508
1970/01/1 पर 66916
1970/01/1 पर 63070
1970/01/1 पर 63012
1970/01/1 पर 54081
1970/01/1 पर 52139