
ए triac (वैकल्पिक वर्तमान के लिए ट्रायोड) एक अर्धचालक उपकरण है जिसका उपयोग एसी (वर्तमान वर्तमान) सर्किट में बिजली को नियंत्रित करने के लिए किया जाता है।MOSFETS या IGBTs के विपरीत, जो मुख्य रूप से DC सिस्टम में उपयोग किए जाते हैं और केवल एक दिशा में वर्तमान प्रवाह की अनुमति देते हैं, एक TRIAC दोनों दिशाओं में संचालन कर सकता है, जिससे यह AC अनुप्रयोगों के लिए आदर्श बन जाता है।इसमें तीन टर्मिनल हैं: मुख्य टर्मिनल 1 (एमटी 1), मुख्य टर्मिनल 2 (एमटी 2), और एक गेट।गेट डिवाइस को एक सकारात्मक या नकारात्मक वोल्टेज के साथ ट्रिगर करने की अनुमति देता है, जिससे एसी ध्रुवीयता की परवाह किए बिना लचीला स्विचिंग सक्षम होता है।आंतरिक रूप से, एक TRIAC दो थाइरिस्टर्स (SCRs) जैसे विपरीत दिशाओं में जुड़ा हुआ है, जो द्विदिश नियंत्रण प्रणालियों में अतिरिक्त घटकों की आवश्यकता को कम करता है।

चित्रा 2. TRIAC का प्रतीक
त्रिक प्रतीक, नेत्रहीन अपनी द्विदिश प्रकृति का प्रतिनिधित्व करता है।इसमें प्रतीक के भीतर दो विरोधी तीरों की सुविधा है, जो वर्तमान में MT1 और MT2 के बीच दोनों दिशाओं में प्रवाह कर सकता है।एक ऊर्ध्वाधर रेखा गेट टर्मिनल से जुड़ती है, जो इसके नियंत्रण फ़ंक्शन को दर्शाती है।यह कॉम्पैक्ट और कुशल डिज़ाइन ट्राइक को एसी पावर कंट्रोल एप्लिकेशन जैसे कि लाइट डिमर्स, मोटर स्पीड कंट्रोलर, हीटिंग सिस्टम और अन्य घरेलू या औद्योगिक एसी स्विचिंग सर्किट में व्यापक रूप से उपयोग करने की अनुमति देता है।

चित्रा 3. BT136 TRIAC
BT136 एक लोकप्रिय TRIAC मॉडल है जिसका उपयोग घरेलू और औद्योगिक एसी स्विचिंग कार्यों दोनों में किया जाता है।इसमें एक संवेदनशील गेट है, जिसका अर्थ है कि इसे बहुत छोटे धारा के साथ ट्रिगर किया जा सकता है।यह माइक्रोकंट्रोलर और लॉजिक आईसी जैसे कम-शक्ति वाले उपकरणों के साथ उपयोग के लिए आदर्श बनाता है।BT136 को प्लानर पासेशन तकनीक का उपयोग करके बनाया गया है, जो इसकी दीर्घकालिक विश्वसनीयता में सुधार करता है और इसे वोल्टेज स्पाइक्स के लिए अधिक प्रतिरोधी बनाता है।यह सभी चार एसी चालन चतुर्थांश में काम कर सकता है, इसलिए यह अच्छा प्रदर्शन करता है, भले ही गेट सिग्नल ध्रुवीयता भिन्न हो।यह TRIAC एक उच्च अवरुद्ध वोल्टेज का समर्थन करता है, जो 230V AC सिस्टम के लिए उपयुक्त है।इसमें एक कम होल्डिंग करंट भी है, जो इसे कम-लोड स्थितियों के तहत भी चालू रखने में मदद करता है।ये विशेषताएं BT136 को हीटिंग सिस्टम में फैन स्पीड कंट्रोल, लाइटिंग डिमिंग और तापमान विनियमन जैसे अनुप्रयोगों के लिए एक ठोस विकल्प बनाती हैं।
• कम गेट वर्तमान आवश्यकता माइक्रोकंट्रोलर या लॉजिक चिप्स द्वारा प्रत्यक्ष नियंत्रण की अनुमति देती है।
• उच्च अवरुद्ध वोल्टेज एसी लाइनों में वोल्टेज सर्ज से बचाता है।
• कम होल्डिंग करंट कम लोड के दौरान स्थिर चालन सुनिश्चित करता है।
• चार-चतुर्थक ट्रिगरिंग गेट ड्राइव सर्किट डिजाइन में लचीलापन प्रदान करता है।
• प्लानर पास किया गया डिजाइन समय के साथ स्थिरता और विद्युत असभ्यता में सुधार करता है।
• प्रकाश डिमर्स जो एसी चालन को नियंत्रित करके दीपक चमक को समायोजित करते हैं।
• सीलिंग पंखे और एयर कंडीशनर जैसे उपकरणों में फैन स्पीड रेगुलेटर।
• इलेक्ट्रिक ओवन और वॉटर हीटर जैसे उपकरणों में हीटिंग तत्व नियंत्रक।
• स्मार्ट होम सिस्टम जो माइक्रोकंट्रोलर्स को उच्च-वोल्टेज एसी लोड से जोड़ते हैं।

चित्रा 4. BT139 TRIAC
BT139 एक अधिक मजबूत TRIAC है जिसे उच्च वर्तमान अनुप्रयोगों के लिए डिज़ाइन किया गया है।यह 9 ए तक संभाल सकता है, जिससे यह औद्योगिक मोटर्स, वाणिज्यिक प्रकाश व्यवस्था और हीटिंग इकाइयों जैसे भारी एसी लोड के लिए उपयुक्त हो जाता है।BT136 की तरह, यह द्विदिश चालन का समर्थन करता है और सभी चार चतुर्थांशों में ट्रिगर किया जा सकता है।इसमें एक बीहड़ डिज़ाइन है और आमतौर पर औद्योगिक वातावरण में पाए जाने वाले वोल्टेज संक्रमणों का सामना कर सकता है।यह मांग की शर्तों के लिए एक विश्वसनीय विकल्प बनाता है।
• बड़े या आगमनात्मक भार को नियंत्रित करने के लिए उच्च वर्तमान क्षमता (9 ए तक)
• चार-चतुर्थक ट्रिगर लचीले सर्किट डिजाइन की अनुमति देता है।
• उच्च अवरुद्ध वोल्टेज मानक एसी मुख्य और क्षणिक स्थितियों को संभालता है।
• संवेदनशील गेट कम-शक्ति नियंत्रण संकेतों के साथ संगत है।
• प्लानर पासेशन लंबे समय तक स्थायित्व और वोल्टेज सहिष्णुता सुनिश्चित करता है।
• औद्योगिक प्रशंसक या पंप गति नियंत्रण जहां स्टार्टअप करंट अधिक है।
• वाणिज्यिक प्रकाश प्रणालियों के लिए चरण-नियंत्रित डिमिंग।
• एचवीएसी सिस्टम और औद्योगिक ओवन में सटीक ताप नियंत्रण।
• बड़े पैमाने पर स्वचालन में स्मार्ट एनर्जी सिस्टम और प्रोग्रामेबल टाइमर।
• वाशिंग मशीन और एयर कंडीशनर जैसे उच्च अंत आवासीय उपकरण।

चित्रा 5. TRIAC का कार्य आरेख
ट्राईक (ट्रायोड फॉर ऑल्टरनेटिंग करंट) एसी सर्किट में पावर को नियंत्रित करने के लिए डिज़ाइन किए गए सेमीकंडक्टर डिवाइस हैं।डिवाइस महत्वपूर्ण रूप से दो एससीआर (सिलिकॉन नियंत्रित रेक्टिफायर) है जो एक साझा गेट टर्मिनल के साथ उलटा समानांतर में जुड़ा हुआ है, जिससे इसे ट्रिगर होने पर दोनों दिशाओं में आचरण करने की अनुमति मिलती है।चित्रा 5 में, हम एक ट्राईक के प्रतीक के साथ-साथ इसके समकक्ष सर्किट के साथ एक सामान्य गेट द्वारा नियंत्रित दो बैक-टू-बैक थाइरिस्टर्स को दर्शाते हैं।टर्मिनलों को एनोड 1 (या मुख्य टर्मिनल 1 - एमटी 1), एनोड 2 (या एमटी 2), और गेट के रूप में लेबल किया जाता है।गेट टर्मिनल का उपयोग टीआरआईएसी के माध्यम से चालन शुरू करने के लिए किया जाता है, जिससे यह एसी पावर स्विचिंग अनुप्रयोगों के लिए आदर्श बन जाता है।

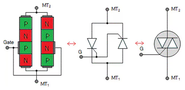
चित्रा 6. TRIAC (बाएं), दो ट्रांजिस्टर सादृश्य (मध्य), TRIAC प्रतीक (दाएं) का भौतिक निर्माण
एक TRIAC की आंतरिक संरचना, जैसा कि चित्र 6 में दिखाया गया है, में वैकल्पिक रूप से पी और एन परतों की एक जटिल व्यवस्था शामिल है जो पांच अर्धचालक क्षेत्रों का निर्माण करती है।ये ट्राइक को ट्रिगरिंग सिग्नल के आधार पर किसी भी दिशा में आचरण करने की अनुमति देते हैं।चित्रा 6 में केंद्रीय छवि सरलीकृत सर्किट मॉडल का प्रतिनिधित्व करती है, और सबसे सही छवि इसकी प्रतीकात्मक प्रतिनिधित्व है जो सर्किट आरेखों में उपयोग किया जाता है।गेट सिग्नल आंतरिक ट्रांजिस्टर की लेचिंग प्रक्रिया को नियंत्रित करता है, जो एमटी 1 और एमटी 2 के बीच वर्तमान प्रवाह को सक्षम करता है।ट्राइक की यह द्विदिश प्रकृति उन्हें डिमर स्विच, मोटर गति नियंत्रण और हीटिंग विनियमन में उपयोगी बनाती है जहां एसी वर्तमान दिशा लगातार वैकल्पिक होती है।
वोल्टेज-करंट (वी-आई) एक ट्राईक की विशेषता को चार चतुर्थांशों में विभाजित किया गया है, जो एमटी 1 के संबंध में मुख्य टर्मिनल एमटी 2 की ध्रुवीयता और गेट सिग्नल की ध्रुवीयता के आधार पर है।यह डिवीजन यह समझने में महत्वपूर्ण है कि ट्राईक अलग -अलग ट्रिगरिंग स्थितियों के तहत कैसे व्यवहार करता है और सर्किट को डिजाइन करते समय आवश्यकता होती है जिसे नियंत्रित स्विचिंग की आवश्यकता होती है।

चित्रा 7. वोल्टेज बनाम एक TRIAC की वर्तमान विशेषताएं
ऊपर दिए गए आरेख में वी-आई विशेषता वक्र का संदर्भ लें, जहां:
• क्षैतिज अक्ष MT1 और MT2 में वोल्टेज का प्रतिनिधित्व करता है।
• ऊर्ध्वाधर अक्ष TRIAC के माध्यम से वर्तमान का प्रतिनिधित्व करता है।
• प्रत्येक अक्ष के सकारात्मक और नकारात्मक पड़ाव दोनों दिशाओं में संचालन करने की TRIAC की क्षमता दिखाते हैं, जिससे यह एसी अनुप्रयोगों के लिए उपयुक्त है।
इस ऑपरेटिंग मोड को ट्राइक को ट्रिगर करने के लिए सबसे संवेदनशील और कुशल माना जाता है।चतुर्थांश I में, मुख्य टर्मिनल 2 (MT2) और गेट दोनों मुख्य टर्मिनल 1 (MT1) के संबंध में सकारात्मक हैं।इन शर्तों के तहत, TRIAC को सक्रिय करना आसान है।इस चतुर्थांश में उच्च संवेदनशीलता के कारण, चालन शुरू करने के लिए केवल एक छोटे से गेट करंट की आवश्यकता होती है।यह चतुर्थांश I को नियंत्रण अनुप्रयोगों के लिए अत्यधिक वांछनीय बनाता है, विशेष रूप से एसी पावर कंट्रोल में, जहां गेट ड्राइव आवश्यकताओं को कम करने से जटिलता और लागत कम हो सकती है।
ट्राईक तेजी से इस मोड में "ऑन" या राज्य का संचालन करता है, जिससे वर्तमान को एमटी 2 और एमटी 1 के बीच प्रवाह करने की अनुमति मिलती है।जैसे, इस चतुर्थांश का उपयोग व्यापक रूप से व्यावहारिक एसी स्विचिंग और चरण-नियंत्रण सर्किट में किया जाता है, जैसे कि हल्के डिमर्स, मोटर स्पीड कंट्रोलर और हीटर नियामकों।ट्राइक ट्रिगरिंग विशेषताओं के ग्राफिकल प्रतिनिधित्व में, चतुर्थांश मैं वक्र के शीर्ष-दाएं खंड में दिखाई देता है, जहां वोल्टेज और गेट वर्तमान ध्रुवीय दोनों सकारात्मक हैं।
इस ऑपरेटिंग क्वाड्रंट में, मुख्य टर्मिनल 2 (MT2) को मुख्य टर्मिनल 1 (MT1) के संबंध में एक सकारात्मक वोल्टेज पर आयोजित किया जाता है, जबकि गेट टर्मिनल MT1 के संबंध में नकारात्मक है।यह कॉन्फ़िगरेशन अभी भी डिवाइस को SCR या TRIAC जैसे ट्रिगर करने की अनुमति देता है, लेकिन यह क्वाड्रेंट I में ऑपरेशन की तुलना में काफी कम संवेदनशील है।
कम संवेदनशीलता इस तथ्य के कारण है कि गेट वर्तमान MT2 वर्तमान के विपरीत दिशा में बहता है।गेट और एमटी 2 के बीच यह विरोध करने वाली ध्रुवीयता डिवाइस की संरचना में वाहक के कम कुशल इंजेक्शन में परिणाम करती है, जिसके बदले में ट्रिगरिंग को प्राप्त करने के लिए एक उच्च गेट करंट की आवश्यकता होती है।नतीजतन, इस मोड में डिवाइस को चालू करने के लिए अधिक प्रयास (गेट ड्राइव के संदर्भ में) की आवश्यकता होती है।
ऑपरेशन के इस मोड को वी-आई विशेषता वक्र के शीर्ष-बाएं चतुर्थांश में चित्रित किया गया है।कम संवेदनशीलता के बावजूद, क्वाड्रेंट II में ट्रिगरिंग अभी भी व्यवहार्य है और आमतौर पर व्यावहारिक अनुप्रयोगों में उपयोग किया जाता है, विशेष रूप से एसी स्विचिंग में जहां दोनों ध्रुवीयता का सामना किया जाता है।
इस ऑपरेटिंग क्षेत्र में, मुख्य टर्मिनल 2 (MT2) और गेट दोनों मुख्य टर्मिनल 1 (MT1) के सापेक्ष नकारात्मक क्षमता पर हैं।यह मोड कार्यात्मक रूप से चतुर्थांश I के समान है, जहां दोनों टर्मिनल सकारात्मक हैं, लेकिन यह विपरीत ध्रुवीयता में संचालित होता है।यद्यपि चतुर्थांश III में संवेदनशीलता चतुर्थांश I की तुलना में थोड़ी कम है, फिर भी इसे संचालन का एक संवेदनशील मोड माना जाता है।गेट को चालन को ट्रिगर करने के लिए केवल एक मामूली वर्तमान की आवश्यकता होती है, जिससे यह चतुर्थांश उन अनुप्रयोगों के लिए एक व्यवहार्य विकल्प बन जाता है जहां कम-शक्ति नियंत्रण संकेतों का उपयोग किया जाता है।
क्वाड्रेंट III ऑपरेशन उन प्रणालियों में उपयोगी होता है जो नकारात्मक इनपुट सिग्नल को संभालते हैं, जैसे कि वे वैकल्पिक वर्तमान (एसी) नियंत्रण सर्किट या विशिष्ट प्रकार के द्विदिश स्विचिंग में पाए जाते हैं जहां संकेतों की ध्रुवीयता गतिशील रूप से भिन्न होती है।इस मोड को गेट और एमटी 2 वोल्टेज के नकारात्मक-नकारात्मक संयोजन के अनुरूप, चार-चतुर्थक ट्रिगरिंग विशेषता आरेख के निचले-बाएँ चतुर्थांश में ग्राफिक रूप से दर्शाया गया है।
क्वाड्रेंट I की तुलना में इसकी थोड़ी कम संवेदनशीलता के बावजूद, क्वाड्रेंट III अभी भी विश्वसनीय और उत्तरदायी ट्रिगरिंग व्यवहार प्रदान करता है, जो इसे कई द्विदिश या सममित स्विचिंग अनुप्रयोगों में एक व्यावहारिक विकल्प बनाता है, जहां दोनों ध्रुवों से ट्रिगर की आवश्यकता होती है।
यह चतुर्थांश थाइरिस्टोर के कम संवेदनशील परिचालन मोड में से एक का प्रतिनिधित्व करता है, बहुत कुछ चतुर्थांश II की तरह।इस कॉन्फ़िगरेशन में, मुख्य टर्मिनल 2 (एमटी 2) मुख्य टर्मिनल 1 (एमटी 1) के संबंध में नकारात्मक है, जबकि गेट एक सकारात्मक वर्तमान प्राप्त करता है।इस ध्रुवीयता व्यवस्था के कारण, डिवाइस को ट्रिगर करने के लिए क्वाड्रंट्स I और III में पाए जाने वाले अधिक संवेदनशील मोड की तुलना में एक उच्च गेट करंट की आवश्यकता होती है।
वी-आई विशेषता वक्र पर, चतुर्थांश IV नीचे-दाएं खंड में स्थित है, जहां लागू वोल्टेज नकारात्मक है और गेट वर्तमान को सकारात्मक रूप से निर्देशित किया जाता है।इस मोड में चालन अपेक्षाकृत अक्षम है, जिससे यह गेट संवेदनशीलता और ऊर्जा उपयोग के संदर्भ में कम से कम अनुकूल हो जाता है।कई उच्च दक्षता या कम गेट ड्राइव की आवश्यकता होने पर ट्रिगर करने के लिए इस चतुर्थांश का उपयोग करने से बचते हैं।हालांकि, इसके व्यवहार को समझना अभी भी थाइरिस्टर की प्रदर्शन सीमाओं को पूरी तरह से चिह्नित करने और सभी संभावित परिस्थितियों में सुरक्षित संचालन सुनिश्चित करने के लिए महत्वपूर्ण है।
|
विशेषता |
एससीआर (सिलिकॉन नियंत्रित)
रेक्टिफायर) |
ट्राईक (ट्राइओड)
प्रत्यावर्ती धारा) |
|
परिवार |
thyristor |
thyristor |
|
चालन दिशा |
यूनिडायरेक्शनल (केवल एक दिशा) |
द्विदिश (दोनों दिशाओं) |
|
गेट ट्रिगर |
एक सकारात्मक गेट पल्स की आवश्यकता है |
सकारात्मक या नकारात्मक गेट द्वारा ट्रिगर किया जा सकता है
नाड़ी |
|
ट्रिगरिंग घटक |
अक्सर एक UJT का उपयोग करके ट्रिगर किया जाता है |
अक्सर एक डायक का उपयोग करके ट्रिगर किया जाता है |
|
वर्तमान व्यवहार धारण करना |
होल्डिंग लेवल से नीचे की बूंदों तक रहता है |
एक ही, लेकिन दोनों दिशाओं में |
|
अनुप्रयोग फ़ोकस |
डीसी या एक-तरफ़ा एसी नियंत्रण के लिए सबसे अच्छा |
एसी नियंत्रण के लिए आदर्श (दोनों दिशाएं) |
|
सत्ता चलाना |
उच्च वोल्टेज और उच्च वर्तमान क्षमता |
मध्यम वोल्टेज और वर्तमान हैंडलिंग |
|
थर्मल प्रबंधन |
गर्मी के सिंक की आवश्यकता है |
आमतौर पर केवल एक हीट सिंक की आवश्यकता होती है |
|
कार्य -मोड |
एक मोड में संचालित होता है |
ऑपरेशन के चार मोड का समर्थन करता है |
|
वी-आई विशेषताएँ |
एक चतुर्थांश में संचालित होता है |
दो चतुर्थांशों में संचालित होता है |
|
विश्वसनीयता |
ज्यादा विश्वसनीय |
एससीआर से कम विश्वसनीय |
|
विशेषता |
डीआईएसी |
triac |
|
संरचना |
दो प्रकार की युक्ति |
तीन-टर्मिनल डिवाइस (MT1, MT2, गेट) |
|
ट्रिगरिंग विधि |
जब वोल्टेज एक निश्चित सीमा से अधिक हो जाता है (नहीं)
बाहरी ट्रिगर) |
गेट पल्स लगाने से ट्रिगर किया जा सकता है |
|
द्वार टर्मिनल |
कोई गेट टर्मिनल नहीं |
ट्रिगर करने के लिए एक गेट टर्मिनल है |
|
नियंत्रण |
वोल्टेज-नियंत्रित;अनियंत्रित स्विचिंग |
गेट-नियंत्रित;सटीक स्विचिंग की अनुमति देता है |
|
ध्रुवीयता संवेदनशीलता |
द्विदिश चालन |
द्विदिश चालन |
|
सामान्य उपयोग |
नियंत्रण सर्किट में ट्राइक को ट्रिगर करने के लिए उपयोग किया जाता है |
एसी सर्किट में स्विचिंग और नियंत्रण के लिए उपयोग किया जाता है |
|
अनुप्रयोग उदाहरण |
लाइट डिमर्स, मोटर सॉफ्ट-स्टार्ट्स (ट्रिगर के रूप में
त्रिक के लिए) |
चरण नियंत्रण, मोटर गति नियंत्रण, डिमर्स, एसी स्विचिंग |
|
युग्मन में कार्य |
चिकनी और सुसंगत ट्राइक ट्रिगर सुनिश्चित करने में मदद करता है |
मुख्य स्विचिंग/नियंत्रण घटक, डायक द्वारा ट्रिगर किया गया
कुछ सर्किट |
1. द्विदिश वर्तमान चालन
एक TRIAC (वर्तमान के लिए ट्रायोड) के फायदों में से एक दोनों दिशाओं में वर्तमान का संचालन करने की क्षमता है।मानक एससीआरएस (सिलिकॉन नियंत्रित रेक्टिफायर) के विपरीत, जो केवल एक दिशा में वर्तमान प्रवाह की अनुमति देते हैं, ट्राइक रिवर्स वर्तमान प्रवाह को संभालने के लिए अतिरिक्त घटकों की आवश्यकता के बिना एसी शक्ति को नियंत्रित कर सकते हैं।यह द्विदिश क्षमता उन्हें एसी स्विचिंग अनुप्रयोगों में उपयोगी बनाती है।
2. सकारात्मक या नकारात्मक संकेतों के साथ गेट ट्रिगर
ट्राइक को गेट टर्मिनल पर सकारात्मक या नकारात्मक वोल्टेज को लागू करके चालन में ट्रिगर किया जा सकता है।यह लचीलापन सर्किट डिजाइन में अधिक आसानी के लिए अनुमति देता है, क्योंकि ट्रिगरिंग तंत्र एक ध्रुवीयता तक सीमित नहीं है।एसी वेवफॉर्म के दोनों हिस्सों के साथ काम करने के लिए सर्किट डिजाइन करते समय यह उपयोगी है।
3. दोहरी एससीआर की तुलना में सर्किट डिजाइन को सरल बनाता है
क्योंकि एक एकल TRIAC दोनों दिशाओं में वर्तमान प्रवाह को नियंत्रित कर सकता है, यह अक्सर एंटी-समानांतर में व्यवस्थित दो एससीआर को बदल सकता है।यह समग्र घटक गणना को कम करता है, जो सर्किट लेआउट को सरल करता है, अंतरिक्ष आवश्यकताओं को कम करता है, और सिस्टम में संभावित विफलता बिंदुओं पर कटौती करता है।
4. केवल एक हीट सिंक और एक फ्यूज की आवश्यकता है
SCRS की एक जोड़ी के बजाय एक TRIAC का उपयोग करना थर्मल प्रबंधन और सुरक्षा को सरल बनाता है।चूंकि केवल एक पावर-डिसिपेटिंग घटक है, इसलिए एक हीट सिंक पर्याप्त है।इसी तरह, एक एकल फ्यूज का उपयोग सुरक्षा के लिए किया जा सकता है, डिजाइन को सरल बनाने और संभावित रूप से लागत को कम करने के लिए।
5. कम से कम मध्यम बिजली अनुप्रयोगों के लिए कॉम्पैक्ट और लागत प्रभावी
ट्राईक का उपयोग घरेलू और हल्के औद्योगिक उपकरणों जैसे डिमर स्विच, मोटर स्पीड कंट्रोल और हीटर नियामकों में व्यापक रूप से किया जाता है।वे कॉम्पैक्ट, सस्ती और सर्किट में एकीकृत करने के लिए आसान हैं, जिससे वे उन अनुप्रयोगों के लिए आदर्श हैं जहां उच्च शक्ति हैंडलिंग एक प्राथमिक चिंता नहीं है।
1. उच्च-शक्ति या उच्च-शोर वातावरण में कम विश्वसनीयता
उच्च-शक्ति या विद्युत रूप से शोर वातावरण में उपयोग किए जाने पर ट्राइक आमतौर पर एससीआर की तुलना में कम मजबूत होते हैं।वे विद्युत शोर के कारण झूठे ट्रिगर के लिए अतिसंवेदनशील होते हैं, जो भारी औद्योगिक अनुप्रयोगों में उनके उपयोग को सीमित करता है जहां ऐसी स्थितियां आम हैं।
2. डीवी/डीटी के प्रति संवेदनशील (वोल्टेज परिवर्तन की दर)
ट्राइक वोल्टेज में तेजी से बदलाव के लिए अधिक संवेदनशील होते हैं, जिन्हें डीवी/डीटी के रूप में जाना जाता है।वोल्टेज में अचानक स्पाइक अनजाने में डिवाइस को चालन में ट्रिगर कर सकता है, यहां तक कि एक गेट सिग्नल के बिना भी।इसका मुकाबला करने के लिए, अतिरिक्त स्नबर सर्किट की आवश्यकता होती है, जो डिजाइन को जटिल कर सकता है।
3. एससीआर की तुलना में कम वोल्टेज और वर्तमान रेटिंग
कई उपभोक्ता और हल्के औद्योगिक अनुप्रयोगों के लिए उपयुक्त रहते हुए, TRIACS में SCRs की तुलना में कम वर्तमान और वोल्टेज हैंडलिंग क्षमताएं होती हैं।उच्च-शक्ति प्रणालियों के लिए, विशेष रूप से उच्च वोल्टेज पर काम करने वाले, एससीआर आमतौर पर पसंदीदा विकल्प होते हैं।
4. चतुर्थक संवेदनशीलता से अनपेक्षित चालन हो सकता है
गेट सिग्नल और मुख्य टर्मिनलों की ध्रुवीयता के आधार पर अलग -अलग "क्वाड्रंट्स" में ट्राइक को ट्रिगर किया जा सकता है।कुछ क्वाड्रंट दूसरों की तुलना में अधिक संवेदनशील होते हैं, और यदि डिजाइन में ठीक से हिसाब नहीं दिया जाता है, तो इससे आकस्मिक चालन या अविश्वसनीय संचालन हो सकता है।विश्वसनीय प्रदर्शन सुनिश्चित करने के लिए आपको गेट ड्राइव की शर्तों पर सावधानीपूर्वक विचार करना चाहिए।
TRIACS इलेक्ट्रॉनिक घटक हैं जिनका उपयोग AC (वर्तमान वर्तमान) बिजली के प्रवाह को नियंत्रित करने के लिए किया जाता है।वे कई उपकरणों में पाए जाते हैं जिन्हें पावर स्विच या समायोजित करने की आवश्यकता होती है।यहाँ कुछ सामान्य अनुप्रयोग हैं:
ट्राइक एसी वोल्टेज के चरण नियंत्रण को सक्षम करके हल्के डिमर सर्किट में एक केंद्रीय भूमिका निभाते हैं।प्रत्येक एसी चक्र के दौरान बिंदु को नियंत्रित करके जिस पर TRIAC स्विच करता है, यह प्रभावी रूप से सीमित करता है कि वोल्टेज कितना दीपक तक पहुंचता है।यह तकनीक, जिसे चरण-कोण नियंत्रण कहा जाता है, डिलीवर की गई औसत शक्ति को कम कर देता है, बिना झिलमिलाहट के प्रकाश को कम करता है।ट्राईक कॉम्पैक्ट और कुशल हैं, जिससे वे दीवार स्विच और प्रकाश जुड़नार में फिटिंग के लिए आदर्श हैं।इसके अतिरिक्त, TRIAC- आधारित डिमर्स गरमागरम बल्ब जैसे प्रतिरोधक भार के साथ अच्छी तरह से काम करते हैं।हालांकि, आधुनिक ट्राईक डिमर्स को नई प्रकाश प्रौद्योगिकियों को संभालने के लिए भी डिज़ाइन किया गया है, जिसमें कुछ डिमेबल एलईडी और सीएफएल शामिल हैं।
घरेलू उपकरणों में जैसे कि छत के पंखे, निकास प्रशंसकों और कुछ वेंटिलेशन सिस्टम, ट्राइक का उपयोग आमतौर पर मोटर की गति को विनियमित करने के लिए किया जाता है।एसी चक्र के चालन कोण को समायोजित करके, ट्राईक फैन मोटर तक पहुंचने वाले वोल्टेज की मात्रा को नियंत्रित करते हैं, जो बदले में इसकी गति को बदल देता है।यह निश्चित गति स्तरों के विपरीत चिकनी, निरंतर नियंत्रण प्रदान करता है।TRIAC- आधारित प्रशंसक नियंत्रक पुराने यांत्रिक तरीकों की तुलना में अधिक कुशल और शांत हैं।वे बिना भागों के अधिक कॉम्पैक्ट डिजाइनों के लिए भी अनुमति देते हैं।यह आवासीय और वाणिज्यिक दोनों सेटिंग्स में ऊर्जा-कुशल, कम-शोर वाले प्रशंसक नियंत्रण के लिए एक उत्कृष्ट विकल्प बनाता है।
ट्राइक का उपयोग तापमान के स्तर का प्रबंधन करने के लिए इलेक्ट्रिक हीटर, ओवन और थर्मोस्टिक रूप से नियंत्रित उपकरणों में व्यापक रूप से उपयोग किया जाता है।TRIAC एक स्विच के रूप में कार्य करता है, एक निरंतर तापमान को बनाए रखने के लिए हीटिंग तत्व को चालू और बंद कर देता है।यह तेजी से स्विचिंग अक्सर एक थर्मोस्टैट या एक माइक्रोकंट्रोलर द्वारा नियंत्रित किया जाता है, जो सेंसर का उपयोग करके तापमान की निगरानी करता है।क्योंकि ट्राइक में कोई चलती भाग नहीं है, वे यांत्रिक रिले की तुलना में अधिक विश्वसनीय और टिकाऊ हैं।वे अधिक सटीक नियंत्रण के लिए भी अनुमति देते हैं, ऊर्जा की खपत को कम करने में मदद करते हैं।रसोई ओवन, कमरे के हीटर, और पानी के बॉयलर में, TRIAC- आधारित नियंत्रण प्रणाली लगातार प्रदर्शन और बेहतर ऊर्जा दक्षता को प्राप्त करने में मदद करती है।
स्मार्ट होम एप्लिकेशन में, TRIACS कम-वोल्टेज नियंत्रण संकेतों का उपयोग करके उच्च-वोल्टेज उपकरणों के स्वचालन को सक्षम करते हैं।उदाहरण के लिए, एक स्मार्ट लाइट स्विच या थर्मोस्टैट कमांड या पर्यावरण सेंसर के आधार पर 230V एसी उपकरण को चालू या बंद करने के लिए TRIAC का उपयोग कर सकता है।Triacs माइक्रोकंट्रोलर और वायरलेस मॉड्यूल को बड़े रिले या भौतिक स्विच की आवश्यकता के बिना रोशनी, प्रशंसकों और हीटर जैसे उपकरणों को नियंत्रित करने की अनुमति देते हैं।यह अधिक कॉम्पैक्ट और कुशल स्मार्ट होम डिवाइस की ओर जाता है।शांत ऑपरेशन, कम बिजली की खपत, और ट्राइक की विश्वसनीयता उन्हें ऐप्स या वॉयस सहायकों द्वारा नियंत्रित स्मार्ट होम सिस्टम में एकीकरण के लिए अच्छी तरह से अनुकूल बनाती है।
औद्योगिक वातावरण में, मशीनरी और मोटर-चालित प्रणालियों को नियंत्रित करने के लिए ट्राइक महत्वपूर्ण हैं।उनका उपयोग एसी वोल्टेज के चरण कोण को समायोजित करके इलेक्ट्रिक मोटर्स, पंपों और कंप्रेशर्स को बिजली की आपूर्ति को विनियमित करने के लिए किया जाता है।यह गति, टोक़ और समग्र ऊर्जा दक्षता के प्रबंधन में मदद करता है।ट्राइक का उपयोग ठोस-राज्य रिले में यांत्रिक पहनने के बिना भारी भार को स्विच करने के लिए भी किया जाता है, जिससे वे निरंतर औद्योगिक संचालन के लिए अधिक विश्वसनीय हो जाते हैं।ये एप्लिकेशन ट्राईक की तेज स्विचिंग क्षमताओं, कम रखरखाव की जरूरतों और कॉम्पैक्ट डिजाइन से लाभान्वित होते हैं।विनिर्माण और प्रसंस्करण संयंत्रों में, ट्राइक स्वचालन, लागत में कमी और जटिल विद्युत प्रणालियों पर बेहतर नियंत्रण में योगदान करते हैं।
दो व्यापक रूप से उपयोग किए जाने वाले TRIAC मॉडल BT136 और BT139 हैं।BT136 कम से मध्यम बिजली अनुप्रयोगों के लिए उपयुक्त है, 4 amps तक संभालता है, और अक्सर घरेलू उपकरणों जैसे कि डिमर्स, टाइमर और कम-शक्ति नियंत्रकों में उपयोग किया जाता है।दूसरी ओर, BT139, 16 amps तक उच्च वर्तमान भार का समर्थन करता है और औद्योगिक या भारी घरेलू उपयोग के लिए बेहतर अनुकूल है।दोनों मॉडलों को आमतौर पर माइक्रोकंट्रोलर या ऑप्टोइज़ोलेटर के साथ जोड़ा जाता है ताकि नियंत्रण सर्किटरी से सटीक स्विचिंग और अलगाव को सक्षम किया जा सके।
ट्राईक छोटे लेकिन शक्तिशाली उपकरण हैं जो कई रोजमर्रा के उपकरणों में एसी बिजली को नियंत्रित करने में मदद करते हैं।वे चीजों को चालू और बंद करने या बदलने के लिए महान हैं कि किसी चीज को कितनी शक्ति मिलती है, जैसे कि एक प्रकाश को कम करना या एक प्रशंसक को धीमा करना।क्योंकि वे दोनों दिशाओं में काम करते हैं, वे अंतरिक्ष को बचाते हैं और एक सर्किट में आवश्यक भागों की संख्या को कम करते हैं।ट्राइक घरों और कारखानों में पाए जाते हैं, और अक्सर माइक्रोकंट्रोलर जैसे छोटे कंप्यूटरों द्वारा नियंत्रित होते हैं।इस गाइड ने बताया है कि ट्राईक कैसे काम करते हैं, वे किससे बने होते हैं, उनका उपयोग कैसे करते हैं, और वे सबसे उपयोगी कहां हैं।इस ज्ञान के साथ, आप अपनी परियोजनाओं या उत्पादों के लिए सही TRIAC को चुनने और उपयोग करने के लिए तैयार होंगे।
कृपया एक जांच भेजें, हम तुरंत जवाब देंगे।
एक TRIAC को एसी (वैकल्पिक वर्तमान) के साथ काम करने के लिए डिज़ाइन किया गया है, न कि डीसी।यह दोनों दिशाओं में वर्तमान का संचालन कर सकता है, जो मेल खाता है कि कैसे एसी इसकी ध्रुवीयता को वैकल्पिक करता है।इसके विपरीत, ट्राइक डीसी के साथ ठीक से काम नहीं करते हैं क्योंकि एक बार एक गेट पल्स द्वारा चालू होने के बाद, वे संचालन करते रहते हैं और तब तक बंद नहीं होते हैं जब तक कि बिजली कटौती नहीं की जाती है, एसी के विपरीत जहां वर्तमान स्वाभाविक रूप से हर आधे चक्र को शून्य हो जाता है, जिससे ट्राईक रीसेट हो जाता है।
एसी स्विच के रूप में एक TRIAC का उपयोग करने के लिए, इसे AC लोड (जैसे दीपक या मोटर की तरह) के साथ श्रृंखला में कनेक्ट करें।एक नियंत्रण सर्किट का उपयोग करके गेट पर एक ट्रिगर पल्स लागू करें, यह ट्राइक को चालू करता है और एसी करंट को लोड के माध्यम से प्रवाह करने की अनुमति देता है।TRIAC उस आधे-चक्र के दौरान रहेगा और जब AC करंट शून्य हो जाता है तो स्वचालित रूप से बंद हो जाएगा।सटीक नियंत्रण के लिए, जैसे कि इसे एक विशिष्ट चरण कोण पर चालू करना, आप गेट पल्स को समय तक DIAC या माइक्रोकंट्रोलर सर्किट का उपयोग कर सकते हैं।
नहीं, एक त्रिक एक रेक्टिफायर नहीं है।एक रेक्टिफायर, एक डायोड या ब्रिज रेक्टिफायर की तरह, वर्तमान को केवल एक दिशा में प्रवाह करने की अनुमति देकर एसी को डीसी में परिवर्तित करता है।एक त्रिक एक द्विदिश स्विच है, जो एसी सर्किट में शक्ति को नियंत्रित करता है, लेकिन एसी को डीसी में नहीं बदलता है।वर्तमान को सुधारने के बजाय, यह एसी वेवफॉर्म में विशिष्ट बिंदुओं पर इसे या बंद कर देता है।
एक TRIAC एक ठोस-राज्य उपकरण है, जबकि एक रिले एक इलेक्ट्रोमैकेनिकल स्विच है।एक TRIAC इलेक्ट्रॉनिक, चुपचाप और जल्दी से एसी को स्विच करता है।यह अधिक कॉम्पैक्ट है, इसमें कोई चलती भाग नहीं है, और इसे कम-वोल्टेज संकेतों द्वारा ट्रिगर किया जा सकता है।एक रिले सर्किट को खोलने या बंद करने के लिए एक कॉइल और भौतिक संपर्कों का उपयोग करता है।यह एक क्लिकिंग साउंड बनाता है और एसी और डीसी दोनों लोड को स्विच कर सकता है लेकिन धीमा है और समय के साथ पहनता है।तेजी से, नीरव, और लंबे-जीवन एसी स्विचिंग के लिए एक त्रिक का उपयोग करें, और एक रिले जब आपको सर्किट को अलग करने या एसी और डीसी दोनों लोड को स्विच करने की आवश्यकता होती है।
एक TRIAC प्रत्येक AC आधा चक्र के भीतर चालन बिंदु में देरी करके AC मोटर की गति को नियंत्रित करता है।इस विधि को चरण कोण नियंत्रण कहा जाता है।प्रत्येक चक्र में बाद में TRIAC को चालू करके, यह मोटर को कम शक्ति प्रदान करता है, इसकी गति को कम करता है।समय एक गेट ट्रिगर सर्किट द्वारा नियंत्रित किया जाता है, अक्सर एक DIAC या माइक्रोकंट्रोलर के साथ।इस विधि का उपयोग आमतौर पर यूनिवर्सल मोटर्स में किया जाता है, जैसे कि प्रशंसकों, ब्लेंडर या ड्रिल में।
एक मल्टीमीटर के साथ एक ट्राईक का परीक्षण करने के लिए, पहले इसे किसी भी सर्किट से डिस्कनेक्ट करें और अपने एनालॉग मल्टीमीटर को कम प्रतिरोध (ओएचएम) रेंज में सेट करें।MT1 पर काली जांच और MT2 पर लाल रखें - कोई पढ़ना नहीं होना चाहिए।फिर गेट और MT1 के बीच 1K of रोकनेवाला कनेक्ट करें, और MT1 पर काले और MT2 पर लाल रंग को रखते हुए गेट को लाल जांच के साथ संक्षेप में टैप करें;यदि TRIAC काम कर रहा है, तो मीटर अब कम प्रतिरोध दिखाएगा।MT1 और MT2 पर जांच को उल्टा करें और गेट पल्स को दोहराएं - फिर से, यह आचरण करना चाहिए।एक बार जब गेट सिग्नल हटा दिया जाता है और पावर ड्रॉप हो जाता है, तो रीडिंग को उच्च प्रतिरोध पर वापस जाना चाहिए।यह TRIAC स्विच की पुष्टि करता है और सही तरीके से धारण करता है।अधिक सटीक परिणामों के लिए, एसी लोड और पुश बटन के साथ एक लाइव परीक्षण का उपयोग किया जा सकता है।
2025/04/21 पर
2025/04/18 पर
8000/04/18 पर 147757
2000/04/18 पर 111936
1600/04/18 पर 111349
0400/04/18 पर 83721
1970/01/1 पर 79508
1970/01/1 पर 66910
1970/01/1 पर 63046
1970/01/1 पर 63012
1970/01/1 पर 54081
1970/01/1 पर 52127