
BTA16 TRIAC श्रृंखला एसी स्विचिंग अनुप्रयोगों की एक विस्तृत सरणी परोसती है, जो कि स्थिर रिले, हीटिंग विनियमन और मोटर नियंत्रण सर्किट जैसे क्षेत्रों में इसकी पहुंच का विस्तार करती है।श्रृंखला अलग-अलग हार्डवेयर की जरूरतों के लिए खानपान के माध्यम से होल और सतह-माउंट पैकेज दोनों के साथ लचीलापन प्रदान करती है।जबकि अक्सर ऑन/ऑफ कंट्रोल परिदृश्यों में उपयोग किया जाता है, यह डिमर्स और मोटर स्पीड कंट्रोलर्स में चरण नियंत्रण कर्तव्यों को आसानी से समायोजित करता है।एक स्नबर सर्किट की विशेषता वाले संस्करण कम्यूटेशन क्षमताओं को बढ़ाते हैं, जो मोटर्स और ट्रांसफार्मर जैसे आगमनात्मक भार का प्रबंधन करते समय एक अलग लाभ प्रदान करते हैं।इसके अलावा, BTA16 में एक अछूता टैब होता है, जो अधिक से अधिक विद्युत अलगाव प्रदान करता है जो सुरक्षा को बढ़ाता है और प्रदर्शन को बढ़ाता है।
BTA16 TRIAC श्रृंखला की बहुमुखी प्रतिभा इसे कई अनुप्रयोगों में प्रभावी रूप से उपयोग करने की अनुमति देती है।स्थिर रिले में, यह विविध सर्किट स्थितियों में लगातार संचालन सुनिश्चित करता है, जिससे दक्षता का अनुकूलन होता है।हीटिंग विनियमन सर्किट अपने मजबूत प्रदर्शन से लाभान्वित होते हैं, सटीक तापमान प्रबंधन प्राप्त करते हैं।मोटर नियंत्रण सर्किट के भीतर, BTA16 उन्नत स्वचालन मांगों को पूरा करने के लिए गतिशील गति मॉड्यूलेशन की आपूर्ति करते हुए, केवल/बंद कार्यों से अधिक की सुविधा देता है।डिमर्स और मोटर स्पीड रेगुलेटर जैसे चरण नियंत्रण की आवश्यकता वाले अनुप्रयोगों में, BTA16 TRIAC सीरीज़ एक्सेल।यह प्रक्रिया सावधानीपूर्वक पावर फ्लो एडजस्टमेंट के लिए कॉल करती है, कुछ BTA16 उल्लेखनीय सटीकता के साथ करता है।इस सटीकता को स्नबर-सुसज्जित संस्करणों में बढ़ाया जाता है, जो मोटर्स और ट्रांसफार्मर जैसे आगमनात्मक भार के प्रतिक्रियाशील लक्षणों को पूरी तरह से संभालते हैं।यह क्षमता स्थिर प्रदर्शन को बढ़ावा देती है, पावर बढ़ जाती है, और जुड़े घटकों की दीर्घायु का विस्तार करती है।



|
विशेषता |
विवरण |
|
मध्यम वर्तमान त्रैसी |
मध्यम वर्तमान की आवश्यकता वाले अनुप्रयोगों के लिए उपयुक्त
हैंडलिंग |
|
क्लिप बॉन्डिंग के साथ कम थर्मल प्रतिरोध |
कुशल गर्मी अपव्यय सुनिश्चित करता है |
|
कम थर्मल प्रतिरोध इन्सुलेशन सिरेमिक |
अछूता बीटीए श्रृंखला के लिए बेहतर इन्सुलेशन प्रदान करता है |
|
उच्च संयोग क्षमता |
4-चतुर्थक (4Q) या बहुत उच्च 3-क्वाड्रेंट (3Q, में उपलब्ध है,
Snubberless ™) वेरिएंट |
|
UL1557 प्रमाणित |
UL1557 मानकों के तहत प्रमाणित (फ़ाइल Ref: 81734) |
|
ROHS आज्ञाकारी |
पैकेज ROHS निर्देश (2002/95/EC) का अनुपालन करते हैं |
|
अछूता टैब |
BTA श्रृंखला के लिए 2500 VRMS इन्सुलेशन के लिए रेटेड |
यहाँ Stmicroelectronics के लिए तकनीकी विनिर्देश तालिका है BTA16-700BRG।
|
प्रकार |
पैरामीटर |
|
फैक्टरी लीड टाइम |
11 सप्ताह |
|
संपर्क चढ़ाना |
टिन |
|
पर्वत |
होल के माध्यम से |
|
माउन्टिंग का प्रकार |
होल के माध्यम से |
|
पैकेज / मामला |
To-220-3 |
|
पिन की संख्या |
3 |
|
तत्वों की संख्या |
1 |
|
परिचालन तापमान |
-40 ° C से 125 ° C (TJ) |
|
पैकेजिंग |
नली |
|
JESD-609 कोड |
ई 3 |
|
Pbfree कोड |
हाँ |
|
भाग की स्थिति |
सक्रिय |
|
नमी संवेदनशीलता स्तर (एमएसएल) |
1 (असीमित) |
|
समाप्ति की संख्या |
3 |
|
अतिरिक्त विशेषता |
उल मान्यता प्राप्त है |
|
वोल्टेज - रेटेड डीसी |
700V |
|
वर्तमान रेटिंग |
16 ए |
|
आधार भाग संख्या |
BTA16 |
|
पिन काउंट |
3 |
|
विन्यास |
अकेला |
|
केस कनेक्शन |
एकाकी |
|
अधिकतम दोहराव रिवर्स वोल्टेज (वीआरआरएम) |
700V |
|
JEDEC-95 कोड |
टू-220AB |
|
आरएमएस वर्तमान (आईआरएम) |
16 ए |
|
करंट को पकड़ें |
50mA |
|
ट्रिगर डिवाइस प्रकार |
4 चतुर्थीय तर्क स्तर त्रिक |
|
वोल्टेज - गेट ट्रिगर (वीजीटी) (अधिकतम) |
1.3V |
|
वर्तमान - नॉन रेप। सर्ज 50, 60Hz (ITSM) |
160 ए, 168 ए |
|
वर्तमान - गेट ट्रिगर (IGT) (अधिकतम) |
50mA |
|
रिसाव वर्तमान (अधिकतम) |
2ma |
|
ऑफ-स्टेट वोल्टेज-मिन के उदय की महत्वपूर्ण दर |
400V/US |
|
त्रिक प्रकार |
मानक |
|
कम्यूटेशन वोल्टेज-मिन के उदय की महत्वपूर्ण दर |
10v/us |
|
विकिरण कठोरता |
नहीं |
|
रोह्स स्टेटस |
ROHS3 आज्ञाकारी |
|
सीसा मुक्त |
सीसा मुक्त |

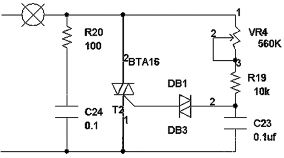
BTA16 TRIAC का उपयोग करके एक मानक TRIAC डिमिंग सर्किट एक कनेक्टेड बल्ब के डिमिंग स्तर को समायोजित करने के लिए एक संधारित्र के चार्ज समय में हेरफेर करता है।एक संधारित्र (C23) के साथ एक चर अवरोधक (VR4) को नियोजित करके, सर्किट चार्जिंग अवधि को बारीक से जोड़ता है, इस प्रकार TRIAC के ट्रिगरिंग क्षण को सेट करता है।220V के एक वोल्टेज पर, चार्ज लंबाई को समायोजित करना बल्ब की चमक को बदल देता है;विस्तारित चार्जिंग अधिक शानदार ढंग से रोशन करता है।

इस डिमिंग सिस्टम के भीतर, घटक VR4 और R19 संधारित्र C23 के चार्ज समय को नियंत्रित करते हैं।एक बार C23 पर वोल्टेज लगभग 33V पर मंडराता है, TRIAC संलग्न होता है, लाइट कास्टिंग करता है।इसके बाद, DB1 Thyristor बल्ब के माध्यम से वर्तमान प्रवाह की सुविधा देता है।जब वर्तमान बंद हो जाता है, तो अंधेरा लौटता है, और अनुक्रम नए सिरे से शुरू होता है।चक्र की अवधि महत्वपूर्ण है, क्योंकि कम चार्ज अंतराल डिमर लाइट का उत्पादन करते हैं, जबकि लंबे समय तक चार्ज चमक को बढ़ाते हैं।
प्रीमियम-ग्रेड घटक, जैसे कि सटीक प्रतिरोधक और न्यूनतम सहिष्णुता के स्तर के साथ कैपेसिटर, सर्किट की डिमिंग स्थिरता और दूरदर्शिता को मजबूत करते हैं।TRIAC के गर्मी के मुद्दे को संबोधित करना भी लाभप्रद साबित होता है - उत्साहजनक तापमान सर्किट स्थायित्व और निर्भरता को रोक सकता है।उपयुक्त गर्मी सिंक का परिचय और उचित वेंटिलेशन सुनिश्चित करने में मदद करने वाली चुनौतियों को कम करने में मदद मिलती है।TRIAC- आधारित डिमिंग सर्किट का उपयोग करना ऊर्जा के उपयोग पर काफी हद तक अंकुश लगाता है और ऊर्जा दक्षता और आराम के बीच संतुलन बनाने के लिए, चिकनी प्रकाश-तीव्रता वाले संक्रमणों की सुविधा देता है।यह आकर्षक दृष्टिकोण इसके किफायती और प्रभावी परिणामों के कारण आवासीय और वाणिज्यिक प्रकाश परिदृश्यों दोनों में अच्छी तरह से प्रतिध्वनित होता है।
|
भाग संख्या |
विवरण |
उत्पादक |
|
BTB16-700C |
700V, 16A, 4 क्वाड्रेंट लॉजिक लेवल ट्राईक, TO-220AB,
प्लास्टिक पैकेज -3 |
स्टिमिकोइलेक्ट्रॉनिक्स |
|
BTA16-700B |
700V, 16A, 4 क्वाड्रेंट लॉजिक लेवल ट्राईक, TO-220AB,
प्लास्टिक, पृथक टू -220AB, 3 पिन |
स्टिमिकोइलेक्ट्रॉनिक्स |
|
BTB16-700CRG |
700V, 16A, 4 क्वाड्रेंट लॉजिक लेवल ट्राईक, TO-220AB,
To-220AB, 3 पिन |
स्टिमिकोइलेक्ट्रॉनिक्स |
|
Q7015R6 |
वैकल्पिक TRIAC, 700V V (DRM), 15A I (T) RMS, TO-220AB |
Littelfuse Inc |
|
BTB16-700CW |
700V, 16A, Snubberless Triac, To-220AB, प्लास्टिक पैकेज -3 |
स्टिमिकोइलेक्ट्रॉनिक्स |
|
BTB16-700SWRG |
700V, 16A, 4 क्वाड्रेंट लॉजिक लेवल ट्राईक, TO-220AB,
To-220AB, 3 पिन |
स्टिमिकोइलेक्ट्रॉनिक्स |
|
BTB16-700SW |
700V, 16A, 4 क्वाड्रेंट लॉजिक लेवल ट्राईक, TO-220AB,
प्लास्टिक पैकेज -3 |
स्टिमिकोइलेक्ट्रॉनिक्स |
|
BTB16-700BW/F5 |
700V, 16A, स्नबरलेस ट्राईक, TO-220AB, TO-220, 3 पिन |
स्टिमिकोइलेक्ट्रॉनिक्स |
|
Q7015L6 |
वैकल्पिक ट्राईक, 700V V (DRM), 15A I (T) RMS, TO-220AB,
अलग-थलग -220AB, थर्मोटैब -3 |
Littelfuse Inc |
BTA16 श्रृंखला स्थैतिक रिले और हल्के डिमर्स में प्रमुख है, जो स्विचिंग और चरण नियंत्रण पर सटीक/बंद है।ये तत्व जुड़नार में दिए गए वोल्टेज को समायोजित करके प्रकाश प्रणालियों के एक स्थिर संचालन को प्राप्त करने में प्रमुख हैं।नतीजतन, यह फ़ंक्शन ऊर्जा संरक्षण की ओर जाता है और प्रकाश उपकरणों के जीवनकाल का विस्तार करता है।
मोटर नियंत्रण प्रणालियों के भीतर, इंडक्शन मोटर स्टार्टर्स और स्पीड रेगुलेटर सहित, BTA16 सीरीज़ उल्लेखनीय परिणाम प्रदान करती है।औद्योगिक सेटिंग्स में, जहां यांत्रिक तनाव को रोकने के लिए ठीक-ट्यून स्पीड रेगुलेशन और स्मूथ स्टार्ट-अप सक्रिय हैं, ये घटक अत्यधिक मूल्यवान हैं।BTA16 श्रृंखला को यांत्रिक पहनने को कम करते हुए आदर्श मोटर प्रदर्शन को बनाए रखने की क्षमता के लिए सम्मानित किया जाता है।
एसी (वैकल्पिक वर्तमान) स्विचिंग अनुप्रयोगों की दुनिया में, BTA16 श्रृंखला विश्वसनीय और सटीक शक्ति नियंत्रण प्रदान करने में उत्कृष्टता प्राप्त करती है।यह घरेलू उपकरणों या औद्योगिक मशीनरी में हो, श्रृंखला विद्युत प्रणालियों का एक सुरक्षित और प्रभावी संचालन सुनिश्चित करती है।इसका हार्डी डिज़ाइन डाउनटाइम और रखरखाव को कम करता है, जिससे सिस्टम निर्भरता को बढ़ाता है।
उत्कृष्ट कम्यूटेशन प्रदर्शन की विशेषता, BTA16 श्रृंखला प्रतिरोधक और आगमनात्मक दोनों भारों को प्रबंधित करने में माहिर है।यह विभिन्न परिस्थितियों में लगातार संचालन प्रदान करता है, इलेक्ट्रॉनिक सर्किट में इसके महत्व के लिए एक वसीयतनामा।विविध लोड प्रकारों को कुशलता से प्रबंधित करने की इसकी क्षमता इसकी अनुकूलनशीलता और व्यापक प्रयोज्यता को उजागर करती है।

Stmicroelectronics का जन्म 1987 में इटली के SGS माइक्रोलेटट्रोनिका और फ्रांस के थॉमसन सेमीकंडक्टर्स के संलयन से हुआ था, जो गतिशील अर्धचालक परिदृश्य में अपनी जगह को चिह्नित करता है।मुख्यालय शानदार ढंग से जिनेवा, स्विट्जरलैंड में तैनात किया गया, यह कंपनी संयुक्त राज्य अमेरिका, एशिया और China तक फैले कार्यालयों के एक रणनीतिक सरणी के माध्यम से अपने प्रभाव का विस्तार करती है।यह अंतर्राष्ट्रीय वेब Stmicroelectronics को नवीन समाधानों को शिल्प करने और वैश्विक स्तर पर उद्योगों की एक विस्तृत सरणी में विशेषज्ञ तकनीकी सहायता प्रदान करने, प्रगति को बढ़ावा देने और कनेक्टिविटी को बढ़ावा देने में सक्षम बनाता है।
अपनी शानदार पेशकश के भीतर, BTA16 श्रृंखला Stmicroelectronics के अर्धचालक उत्कृष्टता के लिए समर्पण के लिए एक वसीयतनामा के रूप में है।यह श्रृंखला ट्राइक बनाने में उनकी महारत को दर्शाती है, जो विविध अनुप्रयोगों में पनपने और चुनौतीपूर्ण परिस्थितियों का सामना करने के लिए डिज़ाइन की गई है।उनकी विविध उत्पाद लाइन में माइक्रोकंट्रोलर, एनालॉग डिवाइस, सेंसर और पावर मैनेजमेंट सिस्टम शामिल हैं, जो ऑटोमोटिव, औद्योगिक और उपभोक्ता इलेक्ट्रॉनिक्स जैसे समकालीन क्षेत्रों में पर्याप्त भूमिकाएं प्रदान करते हैं।
कृपया एक जांच भेजें, हम तुरंत जवाब देंगे।
BTA16-800C और BTA16-800B के बीच का अंतर ट्रिगर सर्किट IGT में निहित है।BTA16-800B में एक IGT है<50mA, while BTA16-800C is endowed with an IGT<25mA, making its parameters more favorable. These models share STMicroelectronics (ST) lineage, with nomenclature as follows B for Bi-directional, indicating dual direction capability, A' for insulation; 'B' denotes non-insulation, 16' signifies a 16A current capacity, and 800' signifies a voltage rating of 800V
हालांकि BTA16-600B BTB16-600B के प्रदर्शन मेट्रिक्स से मेल खा सकता है, यांत्रिक अंतर मौजूद हैं।BTA16-600B के हीट सिंक में एक मध्यम-फुट कनेक्शन का अभाव है, जबकि BTB16-600B इस कनेक्शन को एकीकृत करता है।हीट सिंक के बिना कॉन्फ़िगरेशन के लिए, प्रतिस्थापन संभव है।हालांकि, एक हीट सिंक के साथ, खासकर जब कई थाइरिस्टर्स नियोजित होते हैं, तो उचित तर्क कनेक्शन सुनिश्चित करें या उचित सामग्री के साथ इन्सुलेशन मुद्दों को हल करें।
इंटरचेंजबिलिटी मौजूद है, लेकिन मूल सर्किट इन्सुलेशन प्रोटोकॉल का पालन करता है: 'ए' अछूता संस्करणों के लिए जबकि 'बी' गैर-अछूता के लिए है।
होल और सतह-माउंट पैकेजिंग दोनों में उपलब्ध है।
इस तरह के अनुप्रयोगों में स्नबर्स ज्यादातर माहिर हैं।
2500 वी आरएमएस पर रेटेड।
2024/11/7 पर
2024/11/7 पर
8000/04/18 पर 147757
2000/04/18 पर 111937
1600/04/18 पर 111349
0400/04/18 पर 83721
1970/01/1 पर 79508
1970/01/1 पर 66913
1970/01/1 पर 63053
1970/01/1 पर 63012
1970/01/1 पर 54081
1970/01/1 पर 52130