
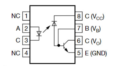
6N136, एक डीआईपी -8 प्लास्टिक पैकेज में रखे गए, एक परिष्कृत ऑप्टोकॉपर है जो एक एकीकृत फोटोडेटेक्टर के साथ वैकल्पिक रूप से युग्मित एक गैआए्स इन्फ्रारेड एमिटिंग डायोड को शामिल करता है।इस फोटोडेटेक्टर में एक फोटोडायोड और एक उच्च गति ट्रांजिस्टर शामिल हैं।यह उन्नत डिज़ाइन विद्युत रूप से पृथक सर्किट के बीच 2 मेगाहर्ट्ज तक के संकेतों के प्रसारण की अनुमति देता है, यह सुनिश्चित करता है कि स्वीकार्य संभावित अंतर निर्दिष्ट संदर्भ वोल्टेज से अधिक नहीं है।इसका कॉम्पैक्ट आकार, मजबूती, उत्कृष्ट एंटी-इंटरफेरेंस क्षमताएं, उच्च अलगाव वोल्टेज, गति, और टीटीएल लॉजिक स्तर संगतता 6N136 को अनुप्रयोगों के असंख्य में एक बहुमुखी घटक बनाती है।
इसकी उच्च गति संचरण क्षमता के कारण, 6N136 विद्युत शोर से घिरे होने पर भी संकेतों की अखंडता को सुनिश्चित करता है।यह विशेषता औद्योगिक सेटिंग्स में अमूल्य साबित होती है जहां विद्युत चुम्बकीय हस्तक्षेप (ईएमआई) एक सामान्य चुनौती है।एक कारखाने स्वचालन परिदृश्य पर विचार करें जहां नियंत्रकों और एक्ट्यूएटर्स के बीच सटीक सिग्नल ट्रांसमिशन परिचालन दक्षता और सुरक्षा दोनों को चलाता है।यह वह जगह है जहां 6N136 वास्तव में चमकता है, जटिल प्रणालियों के सद्भाव को बनाए रखता है।स्थायित्व के लिए निर्मित, 6N136 उन अनुप्रयोगों के लिए एक विश्वसनीय विकल्प है जहां रखरखाव का उपयोग सीमित या महंगा है।उदाहरण के लिए, रिमोट सेंसिंग एप्लिकेशन डिमांड घटकों की मांग करते हैं जो हस्तक्षेप के बिना विस्तारित अवधि में मज़बूती से कार्य कर सकते हैं।
6N136 का उच्च अलगाव वोल्टेज न केवल उच्च वोल्टेज स्पाइक्स से संवेदनशील सर्किट तत्वों को ढालता है, बल्कि यह भी सुनिश्चित करता है कि डिवाइस उच्च गति वाले डेटा ट्रांसमिशन को संभाल सकता है।डेटा अधिग्रहण प्रणालियों में, जहां डेटा ट्रांसमिशन की सटीकता और गति एकत्र किए गए डेटा की गुणवत्ता को अस्वीकार कर देती है, यह सुविधा बेहद फायदेमंद साबित होती है।6N136 की TTL लॉजिक स्तर की संगतता इसे असाधारण बहुमुखी प्रतिभा प्रदान करती है, जिससे विभिन्न डिजिटल सर्किट के साथ सहज एकीकरण को सक्षम किया जाता है।डिजिटल-टू-एनालॉग और एनालॉग-टू-डिजिटल रूपांतरण प्रक्रियाओं के दौरान, विभिन्न तर्क स्तरों में सिग्नल फिडेलिटी और संगतता को बनाए रखना उपयोग किया जाता है।6N136 सहजता से इन परिदृश्यों में अन्य घटकों के साथ इंटरफेस करता है, जिससे सुचारू डेटा रूपांतरण और सुव्यवस्थित संचालन सुनिश्चित होता है।




|
विशेषता |
विवरण |
|
अलगाव परीक्षण वोल्टेज |
5300 वीआरएम |
|
अनुकूलता |
TTL संगत |
|
बिट दर |
1.0 एमबिट/एस |
|
सामान्य मोड हस्तक्षेप प्रतिरक्षा |
उच्च |
|
बैंडविड्थ |
2.0 मेगाहर्ट्ज |
|
उत्पादन का प्रकार |
खुला कलेक्टर आउटपुट |
|
बाह्य आधार वायरिंग |
संभव |
|
लीड (पीबी) सामग्री |
सीसा-मुक्त घटक |
|
अनुपालन |
ROHS 2002/95/EC, WEEE 2002/96/EC |
|
प्रकार |
पैरामीटर |
|
फैक्टरी लीड टाइम |
6 सप्ताह |
|
पर्वत |
होल के माध्यम से |
|
माउन्टिंग का प्रकार |
होल के माध्यम से |
|
पैकेज / मामला |
8-DIP (0.300, 7.62 मिमी) |
|
पिन की संख्या |
8 |
|
वर्तमान हस्तांतरण अनुपात - मिनट |
19% @ 16MA |
|
तत्वों की संख्या |
1 |
|
परिचालन तापमान |
-55 डिग्री सेल्सियस से 100 डिग्री सेल्सियस |
|
पैकेजिंग |
नली |
|
प्रकाशित |
2012 |
|
भाग की स्थिति |
सक्रिय
|
|
नमी संवेदनशीलता स्तर (एमएसएल) |
1 (असीमित) |
|
अतिरिक्त विशेषता |
TTL संगत |
|
अधिकतम शक्ति अपव्यय |
100MW |
|
आधार भाग संख्या |
6N136 |
|
वोल्टेज - अलगाव |
5300VRMS |
|
आउटपुट वोल्टेज |
400MV |
|
उत्पादन का प्रकार |
आधार के साथ ट्रांजिस्टर |
|
विन्यास |
अकेला |
|
चैनल की संख्या |
1 |
|
शक्ति का अपव्यय |
100MW |
|
वोल्टेज - फॉरवर्ड (वीएफ) (टाइप) |
1.33V |
|
इनपुट प्रकार |
डीसी |
|
ऑप्टोइलेक्ट्रोनिक डिवाइस प्रकार |
तर्क आईसी आउटपुट ऑप्टोकॉपर |
|
आगे प्रवाह |
25ma |
|
अधिकतम आउटपुट वोल्टेज |
15V |
|
आधार - सामग्री दर |
1 एमबीपीएस |
|
आउटपुट करंट प्रति चैनल |
8MA |
|
वृद्धि समय |
800NS |
|
समय (टाइप) |
800NS |
|
अधिकतम कलेक्टर वर्तमान |
8MA |
|
रिवर्स ब्रेकडाउन वोल्टेज |
5V |
|
अधिकतम इनपुट वर्तमान |
25ma |
|
चालू करें / बंद करें समय (टाइप) |
200NS / 200NS |
|
वर्तमान अंतरण अनुपात |
35% |
|
विकिरण कठोरता |
नहीं |
|
रोह्स स्टेटस |
ROHS3 आज्ञाकारी |
|
भाग संख्या |
उत्पादक |
पैकेज / मामला |
पिन की संख्या |
चैनल की संख्या |
वोल्टेज - अलगाव |
वर्तमान अंतरण अनुपात |
वर्तमान अंतरण अनुपात (मिनट) |
वृद्धि समय |
अधिकतम आउटपुट वोल्टेज |
आउटपुट वोल्टेज |
तुलना देखें |
|
6N136-x001 |
विशाल सेमीकंडक्टर ऑप्टो डिवीजन |
8-DIP (0.300, 7.62 मिमी) |
8 |
1 |
5300VRMS |
35% |
19% @ 16MA |
800 एनएस |
15 वी |
400 एम.वी. |
6N136-X001 बनाम SFH6136-X016 |
|
SFH6136-X016 |
विशाल सेमीकंडक्टर ऑप्टो डिवीजन |
8-DIP (0.300, 7.62 मिमी) |
6 |
1 |
500VRMS |
30% |
10% @ 10MA |
- |
30 वी |
- |
|
|
6N136-X016 |
विशाल सेमीकंडक्टर ऑप्टो डिवीजन |
8-DIP (0.400, 10.16 मिमी) |
8 |
1 |
5300VRMS |
35% |
19% @ 16MA |
800 एनएस |
15 वी |
400 एम.वी. |
6N136-X001 बनाम 6N136-X016 |
|
4N28 |
लाइट-ऑन इंक। |
8-DIP (0.400, 10.16 मिमी) |
8 |
1 |
5300VRMS |
35% |
19% @ 16MA |
- |
25 वी |
- |
6N136-x001 बनाम 4N28 |
|
SFH6345-X016 |
विशाल सेमीकंडक्टर ऑप्टो डिवीजन |
8-DIP (0.400, 10.16 मिमी) |
8 |
1 |
5300VRMS |
30% |
19% @ 16MA |
- |
25 वी |
- |
6N136-X001 बनाम SFH6345-X016 |

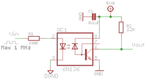
सर्किट में एक पुल-अप रोकनेवाला को एकीकृत करना गारंटी देता है कि जब ट्रांजिस्टर बंद हो जाता है, तो वाउट पिन लगातार 5 वोल्ट के उच्च तर्क स्तर पर लौटता है।Vout पिन और सकारात्मक आपूर्ति वोल्टेज के बीच जुड़ा हुआ है, इस पुल-अप रोकनेवाला के कई उद्देश्य हैं।आउटपुट वोल्टेज को स्थिर करना, यह सुनिश्चित करना कि यह वांछित तर्क उच्च स्थिति तक पहुंचता है।फ्लोटिंग स्टेट्स को रोकना जो अप्रत्याशित सर्किट व्यवहार को जन्म दे सकता है।सर्किट के भीतर शोर और झूठे ट्रिगर के खिलाफ सुरक्षा।
इन भूमिकाओं को पूरा करके, पुल-अप रेसिस्टर सर्किट की समग्र विश्वसनीयता और प्रदर्शन को बनाए रखने में योगदान देता है।एक सावधानीपूर्वक चयनित पुल-अप रोकनेवाला मूल्य फ्लोटिंग आउटपुट को रोक सकता है।यह स्थिरीकरण पूर्वानुमान और अटूट तर्क स्तर की ओर जाता है।एक पूर्वानुमानित वोल्टेज स्थिति में वाउट पिन को बनाए रखने से जब ट्रांजिस्टर एक ऑफ स्थिति में होता है, तो पुल-अप रोकनेवाला शोर के कारण होने वाली गड़बड़ी की संभावना को प्रभावी ढंग से कम कर देता है।यह स्थिरता ज्यादातर सक्रिय होती है जब डिजिटल सर्किट के कामकाज में परिशुद्धता और विश्वसनीयता प्रमुख होती है।
पुल-अप रोकनेवाला के मूल्य के विचारशील चयन का उपयोग वांछित प्रदर्शन को प्राप्त करने में किया जाता है।आमतौर पर, मान सर्किट की मांगों के आधार पर कुछ किलोहम से लेकर दसियों किलोहम तक होते हैं।उदाहरण के लिए, एक 10k ओम रेसिस्टर को अक्सर चुना जाता है क्योंकि यह गति और वर्तमान खपत के बीच संतुलन बनाता है, सर्किट की एक विस्तृत श्रृंखला के साथ अच्छी तरह से संरेखित करता है।आप उनके विशिष्ट अनुप्रयोगों के लिए सबसे उपयुक्त रोकनेवाला मूल्यों को निर्धारित करने के लिए उनकी व्यापक विशेषज्ञता का लाभ उठा सकते हैं।
जब भी उपयुक्त इनपुट करंट टर्मिनलों (+VF और -VF) तक पहुंचता है, तो एलईडी एक आईआर बीम को सक्रिय करता है और उत्सर्जित करता है।जब आईआर बीम फोटोट्रांसिस्टर पर हमला करता है, तो यह परिणामस्वरूप सक्रिय हो जाता है।एम्बेडेड सिस्टम में, इस प्रकार के कॉन्फ़िगरेशन को अक्सर सिग्नल अलगाव के लिए उपयोग किया जाता है।ऐसा करने से, उच्च-आवृत्ति शोर या वोल्टेज स्पाइक्स को संवेदनशील घटकों को नुकसान पहुंचाने से रोका जाता है।

प्रदान किए गए आरेख में, 6N136 IC इनपुट पल्स पोलरिटी का उलटा करता है।विशेष रूप से, जब एक उच्च इनपुट लॉजिक स्तर लागू होता है, तो एक कम आउटपुट उत्पन्न होता है।इसके विपरीत, एक कम इनपुट लॉजिक स्तर एक उच्च आउटपुट का उत्पादन करता है।यह उलटा तंत्र डिजिटल सिग्नल प्रोसेसिंग में एक प्रमुख भूमिका निभाता है, खासकर जब एक सर्किट के बाद के चरणों के लिए विशिष्ट तर्क स्तरों को बनाए रखने या अनुकूलित करने की आवश्यकता होती है।
6N136 का उपयोग करने वाले सर्किट डिजाइनों में, ऑप्टोकॉपर की दक्षता और प्रतिक्रिया समय दोनों को ध्यान में रखा जाना चाहिए।व्यावहारिक अनुभव से पता चलता है कि उपयुक्त वर्तमान-सीमित प्रतिरोधों का चयन करना एलईडी के सक्रियण समय को अनुकूलित कर सकता है, इस प्रकार समग्र प्रदर्शन को बढ़ावा देता है।सटीक समय नियंत्रण अनुप्रयोगों में ज्यादातर उल्लेखनीय है, जहां माइक्रोसेकंड-स्तरीय देरी भी सिस्टम की कार्यक्षमता को प्रभावित कर सकती है।
|
भाग संख्या |
विवरण |
उत्पादक |
|
6N139#500 |
1 चैनल लॉजिक आउटपुट ऑप्टोकॉपर, 0.1 एमबीपीएस, 0.300 इंच,
भूतल माउंट, डीआईपी -8 |
एगिलेंट टेक्नोलॉजीज इंक |
|
HCPL-5700#200 |
1 चैनल लॉजिक आउटपुट ऑप्टोकॉपर, 0.1 एमबीपीएस, हर्मेटिक
सील, सिरेमिक, डिप -8 |
एवागो टेक्नोलॉजीज |
|
HCPL-0700 |
1 चैनल लॉजिक आउटपुट ऑप्टोकॉपर, SO-8 |
फेयरचाइल्ड सेमीकंडक्टर कॉर्पोरेशन |
|
HCPL-2730-020 |
लॉजिक आईसी आउटपुट ऑप्टोकॉपर, 2-एलिमेंट, 5000V आइसोलेशन,
0.300 इंच, डीआईपी -8 |
एगिलेंट टेक्नोलॉजीज इंक |
|
HCPL0500V |
8-पिन SOIC 1 MBIT/S सिंगल-चैनल हाई स्पीड ट्रांजिस्टर
आउटपुट ऑप्टोकॉपर, 3000-ट्यूब |
Onsemi |
|
HCPL-4503-560 |
1 चैनल लॉजिक आउटपुट ऑप्टोकॉपर, 1 एमबीपीएस, 0.300 इंच,
भूतल माउंट, डीआईपी -8 |
एवागो टेक्नोलॉजीज |
|
HCPL-0500V |
1 चैनल लॉजिक आउटपुट ऑप्टोकॉपर, 1 एमबीपीएस, लीड-फ्री,
SOIC-8 |
रोचेस्टर इलेक्ट्रॉनिक्स एलएलसी |
|
HCNW4502E |
1 चैनल लॉजिक आउटपुट ऑप्टोकॉपर, 1 एमबीपीएस, 0.400 इंच,
लीड-फ्री, डिप -8 |
एवागो टेक्नोलॉजीज |
|
SFH6325 |
लॉजिक आईसी आउटपुट ऑप्टोकॉपर, 2-एलिमेंट, 5300V आइसोलेशन,
1 एमबीपीएस, प्लास्टिक, डीआईपी -8 |
इंफीनन टेक्नोलॉजीज एजी |
|
HCPL-5701#200 |
लॉजिक आईसी आउटपुट ऑप्टोकॉपर, 1-एलिमेंट, 1500V आइसोलेशन,
0.1 एमबीपीएस, हर्मेटिक सील, सिरेमिक, डीआईपी -8 |
एगिलेंट टेक्नोलॉजीज इंक |
6N136 OptoCoupler लाइन रिसीवर में पर्याप्त उपयोग पाता है।यह कुशलता से उच्च गति वाले डेटा ट्रांसमिशन का प्रबंधन करता है, सिग्नल विरूपण को कम करता है और लंबी दूरी पर सिग्नल अखंडता को बनाए रखता है।अपनी क्षमताओं का लाभ उठाकर, ऐसे वातावरण जहां सिग्नल विश्वसनीयता गंभीर है।यह ऑप्टोइलेक्ट्रॉनिक डिवाइस संचार प्रणालियों को बढ़ाने में एक उल्लेखनीय भूमिका निभाता है, जो दूरसंचार इन्फ्रास्ट्रक्चर में मजबूत डेटा ट्रांसफर सुनिश्चित करता है, और जटिल नेटवर्क में परिचालन दक्षता को संरक्षित करता है।फ़ील्ड अनुप्रयोगों से पता चला है कि 6N136 शोर के हस्तक्षेप को काफी कम कर सकता है।लंबी केबल रन के साथ औद्योगिक सेटिंग्स में, यह उत्कृष्ट रूप से सिग्नल फिडेलिटी को बनाए रखता है।
6N136 ऑप्टोकॉपर पारंपरिक पल्स ट्रांसफार्मर के लिए एक इष्टतम प्रतिस्थापन के रूप में कार्य करता है, आकार में कमी, बढ़ी हुई विश्वसनीयता और बेहतर दक्षता जैसे लाभ प्रदान करता है।6N136 के साथ पल्स ट्रांसफॉर्मर को स्वैप करके, सिस्टम बढ़ाया प्रदर्शन और कम विद्युत चुम्बकीय हस्तक्षेप को देखते हैं।अधिक कॉम्पैक्ट और कुशल इलेक्ट्रॉनिक आर्किटेक्चर की ओर यह बदलाव इलेक्ट्रॉनिक्स में मिनीक्युरलाइज़ेशन और बढ़ाया प्रदर्शन मानकों की ओर प्रवृत्ति पर जोर देता है।विभिन्न इलेक्ट्रॉनिक सर्किटों में कार्यान्वयन 6N136 न केवल भौतिक स्थान को बचाता है, बल्कि समग्र प्रणाली निर्भरता को भी बढ़ाता है।
6N136 की स्टैंडआउट विशेषताओं में से एक सीएमओएस, एलएसटीटीएल और टीटीएल लॉजिक परिवारों के साथ इसका सहज इंटरफेस है।यह बहुमुखी प्रतिभा इसे विविध डिजिटल सर्किट में एक प्रमुख घटक बनाती है।विभिन्न तर्क मानकों के बीच संगतता अंतर को कम करके, यह सर्किट डिजाइन को सरल करता है और परिचालन लचीलेपन में सुधार करता है।आप विभिन्न डिजिटल लॉजिक परिवारों के बीच संगतता मुद्दों को संबोधित करने, डिजाइन को सुव्यवस्थित करने और जटिलता को कम करने के लिए 6N136 का उपयोग कर सकते हैं।कई तर्क स्तरों के साथ इंटरफेसिंग में इसकी दक्षता ने एकीकृत सर्किट डिजाइन में व्यापक रूप से अपनाने का कारण बना है।
6N136 ऑप्टोकॉपर व्यापक बैंडविड्थ एनालॉग युग्मन के लिए अमूल्य साबित होता है।उच्च गति प्रतिक्रिया और कम विरूपण विशेषताओं के साथ, यह व्यापक आवृत्ति रेंज में सटीक सिग्नल ट्रांसमिशन सुनिश्चित करता है।सटीक एनालॉग सिग्नल प्रजनन की आवश्यकता वाले क्षेत्रों में, जैसे कि ऑडियो प्रोसेसिंग और हाई-स्पीड डेटा अधिग्रहण, इसका प्रदर्शन ज्यादातर उल्लेखनीय है।

Vishay एक प्रमुख प्रदाता है जो असतत अर्धचालक (डायोड, MOSFETS, ऑप्टोइलेक्ट्रॉनिक्स) और निष्क्रिय घटकों (प्रतिरोधकों, इंडक्टर्स, कैपेसिटर) में विशेषज्ञता रखता है।उनके घटक औद्योगिक, कंप्यूटिंग, मोटर वाहन, उपभोक्ता इलेक्ट्रॉनिक्स, दूरसंचार, सैन्य, एयरोस्पेस और चिकित्सा अनुप्रयोगों सहित विभिन्न क्षेत्रों में उपयोग पाते हैं।
विश्व के असतत अर्धचालक और निष्क्रिय घटक आधुनिक तकनीकी उपकरणों के लिए बुनियादी हैं।औद्योगिक क्षेत्र में, उनके उत्पाद मशीनरी और स्वचालन प्रणालियों की विश्वसनीयता और दक्षता में योगदान करते हैं।कंप्यूटिंग के लिए, Vishay उपभोक्ता इलेक्ट्रॉनिक्स और एंटरप्राइज-लेवल दोनों सर्वरों के लिए संस्थापक घटकों की आपूर्ति करता है।ये तत्व प्रौद्योगिकी की बढ़ती मांगों के लिए प्रदर्शन, स्थिरता और उपकरणों के सटीक लघुकरण को सुनिश्चित करते हैं।
विशे के घटक इलेक्ट्रिक वाहनों (ईवीएस) और उन्नत ड्राइवर-सहायता प्रणाली (एडीएएस) की अग्रिम दुनिया को भी प्रभावित करते हैं।उनके MOSFETS और डायोड बैटरी प्रबंधन प्रणालियों और प्रणोदन इनवर्टर के लिए महत्वपूर्ण हैं, दक्षता और विश्वसनीयता को बढ़ाते हैं।उपभोक्ता इलेक्ट्रॉनिक्स में, विशे के ऑप्टोइलेक्ट्रॉनिक्स उपकरणों के लघु और ऊर्जा दक्षता में योगदान करते हैं, जो आपको एक समृद्ध अनुभव प्रदान करते हैं और डिवाइस दीर्घायु सुनिश्चित करते हैं।दूरसंचार बुनियादी ढांचा सिग्नल अखंडता और बिजली प्रबंधन को बनाए रखने के लिए विश्व के कैपेसिटर और इंडक्टरों पर बहुत अधिक निर्भर है।ये घटक हाई-स्पीड डेटा ट्रांसमिशन और मजबूत नेटवर्क प्रदर्शन का समर्थन करते हैं, जिसका उपयोग हमारी परस्पर जुड़ी दुनिया में सहज बैंडविड्थ और कनेक्टिविटी की बढ़ती मांग को पूरा करने के लिए किया जाता है।
6N135 में 850nm Algaas एलईडी है।एक फोटोडायोड, रैखिक ऑप-एम्प और शोट्की क्लैंप्ड ट्रायोड के साथ एक एकीकृत डिटेक्टर शामिल है।10MBD पर हाई-स्पीड ऑपरेशन प्रदान करता है।न्यूनतम इनपुट करंट की आवश्यकता होती है, विशेष रूप से 5ma।इसके विपरीत, 6N136 में एक उच्च-स्तरीय अवरक्त एलईडी है।एक फोटोसेंसिटिव ट्रांजिस्टर को शामिल करता है।मजबूत विरोधी हस्तक्षेप क्षमताओं के लिए मान्यता प्राप्त है।उच्च-सूत्र वोल्टेज और बेहतर टीटीएल संगतता प्रदान करता है।इन दोनों के बीच निर्णय लेते समय, 6N135 अपनी तेजी से प्रतिक्रिया और कुशल बिजली के उपयोग के साथ डेटा संचार में चमकता है, वातावरण के लिए आदर्श जहां गति और दक्षता कोक्स सटीकता।दूसरी तरफ, 6N136 औद्योगिक या चिकित्सा अनुप्रयोगों में अपरिहार्य हो जाता है, जहां अलगाव और हस्तक्षेप अस्वीकृति समय के साथ ऑपरेशन की अखंडता को बनाए रखती है।
जबकि 6N137 और 6N136 ऑप्टो-आइसोलेशन में समान उद्देश्यों को पूरा करते हैं।6N137 10MBD की अधिकतम अधिकतम गति का दावा करता है।यह एक संकीर्ण आपूर्ति वोल्टेज रेंज के भीतर संचालित होता है।इसके विपरीत, 6N136 में एक व्यापक वोल्टेज सहिष्णुता है।यह 1MBD की कम गति पर संचालित होता है।इस प्रकार, 6N137 कटिंग-एज संचार प्रणालियों के लिए एकदम सही है, जिसमें तेजी से डेटा ट्रांसफर की आवश्यकता होती है, जबकि 6N136 अलग-अलग बिजली की आपूर्ति के साथ परिदृश्यों के लिए अच्छी तरह से अनुकूलित करता है, गति और बहुमुखी प्रतिभा के बीच संतुलन बनाता है।
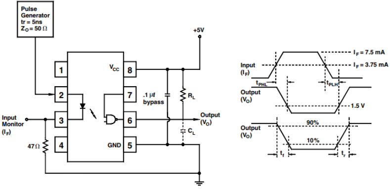
6N136 उच्च गति वाले संचालन के लिए सिलवाया गया है, जो 1.9ω के लोड प्रतिरोध के साथ 0.5 माइक्रोसेकंड के अपने विशिष्ट प्रसार देरी में स्पष्ट है।यह इसे उच्च गति वाले डिजिटल संचार इंटरफेस का समर्थन करने में सक्षम बनाता है, बॉड दरों तक 500k तक पहुंचता है, जो 4N25 या TILI17 जैसे मानक उपकरणों को काफी आगे बढ़ाता है।हालांकि, व्यावहारिक अनुप्रयोगों में इस तरह के प्रदर्शन को प्राप्त करने से सर्किट डिजाइन और लेआउट पर ध्यान देने की मांग होती है।इन ठीक विवरणों को सुनिश्चित करने से किसी भी संभावित सिग्नल में गिरावट को कम करने में मदद मिलती है, जिससे 6N136 द्वारा वादा की गई उच्च गति क्षमता को सुरक्षित किया जा सकता है।
कृपया एक जांच भेजें, हम तुरंत जवाब देंगे।
2024/10/21 पर
2024/10/21 पर
8000/04/18 पर 147758
2000/04/18 पर 111942
1600/04/18 पर 111349
0400/04/18 पर 83721
1970/01/1 पर 79508
1970/01/1 पर 66915
1970/01/1 पर 63065
1970/01/1 पर 63012
1970/01/1 पर 54081
1970/01/1 पर 52137