
ए विभेदक प्रवर्धक कई एनालॉग सिस्टम का एक मुख्य हिस्सा है।इसका मुख्य कार्य किसी भी वोल्टेज को अनदेखा करते हुए दो इनपुट संकेतों के बीच वोल्टेज अंतर को बढ़ाना है जो दोनों के लिए सामान्य है।यह चयनात्मक प्रवर्धन वह है जो इसे शोर वातावरण में इतना उपयोगी बनाता है।जब इलेक्ट्रोमैग्नेटिक शोर या पावर लाइन HUM की तरह हस्तक्षेप दोनों इनपुट को समान रूप से प्रभावित करता है, तो एम्पलीफायर प्रभावी रूप से इसे रद्द कर देता है।
इस क्षमता को कॉमन-मोड अस्वीकृति कहा जाता है।एक उच्च सामान्य-मोड अस्वीकृति अनुपात (CMRR) यह सुनिश्चित करता है कि एम्पलीफायर केवल सही सिग्नल अंतर पर ध्यान केंद्रित करता है, जो सटीकता को संरक्षित करने में मदद करता है।उदाहरण के लिए, ईसीजी मशीनों जैसे चिकित्सा उपकरणों में, दिल के विद्युत संकेत छोटे होते हैं और अक्सर शोर में दफन होते हैं।एक विभेदक एम्पलीफायर इन संकेतों को साफ -सफाई से निकालता है, जो विश्वसनीय रीडिंग के लिए अनुमति देता है।एक ही सिद्धांत औद्योगिक या ऑडियो सिस्टम में लागू होता है, जहां शोर के लिए सटीक और प्रतिरोध महत्वपूर्ण है।
जब सिग्नल लंबी दूरी की यात्रा करते हैं, जैसे कि डेटा अधिग्रहण प्रणालियों में मुड़-जोड़ी केबलों के माध्यम से, दोनों तार समान हस्तक्षेप करते हैं।अंतर एम्पलीफायर इस साझा शोर को रद्द कर देता है और केवल उपयोगी संकेत अंतर को बढ़ाता है।इस वजह से, यह सटीक इलेक्ट्रॉनिक्स में एक प्रमुख घटक है जो सेंसर इंटरफेस से लेकर उच्च-निष्ठा ऑडियो तक हर चीज में उपयोग किया जाता है।
ऑपरेशनल एम्पलीफायर के लिए एक ऑप-एम्प, छोटा, एक इलेक्ट्रॉनिक हिस्सा है जो छोटे वोल्टेज सिग्नल को बहुत बड़ा बना सकता है।इसमें दो इनपुट पिन हैं: एक को नॉन-इनवर्टिंग इनपुट ("+" के साथ चिह्नित) कहा जाता है, और दूसरा इनवर्टिंग इनपुट ("-" के साथ चिह्नित) है।Op-amp इन दो इनपुट पर वोल्टेज की तुलना करता है और उनके बीच के अंतर के आधार पर एक आउटपुट देता है।अपने आप में, एक ओपी-एएमपी में बहुत अधिक लाभ होता है, जिसका अर्थ है कि दो इनपुट के बीच एक छोटा वोल्टेज अंतर भी आउटपुट को इसके अधिकतम या न्यूनतम स्तर पर धकेल सकता है।यह अधिकांश उपयोगों के लिए बहुत संवेदनशील बनाता है।इसे ठीक करने के लिए, हम नकारात्मक प्रतिक्रिया नामक कुछ जोड़ते हैं, यह तब होता है जब आउटपुट का हिस्सा प्रतिरोधों के माध्यम से इनवर्टिंग इनपुट में वापस भेजा जाता है।यह OP-AMP को आउटपुट को स्थिर और उपयोगी स्तर पर रखने में मदद करता है।प्रतिरोधक नियंत्रित करते हैं कि ओपी-एम्पी दो इनपुट के बीच अंतर को कितना बढ़ाता है।

चित्रा 2. अंतर प्रवर्धन में ओपी-एम्पी
यह आंकड़ा एक विशेष सेटअप दिखाता है जिसे डिफरेंशियल एम्पलीफायर कहा जाता है, जिसे कभी -कभी शॉर्ट के लिए एक डिफ amp कहा जाता है।यह चार प्रतिरोधों (R₁, R₂, R₃, और R₄) और दो इनपुट सिग्नल का उपयोग करता है: V₁ और V₂।Op-amp यह देखता है कि V₁ और V₂ कितने अलग-अलग हैं और एक आउटपुट वोल्टेज V₀ देता है जो उस अंतर पर आधारित है।इस तरह का सर्किट किसी भी शोर या अवांछित संकेतों की अनदेखी करते हुए दो संकेतों के बीच अंतर को उठाने में महान है जो दोनों इनपुट पर समान हैं।यही कारण है कि इसका उपयोग सेंसर सर्किट, ऑडियो सिस्टम और माप उपकरण जैसी चीजों में किया जाता है जहां आपको स्पष्ट और सटीक संकेतों की आवश्यकता होती है।
एक अंतर एम्पलीफायर बनाने के लिए जो स्पष्ट और विश्वसनीय तरीके से काम करता है, चार प्रतिरोधों के साथ एक संतुलित सेटअप का उपयोग करें।आरेख दिखाता है कि यह एक ऑप-एएमपी (परिचालन एम्पलीफायर), दो इनपुट वोल्टेज (V₁ और V₂), और चार प्रतिरोधों: R1, R2, R3 और R4 का उपयोग करके कैसे किया जाता है।

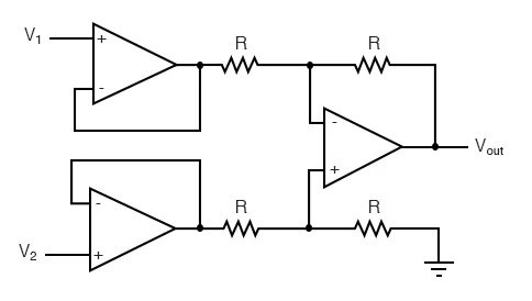
चित्रा 3. सममित अवरोधक नेटवर्क के साथ विभेदक एम्पलीफायर सर्किट
इस सर्किट में, पहला इनपुट वोल्टेज, V,, Op-amp (माइनस साइन के साथ चिह्नित) के इनवर्टिंग इनपुट के लिए रोकनेवाला R1 के माध्यम से भेजा जाता है।दूसरा इनपुट वोल्टेज, V₂, रेसिस्टर R3 के माध्यम से गैर-इनवर्टिंग इनपुट (एक प्लस साइन के साथ चिह्नित) के माध्यम से जाता है।फिर, रोकनेवाला R2 जमीन से इनवर्टिंग इनपुट को जोड़ता है, और रोकनेवाला R4 Op-amp के आउटपुट को इनवर्टिंग इनपुट से वापस जोड़ता है।यह फीडबैक लूप ओपी-एम्पी को आउटपुट को नियंत्रित करने में मदद करता है और दो इनपुट के बीच अंतर को स्थिर रखता है।
इस एम्पलीफायर का मुख्य विचार V₂ और v₁ के बीच के अंतर को मापना है और उस अंतर को एक निश्चित राशि से गुणा करना है, इसे लाभ कहा जाता है।लाभ सही रोकनेवाला मूल्यों को चुनकर निर्धारित किया गया है।यदि R1 और R3 का एक ही मूल्य है, और R2 और R4 का भी समान मूल्य है, तो सर्किट अच्छी तरह से काम करेगा और एक स्वच्छ, सटीक आउटपुट देगा।समान प्रतिरोधों का होना बहुत महत्वपूर्ण है।जब प्रतिरोधों का मिलान किया जाता है, तो सर्किट किसी भी शोर या हस्तक्षेप को अनदेखा कर सकता है जो दोनों इनपुट लाइनों पर समान है।इसे कॉमन-मोड अस्वीकृति कहा जाता है, और यह आउटपुट सिग्नल को साफ रखने में मदद करता है।यदि प्रतिरोधक अच्छी तरह से मेल नहीं खाते हैं, तो सर्किट अवांछित संकेतों के माध्यम से दे सकता है, जो आउटपुट को गड़बड़ कर सकता है।
इससे बचने के लिए, उच्च-सटीक प्रतिरोधों का उपयोग करें जो मूल्य में बहुत करीब हैं, अक्सर एक दूसरे के 0.1% के भीतर।अधिक उन्नत डिजाइनों में, जैसे कि माइक्रोचिप्स के अंदर पाए जाने वाले, रोकनेवाला मानों को सावधानीपूर्वक लेजर ट्रिमिंग का उपयोग करके समायोजित किया जाता है ताकि यह सुनिश्चित हो सके कि सब कुछ संतुलित है।अन्य मामलों में, तापमान के बारे में भी सोचें, क्योंकि गर्मी बदल सकती है कि प्रतिरोध कैसे व्यवहार करते हैं।इसलिए, वे उन प्रतिरोधों को चुनने की कोशिश करते हैं जो तापमान से बहुत प्रभावित नहीं होते हैं या उन्हें इस तरह से व्यवस्थित करते हैं जो चीजों को स्थिर रखता है।इस सरल प्रकार के अंतर एम्पलीफायर का उपयोग अक्सर अधिक जटिल प्रणालियों के लिए शुरुआती बिंदु के रूप में किया जाता है, जैसे कि इंस्ट्रूमेंटेशन एम्पलीफायरों।वे सर्किट प्रदर्शन को और भी बेहतर बनाने के लिए अतिरिक्त भागों का उपयोग करते हैं, खासकर जब शोर वातावरण में बहुत छोटे संकेतों के साथ काम करते हैं।
एक विभेदक एम्पलीफायर का लाभ इस बात का एक उपाय है कि सर्किट दो इनपुट वोल्टेज, V₁ और V₂ के बीच अंतर को कितना बढ़ाता है।दूसरे शब्दों में, गेन हमें बताता है कि इनपुट संकेतों के बीच अंतर की तुलना में आउटपुट कितना बड़ा होगा।यह लाभ विशेष रूप से सर्किट में प्रतिरोधों द्वारा निर्धारित किया जाता है, इनपुट प्रतिरोधों और प्रतिक्रिया प्रतिरोधों के मूल्यों की तुलना करके।यदि हम प्रतिरोधों को संतुलित तरीके से सेट करते हैं, तो लाभ की गणना बहुत सरल हो जाती है।मान लें कि R1 R3 के समान है, और R2 R4 के समान है।इस तरह के सेटअप को सममित कहा जाता है, और यह सर्किट को अधिक सटीक रूप से काम करने में मदद करता है।इस मामले में, एम्पलीफायर के लाभ का सूत्र इस तरह दिखता है:

इस सूत्र का अर्थ है कि एम्पलीफायर V₂ और v₁ के बीच का अंतर लेता है और R1 द्वारा R2 को विभाजित करने पर आपको मिलने वाली संख्या से गुणा करता है।इसलिए यदि R2 R1 से दोगुना बड़ा है, तो आउटपुट V₂ और V₁ के बीच अंतर का दो गुना होगा।
यहाँ एक उदाहरण है:
यदि v₂ = 3 वोल्ट और v₁ = 1 वोल्ट, अंतर 2 वोल्ट है।
यदि R2 10kω है और R1 5K, है, तो लाभ 10k / 5k = 2 है।
तो आउटपुट वोल्टेज 2 × 2 = 4 वोल्ट होगा।
यदि आप सभी चार प्रतिरोधों को समान बनाते हैं (R1 = R2 = R3 = R4), तो लाभ 1 हो जाता है। इसका मतलब है कि एम्पलीफायर अंतर के आकार को नहीं बदलता है, यह केवल आउटपुट में अंतर को पारित करता है जैसा कि यह है।यह तब उपयोगी है जब आप केवल एक सिग्नल के साथ मापना या पास करना चाहते हैं, इसे मजबूत बनाए बिना।कभी -कभी, हालांकि, आपको आउटपुट को मजबूत होने की आवश्यकता होती है, खासकर अगर इनपुट सिग्नल बहुत कम हैं।ऐसा करने के लिए, आप R1 और R3 से R2 और R4 को बड़ा बना सकते हैं।यह लाभ को बढ़ाता है, और आउटपुट सिग्नल को बड़ा बनाता है।उदाहरण के लिए, यदि R2 R1 से दस गुना बड़ा है, तो लाभ 10 है, और आउटपुट इनपुट अंतर से दस गुना है।
लेकिन बढ़ती बढ़त में भी गिरावट है।एक उच्च लाभ भी अवांछित संकेत बना सकता है, जैसे शोर या हस्तक्षेप, मजबूत।यह भी छोटे वोल्टेज त्रुटियों को बड़ा दिख सकता है।यह एम्पलीफायर के आउटपुट को शोर या गलत बना सकता है।इसलिए प्रतिरोधक मूल्यों को ध्यान से चुनना महत्वपूर्ण है, इसलिए संकेत स्पष्ट रूप से संकेत को देखने के लिए पर्याप्त है, लेकिन इतना अधिक नहीं है कि यह समस्याओं का कारण बनता है।इसके अलावा, Op-amps सही नहीं हैं।उनके पास छोटी अंतर्निहित त्रुटियां हो सकती हैं जो बदलती हैं कि सर्किट कैसे काम करता है।उदाहरण के लिए, OP-AMP एक छोटा आउटपुट हो सकता है, जब इनपुट बिल्कुल समान होते हैं।इसे ऑफसेट वोल्टेज कहा जाता है।एक अन्य सामान्य मुद्दा पूर्वाग्रह वर्तमान है, जो एक छोटा करंट है जो इनपुट पिन में बहता है और वोल्टेज को थोड़ा बदल सकता है।इन समस्याओं को ठीक करने या कम करने के लिए, इसे बनाने के बाद सर्किट को समायोजित करें (जिसे ट्रिमिंग कहा जाता है), त्रुटियों को रद्द करने के लिए अतिरिक्त घटकों को जोड़ें (ऑफसेट नलिंग), या विशेष ऑप-एम्प्स का उपयोग करें जो बहुत सटीक और स्थिर होने के लिए डिज़ाइन किए गए हैं।।
एक बुनियादी अंतर एम्पलीफायर एक सरल और उपयोगी सर्किट है।यह दो इनपुट वोल्टेज के बीच का अंतर बढ़ता है (बढ़ाता है) और किसी भी चीज़ को अनदेखा करता है जो दोनों पर समान है।लेकिन इस सरल डिजाइन में एक समस्या है जब यह कमजोर या उच्च-प्रतिबाधा संकेत स्रोतों (जैसे कुछ सेंसर) से जुड़ता है।समस्या एम्पलीफायर के इनवर्टिंग इनपुट से आती है।सर्किट कैसे काम करता है, यह इनपुट एक वर्चुअल ग्राउंड की तरह काम करता है, जिसका अर्थ है कि यह सिग्नल स्रोत से वर्तमान खींच सकता है।
यदि सिग्नल स्रोत कुछ सेंसर या नाजुक सर्किट की तरह अधिक करंट नहीं दे सकता है, तो यह सिग्नल को बदल सकता है।सिग्नल छोटा (कमजोर) या विकृत हो सकता है, जिसका अर्थ है कि एम्पलीफायर एक गलत परिणाम देता है।इसे ठीक करने के लिए, वोल्टेज अनुयायियों का उपयोग करें, जिसे प्रत्येक इनपुट पर बफर एम्पलीफायरों भी कहा जाता है।ये विशेष एम्पलीफायर सर्किट हैं जो वोल्टेज को नहीं बढ़ाते हैं, लेकिन उनके पास बहुत अधिक इनपुट प्रतिबाधा और कम आउटपुट प्रतिबाधा है।इसका मतलब है कि वे सिग्नल स्रोत से बहुत अधिक वर्तमान नहीं खींचते हैं, इसलिए सिग्नल समान रहता है।बफर सिर्फ इसे बदले बिना सिग्नल को पास करता है।जब आप इन वोल्टेज फॉलोअर्स को डिफरेंशियल एम्पलीफायर में जोड़ते हैं, तो आपको एक बेहतर सर्किट मिलता है जिसे तीन-ऑप-ओपी-एम्पी इंस्ट्रूमेंटेशन एम्पलीफायर कहा जाता है।इस नए संस्करण में बहुत अधिक इनपुट प्रतिबाधा है, इसलिए यह कमजोर संकेतों के साथ अच्छी तरह से काम करता है।
आप बाहरी प्रतिरोधों का उपयोग करके लाभ (कितना सिग्नल को बढ़ाया जाता है) भी सेट कर सकते हैं।यह शोर को भी अच्छी तरह से अवरुद्ध करता है और एक साफ, सटीक संकेत देता है।इन बेहतर एम्पलीफायरों का उपयोग सटीक नौकरियों में किया जाता है, जैसे थर्मिस्टर्स, स्ट्रेन गेज या मेडिकल सेंसर से छोटे सिग्नल पढ़ना।ये संकेत अक्सर बहुत छोटे होते हैं (जैसे कि माइक्रोवोल्ट्स) और शोर को स्पष्ट रूप से बढ़ाने की आवश्यकता होती है, यहां तक कि शोर स्थानों में भी।यह सुनिश्चित करने के लिए कि एम्पलीफायर अपने सबसे अच्छे रूप में काम करता है, सर्किट का भौतिक डिजाइन भी महत्वपूर्ण है।कई विशेष लेआउट ट्रिक्स का उपयोग करते हैं, जैसे कि सर्किट के कुछ हिस्सों को अवांछित संकेतों को अवरुद्ध करने के लिए और अवांछित समाई के साथ समस्याओं से बचने के लिए तारों को छोटा रखने के लिए।यह एम्पलीफायर को बहुत छोटे या तेज संकेतों के साथ भी अच्छी तरह से काम करने में मदद करता है।

चित्रा 4. इनपुट बफ़र्स के साथ तीन-ऑप-एम्पी इंस्ट्रूमेंटेशन एम्पलीफायर
आंकड़ा एक तीन-ऑप-एम्पी इंस्ट्रूमेंटेशन एम्पलीफायर प्रदर्शित करता है।पहले दो ओपी-एएमपी बफ़र्स के रूप में कार्य करते हैं, इनपुट सिग्नल V1 और V2 प्राप्त करते हैं और स्रोतों से वर्तमान ड्राइंग के बिना उन्हें अग्रेषित करते हैं।ये बफर सिग्नल तब प्रतिरोधों से गुजरते हैं और तीसरे ऑप-एएमपी में अभिसरण करते हैं, जो एक अंतर एम्पलीफायर के रूप में कार्य करता है।यह अंतिम चरण आउटपुट वोल्टेज vout का उत्पादन करने के लिए दूसरे से एक इनपुट को घटाता है।यह कॉन्फ़िगरेशन सिग्नल अखंडता को बढ़ाता है और कमजोर या संवेदनशील संकेतों को सुरक्षित रूप से संभालने के लिए अच्छी तरह से अनुकूल है।
कुछ सर्किटों में, हम एक प्रकार के एम्पलीफायर का उपयोग करते हैं, जिसे बिना किसी प्रतिक्रिया के डिफरेंशियल एम्पलीफायर कहा जाता है।जब हम ऐसा करते हैं, तो यह एक तुलनित्र बन जाता है।एक तुलनित्र एक उपकरण है जो जल्दी से जांचता है कि दो वोल्टेज में से कौन सा बड़ा है।एक बार जब यह तुलना करता है, तो यह अपने आउटपुट को एक उच्च या निम्न वोल्टेज में बदल देता है, लगभग एक साधारण स्विच की तरह।इस तरह का ऑन-या-ऑफ व्यवहार डिजिटल सिस्टम और स्वचालित नियंत्रण सर्किट में बहुत उपयोगी है।एक उदाहरण एक शून्य-क्रॉसिंग डिटेक्टर है।यह एक एसी (वैकल्पिक वर्तमान) सिग्नल देखता है और जब भी सिग्नल शून्य वोल्ट से गुजरता है, तो इसके आउटपुट को बदल देता है।यह उन चीजों को समय देने और नियंत्रित करने में सहायक है जो सिग्नल के चरण पर निर्भर करती हैं।
एनालॉग-टू-डिजिटल कन्वर्टर्स (एडीसी) नामक उपकरणों में तुलनित्र भी महत्वपूर्ण हैं।ये कन्वर्टर्स सिग्नल (जैसे ध्वनि या तापमान) को डिजिटल नंबरों में बदलते हैं जिन्हें कंप्यूटर समझ सकते हैं।तुलनित्र एक निश्चित संदर्भ वोल्टेज से बदलते संकेत की तुलना करके मदद करता है।भले ही नियमित रूप से ओपी-एएमपी (परिचालन एम्पलीफायरों) सरल सर्किट में तुलनित्र के रूप में काम कर सकते हैं, लेकिन इस नौकरी के लिए केवल विशेष तुलनित्र चिप्स हैं।ये विशेष चिप्स तेज और अधिक सटीक हैं।वे अतिरिक्त सुविधाएँ भी शामिल कर सकते हैं, जैसे कि हिस्टैरिसीस (जो छोटे परिवर्तन या शोर के कारण अक्सर स्विच करने से बचने में मदद करता है) और ओपन-कलेक्टर आउटपुट (जो डिजिटल सर्किट से कनेक्ट करना आसान बनाते हैं)।

चित्रा 5. एक व्हीटस्टोन ब्रिज कॉन्फ़िगरेशन का उपयोग करके तुलनित्र सर्किट
यह आंकड़ा एक क्लासिक व्हीटस्टोन ब्रिज कॉन्फ़िगरेशन के साथ एक तुलनित्र सर्किट को दिखाता है।चार समान प्रतिरोधों आर पुल नेटवर्क का निर्माण करते हैं, जब सभी घटक सममित होते हैं और इनपुट 0 वोल्ट पर होता है।V1 और V2 लेबल वाले ब्रिज आर्म्स से वोल्टेज को क्रमशः एक तुलनित्र के इनवर्टिंग और गैर-इनवर्टिंग इनपुट में खिलाया जाता है।संतुलित परिस्थितियों में, V1 और V2 समान हैं, जिसके परिणामस्वरूप शून्य आउटपुट होता है।पुल में कोई भी असंतुलन जैसे कि तापमान या तनाव के कारण एक अवरोधक में परिवर्तन, V1 और V2 के बीच एक वोल्टेज अंतर का उत्पादन करेगा, जिससे तुलनित्र तदनुसार इसके आउटपुट को स्विच करने के लिए।
प्रकाश-संवेदनशील स्विच अंतर एम्पलीफायरों के अनुप्रयोग हैं जो अलग-अलग परिवेश प्रकाश स्तरों के जवाब में विद्युत उपकरणों के स्वचालित नियंत्रण को सक्षम करते हैं।ये सर्किट आमतौर पर एक प्रकाश आश्रित रोकनेवाला (LDR) का उपयोग करते हैं, एक घटक जिसका प्रतिरोध उस पर गिरने की तीव्रता के आधार पर बदलता है।एक वोल्टेज डिवाइडर नेटवर्क में एक एलडीआर को एकीकृत करके, प्रकाश की तीव्रता को संबंधित वोल्टेज सिग्नल में बदलना संभव हो जाता है।इस तरह के स्विच का मुख्य संचालन एक अंतर एम्पलीफायर पर निर्भर करता है, जो दो इनपुट प्राप्त करता है: एक वोल्टेज डिवाइडर से जिसमें एलडीआर और दूसरा एक संदर्भ वोल्टेज से होता है।संदर्भ वोल्टेज को एक चर अवरोधक (VR1) या पोटेंशियोमीटर का उपयोग करके समायोज्य बनाया जा सकता है।यह कॉन्फ़िगरेशन प्रकाश तीव्रता सीमा को ठीक से सेट करने में सक्षम बनाता है जिस पर स्विच कनेक्टेड लोड को सक्रिय या निष्क्रिय कर देगा।
जैसा कि परिवेशी प्रकाश बदलता है, एलडीआर का प्रतिरोध भिन्न होता है, अंतर एम्पलीफायर के एक इनपुट पर वोल्टेज को बदल देता है।जब यह इनपुट वोल्टेज संदर्भ वोल्टेज से नीचे गिरता है या गिरता है, तो एम्पलीफायर टॉगल का आउटपुट।इस आउटपुट का उपयोग एक ट्रांजिस्टर स्विच को चलाने के लिए किया जाता है, जो बदले में एक जुड़े डिवाइस जैसे कि लैंप, रिले या फैन को सक्रिय करता है।एक प्रतिक्रिया अवरोधक (आरएफ) को शामिल करने से एम्पलीफायर सर्किट की स्थिरता और जवाबदेही में सुधार होता है।इस बीच, ट्रांजिस्टर स्टेज, जिसे अक्सर एक फ्लाईबैक डायोड (डी 1) के साथ जोड़ा जाता है, आवश्यक वर्तमान प्रवर्धन प्रदान करता है और वोल्टेज स्पाइक्स से बचाता है जब रिले जैसे इंडक्टिव लोड का उपयोग किया जाता है।

चित्रा 6. एक अंतर एम्पलीफायर और एलडीआर का उपयोग करके प्रकाश-संवेदनशील स्विच
आंकड़ा एक अंतर एम्पलीफायर के आधार पर एक प्रकाश-संवेदनशील स्विच सर्किट को दिखाता है।एक प्रकाश आश्रित रोकनेवाला (LDR) और एक निश्चित अवरोधक (R1) एक वोल्टेज डिवाइडर बनाता है जो परिचालन एम्पलीफायर के इनवर्टिंग टर्मिनल को एक चर वोल्टेज इनपुट (V1) प्रदान करता है।गैर-इनवर्टिंग इनपुट एक संदर्भ वोल्टेज (V2) प्राप्त करता है, जो रोकनेवाला R2 के साथ श्रृंखला में एक चर रोकनेवाला (VR1) का उपयोग करके सेट करता है।विभेदक एम्पलीफायर इन इनपुट्स की तुलना करता है, इसके आउटपुट के साथ एक प्रतिरोधक (R3) के माध्यम से एक ट्रांजिस्टर के आधार से जुड़ा हुआ है।जब प्रकाश की तीव्रता इस तरह से बदल जाती है कि V1 V2 द्वारा निर्धारित दहलीज को पार कर लेता है, तो एम्पलीफायर आउटपुट स्विच करता है, ट्रांजिस्टर को चालू या बंद कर देता है।यह, बदले में, एक कनेक्टेड रिले कॉइल को नियंत्रित करता है, जो एक आउटपुट कनेक्शन के साथ आरेख में इंगित करता है।एक डायोड (D1) को वोल्टेज स्पाइक्स से बचाने के लिए रिले कॉइल के साथ समानांतर में रखा जाता है।रोकनेवाला R4 ट्रांजिस्टर के आधार के लिए एक पुल-डाउन के रूप में कार्य करता है।समग्र सर्किट परिवेशी प्रकाश स्थितियों के आधार पर स्वचालित स्विचिंग को सक्षम करता है।
• उत्कृष्ट शोर अस्वीकृति: डिफरेंशियल एम्पलीफायरों को किसी भी वोल्टेज को अनदेखा करते हुए दो इनपुट सिग्नल के बीच अंतर को बढ़ाने के लिए डिज़ाइन किया गया है जो दोनों के लिए सामान्य है।यह उन्हें विद्युत चुम्बकीय हस्तक्षेप और शोर को अस्वीकार करने में अत्यधिक प्रभावी बनाता है जो दोनों इनपुट लाइनों को समान रूप से प्रभावित करता है, बहुत सारे विद्युत शोर के साथ वातावरण में एक महत्वपूर्ण लाभ, जैसे कि कारखाने या बिजली लाइनों के पास।
• उच्च सटीकता?यह उन्हें उन प्रणालियों के लिए आदर्श बनाता है जिनके लिए उच्च परिशुद्धता की आवश्यकता होती है, जैसे ऑडियो उपकरण, डेटा अधिग्रहण प्रणाली, या वैज्ञानिक उपकरण, जहां भी छोटे अशुद्धि प्रदर्शन से समझौता कर सकते हैं।
• बहुमुखी अभिकर्मक: उनके सर्किट कॉन्फ़िगरेशन में सरल संशोधनों के साथ, अंतर एम्पलीफायरों का उपयोग विभिन्न प्रकार की भूमिकाओं में किया जा सकता है जैसे कि बुनियादी एम्पलीफायरों, वोल्टेज तुलनित्र, वोल्टेज अनुयायियों (बफ़र्स), या अधिक उन्नत इंस्ट्रूमेंटेशन सिस्टम में ब्लॉक बिल्डिंग के रूप में।यह लचीलापन उन्हें कई एनालॉग डिजाइनों में एक लोकप्रिय विकल्प बनाता है।
• सिग्नल की गुणवत्ता में सुधार करता है: वांछित सिग्नल को बढ़ाकर और सिग्नल चेन में शोर को जल्दी से अस्वीकार करके, डिफरेंशियल एम्पलीफायरों ने यह सुनिश्चित करने में मदद की कि एक स्वच्छ सिग्नल बाकी सिस्टम के माध्यम से पारित किया जाता है।यह जटिल फ़िल्टरिंग या डिजिटल सुधार डाउनस्ट्रीम की आवश्यकता को कम करता है, प्रसंस्करण शक्ति को बचाता है और समग्र प्रणाली विश्वसनीयता में सुधार करता है।
• कठोर सेटिंग्स में विश्वसनीय: उनके शोर-अस्वीकृति और सटीकता के कारण, डिफरेंशियल एम्पलीफायरों का उपयोग उच्च-दांव वातावरण जैसे एयरोस्पेस सिस्टम, मेडिकल डिवाइस और प्रयोगशाला उपकरणों में व्यापक रूप से किया जाता है।इन क्षेत्रों में, सटीक और स्थिर माप महत्वपूर्ण हैं, और अंतर एम्पलीफायरों को चुनौतीपूर्ण परिस्थितियों में भी संकेत अखंडता को बनाए रखने में मदद मिलती है।
डिफरेंशियल एम्पलीफायर्स इलेक्ट्रॉनिक्स में महत्वपूर्ण उपकरण हैं क्योंकि वे आपको सही सिग्नल को बढ़ाने में मदद करते हैं और अवांछित शोर से छुटकारा पा लेते हैं।वे दो इनपुट वोल्टेज के बीच अंतर को बढ़ाकर और दोनों पर समान कुछ भी अनदेखी करके काम करते हैं।आपने सीखा कि इन एम्पलीफायरों को बनाने के लिए ओपी-एएमपी का उपयोग कैसे किया जाता है और सर्किट को सटीक रखने के लिए कैसे मिलान रोकनेवाला मान महत्वपूर्ण है।हमने यह भी बताया कि बफ़र्स का उपयोग करके एम्पलीफायर के इनपुट प्रतिरोध को कैसे बढ़ाया जाए, जो छोटे या कमजोर संकेतों के साथ काम करने पर मदद करता है।इन एम्पलीफायरों का उपयोग तुलनित्र और स्मार्ट लाइट स्विच के रूप में भी किया जा सकता है, जिसमें दिखाया गया है कि वे कितने उपयोगी और लचीले हैं।यह जानना कि वे कैसे काम करते हैं, आपको बेहतर और अधिक विश्वसनीय सर्किट बनाने में मदद करता है।
कृपया एक जांच भेजें, हम तुरंत जवाब देंगे।
एक विभेदक एम्पलीफायर में एक ओपी-एएमपी और चार प्रतिरोध होते हैं।एक इनपुट एक अवरोधक के माध्यम से इनवर्टिंग टर्मिनल पर जाता है, और दूसरा इनपुट एक अन्य अवरोधक के माध्यम से गैर-इनवर्टिंग टर्मिनल पर जाता है।दो और प्रतिरोधक प्रतिक्रिया और ग्राउंडिंग प्रदान करते हैं।सर्किट दोनों को किसी भी वोल्टेज को अनदेखा करते हुए दो इनपुट के बीच वोल्टेज अंतर को बढ़ाता है।
इसकी सटीकता इस बात पर निर्भर करती है कि प्रतिरोधों को कितनी अच्छी तरह से मिलान किया जाता है।यदि रोकनेवाला मान बंद हैं, तो एम्पलीफायर के माध्यम से शोर कर सकता है।यह उच्च-प्रतिबाधा स्रोतों के साथ भी संघर्ष करता है, जो सिग्नल हानि या विरूपण का कारण बन सकता है।उच्च लाभ पर, यहां तक कि ऑफसेट वोल्टेज या पूर्वाग्रह वर्तमान जैसी छोटी आंतरिक त्रुटियां आउटपुट को प्रभावित कर सकती हैं।सटीकता के लिए जटिल लेआउट और अतिरिक्त बफ़र्स की आवश्यकता हो सकती है।
अधिकांश बुनियादी अंतर एम्पलीफायरों में एक आउटपुट होता है जो दो इनपुट के बीच प्रवर्धित अंतर को दर्शाता है।कुछ उन्नत संस्करण, जैसे पूरी तरह से अंतर एम्पलीफायरों में दो आउटपुट होते हैं।ये आउटपुट आयाम में समान हैं, लेकिन चरण में विपरीत हैं, जिससे वे उन प्रणालियों में उपयोगी होते हैं जिन्हें बेहतर शोर प्रतिरक्षा की आवश्यकता होती है।
यह दो इनपुट के बीच वोल्टेज अंतर को बढ़ाता है और दोनों को किसी भी वोल्टेज को सामान्य रूप से अस्वीकार करता है।इसमें उच्च सामान्य-मोड अस्वीकृति, अच्छी रैखिकता और अवरोधक मूल्यों के माध्यम से समायोज्य लाभ है।बफ़र्स के साथ, इसमें उच्च इनपुट प्रतिबाधा हो सकता है।यह शोर वातावरण में विश्वसनीय है और सेंसर या ऑडियो स्रोतों से छोटे संकेतों के साथ अच्छी तरह से काम करता है।
आप रोकनेवाला मूल्यों को समायोजित करके लाभ बढ़ाते हैं।लाभ इनपुट रोकनेवाला के प्रतिक्रिया रोकनेवाला के अनुपात के बराबर होता है, आम तौर पर = R2 / R1 प्राप्त होता है।बड़े प्रतिक्रिया प्रतिरोधों या छोटे इनपुट प्रतिरोधों का उपयोग करने से लाभ बढ़ जाता है।हालांकि, उच्च लाभ भी शोर या आंतरिक त्रुटियों को बढ़ा सकता है, इसलिए संकेत शक्ति और सटीकता के बीच एक अच्छे संतुलन के लिए अवरोधक मूल्यों को सावधानी से चुना जाना चाहिए।
2025/05/2 पर
2025/05/2 पर
8000/04/18 पर 147757
2000/04/18 पर 111935
1600/04/18 पर 111349
0400/04/18 पर 83719
1970/01/1 पर 79508
1970/01/1 पर 66903
1970/01/1 पर 63025
1970/01/1 पर 63010
1970/01/1 पर 54081
1970/01/1 पर 52121