
LM7809 एक विश्वसनीय सकारात्मक वोल्टेज नियामक आईसी है, जो विभिन्न अनुप्रयोगों में एक स्थिर 9V आउटपुट प्रदान करने के लिए प्रसिद्ध है।1 ए और 1.5 ए के बीच धाराओं को संभालने की अपनी क्षमता के साथ, यह रोबोटिक्स और एम्बेडेड सिस्टम जैसे क्षेत्रों में व्यापक उपयोग पाता है, जहां लगातार वोल्टेज की आपूर्ति गंभीर है।इष्टतम प्रदर्शन प्राप्त करने के लिए, LM7809 को अपने विनियमित आउटपुट को वितरित करने के लिए न्यूनतम 2V हेडरूम को बनाए रखते हुए, कम से कम 11V के इनपुट वोल्टेज की आवश्यकता होती है।दक्षता सुनिश्चित करने और बिजली के प्रवाह में रुकावट को रोकने के लिए पर्याप्त इनपुट रिजर्व के साथ एक उचित बिजली की आपूर्ति की आवश्यकता होती है।
इनपुट वोल्टेज के लिए 35V के रूप में उच्च के लिए समर्थन के साथ, LM7809 उन वातावरणों के लिए अत्यधिक अनुकूल साबित होता है जहां वोल्टेज में उतार -चढ़ाव आम होते हैं, जैसे कि ऑटोमोटिव इलेक्ट्रॉनिक्स और फील्ड इंस्ट्रूमेंट्स।वोल्टेज सर्ज को संभालने की इसकी क्षमता विश्वसनीयता को बढ़ाती है, जिससे यह चर इनपुट स्थितियों के साथ सिस्टम के प्रबंधन के लिए एक पसंदीदा विकल्प बन जाता है।हालांकि, गर्मी विघटन का प्रबंधन किया जाता है, क्योंकि इनपुट और आउटपुट के बीच वोल्टेज अंतर गर्मी उत्पन्न करता है।उचित हीटसिंक के उपयोग सहित उचित थर्मल डिजाइन, कुशल संचालन सुनिश्चित करने और डिवाइस के जीवनकाल का विस्तार करने के लिए आवश्यक है।
थर्मल शटडाउन और शॉर्ट-सर्किट प्रोटेक्शन जैसी बिल्ट-इन फीचर्स ने LM7809 की निर्भरता को और बढ़ाया, इसे प्रतिकूल परिस्थितियों में सुरक्षित रखा।ये सुरक्षा नियामक को वाणिज्यिक और शैक्षिक दोनों संदर्भों में मूल्यवान बनाती है, न केवल विश्वसनीय प्रदर्शन की पेशकश करती है, बल्कि सर्किट सुरक्षा के बारे में हाथों पर सीखने के अवसर भी हैं।ये एम्बेडेड सुरक्षा उपाय उच्च विश्वसनीयता और कम रखरखाव की मांग करने वाले अनुप्रयोगों में इसकी व्यावहारिकता में योगदान करते हैं, एक बहुमुखी वोल्टेज नियामक आईसी के रूप में अपनी भूमिका को मजबूत करते हैं।

|
पिन नं। |
पिन नाम |
विवरण |
|
1 |
इनपुट (v+) |
अनियमित इनपुट वोल्टेज |
|
2 |
मैदान |
जमीन से जुड़ा हुआ है |
|
3 |
आउटपुट (VO) |
आउटपुट विनियमित +9V |
|
विशेषता |
विवरण |
|
वर्तमान आउटपुट सीमा |
1 ए से 1.5 ए |
|
लागत प्रभावशीलता |
हाँ |
|
अनुप्रयोग उपयुक्तता |
वाणिज्यिक अनुप्रयोग |
|
आउटपुट वोल्टेज |
स्थिर और सुसंगत 9V आउटपुट |
|
अधिकतम इनपुट वोल्टेज |
35 वी डीसी |
|
स्टैंडबाय करंट उपभोग |
बेहद कम, सिर्फ 8ma |
|
न्यूनतम आवश्यक इनपुट वोल्टेज |
11v |
|
अधिकतम अनुमत इनपुट वोल्टेज |
35V |
|
बिजली आपूर्ति अस्वीकृति अनुपात |
55 डीबी |
|
आउटपुट वोल्टेज सहिष्णुता |
9v ± 4% |
|
ड्रॉप-आउट वोल्टेज (VI-VO) |
2.0V |
|
उत्पादन का प्रकार |
तय |
|
थर्मल और वर्तमान सुरक्षा |
आंतरिक थर्मल अधिभार और शॉर्ट सर्किट वर्तमान
सीमित |
|
अधिकतम जंक्शन तापमान |
125 ° C |
|
पैकेज प्रकार |
To-220, to-3, kte |
|
प्रकार |
पैरामीटर |
|
नाममात्र आपूर्ति वर्तमान |
5 मा |
|
निष्क्रिय करंट |
8 मा |
|
आउटपुट कॉन्फ़िगरेशन |
सकारात्मक |
|
वोल्टेज ड्रॉपआउट (अधिकतम) |
2V @ 1a टाइप |
|
टर्मिनल स्थिति |
अकेला |
|
संरक्षण सुविधाएँ |
अधिक तापमान, शॉर्ट सर्किट |
|
ड्रॉपआउट वोल्टेज |
2 वी |
|
ड्रॉपआउट वोल्टेज 1-नॉम |
2 वी |
|
आउटपुट वोल्टेज सटीकता |
4% |

प्रसिद्ध 7809 वोल्टेज नियामक न केवल आउटपुट में अपनी सटीकता के लिए प्रसिद्ध है, बल्कि इस संबंध में कई डीसी-डीसी कन्वर्टर्स को पार करने के लिए एक अत्यधिक चिकनी वोल्टेज आपूर्ति देने की अपनी विशिष्ट क्षमता के लिए भी प्रसिद्ध है।हालांकि, अधिक गर्मी पैदा करना इस विशेषता का एक उल्लेखनीय उपोत्पाद है।यह बेहतर चिकनाई काफी हद तक आउटपुट पर एक श्रृंखला पास ट्रांजिस्टर की उपस्थिति के कारण है, जो अतिरिक्त वोल्टेज पर अंकुश लगाने में महत्वपूर्ण भूमिका निभाता है।
विघटित बिजली की मात्रा को समझने के लिए, कोई भी सूत्र लागू कर सकता है: (इनपुट वोल्टेज - आउटपुट वोल्टेज) एक्स आउटपुट करंट।मान लीजिए कि इनपुट वोल्टेज 1A के संबंधित आउटपुट करंट के साथ 12V है।इस स्थिति में, पावर अपव्यय की गणना 3 वाट के लिए की जाती है, यह सुझाव देते हुए कि प्रभावी थर्मल प्रबंधन रणनीतियों, जैसे कि हीटसिंक, उचित हैं।
गर्मी प्रबंधन के लिए आवश्यकता स्पष्ट हो जाती है क्योंकि नियामक का अपव्यय 1.25 वाट को पार करता है - जिस दहलीज से परे अतिरिक्त शीतलन की आवश्यकता होती है।सर्किट डिजाइन में, पर्याप्त गर्मी अपव्यय सुनिश्चित करना एक अंतिम कार्य है जो प्रदर्शन और सिस्टम निर्भरता दोनों को बनाए रखने के लिए उपयोगी है।
7809-वोल्टेज नियामक उन परिदृश्यों में एक विश्वसनीय 9V बिजली उत्पादन प्रदान करने में एक अंतिम भूमिका निभाता है जहां इनपुट वातावरण भिन्न हो सकता है।यह कुशलता से 11V और 35V के बीच इनपुट वोल्टेज को संभालता है, एक स्थिर आउटपुट करंट सुनिश्चित करता है जो आमतौर पर 1 ए से अधिक होता है, जिसमें शिखर क्षमताएं 2.2 ए तक पहुंच जाती हैं।यह आपके लिए एक उपयुक्त चयन प्रदान करता है जो निर्भरता को महत्व देता है।
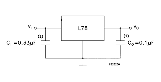
जब पावर स्रोत इंस्टॉलेशन साइट से 10 इंच से अधिक दूर स्थित होता है, तो 0.33uf या बड़े के इनपुट संधारित्र को शामिल करना उचित है।कम समकक्ष श्रृंखला प्रतिरोध (ईएसआर) के साथ कैपेसिटर चुनना ऊर्जा हानि को कम करने में मदद कर सकता है।ये विन्यास वोल्टेज नियामक के प्रदर्शन को बढ़ाने में एक उल्लेखनीय भूमिका निभाते हैं, ज्यादातर अलग -अलग स्थितियों के बीच स्थिरता बनाए रखने में।
7809 9 वी नियामक बाईपास कैप के साथ

एक वैकल्पिक 0.1UF आउटपुट संधारित्र जोड़ने से 7809 की क्षणिक प्रतिक्रिया को काफी बढ़ा सकता है।यह लोड या इनपुट वोल्टेज में उतार -चढ़ाव का सामना करने पर ध्यान देने योग्य सुधार की ओर जाता है, जिससे सिस्टम का समग्र लचीलापन बढ़ जाता है।हालांकि आमतौर पर अभ्यास किया जाता है, यह विशिष्ट पर्यावरणीय आवश्यकताओं के अनुरूप कस्टम कॉन्फ़िगरेशन का पता लगाने के लिए व्यावहारिक है।

• LM7806
• LM7824
• LM7815
• LM7812
• LM317
• LM7905
• LM7912
LM7809 बड़े पैमाने पर एक सुसंगत 9V आउटपुट देने के लिए नियोजित है, जो ज्यादातर माइक्रोकंट्रोलर और सेंसर के लिए अनुकूल है।इनपुट वोल्टेज में उतार -चढ़ाव के बावजूद प्रदर्शन को बनाए रखने के लिए इस डिवाइस की क्षमता संवेदनशील सेंसर डेटा और माइक्रोकंट्रोलर गतिविधियों की अखंडता का समर्थन करती है, अंततः इलेक्ट्रॉनिक सिस्टम के स्थायित्व को बढ़ाती है।कुशल वोल्टेज विनियमन सुनिश्चित करना अक्सर डेटा भ्रष्टाचार या माइक्रोकंट्रोलर के भीतर हानि जैसे मुद्दों से बचने के लिए व्यावहारिक अनुप्रयोगों में अक्सर पीछा किया जाता है।
जब उच्च वोल्टेज से 9V तक एक सटीक डाउनसाइज़िंग की आवश्यकता होती है, तो वोल्टेज विसंगतियों को कम करने में इसकी प्रवीणता के कारण LM7809 एक्सेल।यह सुविधा विशेष रूप से उन परिदृश्यों में मूल्यवान है जहां उपकरण, जैसे कि परिष्कृत होम ऑटोमेशन सिस्टम या पोर्टेबल इलेक्ट्रॉनिक्स, खतरों को ओवरवॉल्टेज के लिए असुरक्षित हैं।LM7809 को एकीकृत करने से इनपुट वोल्टेज विविधताओं के कारण होने वाले नुकसान की संभावना कम हो जाती है।
बिजली की आपूर्ति प्रणालियों के भीतर, LM7809 को एक सुसंगत आउटपुट देने के लिए मान्यता प्राप्त है, जो नियमित संचालन के लिए उपयोगी है।औद्योगिक सेटिंग्स और उपभोक्ता इलेक्ट्रॉनिक्स दोनों में, यह बिजली के व्यवधानों को रोकता है जिसके परिणामस्वरूप महंगे डाउनटाइम्स या डेटा कुप्रबंधन हो सकते हैं।इसकी अंतर्निहित थर्मल सुरक्षा लचीलापन की एक परत जोड़ती है, जिससे LM7809 को आमतौर पर वातावरण में आने वाली क्षणिक स्थितियों को संभालने की अनुमति मिलती है।
जब मोटर ड्राइवर सेटअप में उपयोग किया जाता है, तो LM7809 मोटर्स के लिए लगातार प्रदर्शन करने के लिए आवश्यक स्थिरता प्रदान करता है।यह विशेषता रोबोटिक्स या सटीक विनिर्माण जैसे अनुप्रयोगों के लिए प्रमुख है, जहां मोटर्स को निर्दिष्ट गति या टॉर्क पर काम करना चाहिए।नियामक की वोल्टेज में उतार -चढ़ाव को सुचारू करने की क्षमता यह सुनिश्चित करती है कि परिचालन दक्षता बनाए रखी जाए।
बैटरी चार्जिंग और सोलर पावर सिस्टम में, LM7809 एक निरंतर चार्जिंग वोल्टेज प्रदान करने में एक बुनियादी भूमिका निभाता है, इस प्रकार बैटरी जीवन और दक्षता का विस्तार करता है।यह पूरे दिन चर इनपुट वोल्टेज के साथ सौर प्रणालियों में ज्यादातर फायदेमंद है।LM7809 को एकीकृत करना विभिन्न इनपुट स्थितियों के तहत एक अनुकूलित चार्जिंग चक्र का समर्थन करता है।
माइक्रोकंट्रोलर्स के लिए एक प्राथमिक शक्ति स्रोत के रूप में कार्य करना, LM7809 शक्ति संवेदनशीलता और स्थिरता से संबंधित चुनौतियों को कम करता है।एक स्थिर बिजली की आपूर्ति प्रदान करना जटिल सेटअप में उपयोग किया जाता है जहां सटीक बिजली स्थिरता माइक्रोप्रोसेसर-चालित कार्यों के सहज संचालन को सुनिश्चित करती है।
LM7809 समायोज्य नियामक प्रणालियों के एक भाग के रूप में मूल्यवान है, जहां अलग -अलग चरणों के लिए विभिन्न वोल्टेज स्तर की आवश्यकता होती है।यह उन स्थितियों में भी सहायता करता है जहां वर्तमान सीमाओं की आवश्यकता होती है, परस्पर जुड़े उपकरणों को अप्रत्याशित वृद्धि से बचाते हैं।LM7809 को शामिल करके, आप न केवल वोल्टेज कॉन्स्टेंसी बल्कि प्रभावी वर्तमान प्रबंधन को सुरक्षित कर सकते हैं, एक विचार जो व्यापक सिस्टम डिजाइनों में अनुपस्थित हो सकता है।
आउटपुट पोलरिटी डिफेंस की आवश्यकता वाले दोहरी आपूर्ति प्रणालियों में, LM7809 गलत कनेक्शन के खिलाफ सुरक्षा प्रदान करता है।इस पहलू को जटिल इलेक्ट्रॉनिक डिजाइनों में आवश्यक है जहां रिवर्स पोलरिटी से घटक क्षति हो सकती है।प्रदर्शन खोने के बिना ऐसी स्थितियों को सहन करने के लिए LM7809 की क्षमता प्रमुख लचीलापन का परिचय देती है, जो निर्बाध प्रणाली के संचालन में योगदान देती है।




LM7809 वोल्टेज नियामक एक स्थिर 9V आउटपुट को बनाए रखने के लिए एक विश्वसनीय समाधान है, जो विविध इलेक्ट्रॉनिक अनुप्रयोगों में उल्लेखनीय प्रदर्शन का प्रदर्शन करता है।इसका सीधा डिजाइन, थर्मल सुरक्षा और शॉर्ट-सर्किट सुरक्षा जैसी मजबूत विशेषताओं के साथ संयुक्त, प्रोटोटाइप और तैयार सिस्टम दोनों में विश्वसनीयता सुनिश्चित करता है।वोल्टेज में उतार -चढ़ाव और गर्मी विघटन जैसी चुनौतियों को संबोधित करके, LM7809 डिवाइस दक्षता और दीर्घायु को बढ़ाता है।जैसे -जैसे प्रौद्योगिकी विकसित होती है, LM7809 स्थिर शक्ति प्रदान करने, नवाचार को बढ़ावा देने और आपके लिए इलेक्ट्रॉनिक डिजाइनों के स्थायित्व को सुनिश्चित करने में एक गतिशील भूमिका निभाता रहता है।
कृपया एक जांच भेजें, हम तुरंत जवाब देंगे।
LM7809 वितरण जटिलताओं को कम करने के लिए कार्ड पर स्थानीय वोल्टेज विनियमन चुनौतियों को संबोधित करते हुए, एक भरोसेमंद 9V सकारात्मक आउटपुट प्रदान करके एक उल्लेखनीय भूमिका निभाता है।अपने स्थिर समर्थन के साथ, यह बिजली की आपूर्ति की विश्वसनीयता को बढ़ाता है और इलेक्ट्रॉनिक सर्किट में संभावित गड़बड़ी को कम करता है, जिससे सिस्टम इंटीग्रेटर्स को सुरक्षा की भावना मिलती है।
एक स्थिर 9V आउटपुट प्रदान करते हुए, LM7809 वर्तमान के 1A तक की आपूर्ति कर सकता है और 11 से 35V तक एक इनपुट वोल्टेज स्पेक्ट्रम को समायोजित करता है।यह लचीलापन विभिन्न बिजली प्रबंधन परिदृश्यों को अपनाने में इसकी प्रयोज्यता को बढ़ावा देता है, जिससे यह विविध इलेक्ट्रॉनिक जरूरतों को पूरा करने के उद्देश्य से एक संपत्ति बन जाता है।
तीन-टर्मिनल डिवाइस के रूप में, LM7809 को 12 और 25 V के बीच एक डीसी इनपुट वोल्टेज की आवश्यकता होती है। इनपुट फ़िल्टर संधारित्र को शामिल करना उचित है, साथ ही थर्मल प्रबंधन चुनौतियों से निपटने के लिए हीट सिंक के साथ, विशेष रूप से उच्च-लोड परिस्थितियों में।यह व्यावहारिक दृष्टिकोण सर्किटरी के लंबे समय तक चलने वाले और कुशल प्रदर्शन में योगदान देता है।
वोल्टेज नियामक के लिए एक प्राचीन और स्थिर डीसी इनपुट सहज विनियमन और निरंतर आउटपुट प्रदर्शन को प्राप्त करने के लिए आवश्यक है।कनेक्शन की गुणवत्ता और घटकों के रणनीतिक प्लेसमेंट पर सावधानीपूर्वक विचार करने से व्यवधान को टाल दिया जा सकता है, इस प्रकार इलेक्ट्रॉनिक कॉन्फ़िगरेशन की अखंडता को बनाए रखा जा सकता है।
एक बुनियादी डिजाइन का निर्माण अक्सर वांछित वोल्टेज कॉन्स्टेंसी को महसूस करने के लिए कैपेसिटर के साथ 7805 रैखिक वोल्टेज नियामक को शामिल करना शामिल होता है।ये सीधे सेटअप इलेक्ट्रॉनिक उपकरणों के भीतर प्रभावी बिजली प्रबंधन में अंतर्दृष्टि का खुलासा करते हुए, अधिक जटिल प्रणालियों को विकसित करने के लिए पत्थरों को आगे बढ़ा सकते हैं।
2024/11/28 पर
2024/11/28 पर
8000/04/18 पर 147757
2000/04/18 पर 111935
1600/04/18 पर 111349
0400/04/18 पर 83719
1970/01/1 पर 79508
1970/01/1 पर 66903
1970/01/1 पर 63027
1970/01/1 पर 63010
1970/01/1 पर 54081
1970/01/1 पर 52121