
74HC02 एक एकीकृत सर्किट है जिसमें चार अलग-अलग 2-इनपुट और न ही गेट हैं।प्रत्येक गेट इनपुट क्लैंप डायोड से सुसज्जित है, जो इनपुट मान वीसीसी से अधिक होने पर उदाहरणों को प्रबंधित करने के लिए वर्तमान-सीमित प्रतिरोधों के साथ हाथ में काम करते हैं।डिजिटल सर्किटरी के परिदृश्य में, नोर गेट एक प्रारंभिक तर्क तत्व के रूप में खड़ा है।इसकी सादगी इसके संचालन के माध्यम से चमकती है: यह केवल एक उच्च संकेत को आउटपुट करता है जब दोनों इनपुट कम होते हैं।इसलिए, 74HC02 विभिन्न तार्किक कार्यों को तैयार करने का एक आवश्यक हिस्सा बन जाता है।
व्यावहारिक रूप से, 74HC02 अक्सर जटिल तर्क कार्यों के लिए आवश्यक घटक गणना को कम करके सर्किट डिजाइन को सुव्यवस्थित कर सकता है।नोर गेट चमकता है जब दो या अधिक स्थितियों को विशेष रूप से एक आउटपुट उत्पन्न करने के लिए पूरा किया जाना चाहिए।उपभोक्ता इलेक्ट्रॉनिक्स एक उदाहरण के रूप में काम करते हैं।आप अक्सर इस आईसी को नेविगेट करने के लिए इस आईसी की ओर मुड़ सकते हैं जो केवल विशिष्ट परिस्थितियों में ट्रिगर करना चाहिए - जैसे टेलीविज़न में देखे गए स्वचालित स्टैंडबाय मोड।
74HC02 शाखाओं की अनुकूलन क्षमता प्राथमिक अनुप्रयोगों से बाहर, जटिल प्रणालियों में इसकी जगह खोजने के लिए।यह फ्लिप-फ्लॉप और कुंडी के निर्माण में एक प्रमुख तत्व के रूप में कार्य करता है।इन घटकों का उपयोग मेमोरी चिप्स और प्रोसेसर में मौजूद समय सर्किट में किया जाता है।इसके अलावा, 74HC02 समस्या निवारण और मरम्मत में नवाचार के लिए एक सूक्ष्म उत्प्रेरक साबित होता है, जहां तर्क को लोच करना अधिक प्रभावी निदान के लिए मार्ग प्रशस्त करता है।
|
विशेषता |
विवरण |
|
प्रचालन वोल्टेज रेंज |
2.0 V से 6.0 V की विस्तृत श्रृंखला |
|
शक्ति का अपव्यय |
सीएमओएस प्रौद्योगिकी के साथ कम बिजली की खपत |
|
शोर प्रतिरक्षा |
उच्च शोर प्रतिरक्षा |
|
कुंडी प्रदर्शन |
मजबूत कुंडी-अप प्रदर्शन 100 एमए से अधिक है (JESD 78
कक्षा II स्तर b) |
|
इनपुट स्तर |
- 74HC02: सीएमओएस स्तर |
|
- 74HCT02: TTL स्तर |
|
|
JEDEC मानकों का अनुपालन |
- JESD8C: 2.7 V से 3.6 V |
|
- JESD7A: 2.0 V से 6.0 V |
|
|
ईएसडी संरक्षण |
- HBM JESD22-A114F: 2000 V से अधिक |
|
-MM JESD22-A115-A: 200 V से अधिक |
|
|
पैकेज विकल्प |
विभिन्न पैकेज विकल्प उपलब्ध हैं |
|
तापमान सीमा विनिर्देश |
-40 ° C से +85 ° C और -40 ° C से +125 ° C के लिए प्रदान किया गया |
|
प्रकार |
पैरामीटर |
|
अधिकतम शक्ति अपव्यय |
500 मेगावाट |
|
प्रचार देरी |
15 एनएस |
|
निष्क्रिय करंट |
2μA |
|
देरी का समय चालू करें |
7 एनएस |
|
तर्क स्तर - कम |
0.5V ~ 1.8V |
|
तर्क स्तर - उच्च |
1.5V ~ 4.2V |
|
वर्तमान - आउटपुट उच्च, कम |
5.2ma, 5.2ma |
|
आउटपुट करेंट |
25ma |
|
कार्यों की संख्या |
4 |
74HC02 घरों में चार अलग -अलग और न ही गेट हैं, प्रत्येक ने परिष्कृत तार्किक संचालन के लिए भाग लिया।ये गेट्स विशिष्ट रूप से एक उच्च संकेत का उत्सर्जन करते हैं, जब प्रत्येक इनपुट कम के रूप में पंजीकृत होता है, जैसा कि इसकी सत्य तालिका द्वारा सचित्र है।यह विशेषता डिजिटल सर्किट निर्माण में प्रारंभिक तत्व होने के लिए और न ही गेट्स को सशक्त बनाती है, जटिल तर्क कार्यात्मकताओं को रेखांकित करती है।रणनीतिक रूप से उन्हें कॉन्फ़िगर करके, ये गेट अन्य तर्क गेट जैसे और, या, और नहीं का अनुकरण करते हैं।

डिजिटल सिस्टम की दुनिया में, न ही 74HC02 द्वारा अनुकरणीय गेट्स ने अनुकूलनीय और मजबूत तर्क सर्किट विकसित करने के लिए विस्तारक अवसर प्रदान किए।वे आपको कम्प्यूटेशनल उपकरणों में बुनियादी कार्यों और नियंत्रण तत्वों को एकीकृत करने में सक्षम बनाते हैं।कुशल संयोजनों के माध्यम से, ये गेट नकारात्मक और संयोजन को निष्पादित करते हैं, जो कम्प्यूटेशनल प्रक्रियाओं के मुख्य पहलू हैं।आप अक्सर सर्किट आर्किटेक्चर को सुव्यवस्थित करने की उनकी क्षमता पर निर्भर कर सकते हैं, समग्र परिचालन प्रभावकारिता और सिस्टम निर्भरता को बढ़ाते हैं।
•स्मृति और संग्रहण: मेमोरी और स्टोरेज टेक्नोलॉजीज में नोर गेट्स के व्यापक अनुप्रयोग को देखा जा सकता है।मेमोरी कोशिकाओं के निर्माण में बुनियादी घटकों के रूप में, वे वाष्पशील और गैर-वाष्पशील दोनों यादों में डेटा प्रबंधन प्रक्रियाओं की सुविधा प्रदान करते हैं।उनकी भूमिका ज्यादातर फ्लैश मेमोरी इनोवेशन में उल्लेखनीय है, जहां उनका निगमन कम बिजली की आवश्यकताओं के साथ उच्च क्षमता वाले डेटा भंडारण का समर्थन करता है।इस तरह की प्रगति पर जोर दिया गया है और न ही गेट्स के उल्लेखनीय योगदान को रोजमर्रा की इलेक्ट्रॉनिक मेमोरी प्रौद्योगिकियों को विकसित करने के लिए।
न ही 74HC02 में गेट्स डिजिटल कॉन्फ़िगरेशन की सुरक्षा क्षमताओं को महत्वपूर्ण रूप से बढ़ाते हैं।इन फाटकों का मास्टरफुल एप्लिकेशन जटिल सुरक्षा प्रोटोकॉल के निष्पादन को सक्षम करता है।तार्किक कॉन्फ़िगरेशन, जैसे कि एन्क्रिप्शन एल्गोरिदम में कार्यरत हैं, इन फाटकों को अनधिकृत एक्सपोज़र से संवेदनशील डेटा को ढालने के लिए लाभ उठाते हैं।नतीजतन, नोर गेट्स की ताकत सुरक्षित सिस्टम आर्किटेक्चर बनाने में महत्वपूर्ण है जो डेटा अखंडता को बनाए रखने और आपकी गोपनीयता की रक्षा के लिए उपयोगी हैं।
इसके अलावा, 74HC02 कई इलेक्ट्रॉनिक प्रणालियों में नियंत्रण संकेत प्रबंधन पर प्रभाव डालता है।न ही गेट सिग्नल मार्गों को निर्देशित करने में महत्वपूर्ण भूमिका निभाते हैं, समय पर सटीक नियंत्रण की सुविधा देते हैं, और माइक्रोकंट्रोलर और प्रोसेसर में कार्यों के अनुक्रमिक निष्पादन।नियंत्रण का यह स्तर सिस्टम प्रदर्शन को अधिकतम करने और डिजिटल ढांचे के भीतर विविध घटकों के बीच तुल्यकालन सुनिश्चित करने के लिए सक्रिय है।
74HC02 एकीकृत सर्किट विस्तार 7400 श्रृंखला के भीतर उल्लेखनीय महत्व रखता है, इसके कार्यात्मक विनिर्देशों और बोधगम्य उपयोगों पर विचारशील प्रतिबिंब को आमंत्रित करता है।यह उन प्रणालियों में एक भूमिका निभाता है जो रचनात्मकता और समस्या-समाधान की इच्छाओं को अभिनव सर्किट डिजाइनों में पार करते हैं।

सर्किट अपने शक्ति स्रोत में स्थिरता की मांग करता है, 2V से 6V के VCC स्पेक्ट्रम के भीतर परिचालन।इस तरह की अनुकूलन क्षमता सिस्टम के असंख्य में इसके एकीकरण के लिए अवसर प्रस्तुत करती है, जो बिजली की मांगों की एक पूरी श्रृंखला का समर्थन करती है।आत्मविश्वास के साथ पावर पिन को सुरक्षित करना परिचालन स्थिरता सुनिश्चित करता है और अवांछित व्यवधानों से बचा जाता है।
चार अलग -अलग और न ही गेट्स से जुड़े, 74HC02 चिप को न्यूनतम इनपुट की आवश्यकता होती है, जो अधिक जटिल लॉजिक सर्किट विकसित करने के लिए एक अंतिम घटक के रूप में सेवारत होती है।आप अक्सर इन फाटकों को डिजिटल लॉजिक डिज़ाइन में नियोजित कर सकते हैं।
आउटपुट वर्तमान सीमाएं, 5V पर संचालित होने पर 4 एमए प्रति गेट पर पीकिंग, एप्लिकेशन की सीमाओं को फ्रेम करें।यह कारक ओवरस्ट्रेनिंग आउटपुट को रोकने के लिए सावधानीपूर्वक लोड आकलन को प्रोत्साहित करता है, विश्वसनीयता के सामंजस्य को प्राप्त करता है।आप सर्किट के भीतर बफर गेट्स को संक्रमित कर सकते हैं, कुशलता से आईसी की व्यवहार्यता को बचाने और लम्बा करने के लिए धाराओं का प्रबंधन कर सकते हैं।
न ही गेट डिजिटल इलेक्ट्रॉनिक्स की दुनिया में विशिष्ट तत्वों के रूप में काम करते हैं।उन्हें उपयुक्त रूप से कॉन्फ़िगर करके, कोई भी बूलियन फ़ंक्शन बना सकता है, जो उनके असाधारण लचीलेपन को रेखांकित करता है।आप इन फाटकों के लिए बहुमुखी अनुप्रयोगों में खुदाई कर सकते हैं, जैसे कि लैच और ऑसिलेटर का निर्माण करना, अद्वितीय और रचनात्मक डिजाइनों की जटिल आवश्यकताओं को पूरा करने के लिए चिप की अनुकूलन क्षमता को प्रदर्शित करना।
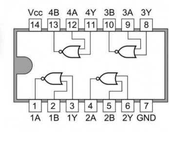
74HC02 इंटीग्रेटेड सर्किट में कुल 14 पिन हैं और इसमें चार बुनियादी और न ही गेट शामिल हैं, जो सावधानीपूर्वक आयोजित किए गए हैं, जिन्हें इष्टतम स्पष्टता और कार्यक्षमता के लिए पिनआउट आरेख में चित्रित किया गया है।

|
पिन नं। |
पिन नाम |
प्रकार |
विवरण |
|
1 |
1 वर्ष |
उत्पादन
|
पहले नोर गेट से आउटपुट। |
|
2 |
1 क |
इनपुट |
पहले नोर गेट के लिए इनपुट। |
|
3 |
1 बी |
इनपुट |
पहले नोर गेट के लिए इनपुट। |
|
4 |
2y |
उत्पादन |
दूसरे नोर गेट से आउटपुट। |
|
5 |
2 ए |
इनपुट |
दूसरे नोर गेट के लिए इनपुट। |
|
6 |
2 बी |
इनपुट |
दूसरे नोर गेट के लिए इनपुट। |
|
7 |
Gnd |
शक्ति |
जमीन से कनेक्ट करें। |
|
8 |
3 ए |
इनपुट |
तीसरे नोर गेट के लिए इनपुट। |
|
9 |
3 बी |
इनपुट |
तीसरे नोर गेट के लिए इनपुट। |
|
10 |
3y |
उत्पादन |
तीसरे नोर गेट से आउटपुट। |
|
11 |
4 ए |
इनपुट |
चौथे नोर गेट के लिए इनपुट। |
|
12 |
4 बी |
इनपुट |
चौथे नोर गेट के लिए इनपुट। |
|
13 |
4y |
उत्पादन |
चौथे नोर गेट से आउटपुट। |
|
14 |
वीसीसी |
शक्ति |
सकारात्मक बिजली की आपूर्ति।+5V शक्ति से कनेक्ट करें। |





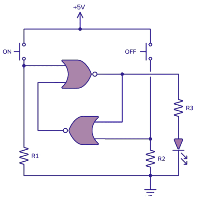
74HC02 IC एक बहुमुखी घटक है जिसका उपयोग आमतौर पर सरल अभी तक महत्वपूर्ण इलेक्ट्रॉनिक्स परियोजनाओं में किया जाता है।एक व्यावहारिक उदाहरण एक एसआर (सेट-रसेट) कुंडी का निर्माण कर रहा है, एक सर्किट जो आपको आईसी के नोर गेट्स का उपयोग करके एलईडी को नियंत्रित करने की अनुमति देता है।यह डिज़ाइन एक एसआर कुंडी के "मेमोरी" फ़ंक्शन को प्रदर्शित करता है - जहां प्रारंभिक बटन प्रेस जारी होने के बाद भी एलईडी स्टेज़ लिट होता है।

इस सर्किट को बनाने के लिए, निम्नलिखित इकट्ठा करें:
• 1 x 74HC02 IC: मुख्य घटक, नोर गेट्स प्रदान करता है।
• 1 एक्स एलईडी (एल 1): आउटपुट स्थिति (चालू या बंद) प्रदर्शित करता है।
• 2 x 10 k resess प्रतिरोधों (R1, R2): सर्किट के स्थिर संचालन के लिए वोल्टेज स्तर को विनियमित करें।
• 1 x 1 k resurction रोकनेवाला (R3): इसके माध्यम से गुजरने वाले वर्तमान को सीमित करके एलईडी की रक्षा करता है।
• 2 x पुशबटन (S1, S2): आपको एलईडी की स्थिति को टॉगल करने की अनुमति देता है (इसे चालू या बंद करें)।
74HC02 IC विभिन्न प्रकार की विविधता प्रदान करता है, प्रत्येक वोल्टेज और वर्तमान हैंडलिंग क्षमताओं में अंतर को प्रदर्शित करते हुए अपनी मुख्य विशेषताओं को बनाए रखता है।कई उल्लेखनीय विकल्पों में शामिल हैं:
• 74HCT02
• 74LS02
• 74LVC02
• 74AC02
• 74ALS02
• 74F02
• 74C02
|
प्रतीक |
पैरामीटर |
कीमत |
इकाई |
|
वीसीसी |
डीसी आपूर्ति वोल्टेज (GND का संदर्भ) |
- 0.5 से +7.0 |
वी |
|
विन |
डीसी इनपुट वोल्टेज (GND का संदर्भ) |
- 0.5 से वीसीसी + 0.5 |
वी |
|
वाउट |
डीसी आउटपुट वोल्टेज (GND का संदर्भ) |
- 0.5 से वीसीसी + 0.5 |
वी |
|
लिन |
डीसी इनपुट करंट, प्रति पिन |
± 20 |
एमए |
|
मैं बाहर हूं |
डीसी आउटपुट करंट, प्रति पिन |
± 25 |
एमए |
|
आईसीसी |
डीसी आपूर्ति वर्तमान, वीसीसी और जीएनडी पिन |
± 50 |
एमए |
|
पी.डी. |
अभी भी हवा में शक्ति अपव्यय: |
||
|
- SOIC पैकेज |
500 |
मेगावाट |
|
|
- TSSOP पैकेज |
450 |
मेगावाट |
|
|
टीएसटीजी |
भंडारण तापमान |
- 65 से +150 |
℃ |
|
टी एल |
लीड तापमान, 10 सेकंड के लिए मामले से 1 मिमी: |
||
|
- SOIC या TSSOP पैकेज |
260 |
℃ |
|
प्रतीक |
पैरामीटर |
मिन |
अधिकतम |
इकाई |
|
वीसीसी |
डीसी आपूर्ति वोल्टेज (GND का संदर्भ) |
2 |
6 |
वी |
|
विन, वाउट |
डीसी इनपुट वोल्टेज, आउटपुट वोल्टेज (GND के लिए संदर्भित) |
0 |
वीसीसी |
वी |
|
प्रादेशिक सेना |
ऑपरेटिंग तापमान, सभी पैकेज प्रकार |
-55 |
125 |
℃ |
|
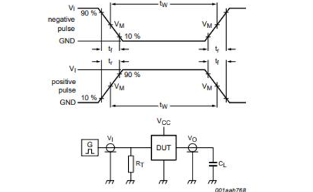
टीआर, टीएफ |
इनपुट वृद्धि और पतन समय (74HC02 तरंगों का आंकड़ा) |
एन एस |
||
|
- वीसीसी = 2.0 वी |
0 |
1000 |
||
|
- वीसीसी = 4.5 वी |
0 |
500 |
||
|
- वीसीसी = 6.0 वी |
0 |
400 |

कृपया एक जांच भेजें, हम तुरंत जवाब देंगे।
ए नोर गेट एक या गेट और एक इन्वर्टर के कार्यों को जोड़ता है।यह केवल एक सच्चा आउटपुट पैदा करता है जब दोनों इनपुट गलत होते हैं।यह विशेषता डिजिटल लॉजिक सर्किट को सरल बनाने के लिए सक्रिय है, क्योंकि यह नकारात्मक और संयोजन संचालन दोनों प्रदान करता है।नोर गेट्स का उपयोग करना सर्किट जटिलता को कम करके विभिन्न अनुप्रयोगों की विश्वसनीयता और दक्षता दोनों को बढ़ाता है।
74HC02 IC 2.7 V से 3.6 V की वोल्टेज रेंज के भीतर संचालित होता है। यह रेंज ज्यादातर डिजिटल इलेक्ट्रॉनिक्स में फायदेमंद है, जिससे कम बिजली की खपत को बनाए रखते हुए विभिन्न डिजिटल सिस्टम के साथ आसान एकीकरण को सक्षम किया जाता है।यह विशेषता विशेष रूप से बैटरी-संचालित उपकरणों में महत्वपूर्ण है और मिश्रित-वोल्टेज वातावरण में विभिन्न लॉजिक परिवारों के एकीकरण के लिए अनुमति देती है।
न ही गेट्स कॉम्पैक्ट और लागत प्रभावी हैं, जिससे उन्हें भौतिक लागत को कम करने के लिए एक उत्कृष्ट विकल्प बन जाता है।उनका सरल डिजाइन तेजी से विकास और प्रोटोटाइप की सुविधा प्रदान करता है, जिससे आप उनके सिस्टम के अन्य पहलुओं को बेहतर बनाने पर ध्यान केंद्रित कर सकते हैं।सर्किट डिजाइनों में और न ही गेट्स को शामिल करना सिस्टम को सरल बना सकता है, संभावित रूप से स्थायित्व और प्रदर्शन को बढ़ा सकता है।
NOR और NAND गेट्स के बीच चयन विशिष्ट आवश्यकताओं जैसे गति, बिजली की खपत, लागत और सर्किट डिजाइन जटिलता पर निर्भर करता है।न ही फाटकों को अक्सर तेजी से प्रदर्शन और कम बिजली के उपयोग की आवश्यकता वाले अनुप्रयोगों में पसंद किया जाता है।दूसरी ओर, नंद गेट्स सरल हैं, जिससे बड़े पैमाने पर एकीकरण (वीएलएसआई) सर्किट में लागत बचत और डिजाइन की आसानी हो सकती है।निर्णय आवेदन की आवश्यकताओं के सापेक्ष इन कारकों के सावधानीपूर्वक मूल्यांकन पर आधारित होना चाहिए।
2024/11/28 पर
2024/11/28 पर
8000/04/18 पर 147758
2000/04/18 पर 111943
1600/04/18 पर 111349
0400/04/18 पर 83721
1970/01/1 पर 79508
1970/01/1 पर 66915
1970/01/1 पर 63066
1970/01/1 पर 63012
1970/01/1 पर 54081
1970/01/1 पर 52139