
8255 माइक्रोप्रोसेसर, जिसे पीपीआई (प्रोग्रामेबल पेरिफेरल इंटरफ़ेस) चिप के रूप में भी जाना जाता है, विविध वातावरणों में डेटा ट्रांसमिशन को सुविधाजनक बनाने में एक भूमिका निभाता है।सरल और रुकावट-चालित I/O संचालन दोनों के लिए इसका समर्थन विभिन्न अनुप्रयोगों के लिए इसे अत्यधिक आकर्षक बनाता है।यह माइक्रोप्रोसेसर सीपीयू और बाहरी उपकरणों जैसे एनालॉग-टू-डिजिटल कन्वर्टर्स (एडीसी), डिजिटल-टू-एनालॉग कन्वर्टर्स (डीएसीएस), और कीबोर्ड जैसे बाहरी उपकरणों के बीच द्रव बातचीत को सक्षम बनाता है।इसका परिष्कृत अभी तक आर्थिक रूप से व्यवहार्य वास्तुकला माइक्रोप्रोसेसरों और बाहरी घटकों की एक विस्तृत श्रृंखला के साथ संगतता सुनिश्चित करता है।यह तीन 8-बिट बिडायरेक्शनल I/O पोर्ट के साथ आता है, प्रति एप्लिकेशन की जरूरतों के अनुसार प्रोग्रामेबल।8255 माइक्रोप्रोसेसर उद्योगों के असंख्य में अपना स्थान पाता है, जो औद्योगिक स्वचालन और उपभोक्ता इलेक्ट्रॉनिक्स दोनों में अपनी बहुमुखी प्रतिभा को साबित करता है।एक स्वचालित विनिर्माण वातावरण में, 8255 डेटा अधिग्रहण प्रणालियों में एक कोर के रूप में कार्य करता है, सेंसर और एक्ट्यूएटर्स के साथ इंटरफेस करता है।
8255 माइक्रोप्रोसेसर एक प्रोग्रामेबल पेरिफेरल इंटरफ़ेस (पीपीआई) डिवाइस के रूप में एक्सेल करता है, जिसमें तीन प्रोग्रामेबल I/O पोर्ट हैं।ये पोर्ट विभिन्न उपकरणों के कनेक्शन की सुविधा प्रदान करते हैं, तीन परिचालन मोड में कार्य करना: मोड 0 (सरल I/O), मोड 1 (स्ट्रोबेड I/O), और मोड 2 (बिडायरेक्शनल स्ट्रोबेड I/O)।
तीन प्रोग्रामेबल I/O पोर्ट विविध कनेक्टिविटी विकल्प प्रदान करते हैं।यह लचीलापन कई परिधीय उपकरणों के नियंत्रण और समन्वय में सहायता करता है, सिस्टम मॉड्यूलरिटी और स्केलेबिलिटी को समृद्ध करता है।
मोड 0 प्रत्यक्ष इनपुट और आउटपुट संचालन को सक्षम करता है।इसकी सादगी और गति इसे उन कार्यों के लिए अत्यधिक भरोसेमंद बनाती है जहां सीधे कार्यक्षमता की आवश्यकता होती है।
मोड 1, या स्ट्रोबेड I/O, डेटा ट्रांसफर के उचित समय और सिंक्रनाइज़ेशन को सुनिश्चित करने के लिए हैंडशेक सिग्नल का उपयोग करता है।यह मोड ट्रांसमिशन के दौरान त्रुटियों के जोखिम को कम करते हुए, डेटा अखंडता में योगदान देता है।
मोड 2 डेटा एक्सचेंजों की दक्षता को बढ़ाते हुए, द्विदिश संचार का समर्थन करता है।यह दोहरी-प्रवाह क्षमता गतिशील और विश्वसनीय डेटा हस्तांतरण की मांग करने वाली प्रणालियों में अच्छी है।
इंटेल प्रोसेसर के साथ माइक्रोप्रोसेसर की पूर्ण संगतता इंटेल-आधारित प्रणालियों के भीतर सहज एकीकरण और असाधारण सहयोग की गारंटी देती है।इसकी TTL संगतता मानक तर्क परिवारों के साथ सीधे बातचीत की सुविधा प्रदान करती है, इलेक्ट्रॉनिक सिस्टम के डिजाइन और कार्यान्वयन को सुव्यवस्थित करती है।
8255 की एक विशेषता इसका प्रत्यक्ष बिट सेट/रीसेट कार्यक्षमता है।यह बंदरगाहों के भीतर व्यक्तिगत बिट्स के हेरफेर की अनुमति देता है, परिधीय संचालन पर सटीक नियंत्रण प्रदान करता है।अन्य लोग सिस्टम के प्रदर्शन और जवाबदेही को बढ़ाने के लिए इस क्षमता का उपयोग करते हैं।
8255 कुल 24 प्रोग्रामेबल I/O पिन प्रदान करता है, जिसे 8-बिट और 4-बिट पोर्ट में व्यवस्थित किया गया है।यह कॉन्फ़िगरेशन परिधीय इंटरफेस को डिजाइन करने में काफी लचीलापन देता है, दोनों सरल और जटिल सेटअप को पूरा करता है।ये प्रोग्रामेबल पिन चिकित्सकों को विशिष्ट अनुप्रयोग आवश्यकताओं के अनुरूप bespoke समाधान बनाने में सक्षम बनाते हैं।8255 की अनुकूलनशीलता और प्रोग्रामबिलिटी अत्यधिक फायदेमंद साबित होती है।उदाहरण के लिए, ऑटोमोटिव कंट्रोल सिस्टम में कई सेंसर और एक्ट्यूएटर्स का प्रबंधन करते हुए, विविध इनपुट/आउटपुट संचालन को संभालने के लिए माइक्रोप्रोसेसर की क्षमता विश्वसनीय और कुशल सिस्टम प्रदर्शन सुनिश्चित करती है।

8255 माइक्रोप्रोसेसर एक परिष्कृत प्रोग्रामेबल परिधीय इंटरफ़ेस के रूप में खड़ा है, जो 40 पिन के साथ तैयार किया गया है, प्रत्येक अपने कार्य के लिए अलग -अलग भूमिका निभाता है।इन पिनों का एक विच्छेदन उनके संबंधित कार्यों और विविध अनुप्रयोगों को प्रकट करता है।
PA0-PA7 और PB0-PB7 पिन क्रमशः पोर्ट ए और पोर्ट बी के लिए प्राथमिक डेटा एक्सचेंज चैनलों के रूप में काम करते हैं।ये बंदरगाह माइक्रोप्रोसेसर और परिधीय उपकरणों के बीच सहज संचार की सुविधा प्रदान करते हैं।वे अक्सर इनपुट/आउटपुट उपकरणों के साथ समानांतर संचार में कार्यरत होते हैं, कुशल डेटा प्रसंस्करण सुनिश्चित करते हैं।समानांतर प्रसंस्करण और डेटा हस्तांतरण की मांग करने वाले परिदृश्यों में इन लाइनों को प्रभावी ढंग से प्रबंधित करना, समग्र प्रणाली जवाबदेही को बढ़ाता है।
पोर्ट सी पिन, PC0-PC7, ऊपरी (PC4-PC7) और निचले (PC0-PC3) हिस्सों में विभाजित हैं।यह विभाजन विभिन्न परिचालन मोड के लिए लचीले कॉन्फ़िगरेशन की अनुमति देता है।पोर्ट सी की दोहरी प्रकृति व्यक्तिगत नियंत्रण लाइनों के रूप में या हैंडशेकिंग के लिए एक सामूहिक समूह के रूप में कार्य कर सकती है।इस तरह की बहुमुखी प्रतिभा जटिल इंटरफेसिंग सर्किट में अमूल्य साबित होती है जहां सटीक नियंत्रण और स्थिति प्रतिक्रिया आवश्यक है, जटिल सिस्टम संचालन की सुविधा।
D0-D7 पिन कोर डेटा बस का गठन करते हैं, जो माइक्रोप्रोसेसर और परिधीयों के बीच द्विदिश डेटा प्रवाह को सक्षम करते हैं।ये लाइनें डेटा, कमांड और स्टेटस की जानकारी को प्रसारित करने में एक भूमिका निभाती हैं।समग्र सिस्टम प्रदर्शन को अनुकूलित करने के लिए डेटा बस लेनदेन के समय और सिंक्रनाइज़ेशन को समझना, सुचारू डेटा एक्सचेंजों और परिचालन दक्षता को सुनिश्चित करना।
PINS A0 और A1 डेटा ट्रांसमिशन या कंट्रोल रजिस्टर संचालन के लिए उपयुक्त पोर्ट का चयन करने के लिए अभिन्न हैं।ये एड्रेस लाइनें माइक्रोप्रोसेसर को विशिष्ट रजिस्टरों को सटीक रूप से लक्षित करने की अनुमति देती हैं, सटीकता के साथ संचालन को निर्देशित करती हैं।इन पिनों का उपयोग करना विभिन्न कार्यों के लिए माइक्रोप्रोसेसर को कॉन्फ़िगर करने के लिए अच्छा है, जैसे कि मोड सेटिंग और इंटरप्ट हैंडलिंग, विविध परिचालन आवश्यकताओं को पूरा करने के लिए इसे सिलाई करना।
CS का पिन 8255 माइक्रोप्रोसेसर को सक्रिय करता है।जब यह पिन कम होता है, तो माइक्रोप्रोसेसर को बाद में पढ़ने या लिखने के संचालन के लिए चुना जाता है।इस पिन का सही कार्यान्वयन सिस्टम स्थिरता के लिए महत्वपूर्ण है और विश्वसनीय संचालन सुनिश्चित करने के लिए गलत डेटा एक्सचेंजों को रोकना है।
RD का पिन माइक्रोप्रोसेसर से संचालन पढ़ता है।यह सिग्नल डिवाइस से डेटा प्राप्त करने के लिए उपयोग किया जाता है।परिधीय डिवाइस समय के साथ रीड सिग्नल का प्रभावी समन्वय, डेटा अखंडता को बढ़ाने के लिए निर्बाध डेटा अधिग्रहण के लिए मदद करता है।
WR का पिन ट्रिगर संचालन लिखता है, जिससे डेटा परिधीय उपकरणों को भेजा जाता है।डेटा अखंडता सुनिश्चित करने और ट्रांसमिशन के दौरान डेटा हानि को रोकने, सिस्टम विश्वसनीयता को बनाए रखने के लिए राइट कमांड के उचित सिंक्रनाइज़ेशन की आवश्यकता होती है।
रीसेट पिन माइक्रोप्रोसेसर को फिर से स्थापित करता है।यह कार्रवाई डेटा और सेटिंग्स को साफ करती है, यह सुनिश्चित करती है कि सिस्टम को फिर से शुरू किया जा सकता है और एक ज्ञात राज्य में लाया जा सकता है।यह प्रसंस्करण त्रुटियों का सामना करने या स्टार्टअप अनुक्रमों के दौरान, सिस्टम की स्थिरता को बनाए रखने के बाद महत्वपूर्ण है।
GND और VCC पिन माइक्रोप्रोसेसर को बिजली की आपूर्ति प्रदान करते हैं।GND संदर्भ ग्राउंड के रूप में कार्य करता है, जबकि VCC एक स्थिर 5V की आपूर्ति करता है।बिजली के उतार -चढ़ाव से बचने के लिए इन पिनों की सही वायरिंग जो माइक्रोप्रोसेसर प्रदर्शन और समग्र प्रणाली विश्वसनीयता से समझौता कर सकती है।
8255 माइक्रोप्रोसेसर के साथ काम करने से एक दिलचस्प पहलू का पता चलता है: विभिन्न परिचालन मोड के लिए अपने बहु-कार्यात्मक पिन का अनुकूलन।इन पिनों को इंटरप्ट-संचालित अनुप्रयोगों में नियोजित करना माइक्रोप्रोसेसर को घटनाओं का जवाब देने की अनुमति देकर दक्षता बढ़ाता है, जैसा कि वे लगातार पेरिफेरल उपकरणों के बिना होते हैं।यह दृष्टिकोण सिस्टम प्रदर्शन को बढ़ाता है, जिससे यह किसी भी घटना के लिए अधिक अनुकूली और उत्तरदायी हो जाता है।
8255 माइक्रोप्रोसेसर का पिन कॉन्फ़िगरेशन परिधीय इंटरफेसिंग में इसके लचीलेपन और दक्षता का आधार है।प्रत्येक पिन की भूमिका को समझना और उनके उपयोग में सर्वोत्तम प्रथाओं को लागू करना जटिल प्रणालियों में माइक्रोप्रोसेसर के प्रदर्शन को बहुत बढ़ा सकता है।

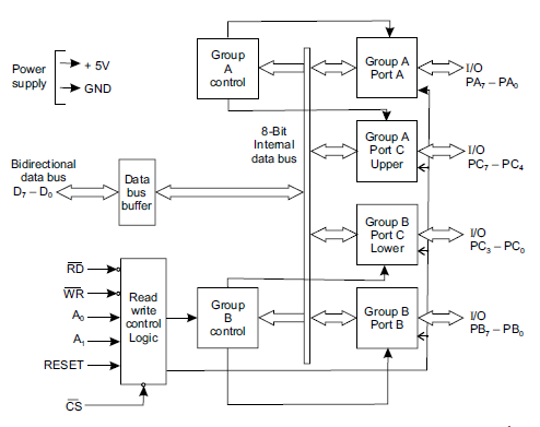
8255 माइक्रोप्रोसेसर की वास्तुकला जटिल है, जिसमें कई घटकों को शामिल किया गया है जो द्रव सीपीयू संचालन सुनिश्चित करते हैं।एक परिष्कृत आंतरिक बस इंटरफ़ेस आंतरिक और सिस्टम बसों को एकीकृत करता है, जो सीमलेस सीपीयू को पढ़ने और लिखने के कार्यों का समर्थन करता है, यह माइक्रोप्रोसेसर की समग्र कार्यक्षमता में अपनी भूमिका को रेखांकित करता है।
आंतरिक बस इंटरफ़ेस माइक्रोप्रोसेसर के आंतरिक तंत्र और बाहरी सिस्टम बसों के बीच पुल के रूप में कार्य करता है।यह द्विदिश इंटरफ़ेस रीड एंड राइट ऑपरेशन के प्रभावी निष्पादन के लिए अच्छा है।उदाहरण के लिए, एक केंद्रीय प्रसंस्करण इकाई और विभिन्न परिधीय उपकरणों के बीच सूचना विनिमय को सुविधाजनक बनाने के लिए समकालीन कंप्यूटिंग में इसी तरह की प्रणालियों का उपयोग किया जाता है, जो सुचारू और कुशल प्रदर्शन सुनिश्चित करता है।
नियंत्रण तर्क 8255 आर्किटेक्चर का मूल है, आंतरिक संचालन को ऑर्केस्ट्रेट करना और डेटा ट्रांसफर का प्रबंधन करना।समन्वय को बढ़ाकर, नियंत्रण तर्क प्रसंस्करण दक्षता का अनुकूलन करता है।उन्नत नियंत्रण प्रणालियों को लागू करना, आधुनिक स्वचालित उत्पादन लाइनों के समान, जटिल प्रणालियों के प्रदर्शन और विश्वसनीयता को बढ़ावा दे सकता है।
वास्तुकला नियंत्रण समूहों ए और बी को परिभाषित करता है, जो सीपीयू द्वारा प्रबंधित होते हैं।ये समूह संबद्ध बंदरगाहों पर आदेशों को प्रसारित करते हैं, इसी तरह कि कैसे स्वचालित प्रणालियों को प्रबंधकता और दक्षता में सुधार करने के लिए नियंत्रणीय इकाइयों में विभाजित किया जाता है।यह विभाजन जटिल परिदृश्यों में आसान शोधन और समस्या निवारण के लिए अनुमति देता है।
पोर्ट्स ए और बी में 8-बिट इनपुट लैच और आउटपुट बफ़र्स हैं।पोर्ट ए तीन अद्वितीय मोड में संचालित होता है, जबकि पोर्ट बी दो में कार्य करता है।कॉन्फ़िगरेशन मोड में यह विविधता अनुप्रयोगों की एक व्यापक सरणी के लिए अनुमति देती है, बहुत कुछ कॉन्फ़िगर करने योग्य नेटवर्क सिस्टम की तरह जो विभिन्न परिचालन आवश्यकताओं के अनुकूल हो सकता है।कई मोड बढ़ाया लचीलापन और उपयोगिता प्रदान करते हैं।
पोर्ट सी को हैंडशेक और स्टेटस सिग्नल ऑपरेशन के लिए ऊपरी और निचले वर्गों में विभाजित किया गया है।यह विभाजन माइक्रोप्रोसेसर और आधुनिक नेटवर्क संचार प्रणालियों दोनों में सटीक और विश्वसनीय संचार सुनिश्चित करता है।उदाहरण के लिए, सुरक्षित डेटा एक्सचेंजों में उपयोग किए जाने वाले हैंडशेक प्रोटोकॉल अखंडता और दक्षता बनाए रखने में इस तरह के खंड नियंत्रण की आवश्यकता को प्रदर्शित करते हैं।
8255 माइक्रोप्रोसेसर के वास्तुशिल्प परिष्कार, इसके व्यापक नियंत्रण तर्क, बहुमुखी पोर्ट कॉन्फ़िगरेशन और कुशल बस इंटरफ़ेस द्वारा चिह्नित, विभिन्न तकनीकी डोमेन में अनुकूलित और विश्वसनीय प्रदर्शन को प्राप्त करने में विस्तृत, मॉड्यूलर डिजाइन के मूल्य पर प्रकाश डालता है।
8255 विभिन्न मोडों में संचालित होता है, प्रत्येक विभिन्न अनुप्रयोगों के लिए सिलवाया अद्वितीय कार्यक्षमता प्रदान करता है।इन मोड को समझना और उपयुक्त का चयन करना अक्सर बेहतर सिस्टम प्रदर्शन और दक्षता में सुधार हो सकता है।
बिट सेट-रीसेट मोड पोर्ट सी में अलग-अलग बिट्स को नियंत्रित करने पर केंद्रित है। यह विशिष्ट पिन के ठीक-ठीक दाने वाले हेरफेर की आवश्यकता वाले परिदृश्यों के लिए एक व्यावहारिक समाधान प्रदान करता है, जिससे पूरे पोर्ट को प्रभावित किए बिना सटीक नियंत्रण की अनुमति मिलती है।उदाहरण के लिए, यह मोड अत्यधिक फायदेमंद होता है, जब परिधीय उपकरणों जैसे एलईडी या छोटे मोटर्स का प्रबंधन करते हैं, जैसे सटीक और न्यूनतम व्यवधान।इस मोड ने विशिष्ट घटकों पर नियंत्रण प्रदान करने, विश्वसनीय और बारीक संचालन को बढ़ावा देने में अपना मूल्य प्रदर्शित किया है।
8255 में तीन अलग -अलग I/O मोड शामिल हैं, प्रत्येक विभिन्न परिचालन आवश्यकताओं के लिए खानपान।
मोड 0 रुकावट या हैंडशेकिंग को शामिल किए बिना सीधे इनपुट और आउटपुट ऑपरेशन को सक्षम करता है।यह प्रोसेसर और परिधीयों के बीच प्रत्यक्ष संचार की सुविधा देता है, जिससे यह प्रारंभिक चरण के उत्पाद विकास और सरल एम्बेडेड सिस्टम के लिए उपयुक्त है।यह मोड उन अनुप्रयोगों में चमकता है जहां न्यूनतम जटिलता के साथ प्रत्यक्ष बातचीत वांछनीय है, सिंक्रनाइज़ेशन की अतिरिक्त परतों के बिना कार्यात्मक सत्यापन के लिए अनुमति देता है।
मोड 1 डेटा अखंडता और समय को बनाए रखने के लिए नियंत्रण संकेतों का उपयोग करके प्रोसेसर और परिधीय उपकरणों के बीच सिंक्रनाइज़ डेटा ट्रांसफर को सुनिश्चित करने के लिए हैंडशेकिंग का परिचय देता है।यह मोड संचार प्रणालियों और डेटा अधिग्रहण उपकरणों में लाभप्रद साबित होता है, विश्वसनीय डेटा रसीद सुनिश्चित करता है जहां सटीकता महान है।जगह में हैंडशेकिंग तंत्र के साथ, मोड 1 डेटा हानि और टकराव को रोकता है, जिससे यह डेटा एक्सचेंज की आवश्यकता वाले वातावरण के लिए एक विश्वसनीय विकल्प बन जाता है।
मोड 2 द्विदिश I/O संचालन का समर्थन करता है और I/O नियंत्रण को संभालने वाले निचले पोर्ट C बिट्स के साथ एक द्विदिश डेटा बस के लिए समूह A पिन का उपयोग करता है।यह मोड आदर्श रूप से उन्नत संचार प्रोटोकॉल, कुशल डेटा विनिमय और बुद्धिमान परिधीय उपकरणों जैसे कुछ मेमोरी इंटरफेस और स्मार्ट सेंसर के लिए अनुकूल है।ग्रुप ए पिन और लोअर पोर्ट सी बिट्स का लाभ उठाकर, मोड 2 उपकरणों के बीच जटिल और उत्तरदायी बातचीत को सुविधाजनक बनाने के लिए अधिक बहुमुखी प्रतिभा और दक्षता प्रदान करता है।
8255 के विविध ऑपरेटिंग मोड, जिसमें बिट सेट-रीसेट मोड और विभिन्न I/O कॉन्फ़िगरेशन में विस्तृत हेरफेर शामिल हैं, परिष्कृत और भरोसेमंद डिजिटल सिस्टम को क्राफ्टिंग के लिए एक ठोस आधार बनाते हैं।विशिष्ट अनुप्रयोग आवश्यकताओं के आधार पर सही मोड चुनना सिस्टम प्रदर्शन और कार्यक्षमता का अनुकूलन कर सकता है।
8255 माइक्रोप्रोसेसर, एक बहुमुखी प्रोग्रामेबल I/O इकाई का कामकाज, केंद्रीय प्रसंस्करण इकाई (CPU) और कई परिधीय उपकरणों जैसे कीबोर्ड, एनालॉग-टू-डिजिटल कन्वर्टर्स (ADCs), और डिजिटल-टू के बीच डेटा एक्सचेंज की सुविधा देता है।एनालॉग कन्वर्टर्स (DACs)।यह इकाई इनपुट और आउटपुट संचालन की चिकनी हैंडलिंग सुनिश्चित करती है, निर्दोष संचार और कुशल डेटा एक्सचेंज को बढ़ावा देती है।
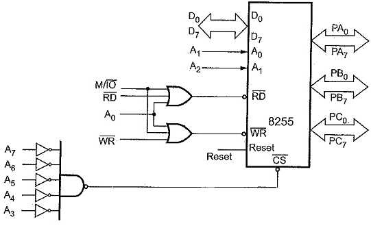
8255 को 8086 माइक्रोप्रोसेसर के साथ इंटरफेस करते समय, इनपुट रीड (आरडी) और राइट (डब्ल्यूआर) पिन की तरह विशिष्ट नियंत्रण पिन, डेटा लेनदेन में उपयोगी होते हैं।डेटा पुनर्प्राप्ति के दौरान, आरडी पिन सक्रिय हो जाता है, जिससे माइक्रोप्रोसेसर बाहरी स्रोत से डेटा प्राप्त करने की अनुमति देता है।इसके विपरीत, WR पिन माइक्रोप्रोसेसर से एक बाहरी डिवाइस में डेटा को स्थानांतरित करने के लिए सक्रिय होता है।एक व्यावहारिक उदाहरण स्वचालित परीक्षण प्रणालियों में देखा जा सकता है, जहां समय पर डेटा पुनर्प्राप्ति और रिकॉर्डिंग महत्वपूर्ण हैं।घटकों के बीच डेटा पढ़ने और लिखने का सहज संचालन विलंबता को कम करता है, जिससे प्रदर्शन का अनुकूलन होता है।
8255 माइक्रोप्रोसेसर डेटा ट्रांसफर के लिए 8-बिट डेटा बस का उपयोग करता है, जो विभिन्न अनुप्रयोगों में व्यापक संगतता और अनुकूलनशीलता सुनिश्चित करता है।पता लाइनें A1 और A0 8255 के आंतरिक कॉन्फ़िगरेशन और कार्यात्मक मोड को विनियमित करने में एक भूमिका निभाते हैं, यह निर्धारित करते हैं कि डेटा को कैसे प्रबंधित और रिकॉर्ड किया जाता है।A1 और A0 को संबोधित करते हुए एक लाइब्रेरी में पुस्तकों के आयोजन एक लाइब्रेरियन से तुलना की जा सकती है, वे पहचानते हैं कि सिस्टम ऑर्डर और दक्षता को बनाए रखने के लिए डेटा को कहां से पढ़ा जाना चाहिए या लिखा जाना चाहिए।यह संगठन उन प्रणालियों के लिए सबसे अच्छा है जो उच्च विश्वसनीयता की मांग करते हैं, जैसे कि मेडिकल इंस्ट्रूमेंटेशन जहां सटीक डेटा हैंडलिंग महान है।
समस्या निवारण और अनुकूलन प्रणाली के प्रदर्शन के लिए RD और WR नियंत्रण संकेतों की बातचीत को समझना आवश्यक है।उदाहरण के लिए, विनिर्माण में नियोजित डिजिटल नियंत्रण प्रणालियों में, इन संकेतों की सही समय और सक्रियण सुनिश्चित करना, उत्पादन प्रक्रियाओं की सटीकता और विश्वसनीयता को बढ़ावा दे सकता है।
यह स्पष्ट है कि डेटा ट्रांसफर और परिधीय संचार के प्रबंधन में 8255 माइक्रोप्रोसेसर की निपुणता जटिल कंप्यूटिंग सिस्टम में इसके महत्व को उजागर करती है।एड्रेस लाइनों और कंट्रोल सिग्नल की बारीक हेरफेर सरलता से, ड्राइविंग तकनीक को आगे बढ़ाती है।8255 माइक्रोप्रोसेसर डिजिटल संचार और नियंत्रण में शामिल जटिलताओं के लिए एक वसीयतनामा के रूप में खड़ा है।इसकी सहज एकीकरण क्षमताएं औद्योगिक स्वचालन से लेकर स्वास्थ्य सेवा प्रौद्योगिकी तक, विभिन्न क्षेत्रों में ग्राउंडब्रेकिंग विकास को सक्षम करती रहती हैं।

शुरू करने के लिए, 8255 पोर्ट इनपुट मोड पर सेट हैं।इस डिफ़ॉल्ट कॉन्फ़िगरेशन को वांछित कार्यक्षमता से मेल खाने के लिए सॉफ्टवेयर में सावधानीपूर्वक समायोजन की आवश्यकता होती है।अपने सेटअप में एक चिकनी और विश्वसनीय डेटा एक्सचेंज सुनिश्चित करने के लिए उचित रूप से पुन: व्यवस्थित करना।
8255 माइक्रोप्रोसेसर पर आउटपुट पिन को उनकी सीमित क्षमता के कारण सीधे बाहरी उपकरणों को बिजली देने के लिए डिज़ाइन नहीं किया गया है।बाहरी एम्पलीफायरों या ट्रांजिस्टर का परिचय उच्च वर्तमान आवश्यकताओं को पूरा करने के लिए एक व्यावहारिक विचार बन जाता है।यह अक्सर उन परिदृश्यों में देखा जाता है जहां सिग्नल स्ट्रेंथ प्रवर्धन परिचालन मानकों को बनाए रखने के लिए बहुत अच्छा है।
उच्च वर्तमान या वोल्टेज उपकरणों के साथ इंटरफेस करते समय, उचित प्रवर्धन या स्विचिंग तंत्र का लाभ उठाने की आवश्यकता होती है।स्विच करने के लिए ट्रांजिस्टर को तैनात करने से 8255 को ओवरबर्ड किए बिना बड़ी धाराओं को संभाल सकता है। यह दृष्टिकोण व्यावहारिक अनुप्रयोगों के प्रति चिंतनशील है जहां लोड-चालित स्विच संसाधन प्रबंधन को कुशलता से सुविधाजनक बनाता है, जिससे माइक्रोप्रोसेसर को संभावित क्षति से बचाता है।
एसी-संचालित उपकरणों के साथ इंटरफेसिंग रिले को रोजगार देने की आवश्यकता होती है।रिले मध्यस्थों के रूप में कार्य करते हैं, यह सुनिश्चित करना कि ऊर्जा की खपत को सुरक्षित रूप से प्रबंधित किया जाता है और अलगाव को बनाए रखा जाता है।यह विधि कई अनुप्रयोगों में महत्वपूर्ण है, दोनों विद्युत अलगाव और एसी सर्किट और कम-शक्ति डिजिटल सर्किट के बीच सुरक्षित इंटरफेसिंग प्रदान करती है।
पोर्ट सी का व्यवहार मोड 1 या मोड 2 संचालन में बदल जाता है।इन मोड के तहत, यह एक मानक I/O पोर्ट के रूप में कार्य नहीं कर सकता है।यह बाधा पूरी तरह से योजना के लिए आवश्यकता पर प्रकाश डालती है जब डिजाइनिंग सिस्टम को विविध पोर्ट कार्यात्मकताओं की आवश्यकता होती है।सिस्टम की वास्तुकला के भीतर परिचालन मोड का पर्याप्त विचार अप्रत्याशित सीमाओं से बचने में मदद करता है।इन विचारों को संबोधित करके, 8255 माइक्रोप्रोसेसर के साथ इंटरफेसिंग को विभिन्न अनुप्रयोगों को समायोजित करने के लिए बारीक रूप से ट्यून किया जा सकता है, जो मजबूत और भरोसेमंद सिस्टम प्रदर्शन का आश्वासन देता है।
8255 माइक्रोप्रोसेसर लाभ के असंख्य के लिए मनाया जाता है, विविध तकनीकी परिदृश्यों में एक प्रतिष्ठित घटक के रूप में अपनी भूमिका को मजबूत करता है।
8255 माइक्रोप्रोसेसर प्रोसेसर की एक व्यापक सरणी के साथ अपनी संगतता में उत्कृष्टता प्राप्त करता है, व्यापक संशोधनों की आवश्यकता के बिना कई प्रणालियों में इसके समावेश को कम करता है।विभिन्न माइक्रोचिप्स के साथ यह सहज संबंध डिजाइन चरण को सुव्यवस्थित करता है, अक्सर विकास की समयसीमा को कम करता है।
प्रभावशाली बहुमुखी प्रतिभा दिखाते हुए, 8255 माइक्रोप्रोसेसर तकनीकी पारिस्थितिक तंत्र के भीतर कार्यात्मकताओं की एक भीड़ के अनुकूल है।यह कई परिचालन मोड में कॉन्फ़िगर करने योग्य है, इसे डेटा अधिग्रहण से लेकर सिस्टम प्रबंधन को नियंत्रित करने के लिए कार्यों को संभालने में सक्षम है।इस तरह का लचीलापन अपने एकीकरण को उपकरणों की एक श्रृंखला में देखता है, दोनों सरल गैजेट और जटिल औद्योगिक मशीनरी।
8255 माइक्रोप्रोसेसर का डिज़ाइन इष्टतम ऊर्जा उपयोग को प्राथमिकता देता है, जिससे यह बिजली संरक्षण जैसे अनुप्रयोगों के लिए एक आदर्श फिट है।इस माइक्रोप्रोसेसर का उपयोग करने वाले डिवाइस विस्तारित परिचालन जीवनकाल और बढ़े हुए विश्वसनीयता, इलेक्ट्रॉनिक्स और औद्योगिक वातावरण दोनों में विशेषताओं का आनंद लेते हैं।
8255 माइक्रोप्रोसेसर की व्यापक स्वीकृति इसके सुसंगत प्रदर्शन और विश्वसनीयता पर प्रकाश डालती है।यह शिक्षण के लिए शैक्षिक सेटिंग्स में एक विश्वसनीय घटक के रूप में कार्य करता है, प्रयोगात्मक कार्य के लिए अनुसंधान प्रयोगशालाओं और उत्पादन प्रणालियों के लिए वाणिज्यिक उत्पादों के लिए।यह व्यापक उपयोग इसके स्थायित्व और प्रभावी कार्यक्षमता को रेखांकित करता है, विभिन्न अनुप्रयोगों में समय-परीक्षण किया गया है।
समानांतर डेटा ट्रांसफर को सुविधाजनक बनाने की क्षमता 8255 माइक्रोप्रोसेसर की बेशकीमती विशेषता के रूप में सामने आती है।यह क्षमता माइक्रोप्रोसेसर और बाह्य उपकरणों के बीच तेजी से संचार की मांग करने वाली प्रणालियों में लाभप्रद है।8255 द्वारा एक साथ डेटा धाराओं का कुशल प्रबंधन जटिल सेटअप की गति और प्रदर्शन को बढ़ाता है।
8255 माइक्रोप्रोसेसर एम्बेडेड सिस्टम और स्वचालन में मूल्यवान साबित होता है।अन्य लोग विकास प्रक्रियाओं को परिष्कृत करने के लिए इसके सीधे एकीकरण और विन्यास योग्य प्रकृति का लाभ उठाते हैं।उदाहरण के लिए, विनिर्माण वातावरण में, 8255 सेंसर और एक्ट्यूएटर्स के संचालन को सिंक्रनाइज़ करता है, दोनों सटीक और दक्षता सुनिश्चित करता है।8255 माइक्रोप्रोसेसर की संगतता, लचीलापन, ऊर्जा दक्षता, व्यापक उपयोग, और समानांतर डेटा ट्रांसफर को संभालने की क्षमता माइक्रोइलेक्ट्रॉनिक्स में अपने कद को बढ़ाती है।अपने व्यावहारिक अनुप्रयोगों को समझना तकनीकी प्रगति में इसके योगदान की गहरी सराहना करता है।
8255 माइक्रोप्रोसेसर, एक लंबे समय से लेकिन कभी-कभी प्रासंगिक घटक, विशेष अनुप्रयोगों के असंख्य में अपना स्थान पाता है, जो ऐतिहासिक और आधुनिक दोनों तकनीकी परिदृश्यों को समृद्ध करता है।यह बहुमुखी प्रतिभा उपकरणों और प्रणालियों के ढेरों के साथ बातचीत करने में अपनी निपुणता में आधारित है।
जब एलईडी नियंत्रण अनुप्रयोगों की बात आती है, तो जटिल प्रकाश अनुक्रमों के प्रबंधन में 8255 एक्सेल।यह क्षमता प्रदर्शन और संकेतक प्रणालियों में अत्यधिक मूल्यवान है, जहां बहु-नेतृत्व वाले सरणियों पर सटीक नियंत्रण महत्वपूर्ण है।पोर्ट कॉन्फ़िगरेशन का लाभ उठाते हुए, कई शिल्प परिष्कृत इनडोर और आउटडोर साइनेज जो न केवल कार्यात्मक उद्देश्यों को पूरा करता है, बल्कि इसके दृश्य आकर्षण को भी लुभाता है।
रिले नियंत्रण में, 8255 स्वचालन और नियंत्रण प्रणालियों में अपनी कौशल को प्रदर्शित करता है।यह सटीक और विश्वसनीय मशीनरी ऑपरेशन सुनिश्चित करता है, औद्योगिक वातावरण के भीतर एक सुविधा पोषित है।यहां, 8255 सक्रियण को सुविधाजनक बनाने, परिचालन अखंडता को बनाए रखने और चिकनी वर्कफ़्लो संक्रमण सुनिश्चित करने में एक भूमिका निभाता है।
स्टेपर मोटर कंट्रोल के लिए 8255 का उपयोग करने से पल्स अनुक्रम प्रबंधन होता है, जो सटीक मोटर पोजिशनिंग को प्राप्त करने के लिए उपयोग किया जाता है।यह सटीक सीएनसी मशीनरी, रोबोटिक सिस्टम और विभिन्न स्वचालन समाधानों में अपना चरण पाता है।कार्यशालाएं और विनिर्माण इकाइयां ऐसी तकनीक से पर्याप्त लाभ प्राप्त करती हैं, अंततः उत्पादकता को बढ़ाती हैं और सटीकता को बढ़ाती हैं।
8255 कीबोर्ड इंटरफेसिंग एप्लिकेशन में इनपुट सिग्नल प्रोसेसिंग को सरल बनाता है, भरोसेमंद डेटा एंट्री सिस्टम को बढ़ावा देता है।यह उपयोगिता ऐतिहासिक कंप्यूटिंग वातावरण और आधुनिक एम्बेडेड सिस्टम डिजाइन दोनों को पुल करती है।विभिन्न ईआरए में अनुकूल और प्रासंगिक बने रहने की प्रोसेसर की क्षमता इसकी स्थायी अपील और कार्यक्षमता को दर्शाती है।
ट्रैफिक सिग्नल कंट्रोल सिस्टम में 8255 को तैनात करना शहरी बुनियादी ढांचा प्रबंधन को बढ़ाता है।कार्यान्वयन से पता चलता है कि कैसे सावधानीपूर्वक प्रोग्राम किए गए समय अनुक्रम यातायात प्रवाह और सुरक्षा का अनुकूलन करते हैं।इस प्रकार, प्रोसेसर दिन-प्रतिदिन की सार्वजनिक प्रणालियों को प्रभावित करता है, जिससे चिकनी और सुरक्षित आवागमन सुनिश्चित होता है।
लिफ्ट सिस्टम को प्रबंधित करने में, 8255 की प्रोग्रामेबल प्रकृति लिफ्ट यांत्रिकी के सटीक संचालन को दर्शाती है।यह एप्लिकेशन बिल्डिंग मैनेजमेंट टेक्नोलॉजीज में एक कोर है, जहां विश्वसनीय माइक्रोप्रोसेसर सिस्टम सुरक्षित और कुशल ऊर्ध्वाधर परिवहन सुनिश्चित करते हैं।
8255 के लचीले I/O पोर्ट समकालीन माइक्रोकंट्रोलर सिस्टम में एक बोनस हैं, जो परिधीय हैंडलिंग में सुधार करते हैं।व्यावहारिक एकीकरण प्रणाली के विस्तार को सरल बनाता है और कस्टम परिधीय नियंत्रण को सक्षम करता है, जिससे यह विभिन्न क्षेत्रों में अनुरूप तकनीकी अनुप्रयोगों को विकसित करने के लिए एक समाधान बन जाता है।इसकी अनुकूलनशीलता अभिनव समाधानों के लिए एक सहज निर्माण प्रक्रिया की सुविधा देती है।
8255 भी विंटेज होम-बिल्ट कंप्यूटर और आधुनिक बाह्य उपकरणों के बीच की खाई को पाटता है।कई लोग इस क्षमता को संजोते हैं क्योंकि यह विरासत प्रणालियों को संरक्षित और पुनर्जीवित करता है।समकालीन उपकरणों के साथ बातचीत को सक्षम करके, 8255 अपनी अनुकूलनशीलता पर प्रकाश डालता है और तेजी से विकसित होने वाले तकनीकी परिदृश्य में प्रासंगिकता जारी रखता है।
8255 माइक्रोप्रोसेसर मजबूत और बहुमुखी प्रतिभा के लिए एक वसीयतनामा के रूप में खड़ा है, जो ऐतिहासिक और समकालीन दोनों सेटिंग्स में अपनी जगह को मजबूत करता है।अनुप्रयोगों का व्यापक स्पेक्ट्रम एक बदलती तकनीकी दुनिया में अपनी स्थायी उपयोगिता और प्रासंगिकता की पुष्टि करता है।
एक एड्रेस बस और एक डेटा बस के माध्यम से मुख्य प्रोसेसर के साथ 8255 इंटरफेस।यह इंटरफ़ेस माइक्रोप्रोसेसर-आधारित प्रणालियों के भीतर प्रभावी संचार और नियंत्रण को सक्षम करते हुए, द्विदिश डेटा ट्रांसमिशन की सुविधा प्रदान करता है।व्यावहारिक अनुप्रयोगों में, अन्य लोग अक्सर 8255 के बंदरगाहों को विशिष्ट पते पर रेंज के लिए नक्शे के लिए तैयार करते हैं, जो समग्र सिस्टम प्रदर्शन को अनुकूलित करते हैं।
8255 में ऑपरेशन के तीन अलग -अलग तरीके हैं:
मोड 0 (बेसिक I/O): सीधे डेटा इनपुट और आउटपुट की अनुमति देता है, जिससे यह आदर्श रूप से सरल कार्यों के लिए अनुकूल हो जाता है।
मोड 1 (नियंत्रित I/O): अधिक नियंत्रित डेटा ट्रांसफर प्रक्रियाओं के लिए हैंडशेकिंग को शामिल करता है, विश्वसनीयता बढ़ाता है।
मोड 2 (दोहरी-दिशात्मक बस): जटिल संचार आवश्यकताओं के लिए उपयुक्त, द्विदिश डेटा प्रवाह का समर्थन करता है।
आधुनिक सिस्टम अक्सर पिछड़े संगतता के लिए अद्यतन हार्डवेयर का उपयोग करके इन मोडों का अनुकरण करते हैं, यह सुनिश्चित करते हुए कि मौजूदा वर्कफ़्लोज़ और एप्लिकेशन मूल रूप से कार्य करना जारी रखते हैं।
8255 हैंडल उन्हें विशिष्ट परिस्थितियों में ट्रिगर करके और पूर्वनिर्धारित रुकावट सेवा दिनचर्या को निष्पादित करके बाधित करता है।यह तंत्र उच्च-प्राथमिकता वाले कार्यों पर तत्काल ध्यान देता है, जो किसी भी घटना के लिए तेजी से प्रतिक्रियाओं की अनुमति देता है।एक व्यावहारिक उदाहरण में एक बाहरी सिग्नल परिवर्तन के लिए एक इनपुट पोर्ट की निगरानी करना और इसे तुरंत संसाधित करने के लिए एक रुकावट को ट्रिगर करना शामिल है।कुछ सेवा दिनचर्या को परिभाषित करने के लिए इंटरप्ट वैक्टर का उपयोग करते हैं, इस तरह के रुकावटों के लिए सटीक और समय पर प्रतिक्रियाएं सुनिश्चित करते हैं।
1980 के दशक के दौरान, 8255 का उपयोग व्यापक रूप से डेटा अधिग्रहण, प्रक्रिया नियंत्रण और औद्योगिक स्वचालन में समानांतर I/O क्षमता प्रदान करने के लिए किया गया था।ये एप्लिकेशन एक साथ कई I/O संचालन को संभालने की चिप की क्षमता से लाभान्वित हुए।उदाहरण के लिए, 8255 को शुरुआती कंप्यूटर-नियंत्रित विनिर्माण प्रणालियों में इंटरफ़ेस सेंसर और एक्ट्यूएटर्स को कुशलता से नियुक्त किया गया था।इसकी बहुमुखी प्रतिभा और विश्वसनीयता ने इसे विभिन्न उद्योगों के स्वचालन में एक मूल बना दिया, जो सरल डेटा संग्रह से लेकर जटिल नियंत्रण प्रक्रियाओं तक कई कार्यों का समर्थन करता है।
8255 अंतर्निहित कार्यों के माध्यम से हैंडशेक सिग्नल का प्रबंधन करता है जो मुख्य प्रोसेसर और 8255 के बीच डेटा प्रवाह को विनियमित करता है। इसमें डेटा रिसेप्शन को स्वीकार करना और संचार की उचित अनुक्रमण सुनिश्चित करना शामिल है, जिससे सिस्टम घटकों के बीच सिंक्रनाइज़ेशन में सुधार हुआ है।व्यवहार में, हैंडशेकिंग यह सुनिश्चित करता है कि एक सेंसर का डेटा अगली प्रक्रिया चरण में आगे बढ़ने से पहले सटीक रूप से पढ़ा जाता है, सिस्टम सटीकता और दक्षता की सुरक्षा करता है।
8255 माइक्रोप्रोसेसर, हालांकि काफी हद तक उन्नत परिधीय इंटरफ़ेस चिप्स जैसे कि माइक्रोकंट्रोलर और सामान्य-उद्देश्य I/O चिप्स द्वारा प्रतिस्थापित किया गया है, अभी भी कभी-कभी विरासत प्रणालियों में उपयोग किया जाता है जहां समानांतर I/O क्षमताओं की आवश्यकता होती है।ये सिस्टम 8255 के मजबूत और अच्छी तरह से समझे जाने वाले डिजाइन के कारण अपनी कार्यक्षमता बनाए रखते हैं। उदाहरण के लिए, कई पुरानी औद्योगिक मशीनें विश्वसनीय और सीधे I/O प्रबंधन के लिए 8255 पर भरोसा करना जारी रखती हैं।8255 की विशेषताओं को समझना समानांतर डेटा प्रोसेसिंग की आवश्यकता वाले मौजूदा सेटअप में प्रभावी रखरखाव और सामयिक एकीकरण के लिए अनुमति देता है।यह स्थायी उपस्थिति आधुनिक विकल्पों के सामने भी चिप के भरोसेमंद प्रदर्शन के लिए बोलती है।
कृपया एक जांच भेजें, हम तुरंत जवाब देंगे।
2024/10/8 पर
2024/10/7 पर
8000/04/18 पर 147757
2000/04/18 पर 111935
1600/04/18 पर 111349
0400/04/18 पर 83719
1970/01/1 पर 79508
1970/01/1 पर 66901
1970/01/1 पर 63022
1970/01/1 पर 63010
1970/01/1 पर 54081
1970/01/1 पर 52121