




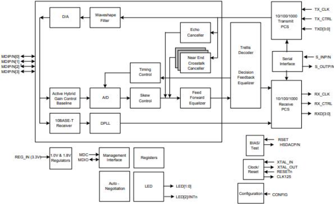
88E1512 एक अत्यधिक अनुकूलनीय गीगाबिट ईथरनेट ट्रांसीवर है।यह व्यापक रूप से उपयोग किए गए 1000Base-T, 100Base-TX और 10Base-T मानकों का समर्थन करता है, कुशल डेटा ट्रांसमिशन सुनिश्चित करता है।मानकों में यह विविधता इसे आधुनिक नेटवर्क प्रणालियों की मांगों को पूरा करने की अनुमति देती है, विभिन्न इंटरफेस में विश्वसनीयता प्रदान करती है।
GMII और RGMII दोनों इंटरफेस के माध्यम से उपलब्ध कनेक्शन के साथ, ट्रांसीवर विभिन्न नेटवर्क इन्फ्रास्ट्रक्चर में चिकनी एकीकरण की सुविधा देता है।यह दोहरी संगतता विविध नेटवर्क आर्किटेक्चर को पूरा करती है, जो आपको सिस्टम प्रदर्शन को मूल रूप से बढ़ाने के लिए आवश्यक लचीलापन प्रदान करती है।मौजूदा प्रणालियों में शामिल होने की आसानी को अक्सर स्केलेबिलिटी और दक्षता दोनों को बढ़ावा देते हुए महत्व दिया जाता है।कॉपर, फाइबर और SGMII प्रारूपों का समर्थन करते हुए, 88E1512 नेटवर्क परिदृश्यों की एक श्रृंखला के अनुकूल होने के लिए तैयार है।ऐसे वातावरण में जहां नेटवर्क में उतार -चढ़ाव की मांग होती है, यह क्षमता ज्यादातर लाभप्रद हो सकती है।ट्रांसीवर के स्वचालित मीडिया प्रकार का पता लगाने से सेटअप जटिलता को कम करता है, नेटवर्क प्रबंधन को सुव्यवस्थित करता है।
एकीकृत एमडीआई समाप्ति प्रतिरोध 88E1512 के कुशल डिजाइन, सर्किट लेआउट को सरल बनाने और सामग्री और विनिर्माण से संबंधित लागत को कम करने का हिस्सा हैं।यह विचारशील डिजाइन IEEE मानकों के साथ संरेखित करता है, जो लगातार प्रदर्शन सुनिश्चित करता है।इस तरह की दक्षता उन प्रणालियों को वितरित करने में सहायता करती है जो तैनात करने के लिए अभी तक सीधे विश्वसनीय हैं।88E1512 द्वारा पेश किए गए सटीक और लागत प्रबंधन का संतुलन अक्सर मांगा जाता है।बजट की कमी का सम्मान करने वाले गुणवत्ता समाधान प्रदान करके, परियोजनाएं स्थिरता और स्केलेबिलिटी दोनों को प्राप्त कर सकती हैं।यह संतुलन आमतौर पर सफल कार्यान्वयन में देखा जाता है, दीर्घकालिक नेटवर्क उन्नति को चलाता है।
|
विशेषता |
विवरण |
|
IEEE अनुपालन |
10/100/1000BASE-T IEEE 802.3 COMPLINT |
|
बहु ऑपरेटिंग मोड |
- तांबे के लिए rgmii |
|
- SGMII टू कॉपर (88E1512/88E1514 केवल) |
|
|
- RGMII से फाइबर/SGMII (88E1512 केवल) |
|
|
- ऑटो-मीडिया का पता लगाने के साथ कॉपर/फाइबर/SGMII के लिए RGMII
(88E1512 केवल) |
|
|
- कॉपर टू फाइबर (1000Base-X) (88E1512/88E1514) |
|
|
RGMII टाइमिंग मोड |
एकीकृत देरी के साथ चार RGMII टाइमिंग मोड,
पीसीबी ट्रेस देरी की आवश्यकता को समाप्त करना |
|
फाइबर इंटरफ़ेस समर्थन |
SGMII के साथ 1000Base-X और 100Base-FX का समर्थन करता है (88E1512
केवल) |
|
RGMII LVCMOS मानक |
RGMII पर LVCMOS/0 का समर्थन करता है |
|
ऊर्जा कुशल ईथरनेट (ईईई) |
IEEE 802.3AZ-2010 के अनुरूप, ईईई के लिए बफरिंग के साथ
विरासत मैक |
|
शक्ति दक्षता |
एकीकृत एमडीआई समाप्ति के साथ अल्ट्रा-लो पावर,
प्रतिरोधों |
|
वोल्टेज नियामक |
एकीकृत स्विचिंग वोल्टेज नियामक |
|
ग्रीन ईथरनेट सपोर्ट |
- एक्टिव पावर सेव मोड |
|
- ऊर्जा का पता लगाना और ऊर्जा का पता लगाना+ कम बिजली मोड |
|
|
IEEE1588 V2 |
समय मुद्राई समर्थन |
|
सिंक्रोनस ईथरनेट (सिंक) |
घड़ी वसूली |
|
लूपबैक मोड |
तीन नैदानिक लूपबैक मोड |
|
डाउनशिफ्ट मोड |
दो-जोड़ी केबल प्रतिष्ठानों के लिए समर्थन
|
|
अनुकूली बराबरी |
पूरी तरह से एकीकृत डिजिटल अनुकूली बराबरी, इको
कैनकलर, और क्रॉसस्टॉक कैनकलर |
|
बेसलाइन वांडर करेक्शन |
उन्नत डिजिटल बेसलाइन भटकना सुधार |
|
एमडीआई/एमडीआईएक्स |
स्वचालित एमडीआई/एमडीआईएक्स क्रॉसओवर सभी गति से |
|
ध्रुवीयता सुधार |
स्वत: ध्रुवीयता सुधार |
|
स्वतंत्र समझौता |
IEEE 802.3 आज्ञाकारी |
|
एलईडी मोड |
एलईडी परीक्षण सहित सॉफ्टवेयर प्रोग्रामेबल एलईडी मोड |
|
प्रबंधक इंटरफ़ेस |
MDC/XMDIO प्रबंधन इंटरफ़ेस |
|
निदान उपकरण |
सीआरसी चेकर, पैकेट काउंटर, पैकेट पीढ़ी |
|
लैन (WOL) पर जागें |
घटना का पता लगाने की क्षमता |
|
आभासी केबल परीक्षक |
निदान के लिए उन्नत आभासी केबल परीक्षक |
|
ऑटो अंशांकन |
मैक इंटरफ़ेस आउटपुट के लिए |
|
तापमान संवेदक |
एकीकृत |
|
वोल्टेज आपूर्ति |
आंतरिक स्विचिंग नियामक के साथ एकल 3.3V आपूर्ति
सहायता |
|
I/O वोल्टेज विकल्प |
1.8V, 2.5V, या 3.3V I/O पैड के लिए |
|
ग्रेड विकल्प |
वाणिज्यिक और औद्योगिक ग्रेड (88E1510 और 88E1512
केवल) |
|
पैकेट |
- 48-पिन QFN 7 मिमी x 7 मिमी ग्रीन EPAD के साथ (88E1510 और
88E1518) |
|
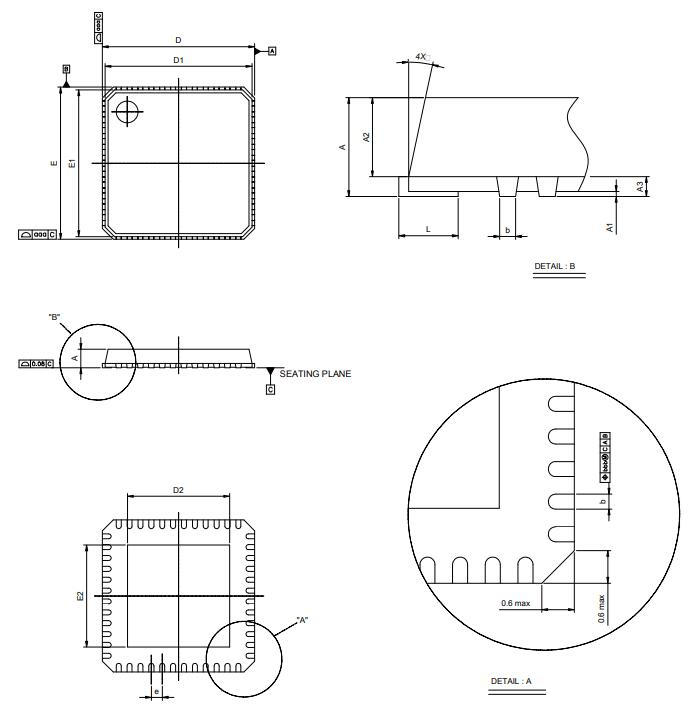
- EPAD के साथ 56-पिन QFN 8 मिमी x 8 मिमी हरा (88E1512/88E1514) |
88E1512 ईथरनेट PHY डिजिटल परिदृश्य में तेज प्रगति के लिए एक लचीली नींव प्रदान करता है।यह घटक विभिन्न क्षेत्रों, जैसे एंटरप्राइज, एम्बेडेड सॉल्यूशंस, उपभोक्ता इलेक्ट्रॉनिक्स और मेट्रो/सर्विस नेटवर्क जैसे विभिन्न क्षेत्रों में गीगाबिट सिस्टम को शक्तियां देता है।
• नेटवर्क इन्फ्रास्ट्रक्चर को बढ़ाना: एंटरप्राइज नेटवर्क में, 88E1512 कनेक्टिविटी को बढ़ाता है और डेटा ट्रांसफर दरों को बढ़ाता है।यह डेटा केंद्रों और कॉर्पोरेट नेटवर्क की तरह तेजी से और सहज डेटा एक्सचेंज की मांग करने वाले वातावरण में पनपता है।
• डेटा सेंटर एकीकरण: डेटा सेंटर 88E1512 के स्थिर प्रदर्शन और उच्च गति क्षमताओं से लाभान्वित होते हैं, जिससे भंडारण और प्रसंस्करण के लिए आवश्यक सुचारू डेटा प्रवाह सुनिश्चित होता है।यह गति और विश्वसनीयता के बीच एक सामंजस्यपूर्ण संतुलन पर हमला करता है, समकालीन डेटा सेंटर डिजाइनों में एक प्रमुख तत्व बन जाता है।
एंबेडेड सिस्टम में, घटक IoT और ऑटोमेशन के लिए कॉम्पैक्ट और कुशल लेआउट को गंभीर सक्षम करता है।यह एकीकरण स्मार्ट होम टेक्नोलॉजीज और औद्योगिक स्वचालन में नवाचारों को ड्राइविंग करते हुए होशियार और अधिक उत्तरदायी अनुप्रयोगों को बढ़ावा देता है।
88E1512 उपभोक्ता उपकरणों में उच्च गति वाले इंटरनेट की बढ़ती मांग को पूरा करता है।उदाहरण के लिए, स्मार्ट टीवी और गेमिंग कंसोल, बेहतर स्ट्रीमिंग और गेमिंग अनुभवों के लिए उनकी क्षमता का लाभ उठाते हैं, जिससे आपकी संतुष्टि और प्रतिस्पर्धी बढ़त बढ़ जाती है।
• कनेक्टिविटी बनाए रखना: मेट्रो नेटवर्क में और सेवा प्रदाताओं के बीच, 88E1512 स्थिर और सुसंगत कनेक्शन सुनिश्चित करता है।इसकी परिनियोजन सेवा प्रदाताओं को न्यूनतम रुकावटों के साथ गुणवत्ता वाले इंटरनेट का उपयोग करने में सक्षम बनाता है, दोनों व्यवसायों और घरों को लाभान्वित करता है।
• नेटवर्क बैकबोन को बढ़ाना: मेट्रो नेटवर्क में इसकी भूमिका विश्वसनीय बुनियादी ढांचे का समर्थन करती है, कुशल संचार चैनलों की सुविधा और उच्च डेटा लोड को समायोजित करती है।यह शहरी संचार नेटवर्क को बनाए रखने में मुख्य है, उनकी दक्षता और लचीलापन सुनिश्चित करता है।
• 88E1512-A0-NNP2I000
• 88E1512-A0-NNP-2I000
• 88E1512-A0NNP2I000
• 88E1512A0NNP2I000


मार्वेल, डिजिटल स्टोरेज में लिफाफे को आगे बढ़ाने के लिए जाना जाता है, लगातार विभिन्न क्षेत्रों में नई जमीन को तोड़ता है।उनके उन्नत अर्धचालक समाधान डेटा भंडारण के भविष्य को परिभाषित करने में एक प्रमुख भूमिका निभाते हैं और उद्यम, क्लाउड, मोटर वाहन, औद्योगिक और उपभोक्ता बाजारों पर दूरगामी प्रभाव डालते हैं।इस समग्र रणनीति से डेटा प्रबंधन दक्षता और स्केलेबिलिटी को बढ़ाने के लिए उनके समर्पण का पता चलता है।
उद्यम और क्लाउड सेटिंग्स दोनों में, मार्वेल डेटा प्रवाह और भंडारण दक्षता को बढ़ाता है।क्लाउड कंप्यूटिंग पर बढ़ता जोर मजबूत, स्केलेबल नवाचारों के लिए कॉल करता है।बिजली-कुशल डिजाइनों के साथ उन्नत एल्गोरिदम का लाभ उठाकर, मार्वेल विलंबता चुनौतियों का सामना करता है, आधुनिक व्यवसायों के लिए आवश्यक गति आवश्यकताओं को पूरा करने के लिए सहज डेटा एक्सेस प्रदान करता है।मोटर वाहन और औद्योगिक उपयोगों के लिए, मार्वेल कठिन परिस्थितियों को सहन करने के लिए डिज़ाइन किए गए टिकाऊ समाधान प्रदान करता है।उनके अर्धचालक स्मार्ट वाहनों के विकास और विनिर्माण स्वचालन के लिए विश्वसनीय, डेटा प्रोसेसिंग -सक्रिय प्रदान करते हैं।एआई क्षमताओं को शामिल करना बुद्धिमान निर्णय लेने और भविष्य कहनेवाला रखरखाव का समर्थन करता है, दोनों इन क्षेत्रों के परिवर्तनों के लिए उपयोग किया जाता है।
यहाँ मार्वेल सेमीकंडक्टर, इंक के लिए तालिका है। 88E1512-A0-NNP2I000 तकनीकी विनिर्देश और विशेषताएँ।
|
प्रकार |
पैरामीटर |
|
फैक्टरी लीड टाइम |
16 सप्ताह |
|
पर्वत |
सतह पर्वत |
|
माउन्टिंग का प्रकार |
सतह पर्वत |
|
पैकेज / मामला |
56-वीएफक्यूएफएन ने पैड को उजागर किया |
|
उपयोग स्तर |
औद्योगिक श्रेणी |
|
परिचालन तापमान |
-40 ° C ~ 85 ° C (TA) |
|
शृंखला |
अलास्का® |
|
प्रकाशित |
2011 |
|
भाग की स्थिति |
सक्रिय |
|
नमी संवेदनशीलता स्तर (एमएसएल) |
3 (168 घंटे) |
|
समाप्ति की संख्या |
56 |
|
प्रकार |
ट्रांसीवर |
|
वोल्टेज - आपूर्ति |
1.71V ~ 1.89V, 2.38V ~ 2.62V, 3.14V ~ 3.46V |
|
टर्मिनल स्थिति |
ट्रैक्टर |
|
टर्मिनल रूप |
कोई भी नेतृत्व नहीं |
|
कार्यों की संख्या |
1 |
|
वोल्टेज आपूर्ति |
3.3 |
|
JESD-30 कोड |
S-XQCC-N56 |
|
चैनल की संख्या |
4 |
|
इंटरफ़ेस |
ईथरनेट |
|
आधार - सामग्री दर |
10Mbps, 100mbps, 1gbps |
|
शिष्टाचार |
IEEE 802.3, IEEE 1588 |
|
ड्राइवरों/रिसीवर की संख्या |
4-अप्रैल |
|
दोहरा |
पूर्ण, आधा |
|
ट्रांससीवर्स की संख्या |
1 |
|
सिंप्लेक्स/द्वैध |
दोहरा |
|
अधिकतम जंक्शन तापमान (टीजे) |
125 ° C |
|
परिवेश तापमान रेंज |
85 ° C |
|
ऊंचाई |
1 मिमी |
|
रोह्स स्टेटस |
ROHS आज्ञाकारी |
88E1512 ट्रांसीवर है बहुमुखी नेटवर्क सेटअप के लिए डिज़ाइन किया गया, सूट करने के लिए पांच ऑपरेशन मोड का समर्थन करना विशिष्ट आवश्यकताएं।RGMII जो डिजिटल संचार को बढ़ाता है मैक और PHY के बीच, डेटा ट्रांसमिशन को सुव्यवस्थित करना और डिजाइन को कम करना जटिलता, विभिन्न प्रतिष्ठानों में तांबे के कनेक्शन के लिए आदर्श है।एसजीएमआईआई उच्च संकेत अखंडता के लिए अंतर जोड़े के साथ एक कॉम्पैक्ट प्रोटोकॉल है और कम पिन काउंट, कॉपर और फाइबर कनेक्शन का समर्थन करते हुए, व्यापक रूप से इसके लिए उपयोग किया जाता है कम शक्ति और अनुकूलनशीलता।SGMII संक्रमण प्रदान करने के लिए RGMII कॉन्फ़िगरेशन के साथ RGMII-TO-SGMII संक्रमण को सक्षम करके लचीली कनेक्टिविटी विभिन्न सेटअप में संगतता सुनिश्चित करने के लिए विकल्प।तांबा और फाइबर SGMII समर्थन दोनों तांबे का समर्थन करें (टिकाऊ, लागत प्रभावी) और फाइबर (उच्च गति, लंबी दूरी) कनेक्शन, के साथ सरलीकृत सेटअप के लिए ऑटो-डिटेक्शन।फाइबर संक्रमण (1000Base-X) सुविधाजनक है तांबे और फाइबर मोड के बीच निर्बाध संक्रमण, आवासीय के अनुकूल और विलंबता और संकेत आवश्यकताओं के आधार पर वाणिज्यिक वातावरण।
ट्रांसीवर में एक एकीकृत वोल्टेज नियामक है, जो कई LVCMOS वोल्टेज: 1.8V, 2.5V, और 3.3V का समर्थन करते हुए 3.3V बिजली की आपूर्ति पर सुचारू रूप से काम कर रहा है।यह अनुकूलनशीलता विभिन्न बिजली ढांचे के साथ सिस्टम में सहज एकीकरण की अनुमति देती है।वोल्टेज मानकों का एक जानबूझकर विकल्प सीधे थर्मल प्रबंधन और बिजली दक्षता को प्रभावित करता है, इंजीनियरिंग चुनौतियों में एक उल्लेखनीय भूमिका निभाता है।इन पहलुओं में भाग लेने से, आप प्रदर्शन दीर्घायु और स्थायी डिवाइस ऑपरेशन को बढ़ा सकते हैं।
एक कॉम्पैक्ट 56-पिन QFN पैकेज में संलग्न, ट्रांसीवर आयाम 8 मिमी x 8 मिमी हैं।इस डिजाइन का उपयोग घने सर्किट बोर्डों पर अधिकतम स्थान को अधिकतम करने के लिए किया जाता है, जिससे यह उच्च घनत्व वाले अनुप्रयोगों के लिए उपयुक्त हो जाता है।चूंकि इलेक्ट्रॉनिक्स छोटे आकारों की ओर रुझान जारी रखते हैं, इसलिए कार्यक्षमता खोने के बिना कॉम्पैक्ट घटकों का चयन करना महत्वपूर्ण हो जाता है।QFN पैकेज न केवल थर्मल प्रदर्शन में सुधार करता है, बल्कि उत्पाद की बहुमुखी प्रतिभा और बाजार की जवाबदेही को प्रभावित करते हुए, पदचिह्न को भी कम करता है।
कृपया एक जांच भेजें, हम तुरंत जवाब देंगे।
2024/10/29 पर
2024/10/29 पर
8000/04/18 पर 147758
2000/04/18 पर 111942
1600/04/18 पर 111349
0400/04/18 पर 83721
1970/01/1 पर 79508
1970/01/1 पर 66915
1970/01/1 पर 63065
1970/01/1 पर 63012
1970/01/1 पर 54081
1970/01/1 पर 52138