
BAV70, इसकी तेजता और निर्भरता के लिए मनाया जाता है, एक कॉम्पैक्ट SOT23 (TO-236AB) SMD प्लास्टिक पैकेज के भीतर एनकैप्सुलेटेड है।यह तेजी से स्विचिंग ड्यूल डायोड इलेक्ट्रॉनिक अनुप्रयोगों के असंख्य में उपयोगिता पाता है।इसकी भूमिका सर्किट, डिटेक्शन सिस्टम, हाई-फ़्रीक्वेंसी रेक्टिफिकेशन सर्किट और ऑटोमेशन कंट्रोल को स्विच करने वाली है।
BAV70 सटीकता के साथ विद्युत संकेतों के प्रबंधन और निर्देशन में उत्कृष्टता प्राप्त करता है।इसका कम फॉरवर्ड वोल्टेज एक उच्च रिवर्स ब्रेकडाउन वोल्टेज के साथ मिलकर यह पता लगाने वाली प्रणालियों के लिए प्रभावी बनाता है जो संवेदनशीलता और अटूट विश्वसनीयता की मांग करते हैं।कई लोग इसे अपने त्वरित प्रतिक्रिया समय और न्यूनतम सिग्नल विरूपण के कारण उच्च-आवृत्ति सुधार सर्किट में नियोजित करते हैं, जिससे गतिशील इलेक्ट्रॉनिक वातावरण में शिखर प्रदर्शन सुनिश्चित होता है।
स्वचालन नियंत्रण के भीतर, BAV70 वोल्टेज के उतार -चढ़ाव से संवेदनशील घटकों को परिरक्षण करने में एक भूमिका निभाता है, जिससे इलेक्ट्रॉनिक सिस्टम की लचीलापन और दीर्घायु को बढ़ावा मिलता है।इसका डिजाइन विश्वसनीयता दिखाता है, दोनों प्रयोगशाला प्रोटोटाइप और पूर्ण पैमाने पर कार्यान्वयन में स्पष्ट है।बार -बार सिग्नल विविधताओं की विशेषता वाले वातावरण में, ऐसे घटकों का उपयोग सिस्टम अखंडता को बनाए रखने और वनों की खराबी को बनाए रखने के लिए किया जाता है।

|
पिन नंबर |
पिन नाम |
विवरण |
|
1 |
डायोड 1 एनोड |
1 डायोड के एनोड पिन |
|
2 |
डायोड 2 कैथोड |
2 डायोड का कैथोड पिन |
|
3 |
डायोड 1 कैथोड डायोड 2 एनोड |
1 डायोड का कैथोड पिन और 2 डायोड का एनोड पिन |



|
प्रकार |
पैरामीटर |
|
जीवनचक्र स्थिति |
अंतिम शिपमेंट (अंतिम अद्यतन: 1 सप्ताह पहले) |
|
संपर्क चढ़ाना |
टिन |
|
माउन्टिंग का प्रकार |
सतह पर्वत |
|
पिन की संख्या |
3 |
|
पैकेजिंग |
टेप और रील (टीआर) |
|
भाग की स्थिति |
अप्रचलित |
|
अधिकतम परिचालन तापमान |
150 ° C |
|
समाई |
1.5pf |
|
वर्तमान रेटिंग |
200MA |
|
वोल्टेज |
75V |
|
रफ़्तार |
छोटा संकेत <= 200mA (Io), Any Speed |
|
डायोड प्रकार |
मानक |
|
शक्ति का अपव्यय |
350MW |
|
आगे प्रवाह |
200MA |
|
फैक्टरी लीड टाइम |
42 सप्ताह |
|
पर्वत |
सतह पर्वत |
|
पैकेज / मामला |
TO-236-3, SC-59, SOT-23-3 |
|
आपूर्तिकर्ता युक्ति पैकेज |
SOT-23-3 (to-236) |
|
प्रकाशित |
2004 |
|
नमी संवेदनशीलता स्तर (एमएसएल) |
1 (असीमित) |
|
न्यूनतम संचालन तापमान |
-55 ° C |
|
वोल्टेज - रेटेड डीसी |
70V |
|
आधार भाग संख्या |
BAV70 |
|
तत्व विन्यास |
सामान्य कैथोड |
|
मौजूदा |
2 ए |
|
वर्तमान - रिवर्स लीकेज @ वीआर |
5μA @ 70V |
|
वोल्टेज - फॉरवर्ड (वीएफ) (अधिकतम) @ अगर |
1.25V @ 150ma |
|
ऑपरेटिंग तापमान - जंक्शन |
150 डिग्री सेल्सियस मैक्स |
|
अधिकतम वृद्धि वर्तमान |
2 ए |
|
वर्तमान - औसत सुधार (io) |
200MA |
|
अधिकतम रिवर्स वोल्टेज (डीसी) |
70V |
|
रिवर्स रिकवरी टाइम |
6 एनएस |
|
अधिकतम दोहराव रिवर्स वोल्टेज (वीआरआरएम) |
70V |
|
रिवर्स वोल्टेज |
70V |
|
अधिकतम फॉरवर्ड सर्ज करंट (IFSM) |
2 ए |
|
अधिकतम जंक्शन तापमान (टीजे) |
150 ° C |
|
लंबाई |
2.92 मिमी |
|
SVHC तक पहुँचें |
कोई एसवीएचसी नहीं |
|
रोह्स स्टेटस |
ROHS आज्ञाकारी |
|
वोल्टेज - डीसी रिवर्स (वीआर) (अधिकतम) |
70V |
|
आगे की वोल्टेज |
1V |
|
औसत सुधारा हुआ वर्तमान |
200MA |
|
पीक रिवर्स करंट |
100μA |
|
पीक नॉन-रीपेटिटिव सर्ज करंट |
2 ए |
|
डायोड विन्यास |
1 जोड़ी आम कैथोड |
|
वसूली मे लगने वाला समय |
6 एनएस |
|
ऊंचाई |
1.2 मिमी |
|
चौड़ाई |
1.3 मिमी |
|
विकिरण कठोरता |
नहीं |
|
सीसा मुक्त |
सीसा मुक्त |

BAV70 को SOT-23 पैकेज में सुरुचिपूर्ण ढंग से रखा गया है, जिसमें लगभग 8.8 मिलीग्राम का नाजुक द्रव्यमान है।यह कॉम्पैक्ट संरचना मुद्रित सर्किट बोर्डों पर सीमित स्थान के उपयोग को अधिकतम करने के लिए तैयार की गई है।आज का विनिर्माण परिदृश्य BAV70 जैसे घटकों की मांग करता है जो स्वचालित विधानसभा लाइनों का समर्थन करने में माहिर हैं, जो इस तरह की दक्षता-चालित प्रक्रियाओं के लिए अनुरूप थोक पैकेजिंग विकल्पों की विविधता की व्याख्या करता है।यह विचारशील डिजाइन रणनीति न केवल उत्पादन को सुव्यवस्थित करती है, बल्कि विधानसभा के दौरान त्रुटि के जोखिमों को भी कम करती है, एक ऐसा कारक जो उच्च-मात्रा वाले इलेक्ट्रॉनिक्स विनिर्माण में वजन रखता है जहां सटीक और निर्भरता की आवश्यकता होती है।
BAV70 के डिजाइन के केंद्र में अपने उल्लेखनीय यांत्रिक लचीलापन निहित है, जब इलेक्ट्रॉनिक उपकरणों में अक्सर थर्मल चुनौतियों का सामना किया जाता है।थर्मल प्रबंधन क्षमताओं को SOT-23 पैकेज के बहुत डिजाइन में बुना जाता है, यह सुनिश्चित करना कि प्रदर्शन लंबे समय तक लगातार रहे।यहाँ अंतर्निहित धारणा यह है कि स्थायित्व एक डिजाइन सिद्धांत है जितना कि यह एक विनिर्माण शर्त है।
यह डायोड बेहतर प्रदर्शन के लिए तैयार किया गया है, इसकी तेजी से स्विचिंग गति आवृत्ति विविधताओं के प्रति संवेदनशील वातावरण में लाभप्रद है।हाई-स्पीड स्विचिंग बढ़ी हुई दक्षता में योगदान देता है और सिग्नल प्रोसेसिंग में बढ़े हुए परिशुद्धता के लिए अनुमति देता है, जो जटिल इलेक्ट्रॉनिक संरचनाओं में सिस्टम अखंडता को संरक्षित करने के लिए अभिन्न है।
कम कैपेसिटेंस आरएफ सर्किट डिजाइनों में लगातार चुनौती, अनपेक्षित सिग्नल युग्मन के जोखिम को कम करके एक उल्लेखनीय लाभ प्रदान करता है।इस मुद्दे को कम करके, सिग्नल ट्रांसमिशन की परिशुद्धता को बढ़ाया जाता है, सिस्टम निर्भरता में सुधार होता है।टेलीमेट्री या रिमोट सेंसिंग अक्सर उच्च डेटा गुणवत्ता बनाए रखने के लिए कम-कैपेसिटेंस घटकों का पक्ष लेते हैं, जो कॉम्पैक्टनेस और क्षमता के बीच संतुलन प्राप्त करते हैं।
क्यूरिंग रिसाव करंट पावर दक्षता प्राप्त करने के लिए अच्छा है, विशेष रूप से विवश बिजली भंडार पर काम करने वाले सिस्टम में।यह सुविधा बैटरी जीवन का विस्तार करने के लिए पोर्टेबल और पहनने योग्य प्रौद्योगिकियों में फायदेमंद है।रिसाव को कम करके, यह डायोड डिवाइस ऑपरेशन को लम्बा करने में एड्स, आरोपों के बीच विस्तारित उपयोग की पेशकश करता है, संतुष्टि में सुधार करने के लिए प्रयास करने वाले निर्माताओं द्वारा मूल्यवान लाभ।
BAV70 का कॉम्पैक्ट, सतह-माउंटेड आर्किटेक्चर मूल्यवान सर्किट बोर्ड स्थान का संरक्षण करता है, जो तेजी से महत्वपूर्ण है क्योंकि इलेक्ट्रॉनिक उपकरण अधिक कॉम्पैक्ट हो जाते हैं।यह गुणवत्ता प्रतिबंधित स्थानों के भीतर अधिक उन्नत डिजाइनों को सक्षम करते हुए, लघुकरण की ओर उद्योग की प्रगति का समर्थन करती है।
हाई-स्पीड स्विचिंग, स्विफ्ट स्टेट ट्रांज़िशन में सक्षम डायोड की मांग करता है, देरी को कम करता है और ऊर्जा का संरक्षण करता है।BAV70 की तेजी से रिकवरी विशेषताओं को सर्किट में एक पसंदीदा विकल्प बनाते हैं जहां समय सटीकता एक महत्वपूर्ण कारक है।यह व्यापक रूप से दूरसंचार और कंप्यूटिंग उपकरणों में नियोजित है, डेटा प्रसंस्करण और प्रतिक्रिया समय की गति को बढ़ाता है, जहां दक्षता और स्विफ्ट संचालन आवश्यक हैं।
कार्यों की एक विस्तृत सरणी को संभालने वाले सर्किट में, सामान्य-उद्देश्य स्विचिंग एक पर्याप्त भूमिका निभाता है।व्यापक वोल्टेज रेंज में विश्वसनीयता और प्रभावशीलता को बनाए रखने की BAV70 की क्षमता इलेक्ट्रॉनिक्स से लेकर औद्योगिक स्वचालन तक, विभिन्न क्षेत्रों में इसका उपयोग करने में सक्षम बनाती है।विभिन्न सेटिंग्स में इसका सुसंगत प्रदर्शन समकालीन इलेक्ट्रॉनिक्स में अनुकूलनीय घटकों के महत्व को दर्शाता है।
जब रिवर्स पोलरिटी सर्किट अखंडता के लिए खतरा पैदा करती है, तो BAV70 बिजली की आपूर्ति प्रणालियों में एक सुरक्षात्मक उपाय के रूप में कार्य करके एक व्यवहार्य समाधान प्रदान करता है।यह निवारक उपाय न केवल सुरक्षा को बढ़ाता है, बल्कि सर्किट के जीवनकाल को भी बढ़ाता है।ऑटोमोटिव इलेक्ट्रॉनिक्स में इसका व्यापक उपयोग स्थापना त्रुटियों के खिलाफ सुरक्षा उपायों, मुद्दों को रोकने और सर्किट सुरक्षा पर ध्यान केंद्रित करने के लिए अपनी क्षमता का प्रदर्शन करता है।
BAV70 संकेतों की शुद्धता को बनाए रखने के लिए क्लैपिंग और क्लैंपिंग संचालन में प्रभावी है।ये कार्य ऑडियो और वीडियो सिस्टम में अच्छे हैं, जहां सिग्नल विरूपण को रोकना आवश्यक है।BAV70 को नियोजित करना यह सुनिश्चित करता है कि संकेत इच्छित सीमाओं के भीतर रहें, इस प्रकार गुणवत्ता और परिचालन विश्वसनीयता दोनों को संरक्षित करें।
संरक्षण सर्किट वोल्टेज चोटियों और सर्ज के खिलाफ संवेदनशील घटकों का बचाव करने में एक फ़ंक्शन रखते हैं।BAV70, अक्सर इन सर्किटों का एक हिस्सा, एक मजबूत रक्षा रणनीति में योगदान देता है।यह भूमिका अक्षय ऊर्जा प्रणालियों में विशेष रूप से प्रमुख है, जहां वोल्टेज में उतार -चढ़ाव अक्सर होते हैं, स्थायी तकनीकी समाधानों को आगे बढ़ाने में डायोड की भूमिका पर जोर देते हैं।
• BAV99
• Baw56
• MMBD1503

OnSemi सेमीकंडक्टर एरिना में एक प्रमुख स्थान रखता है, जिसने बिजली प्रबंधन और सिग्नल उपकरण बनाने में अपने नवाचार के लिए प्रशंसा की।इनमें से प्रत्येक क्षेत्र अपनी चुनौतियों और मांगों को प्रस्तुत करता है।ऑटोमोटिव उद्योग में ओनसेमी की भूमिका बाहर खड़ी है, विशेष रूप से उन्नत ड्राइवर-सहायता प्रणालियों (एडीएएस) और इलेक्ट्रिक वाहनों (ईवीएस) के लिए अनुरूप कुशल ऊर्जा समाधान।उनके घटक उन प्रणालियों के लिए अभिन्न अंग हैं जो कड़े सुरक्षा उपायों और अटूट विश्वसनीयता को प्राथमिकता देते हैं।इन तत्वों को प्राथमिकता देने से वाहन के प्रदर्शन को बढ़ा सकते हैं, विश्वास और संतुष्टि का पोषण कर सकते हैं।ओनसेमी की रणनीतिक विकल्प, जैसे कि स्थायी प्रथाओं और अग्रणी प्रौद्योगिकी को गले लगाना, भविष्य की चुनौतियों और वैश्विक मांगों को कुशलता से संबोधित करने के लिए अपने समर्पण को प्रतिबिंबित करता है।
कृपया एक जांच भेजें, हम तुरंत जवाब देंगे।
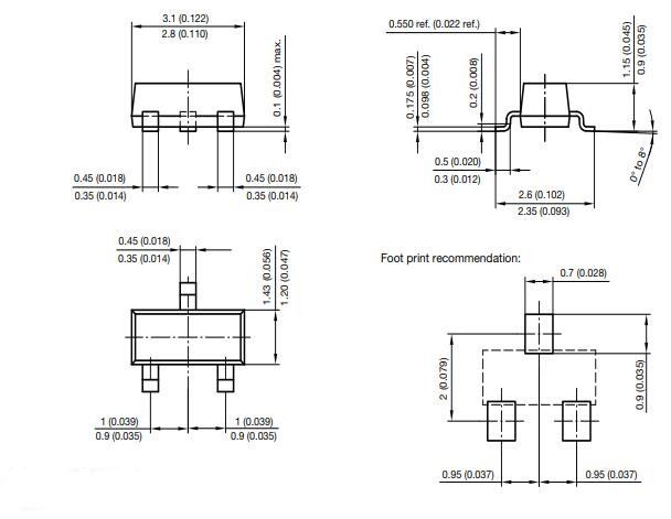
BAV70 एक SOT23 (TO-236AB) सतह-माउंटेड डिवाइस में संलग्न है।यह प्रारूप इसके कॉम्पैक्ट आकार के लिए पोषित है, जिससे आधुनिक इलेक्ट्रॉनिक सर्किट में सहज एकीकरण की अनुमति मिलती है।
BAV70 इलेक्ट्रॉनिक सिस्टम के असंख्य में अपनी जगह पाता है।यह प्रभावी सिग्नल रूपांतरण सुनिश्चित करने के लिए सर्किट और डिटेक्शन सर्किट का पता लगाने में कार्य करता है।उच्च-आवृत्ति सुधार में, यह बेहतर प्रदर्शन के लिए त्वरित स्विचिंग और एडेप्ट वोल्टेज प्रबंधन को सक्षम करके उत्कृष्टता प्राप्त करता है।स्वचालित नियंत्रण प्रणाली भी BAV70 से एक बढ़त हासिल करती है, क्योंकि यह विद्युत चर को संभालती है, जो बुद्धिमान उपकरणों की क्षमताओं को बढ़ाती है।
BAV70 को 75V तक प्रबंधित करने के लिए डिज़ाइन किया गया है, उन अनुप्रयोगों के लिए खानपान जहां वोल्टेज विविधता को समझना एक प्राथमिकता है।यह मजबूती का प्रतीक है जो लगातार वोल्टेज विनियमन पर निर्भर सर्किट के लिए अपील कर रहा है।
BAV70 -55 ° C से 150 ° C के तापमान सीमा के भीतर प्रभावी रूप से कार्य करता है।यह लचीलापन विभिन्न पर्यावरणीय परिस्थितियों में विश्वसनीयता का आश्वासन देता है, अत्यधिक तापमान के तहत काम करने वाले उपकरणों में इसकी दीर्घायु को बढ़ाता है।यह इलेक्ट्रॉनिक्स और औद्योगिक उपकरण दोनों का समर्थन करता है, इन क्षेत्रों में सामान्य तापमान बदलावों को समायोजित करता है।
तीन पिन की विशेषता, BAV70 को कॉम्पैक्ट इलेक्ट्रॉनिक फ्रेमवर्क के भीतर कनेक्टिविटी और कार्यक्षमता का अनुकूलन करने के लिए तैयार किया गया है।यह विचारशील डिजाइन एकीकरण के दौरान जटिलता और आसानी के बीच एक सामंजस्यपूर्ण संतुलन का समर्थन करता है, विनिर्माण विधानसभा प्रक्रिया को सुचारू रूप से।
2024/11/8 पर
2024/11/8 पर
8000/04/18 पर 147757
2000/04/18 पर 111935
1600/04/18 पर 111349
0400/04/18 पर 83719
1970/01/1 पर 79508
1970/01/1 पर 66903
1970/01/1 पर 63025
1970/01/1 पर 63010
1970/01/1 पर 54081
1970/01/1 पर 52121