
ए दो-तरफ़ा स्विच आपको दो अलग -अलग स्थानों से एकल प्रकाश या विद्युत भार को नियंत्रित करने की अनुमति देता है।यह दो SPDT (सिंगल पोल डबल थ्रो) स्विच का उपयोग करता है जो एक ही सर्किट में एक साथ वायर्ड होता है।प्रत्येक स्विच में तीन टर्मिनल होते हैं: एल 1, एल 2, और कॉम (सामान्य)।या तो स्विच करने से, आप सर्किट को पूरा या तोड़ सकते हैं, जिससे प्रकाश को या तो स्थान से चालू या बंद कर दिया जा सकता है।

चित्रा 2। टर्मिनलों के साथ दो-तरफ़ा स्विच
छवि में, स्विच के पीछे तीन प्रमुख टर्मिनलों को दिखाता है: L1 और L2 (यात्री तारों को जोड़ने के लिए उपयोग किया जाता है) और COM (जो लाइव वायर या लोड से जुड़ता है)।जब स्विच को सही ढंग से वायर्ड किया जाता है, तो फ़्लिपिंग या तो एक करंट के पथ को बदल देता है, दोनों छोरों से प्रकाश को नियंत्रित करता है।हालांकि स्मार्ट लाइटिंग सिस्टम तेजी से लोकप्रिय हैं, दो-तरफ़ा स्विच व्यापक रूप से उपयोग किए जाते हैं।वे सरल, भरोसेमंद हैं, और किसी भी सॉफ्टवेयर या कनेक्टिविटी की आवश्यकता नहीं है।
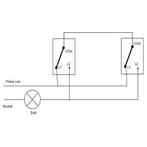
एक दो-तरफ़ा स्विच सिस्टम आपको दो स्थानों से एक प्रकाश को नियंत्रित करने देता है।प्रत्येक स्विच में तीन टर्मिनल होते हैं: एक सामान्य (COM) और दो यात्री (L1 और L2)।दो स्विच यात्री तारों (L1 से L1, L2 से L2) द्वारा जुड़े हुए हैं।लाइव (चरण) तार स्विच 1 के सामान्य टर्मिनल से जुड़ता है, और स्विच 2 का सामान्य टर्मिनल लैंप से जुड़ता है।दीपक का दूसरा पक्ष तटस्थ हो जाता है।जब दोनों स्विच एक ही ट्रैवलर वायर (L1 -L1 या L2 -L2) से जुड़ते हैं, तो सर्किट को पूरा करते हुए प्रकाश चालू होता है।यह बंद हो जाता है जब स्विच विभिन्न यात्रियों से जुड़ते हैं, सर्किट को तोड़ते हैं।इसका मतलब है कि या तो स्विच दूसरे की स्थिति की परवाह किए बिना प्रकाश को चालू या बंद कर सकता है।

चित्र 3: दो-तरफ़ा स्विच आरेख
यह सेटअप एक XOR गेट की तरह काम करता है: प्रकाश तब होता है जब स्विच अलग होता है, जब वे मेल खाते हैं।यह पूरी तरह से यांत्रिक है, कोई इलेक्ट्रॉनिक्स या सॉफ्टवेयर की आवश्यकता नहीं है।यह सीढ़ियों और हॉलवे जैसी जगहों पर सरल, विश्वसनीय और व्यापक रूप से उपयोग किया जाता है।आरेख स्विच 1 के सामान्य, स्विच के बीच जुड़े यात्रियों और स्विच 2 के कॉमन से लैंप पर जाने वाले आउटपुट से जुड़ा हुआ चरण दिखाता है।तटस्थ दीपक के दूसरी तरफ से सर्किट को पूरा करता है।
दो-तरफ़ा स्विच सर्किट को तार करने के दो मुख्य तरीके हैं: 3-वायर विधि और पुरानी 2-वायर विधि।
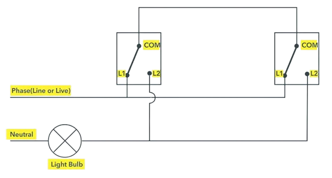
यह नई प्रतिष्ठानों के लिए पसंदीदा वायरिंग विधि है।इस सेटअप में, चरण (लाइव) वायर पहले स्विच पर कॉमन (कॉम) टर्मिनल से जुड़ता है, जबकि दूसरे स्विच का सामान्य टर्मिनल प्रकाश बल्ब से जुड़ता है।तटस्थ तार सीधे शक्ति स्रोत से बल्ब के दूसरी तरफ से जुड़ता है।दो स्विच दो यात्री तारों द्वारा जुड़े हुए हैं, दोनों स्विच पर L1 से L1 और L2 से L2 से कनेक्ट होते हैं।
यह विधि सभी कंडक्टरों को एक ही सर्किट पर रखती है, जो लगातार वोल्टेज और सुरक्षित संचालन सुनिश्चित करती है।यह आधुनिक विद्युत कोड का भी अनुपालन करता है और हस्तक्षेप को कम करता है।क्योंकि वायरिंग लेआउट साफ और तार्किक है, यह भविष्य के रखरखाव और अपग्रेड को स्मार्ट स्विच स्थापित करना आसान बनाता है।
आरेख एक आधुनिक 3-तार सेटअप दिखाता है।लाइव वायर स्विच 1 के कॉम में प्रवेश करता है, दो यात्री तार दोनों स्विच के L1 और L2 के बीच चलते हैं, और स्विच 2 के COM से आउटपुट लाइट में जाता है।तटस्थ तार सीधे प्रकाश बल्ब के दूसरी तरफ चलता है।जब दोनों स्विच संरेखित होते हैं, तो सर्किट पूरा हो जाता है और प्रकाश चालू हो जाता है;या तो स्विच को बदलना, प्रवाह को पुनर्स्थापित करता है या पुनर्स्थापित करता है।

चित्रा 4। आधुनिक 3-तार विधि
विरासत 2-वायर विधि एक पुरानी वायरिंग शैली है जो अभी भी कई पुराने घरों में पाई जाती है।इस सेटअप में, ट्रैवलर टर्मिनल (L1 और L2) दो स्विचों के बीच जुड़े हुए हैं, जैसे आधुनिक विधि में।हालांकि, सामान्य टर्मिनलों को अलग -अलग तरीके से वायर्ड किया जाता है: एक लाइव (चरण) तार से जुड़ता है, और दूसरा लोड (प्रकाश बल्ब) से जुड़ता है।
यह विधि स्विचिंग के संदर्भ में समान कार्य करती है: स्विच की स्थिति के आधार पर प्रकाश चालू या बंद हो जाता है।लेकिन क्योंकि पावर और लोड विभिन्न सर्किटों से आ सकते हैं, यह सेटअप सुरक्षा जोखिमों को पेश कर सकता है।यह लूप धाराएं, वोल्टेज असंतुलन, या विशेष रूप से रखरखाव या उन्नयन के दौरान खतरनाक हो सकता है।दोषों का निदान करना भी कठिन है, क्योंकि वायरिंग एक एकीकृत सर्किट का हिस्सा नहीं है।
आरेख में, लाइव वायर पहले स्विच के सामान्य टर्मिनल से जुड़ता है, जबकि दूसरे स्विच का सामान्य टर्मिनल प्रकाश से जुड़ता है।दो यात्री तार दोनों स्विच के L1 और L2 के बीच चलते हैं।तटस्थ तार सीधे शक्ति स्रोत से दीपक तक जाता है।जबकि यह लेआउट तार को बचा सकता है, यह जटिलता और सुरक्षा चिंताओं को बढ़ाता है।

चित्र 5: विरासत 2-वायर विधि
एक-गैंग टू-वे स्विच SPDT स्विच का एक कॉम्पैक्ट संस्करण है, जिसका उपयोग अक्सर मॉड्यूलर दीवार प्लेटों में किया जाता है।इसमें तीन टर्मिनल हैं: COM (सामान्य), L1 और L2।आंतरिक रूप से, यह COM और L1 या L2 के बीच संबंध को टॉगल करता है।
जब एक और SPDT स्विच के साथ जोड़ा जाता है, तो यह एक मानक दो-तरफ़ा सर्किट के रूप में उसी तरह से काम करता है।इसका उपयोग अक्सर तंग स्थानों में किया जाता है, जैसे कि अपार्टमेंट या रेट्रोफिट इंस्टॉलेशन, जहां बढ़ते कमरे सीमित है।स्विच केवल दो टर्मिनलों (COM और L1) का उपयोग करके एक-तरफ़ा सेटअप में भी कार्य कर सकता है।
स्थापना को सावधानी से किया जाना चाहिए।गलत टर्मिनल का उपयोग स्विच को ठीक से काम करने से रोक सकता है या यहां तक कि शॉर्ट सर्किट भी पैदा कर सकता है।अपने छोटे आकार के बावजूद, यह स्विच मॉड्यूलरिटी और आसान पैनल एकीकरण की अनुमति देते हुए पूर्ण दो-तरफ़ा नियंत्रण प्रदान करता है।

चित्रा 6। एक-गैंग टू-वे स्विच
जब प्रकाश व्यवस्था को दो से अधिक स्थानों से नियंत्रित करने की आवश्यकता होती है, तो मल्टीवे स्विचिंग खेल में आता है।यह प्रणाली दो मुख्य SPDT स्विच के बीच एक या अधिक मध्यवर्ती स्विच जोड़ती है।
इंटरमीडिएट स्विच आमतौर पर DPDT (डबल पोल डबल थ्रो) प्रकार होते हैं।ये स्विच या तो अपनी स्थिति के आधार पर यात्री तार पथ को पार करते हैं या बनाए रखते हैं।पूर्ण प्रणाली एक ऐसा रास्ता बनाती है जो शामिल सभी स्विचों के संरेखण के आधार पर बंद या खुलता है।
यह दृष्टिकोण बड़े स्थानों जैसे गोदामों, लंबे गलियारों, या कई प्रवेश द्वारों वाले कमरों में आम है।हालांकि तार के लिए अधिक जटिल, यह किसी भी बिंदु से लचीला नियंत्रण प्रदान करता है।सटीक वायरिंग आरेख और स्पष्ट लेबलिंग की आवश्यकता होती है, क्योंकि किसी भी स्तर पर एक गलती सिस्टम को पूरी तरह से काम करने से रोक सकती है।

चित्रा 7। बहु -स्विचिंग
|
विशेषता |
एक तरफ़ा स्विच |
दो-तरफ़ा स्विच |
|
नियंत्रण केंद्र |
एक स्थान से एक प्रकाश को नियंत्रित करता है |
दो अलग -अलग स्थानों से एक प्रकाश को नियंत्रित करता है |
|
स्विच प्रकार |
Spst (एकल ध्रुव एकल फेंक) |
SPDT (सिंगल पोल डबल थ्रो) |
|
टर्मिनलों की संख्या |
2 |
3 (कॉम, एल 1, एल 2) |
|
परिपथ विन्यास |
सरल;एक एकल लाइन शक्ति को जोड़ती है या डिस्कनेक्ट करती है
लोड |
यात्री तार एक लूप बनाते हैं;दोनों स्विच प्रभावित करते हैं
सर्किट |
|
वायरिंग जटिलता |
कम;कम तार और प्रत्यक्ष कनेक्शन |
उच्चतर;के बीच अधिक तारों और योजना की आवश्यकता है
स्विच |
|
स्विच स्थिति व्यवहार |
आसानी से पहचाने गए/बंद स्थिति पर तय किया गया |
कोई तय या बंद नहीं;दूसरे की स्थिति पर निर्भर करता है
बदलना |
|
स्थापना लागत |
निचला;कम घटक और कम श्रम
|
उच्चतर;अधिक सामग्री और स्थापना समय |
|
स्थापना काल |
स्थापित करने के लिए जल्दी;न्यूनतम चरणों की आवश्यकता है |
अतिरिक्त वायरिंग के कारण अधिक समय लेने वाली |
|
जगह की जरूरतें |
न्यूनतम;मानक स्विच बॉक्स फिट बैठता है |
स्थानों के बीच यात्री तारों के लिए रूटिंग की आवश्यकता हो सकती है |
|
विद्युत भार नियंत्रण |
एक बिंदु से एक लोड को नियंत्रित करता है |
दो अलग -अलग बिंदुओं से एक लोड को नियंत्रित करता है |
|
उपयोग में आसानी |
बहुत सरल;फ्लिप अप चालू है, फ्लिप डाउन बंद है (या वाइस
वर्सा) |
अभी भी उपयोग करने के लिए आसान है, लेकिन ऑन/ऑफ दोनों के आधार पर भिन्न हो सकते हैं
स्विच स्थिति |
|
असफलता अंक |
से कम;सरल डिजाइन तारों की त्रुटियों को कम करता है |
और अधिक जटिल;यात्री तारों या टर्मिनलों को गलत तरीके से कर सकते हैं
विघटन कार्य |
|
लचीलापन और मापनीयता |
सीमित;के एक से अधिक बिंदुओं तक विस्तारित नहीं किया जा सकता है
नियंत्रण |
लचीला;उपयोग करके 3 या अधिक नियंत्रण बिंदुओं का विस्तार कर सकते हैं
मध्यवर्ती स्विच |
दो-तरफ़ा स्विच दो अलग-अलग स्थानों से लचीले प्रकाश नियंत्रण प्रदान करते हैं, जो उन्हें आवासीय और वाणिज्यिक दोनों सेटिंग्स में आदर्श बनाते हैं।सामान्य उदाहरणों में शामिल हैं:
सीढ़ी दो-तरफ़ा स्विच का उपयोग करने के लिए सबसे अच्छे स्थानों में से एक है।यदि आपके पास घर पर सीढ़ियाँ हैं, तो आप जानते हैं कि यह कष्टप्रद हो सकता है और यहां तक कि अंधेरे में ऊपर या नीचे जाने के लिए खतरनाक हो सकता है।दो-तरफ़ा स्विच के साथ, आप ऊपर जाने से पहले सीढ़ियों के नीचे प्रकाश को चालू कर सकते हैं, और फिर इसे शीर्ष पर बंद कर सकते हैं।या, यदि आप नीचे आ रहे हैं, तो आप प्रकाश को शीर्ष पर चालू कर सकते हैं और इसे नीचे से बंद कर सकते हैं।यह सीढ़ियों पर चलने के लिए बहुत सुरक्षित बनाता है, खासकर रात में जब घर अंधेरा होता है।
होटल के कमरों में, दो-तरफ़ा स्विच मेहमानों के लिए चीजों को बहुत आसान बनाते हैं।एक स्विच आमतौर पर दरवाजे से होता है जब आप अंदर जाते हैं, और दूसरा बिस्तर के पास होता है।इसका मतलब है कि जब आप कमरे में प्रवेश करते हैं तो आप रोशनी को चालू कर सकते हैं, और फिर उन्हें बिस्तर से बाहर निकलने के बिना बंद कर सकते हैं।यह वास्तव में उपयोगी है जब आप थके हुए हैं या सोने के लिए तैयार हैं।यह कमरे को अधिक आरामदायक और विचारशील डिजाइन भी देता है, जिससे मेहमान घर पर अधिक महसूस करते हैं।
ओपन-प्लान घरों में बड़े स्थान होते हैं जहां रसोई, भोजन और रहने वाले क्षेत्र जुड़े होते हैं।इन कमरों में अक्सर एक से अधिक प्रवेश द्वार होते हैं, इसलिए यह विभिन्न स्थानों से रोशनी को नियंत्रित करने में सक्षम होने के लिए सहायक होता है।उदाहरण के लिए, आप दालान से रोशनी चालू कर सकते हैं और फिर उन्हें रसोई के पास बंद कर सकते हैं।दो-तरफ़ा स्विच लाइटिंग का प्रबंधन करना आसान बनाते हैं, चाहे आप जिस भी रास्ते में आएं या बाहर जाएं।यह बहुत अधिक आराम जोड़ता है और यहां तक कि आपको बिजली बचाने में भी मदद कर सकता है, क्योंकि जब आप उनका उपयोग नहीं कर रहे हैं तो आपको रोशनी नहीं छोड़नी है।
गैरेज और कार्यशालाएं व्यस्त स्थान हैं जहां लोग उपकरण संग्रहीत करते हैं, परियोजनाओं पर काम करते हैं, या अपनी कारों को पार्क करते हैं।उनके पास अक्सर एक से अधिक दरवाजे होते हैं, जैसे घर के अंदर से और एक जो यार्ड में खुलता है।दो-तरफ़ा स्विच या तो प्रवेश द्वार से प्रकाश को चालू करना सरल बनाते हैं।यह बहुत उपयोगी है यदि आपके हाथ भरे हुए हैं या यदि अंतरिक्ष अंधेरा है और सुरक्षित रूप से आगे बढ़ने के लिए कठिन है।उन लोगों के लिए जो अक्सर अपने गैरेज या कार्यशाला का उपयोग करते हैं, इस प्रकार का प्रकाश नियंत्रण उनके काम को आसान और अधिक सुरक्षित बना सकता है।
वॉकवे, गार्डन पाथ और ड्राइववे जैसे बाहरी क्षेत्रों को सुरक्षा और सुरक्षा के लिए रात में अच्छी रोशनी की आवश्यकता होती है।दो-तरफ़ा स्विच के साथ, आप इन रोशनी को घर और किसी अन्य स्थान से गेट या गैरेज की तरह नियंत्रित कर सकते हैं।उदाहरण के लिए, आप घर छोड़ने से पहले पाथ लाइट चालू कर सकते हैं और फिर एक बार बाहर एक बार उन्हें बंद कर सकते हैं।या, यदि आप रात में घर आ रहे हैं, तो आप गेट पर लाइट चालू कर सकते हैं और अंदर जाने पर उन्हें बंद कर सकते हैं।यह आपको अंधेरे में चलने से बचने में मदद करता है और यह सुनिश्चित करके अपने घर को सुरक्षित रखता है कि बाहर के क्षेत्रों को अच्छी तरह से जलाया जाता है।
सुरक्षित रूप से दो-तरफ़ा स्विच सिस्टम स्थापित करने के लिए:
1. सभी उपकरण और सामग्री इकट्ठा करें
शुरू करने से पहले, सुनिश्चित करें कि आपके पास वह सब कुछ है जो आपको चाहिए।आपको दो SPDT (सिंगल पोल डबल थ्रो) स्विच, एक लाइट फिक्स्चर, थ्री-कोर केबल की लंबाई (इसमें लाइव, न्यूट्रल और अर्थ वायर, प्लस टू ट्रैवलर वायर), और इंसुलेटेड दस्ताने और सेफ्टी ग्लास जैसे बेसिक सेफ्टी गियर की आवश्यकता होगी।आपकी सभी सामग्रियों को तैयार करने से आपको ध्यान केंद्रित रहने में मदद मिलेगी और अनावश्यक गलतियों या देरी से बचने में मदद मिलेगी।
2. सर्किट ब्रेकर पर मुख्य शक्ति बंद करें
हमेशा मुख्य बिजली स्रोत से बिजली बंद करके शुरू करें।यह सबसे महत्वपूर्ण सुरक्षा कदम है।लाइव तारों के साथ काम करना खतरनाक है और इससे गंभीर चोट लग सकती है।सुनिश्चित करें कि आप जिस सर्किट पर काम कर रहे हैं, वह पूरी तरह से ब्रेकर बॉक्स पर बंद हो गया है, और वोल्टेज परीक्षक का उपयोग करके डबल-चेक करने के लिए कि कोई भी शक्ति नहीं बह रही है।
3. पहले स्विच के सामान्य टर्मिनल से लाइव (हॉट) वायर को कनेक्ट करें
पावर सोर्स से लाइव वायर लें और इसे पहले स्विच पर कॉमन टर्मिनल (COM) से कनेक्ट करें।सामान्य टर्मिनल अन्य दो टर्मिनलों (L1 और L2) से अलग -अलग चिह्नित या रंगीन है।यह वह तार है जो सिस्टम में बिजली को वहन करता है, और इसे एक कामकाजी सर्किट सुनिश्चित करने के लिए सुरक्षित रूप से जुड़ा होना चाहिए।
4. दोनों स्विच के L1 और L2 टर्मिनलों के बीच दो यात्री तारों को चलाएं
अब, दो तारों को अक्सर यात्री तार कहा जाता है और पहले स्विच पर एल 1 टर्मिनल को दूसरे स्विच पर एल 1 टर्मिनल पर कनेक्ट करते हैं, और एल 2 टर्मिनलों के लिए भी ऐसा ही करते हैं।ये तार उस मार्ग का निर्माण करते हैं जो दो स्विच को एक -दूसरे से "बात" करने की अनुमति देता है और दोनों सिरों से प्रकाश को नियंत्रित करता है।सुनिश्चित करें कि ये कनेक्शन दृढ़ हैं और तार के कोई ढीले स्ट्रैंड नहीं हैं।
5. दूसरे स्विच के सामान्य टर्मिनल को प्रकाश स्थिरता के लाइव इनपुट से कनेक्ट करें
अगला, दूसरे स्विच पर आम टर्मिनल को प्रकाश स्थिरता पर लाइव टर्मिनल पर कनेक्ट करें।यह तार प्रकाश को शक्ति प्रदान करता है जब या तो स्विच सर्किट पूरा करता है।इस कनेक्शन के बिना, प्रकाश को कोई बिजली नहीं मिलती है, भले ही यात्री तारों को सही ढंग से स्थापित किया गया हो।
6. प्रकाश स्थिरता के तटस्थ तार को सीधे शक्ति स्रोत के तटस्थ से कनेक्ट करें
बिजली स्रोत से तटस्थ तार पर प्रकाश स्थिरता के तटस्थ टर्मिनल से एक तटस्थ तार चलाएं।यह बिजली को एक वापसी पथ देकर सर्किट को पूरा करता है।एक काम करने वाले प्रकाश सर्किट को हमेशा एक लाइव और एक तटस्थ तार दोनों की आवश्यकता होती है।
7. पृथ्वी (जमीन) तार का उपयोग करके सभी धातु बक्से और स्विच कवर को ग्राउंड करें
सुरक्षा के लिए, पृथ्वी के तार का उपयोग करके सभी धातु स्विच बॉक्स और कवर को जमीन पर रखना महत्वपूर्ण है।भट्टी बिजली को बाहर निकलने के लिए एक सुरक्षित मार्ग देकर एक विद्युत दोष के मामले में ग्राउंडिंग आपकी रक्षा करता है।यह बिजली के झटके और संभावित आग के खतरों को रोकने में भी मदद करता है।बक्से में प्रदान किए गए किसी भी ग्राउंडिंग स्क्रू या टर्मिनलों से सुरक्षित रूप से पृथ्वी के तार को जोड़ना सुनिश्चित करें।
8. बिजली बहाल करने से पहले निरंतरता की जांच करने के लिए एक मल्टीमीटर का उपयोग करें
बिजली को वापस चालू करने से पहले, अपनी वायरिंग की निरंतरता का परीक्षण करने के लिए एक मल्टीमीटर का उपयोग करें।इसका मतलब यह है कि क्या बिजली सर्किट के माध्यम से ठीक से बह सकती है।आप यह सुनिश्चित करना चाहते हैं कि कोई ब्रेक या गलत कनेक्शन नहीं हैं।यह कदम वायरिंग त्रुटियों को पकड़ सकता है जो अन्यथा एक गैर-काम करने वाले प्रकाश या बदतर, एक शॉर्ट सर्किट को जन्म दे सकता है।
9. सही ऑपरेशन की पुष्टि करने के लिए दोनों स्थानों से स्विच का परीक्षण करें
एक बार जब आप आश्वस्त हो जाते हैं कि सब कुछ सही ढंग से वायर्ड हो जाता है, तो ब्रेकर पर पावर को वापस चालू करें।फिर, दोनों स्थानों से प्रकाश को चालू और बंद करके दो स्विचों का परीक्षण करें।प्रकाश को चालू या बंद करना चाहिए चाहे आप जिस भी स्विच का उपयोग करें।यह पुष्टि करता है कि आपका दो-तरफ़ा सिस्टम जैसा काम करना चाहिए।
10. डबल-चेक ट्रैवलर वायर कनेक्शन यदि प्रकाश ठीक से काम नहीं करता है
यदि प्रकाश अपेक्षित रूप से काम नहीं कर रहा है जैसे केवल एक स्विच से चालू करना या बिल्कुल भी नहीं, तो वापस जाना और यात्री तार कनेक्शन को दोबारा जूक करना।ये दो-तरफ़ा स्विच सेटअप में त्रुटि के सबसे आम बिंदु हैं।सुनिश्चित करें कि L1 दोनों स्विचों में L1 और L2 से L2 से कनेक्ट करता है।इसके अलावा, सुनिश्चित करें कि कॉमन्स को सही ढंग से पावर स्रोत और प्रकाश को तार दिया जाता है।स्थापना के दौरान प्रत्येक तार को लेबल करने से गलतियों को रोकने में मदद मिल सकती है और अगर कुछ गलत हो जाता है तो समस्या निवारण करना आसान हो जाता है।
दो-तरफ़ा स्विच एक छोटी सुविधा की तरह लग सकता है, लेकिन वे कई व्यावहारिक लाभ प्रदान करते हैं।
• सुविधाजनक प्रकाश नियंत्रण: दो-तरफ़ा स्विच आपको दो अलग-अलग स्थानों से एक प्रकाश को नियंत्रित करने देता है।यह विशेष रूप से सीढ़ियों, हॉलवे और बड़े कमरों जैसी जगहों पर रोजमर्रा की जिंदगी को आसान बनाता है।जब आप प्रवेश करते हैं और जब आप दूसरे स्थान से निकलते हैं, तो आप पहले स्विच पर वापस जाने के बिना प्रकाश को चालू कर सकते हैं।
• ऊर्जा की बचत: रोशनी को एक से अधिक स्थानों से बंद करने की अनुमति देकर, दो-तरफ़ा स्विच व्यर्थ बिजली को कम करने में मदद करते हैं।आपको केवल एक प्रकाश छोड़ने की संभावना कम है क्योंकि स्विच बहुत दूर है, जो कई मंजिलों या लंबे गलियारों वाले घरों में उपयोगी है।
• बड़े स्थानों के लिए आदर्श: ये स्विच बड़े घरों, कार्यालयों और सार्वजनिक भवनों के लिए एकदम सही हैं।एक से अधिक प्रवेश या निकास के साथ रिक्त स्थान में, विभिन्न बिंदुओं से रोशनी को नियंत्रित करने में सक्षम होने से सुविधा बढ़ जाती है और अंतरिक्ष का उपयोग करने वाले सभी के लिए सुरक्षा में सुधार होता है।
• सरल और विश्वसनीय प्रौद्योगिकी: दो-तरफ़ा स्विच यांत्रिक हैं, डिजिटल नहीं।इसका मतलब है कि वे काम करने के लिए सॉफ़्टवेयर, ऐप्स या इंटरनेट कनेक्शन पर निर्भर नहीं हैं।वे बहुत विश्वसनीय और शायद ही कभी विफल होते हैं, जो उन्हें एक लंबे समय तक चलने वाला समाधान बनाता है जिसमें थोड़ा रखरखाव की आवश्यकता होती है।
• स्मार्ट सिस्टम के साथ काम करता है: भले ही वे सरल उपकरण हैं, लेकिन दो-तरफ़ा स्विच अभी भी आधुनिक स्मार्ट होम सिस्टम के साथ उपयोग किए जा सकते हैं।यदि आप भविष्य में अपने घर को अपग्रेड करते हैं, तो वे मोशन सेंसर, टाइमर, या ऑटोमेशन मॉड्यूल के साथ काम कर सकते हैं।
• कम लागत, उच्च मूल्य: दो-तरफ़ा स्विच सस्ती और स्थापित करने में आसान हैं, फिर भी वे आपके प्रकाश सेटअप में बहुत अधिक मूल्य जोड़ते हैं।इस तरह के एक छोटे से निवेश के लिए, वे बेहतर प्रकाश नियंत्रण प्रदान करते हैं, सुरक्षा में सुधार करते हैं, और समय के साथ ऊर्जा-बचत की आदतों का समर्थन करते हैं।
जबकि दो-तरफ़ा स्विच कई लाभ प्रदान करते हैं, विचार करने के लिए कुछ डाउनसाइड और चुनौतियां हैं।
• अधिक वायरिंग की आवश्यकता है: दो-तरफ़ा स्विच सेटअप को एकल स्विच की तुलना में अतिरिक्त तारों की आवश्यकता होती है।यह पुराने घरों में एक समस्या हो सकती है जहां विद्युत बक्से और संघनितों को अतिरिक्त वायरिंग रखने के लिए डिज़ाइन नहीं किया गया था।कुछ मामलों में, नए केबल स्थापित करने के लिए दीवारों को खोलने की आवश्यकता हो सकती है, जिससे लागत और श्रम बढ़ सकता है।
• हमेशा स्मार्ट स्विच के साथ संगत नहीं: कई स्मार्ट स्विच को ठीक से काम करने के लिए एक तटस्थ तार की आवश्यकता होती है।पुराने दो-तरफ़ा स्विच सेटअप में अक्सर यह तार नहीं होता है, जिससे स्मार्ट डिवाइस को बिना किसी रिवरिंग के स्थापित करना कठिन हो जाता है।यह आपके अपग्रेड विकल्पों को तब तक सीमित कर सकता है जब तक आप अधिक जटिल विद्युत कार्य के लिए तैयार नहीं होते हैं।
• पुराने या कस्टम इंस्टॉलेशन में मुश्किल हो सकता है: कस्टम वायरिंग के साथ पुरानी इमारतों या प्रणालियों में, मौजूदा लेआउट आधुनिक मानकों का पालन नहीं कर सकता है।यह दो-तरफ़ा स्विच को अधिक जटिल स्थापित या अपग्रेड कर सकता है।
• क्षेत्रीय संहिता अंतर: विद्युत कोड और निरीक्षण नियम देश या शहर द्वारा भी भिन्न हो सकते हैं।एक क्षेत्र में एक सेटअप जो कानूनी है वह दूसरे में निरीक्षण नहीं कर सकता है।यह जटिलता जोड़ता है, विशेष रूप से वाणिज्यिक परियोजनाओं में या घर बेचते समय, जहां सब कुछ आधिकारिक मानकों को पूरा करना चाहिए।
• समस्या निवारण में अधिक समय लगता है: जब दो-तरफ़ा प्रणाली में कुछ गलत हो जाता है, तो समस्या का पता लगाना कठिन हो सकता है।ऐसा इसलिए है क्योंकि दोनों स्विच प्रभावित करते हैं कि प्रकाश कैसे व्यवहार करता है।किसी समस्या का निदान करने के लिए अक्सर दोनों स्विच, यात्री तारों की जाँच करने और कनेक्शन का परीक्षण करने के लिए मल्टीमीटर जैसे उपकरणों का उपयोग करने की आवश्यकता होती है।
• सावधानीपूर्वक योजना और लेबलिंग की जरूरत है : क्योंकि वायरिंग अधिक शामिल है, स्थापना के दौरान गलतियाँ करना आसान है यदि तारों को स्पष्ट रूप से लेबल नहीं किया गया है या चरणों का सही पालन नहीं किया गया है।गरीब योजना से भ्रम या सुरक्षा के खतरों का कारण बन सकता है, इसलिए सिस्टम को मैप करने के लिए समय निकालना बहुत महत्वपूर्ण है।
दो-तरफ़ा स्विच एक से अधिक स्थान से रोशनी को नियंत्रित करने के लिए इसे आसान और सुरक्षित बनाते हैं।वे सीढ़ियों, लंबे हॉलवे, या एक से अधिक प्रवेश द्वार वाले कमरे जैसी जगहों के लिए महान हैं।जब आप वापस चलते हैं और पीछे हटने के बिना प्रकाश को चालू कर सकते हैं।वे सरल, सस्ते हैं, और उन्हें ऐप या वाई-फाई की आवश्यकता नहीं है।जबकि उन्हें थोड़ा अधिक वायरिंग और सावधान सेटअप की आवश्यकता होती है, वे नियमित घरों और स्मार्ट घरों दोनों के लिए अच्छी तरह से काम करते हैं।बस तारों को स्पष्ट रूप से योजना बनाएं, सुरक्षा चरणों का पालन करें, और बिजली वापस चालू करने से पहले एक परीक्षक के साथ सब कुछ देखें।
कृपया एक जांच भेजें, हम तुरंत जवाब देंगे।
एक एकल स्विच केवल एक स्थान से एक प्रकाश या उपकरण को नियंत्रित करता है।आप उस एक स्विच का उपयोग करके इसे चालू या बंद कर सकते हैं, जो बाथरूम या अलमारी जैसे छोटे कमरों के लिए ठीक है।एक दो-तरफ़ा स्विच, हालांकि, आपको दो अलग-अलग स्थानों से एक ही प्रकाश को नियंत्रित करने देता है।यह कई दरवाजों के साथ सीढ़ियों, हॉलवे या बड़े कमरों में उपयोगी है।यह एक साथ जुड़े दो स्विचों का उपयोग करता है, इसलिए या तो फ़्लिपिंग या तो प्रकाश को चालू या बंद कर सकता है।मुख्य अंतर यह है कि एक एकल स्विच एक स्थान से नियंत्रण देता है, जबकि दो-तरफ़ा स्विच दोनों सिरों से नियंत्रण देता है।
यह जांचने के लिए कि क्या कोई स्विच दो-तरफ़ा (उत्तरी अमेरिका में 3-तरफ़ा) है, टर्मिनल शिकंजा के लिए पीछे देखें।एक दो-तरफ़ा स्विच में तीन टर्मिनल हैं: एक आम और दो यात्री।यदि आप तीन स्क्रू (जमीन को छोड़कर) देखते हैं, तो यह दो-तरफ़ा या 3-तरफ़ा स्विच होने की संभावना है।यदि चार टर्मिनल हैं, तो यह एक इंटरमीडिएट या 4-वे स्विच है, जिसका उपयोग सिस्टम में दो से अधिक नियंत्रण बिंदुओं के साथ किया जाता है।आप वायरिंग का भी पता लगा सकते हैं: दो-तरफ़ा स्विच दो यात्री तारों के साथ एक-दूसरे से जुड़ते हैं और प्रत्येक स्विच पर एक आम है।यदि यह मल्टी-स्विच सेटअप का हिस्सा है और इसमें चार टर्मिनल हैं, तो यह दो-तरफ़ा नहीं है।
यदि दो-तरफ़ा स्विच को गलत तरीके से वायर्ड किया जाता है, तो प्रकाश अपेक्षित रूप से काम नहीं कर सकता है।यह हर समय रह सकता है, न कि बिल्कुल भी चालू हो सकता है, या केवल स्विच में से एक पर प्रतिक्रिया दे सकता है।सबसे आम गलती यात्री तारों को मिलाना या बिजली या हल्के तार को गलत टर्मिनल से जोड़ रहा है।यह स्विचिंग लॉजिक को बाधित करता है और सर्किट प्रवाह को तोड़ता है।कुछ मामलों में, यह एक शॉर्ट सर्किट भी बना सकता है या पावर लूप बनाए जाने पर टिमटिमाती का कारण बन सकता है।इससे बचने के लिए, हमेशा सही टर्मिनल चिह्नों (COM, L1, L2) का पालन करें और पावर करने से पहले निरंतरता की पुष्टि करें।
12V दो-तरफ़ा स्विच को तार करने के लिए, 12V बिजली की आपूर्ति से सकारात्मक तार को पहले SPDT स्विच के सामान्य टर्मिनल से जोड़कर शुरू करें।फिर, पहले स्विच के L1 और L2 से दो तारों को चलाएं और दूसरे स्विच के L1 और L2 पर।अगला, दूसरे स्विच के सामान्य टर्मिनल को एलईडी की तरह 12V डिवाइस के सकारात्मक पक्ष से कनेक्ट करें।अंत में, डिवाइस के नकारात्मक टर्मिनल को बिजली की आपूर्ति के नकारात्मक पक्ष से कनेक्ट करें।यह सेटअप आपको एसी वायरिंग की तरह ही स्विच को चालू या बंद करने की सुविधा देता है, लेकिन कम-वोल्टेज डीसी पावर का उपयोग करके।
दो-तरफ़ा स्विच पर आम तार टर्मिनल है जो या तो बिजली प्राप्त करता है या सेटअप में स्विच की स्थिति के आधार पर, इसे प्रकाश में भेजता है।पहले स्विच पर, कॉमन पावर सोर्स से लाइव वायर से जुड़ा हुआ है।दूसरे स्विच पर, आम प्रकाश के लाइव इनपुट से जुड़ता है।यात्री तार (L1 और L2) बस दो स्विच को जोड़ते हैं।यदि आम गलत है, तो सिस्टम ठीक से काम नहीं करता है या तो प्रकाश चालू नहीं होगा या केवल एक स्विच काम करेगा।एक कार्यात्मक दो-तरफ़ा प्रणाली के लिए सामान्य टर्मिनलों को सही ढंग से वायर करना महत्वपूर्ण है।
2025/06/3 पर
2025/06/2 पर
8000/04/18 पर 147758
2000/04/18 पर 111941
1600/04/18 पर 111349
0400/04/18 पर 83721
1970/01/1 पर 79508
1970/01/1 पर 66914
1970/01/1 पर 63065
1970/01/1 पर 63012
1970/01/1 पर 54081
1970/01/1 पर 52135