
HT12E RF एनकोडर IC RF और IR वायरलेस संचार प्रणालियों के दायरे में एक महान घटक है।इसका प्राथमिक कार्य सुरक्षित और विश्वसनीय डेटा ट्रांसमिशन को सक्षम करते हुए, 12-बिट संरचना में संकेतों को एनकोड करना है।यह एन्कोडिंग प्रक्रिया यह सुनिश्चित करती है कि प्रेषित डेटा एक प्रारूप में आयोजित किया जाता है जो प्राप्त इकाइयों द्वारा पहचानने योग्य और प्रक्रिया योग्य दोनों है।HT12E अपने समकक्ष, HT12D डिकोडर IC के साथ मूल रूप से काम करता है, जो उपकरणों को प्रसारित करने और प्राप्त करने के बीच एक प्रभावी संचार लिंक बनाता है।HT12E के प्रमुख लाभों में से एक समानांतर डेटा इनपुट को सीरियल आउटपुट में बदलने की क्षमता है, एक ऐसी सुविधा जो डेटा अखंडता और सुरक्षा को बढ़ाती है।यह रिमोट कंट्रोल और अलार्म सिस्टम जैसे अनुप्रयोगों में मूल्यवान बनाता है, जहां उचित कार्यक्षमता के लिए लगातार और भरोसेमंद सिग्नल ट्रांसमिशन की आवश्यकता होती है।

|
पिन नंबर |
पिन नाम |
विवरण |
|
1 से 8 |
A0, A1, A2, A3, A4, A5, A6, A7 |
ये डेटा की सुरक्षा के लिए उपयोग किए जाने वाले 8-बिट एड्रेस बिट्स हैं।
इन बिट्स को एनकोडर और डिकोडर आईसीएस पर एक ही पैटर्न में सेट किया जाना चाहिए
उन्हें जोड़ी। |
|
9 |
ग्राउंड/वीएसएस |
सर्किट की जमीन से जुड़ा हुआ है। |
|
10 से 13 |
AD0, AD1, AD2, AD3 |
इन चार पिनों का उपयोग डेटा भेजने के लिए किया जाता है।डेटा एन्कोडेड
यहां HT12D IC पर एक ही एड्रेस बिट्स को साझा करते हुए डिकोड किया जाएगा। |
|
14 |
संचरण सक्षम (ते) |
इस पिन को सक्षम करने के लिए ग्राउंड (0v) से जुड़ा होना चाहिए
ट्रांसमिशन। |
|
15 और 16 |
थरथरानवाला पिन 1 और 2 |
आईसी में एक अंतर्निहित थरथरानवाला है।इन दो पिनों को कनेक्ट करें
इसका उपयोग करने के लिए 1M अवरोधक के माध्यम से। |
|
17 |
उत्पादन |
एन्कोडेड 12-बिट आउटपुट डेटा इससे प्राप्त किया जा सकता है
नत्थी करना। |
|
18 |
वीसीसी/वीडीडी |
यह पिन IC को शक्तियां देता है, आमतौर पर +5V का उपयोग किया जाता है।रेंज कर सकते हैं
2.4V से 12V तक। |
|
विशेषता |
विवरण |
|
12-बिट एनकोडर आईसी |
एन्कोडिंग डेटा के लिए HT12D के साथ उपयोग करने के लिए डिज़ाइन किया गया है। |
|
एन्कोडेड आंकड़ा |
कुल 4 डेटा बिट्स और 8 एड्रेस बिट्स शामिल हैं, कुल मिलाकर
12 बिट्स (8+4 = 12 बिट्स)। |
|
वायरलेस संचरण |
आमतौर पर आरएफ और आईआर वायरलेस ट्रांसमिशन के लिए उपयोग किया जाता है
आवेदन। |
|
आपूर्ति वोल्टेज सीमा |
2.4V से एक विस्तृत आपूर्ति वोल्टेज रेंज के साथ संचालित होता है
12V, आमतौर पर 5V का उपयोग किया जाता है। |
|
कम स्टैंडबाय करंट |
VCC = 5V पर केवल 0.1µA का एक स्टैंडबाय करंट का उपभोग करता है,
ऊर्जा दक्षता सुनिश्चित करना। |
|
पैकेज विकल्प |
16-पिन डिप और 20-पिन एसओपी पैकेज में उपलब्ध है
सर्किट में लचीला एकीकरण। |
• PT2262
• 74C922
HT12E IC को व्यापक रूप से सुरक्षित और विश्वसनीय डेटा ट्रांसमिशन सिस्टम में उपयोग किया जाता है, विशेष रूप से RF और IR वायरलेस संचार और रिमोट कंट्रोल अनुप्रयोगों में।यह HT12D डिकोडर के साथ जोड़े को एक सुरक्षित ढांचा बनाने के लिए, अनधिकृत पहुंच को रोकने के लिए एक पते-आधारित कॉन्फ़िगरेशन का उपयोग करके।सामान्य उपयोगों में गेराज दरवाजे, होम ऑटोमेशन और लाइटिंग सिस्टम शामिल हैं, जहां इसकी सरल एन्कोडिंग विधि उपयोग में आसानी और विश्वसनीयता सुनिश्चित करती है।केवल 4-बिट डेटा ट्रांसमिशन का समर्थन करने के बावजूद, यह शॉर्ट-रेंज कंट्रोल सिस्टम के लिए आदर्श है जो सुरक्षा और प्रदर्शन को प्राथमिकता देता है।कई अक्सर विशिष्ट परियोजना की जरूरतों को पूरा करने के लिए अपनी एड्रेस सेटिंग्स को अनुकूलित करते हैं, जिससे HT12E को मध्यम जटिलता और मजबूत डेटा अखंडता की आवश्यकता वाले अनुप्रयोगों के लिए एक बहुमुखी विकल्प बन जाता है।
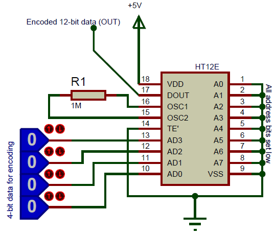
HT12E एनकोडर IC रिमोट कंट्रोल सिस्टम में डेटा ट्रांसमिशन के लिए एक महत्वपूर्ण घटक है।इसे संचालित करने के लिए, IC को एक स्थिर 5V पावर स्रोत से कनेक्ट करें और ट्रांसमिशन को अपने डेटा ट्रांसमिशन मोड को सक्रिय करने के लिए पिन को सक्षम करें।आंतरिक थरथरानवाला को सटीक समय और स्थिर प्रदर्शन सुनिश्चित करने के लिए OSC1 और OSC2 पिन से जुड़े 1M अवरोधक की आवश्यकता होती है।डेटा इनपुट के लिए, PINS AD0-AD3 पर 4-बिट कॉन्फ़िगरेशन का उपयोग करें, और संचार त्रुटियों से बचने के लिए डिकोडर के पते से मिलान करने के लिए एड्रेस पिन (A0-A7) को संरेखित करें।एन्कोडेड डेटा तब डेटा पिन के माध्यम से आउटपुट होता है और इसे आरएफ या आईआर जैसी वायर कनेक्शन या वायरलेस तकनीकों के माध्यम से HT12D डिकोडर में प्रेषित किया जा सकता है।जबकि वायर्ड कनेक्शन छोटी दूरी के लिए विश्वसनीय हैं, वायरलेस तरीके अधिक लचीलापन और अनुकूलनशीलता प्रदान करते हैं, जिससे वे विभिन्न प्रकार के अनुप्रयोगों के लिए आदर्श बन जाते हैं।

HT12E IC के लिए कनेक्शन आरेख
HT12E एनकोडर का उपयोग दक्षता में सुधार करने के लिए गेराज दरवाजा सलामी बल्लेबाजों जैसे रिमोट कंट्रोल सिस्टम में व्यापक रूप से उपयोग किया जाता है।यह समानांतर डेटा को आरएफ मॉड्यूल ट्रांसमिशन के लिए उपयुक्त प्रारूप में परिवर्तित करता है, जो रिमोट और रिसीवर के बीच सटीक और विश्वसनीय संचार सुनिश्चित करता है।एनालॉग सिस्टम की तुलना में, HT12E तेजी से और अधिक भरोसेमंद प्रदर्शन प्रदान करता है।
होम ऑटोमेशन में, HT12E कुशल सिस्टम एकीकरण के लिए सीरियल डेटा को परिवर्तित करने में एक भूमिका निभाता है।यह विभिन्न गतिविधियों के केंद्रीकृत नियंत्रण को सक्षम बनाता है, जैसे कि रोशनी को चालू या बंद करना और उपकरणों को दूरस्थ रूप से प्रबंधित करना।यह एनकोडर न केवल सुविधा को बढ़ाता है, बल्कि घर प्रणालियों के सटीक नियंत्रण की अनुमति देकर ऊर्जा दक्षता को भी बढ़ावा देता है, आराम और स्थिरता के लिए आपकी आवश्यकताओं को पूरा करता है।
HT12E सुरक्षित और सटीक डेटा ट्रांसफर सुनिश्चित करके, बर्गलर और फायर अलार्म जैसे सुरक्षा प्रणालियों में सुधार करता है।इसकी विश्वसनीय एन्कोडिंग यह सुनिश्चित करती है कि आपातकालीन संकेत, जैसे घुसपैठ अलर्ट या आग चेतावनी, जल्दी और सही ढंग से निगरानी स्टेशनों या आपातकालीन उत्तरदाताओं के लिए प्रेषित किए जाते हैं।यह महत्वपूर्ण स्थितियों में ऐसी प्रणालियों की समग्र सुरक्षा और जवाबदेही को बढ़ाता है।
क्षेत्र के मूल्यांकन से पता चलता है कि HT12E लगातार विश्वसनीय प्रदर्शन प्रदान करता है, यहां तक कि विद्युत चुम्बकीय हस्तक्षेप के साथ चुनौतीपूर्ण वातावरण में भी।विभिन्न अनुप्रयोगों में इसकी लचीलापन और बहुमुखी प्रतिभा इसे वायरलेस संचार में एक स्टैंडआउट समाधान बनाती है, जो अभिनव उपयोगों का पता लगाने और इसकी क्षमता को अधिकतम करने के लिए प्रेरित करती है।

कृपया एक जांच भेजें, हम तुरंत जवाब देंगे।
2024/12/20 पर
2024/12/20 पर
8000/04/18 पर 147757
2000/04/18 पर 111935
1600/04/18 पर 111349
0400/04/18 पर 83719
1970/01/1 पर 79508
1970/01/1 पर 66903
1970/01/1 पर 63027
1970/01/1 पर 63010
1970/01/1 पर 54081
1970/01/1 पर 52121