
चित्र 1. पृथक बनाम गैर-पृथक पावर कनवर्टर अवलोकन
एक पृथक पावर कनवर्टर एक प्रकार का पावर रूपांतरण सर्किट है जो सीधे विद्युत कनेक्शन के बिना इनपुट और आउटपुट के बीच ऊर्जा स्थानांतरित करता है।इसका प्राथमिक उद्देश्य इनपुट और आउटपुट ग्राउंड को अलग करके विद्युत सुरक्षा और शोर अलगाव प्रदान करना है।यह पृथक्करण गैल्वेनिक अलगाव के माध्यम से प्राप्त किया जाता है, जो दोनों पक्षों के बीच सीधे प्रवाह को रोकता है।एक प्रवाहकीय पथ के बजाय, ऊर्जा को एक मध्यवर्ती माध्यम के माध्यम से स्थानांतरित किया जाता है, आमतौर पर चुंबकीय या ऑप्टिकल युग्मन का उपयोग करके।यह डिज़ाइन संवेदनशील घटकों को वोल्टेज स्पाइक्स या इनपुट पक्ष पर दोषों से बचाने में मदद करता है।पृथक पावर कन्वर्टर्स को नियंत्रित बिजली प्रदान करते हुए इनपुट और आउटपुट के बीच विद्युत स्वतंत्रता बनाए रखने की उनकी क्षमता से परिभाषित किया जाता है।
एक गैर-पृथक पावर कनवर्टर एक पावर रूपांतरण सर्किट है जहां इनपुट और आउटपुट एक सीधा विद्युत कनेक्शन साझा करते हैं।इसका मुख्य उद्देश्य उन प्रणालियों के भीतर वोल्टेज स्तर को कुशलतापूर्वक विनियमित करना है जिन्हें विद्युत पृथक्करण की आवश्यकता नहीं होती है।इस डिज़ाइन में, दोनों पक्ष आम तौर पर एक समान आधार साझा करते हैं, जिससे इनपुट और आउटपुट के बीच सीधे प्रवाह की अनुमति मिलती है।यह साझा संदर्भ सर्किट संरचना को सरल बनाता है और घटकों की संख्या को कम करता है।क्योंकि कोई गैल्वेनिक अलगाव नहीं है, इनपुट और आउटपुट हर समय विद्युत रूप से जुड़े हुए हैं।इसलिए गैर-पृथक पावर कन्वर्टर्स को उनके निरंतर प्रवाहकीय पथ और स्रोत और लोड के बीच सामान्य ग्राउंडिंग द्वारा परिभाषित किया जाता है।

चित्र 2. ट्रांसफार्मर अलगाव आरेख
पृथक कन्वर्टर्स प्रत्यक्ष विद्युत संचालन के बजाय चुंबकीय युग्मन के माध्यम से ऊर्जा स्थानांतरित करके काम करते हैं।एक स्विचिंग डिवाइस तेजी से इनपुट वोल्टेज को चालू और बंद करता है, जिससे ट्रांसफार्मर की प्राथमिक वाइंडिंग में समय-परिवर्तनशील धारा उत्पन्न होती है।यह बदलती धारा ट्रांसफार्मर कोर के भीतर एक चुंबकीय क्षेत्र उत्पन्न करती है, जो द्वितीयक वाइंडिंग से जुड़ती है।चुंबकीय क्षेत्र द्वितीयक पक्ष में वोल्टेज उत्पन्न करता है, जिससे अलगाव बाधा में ऊर्जा हस्तांतरण की अनुमति मिलती है।क्योंकि वाइंडिंग्स के बीच कोई प्रवाहकीय पथ नहीं है, पूरी प्रक्रिया के दौरान विद्युत पृथक्करण बनाए रखा जाता है।आउटपुट पक्ष फिर बुनियादी सुधार और फ़िल्टरिंग चरणों का उपयोग करके प्रेरित सिग्नल को प्रयोग करने योग्य डीसी वोल्टेज में परिवर्तित करता है।यह विधि इनपुट और आउटपुट के बीच गैल्वेनिक अलगाव को संरक्षित करते हुए नियंत्रित ऊर्जा हस्तांतरण सुनिश्चित करती है।

चित्र 3. गैर-पृथक स्विचिंग सर्किट
गैर-पृथक कन्वर्टर्स निरंतर विद्युत पथ के भीतर स्विचिंग क्रिया के माध्यम से वोल्टेज को नियंत्रित करते हैं।इनपुट से आउटपुट तक ऊर्जा कैसे प्रवाहित होती है, इसे नियंत्रित करने के लिए एक सेमीकंडक्टर स्विच तेजी से चालू और बंद होता है।स्विचिंग के दौरान, एक प्रारंभकर्ता अस्थायी रूप से अपने चुंबकीय क्षेत्र में ऊर्जा संग्रहीत करता है और फिर इसे लोड पर छोड़ देता है।कैपेसिटर का उपयोग आउटपुट को सुचारू करने और स्थिर वोल्टेज स्तर बनाए रखने के लिए किया जाता है।क्योंकि इनपुट और आउटपुट एक समान आधार साझा करते हैं, ऊर्जा हस्तांतरण सीधे सर्किट घटकों के माध्यम से होता है।स्विचिंग प्रक्रिया सिस्टम आवश्यकताओं के अनुसार आउटपुट वोल्टेज को विनियमित करने के लिए कर्तव्य चक्र को समायोजित करती है।यह दृष्टिकोण अलगाव घटकों की आवश्यकता के बिना कुशल वोल्टेज रूपांतरण को सक्षम बनाता है।
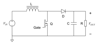
1. फ्लाईबैक कन्वर्टर

चित्र 4. फ्लाईबैक कनवर्टर सर्किट आरेख
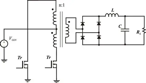
फ्लाईबैक कनवर्टर एक सरल पृथक पावर कनवर्टर है जो ट्रांसफार्मर में ऊर्जा संग्रहीत करता है और इसे आउटपुट तक पहुंचाता है।यह प्राथमिक और द्वितीयक वाइंडिंग के साथ एक ट्रांसफार्मर का उपयोग करता है, जहां प्राथमिक पक्ष को एक स्विचिंग डिवाइस द्वारा नियंत्रित किया जाता है।जब स्विच संचालित होता है, तो ऊर्जा पहले ट्रांसफार्मर में संग्रहीत होती है और फिर द्वितीयक पक्ष में स्थानांतरित हो जाती है।सेकेंडरी सर्किट में आउटपुट वोल्टेज को परिवर्तित और सुचारू करने के लिए एक डायोड और कैपेसिटर शामिल होता है।यह संरचना एक कॉम्पैक्ट डिज़ाइन के भीतर वोल्टेज रूपांतरण और अलगाव दोनों की अनुमति देती है।दिखाया गया सर्किट ट्रांसफार्मर युग्मन, स्विचिंग नियंत्रण और आउटपुट सुधार की बुनियादी व्यवस्था पर प्रकाश डालता है।फ्लाईबैक कन्वर्टर्स को निम्न-से-मध्यम बिजली अनुप्रयोगों में उनकी सादगी और उपयुक्तता के लिए व्यापक रूप से मान्यता प्राप्त है।
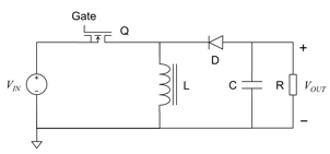
2. फॉरवर्ड कन्वर्टर

चित्र 5. फॉरवर्ड कनवर्टर सर्किट आरेख
फॉरवर्ड कनवर्टर एक पृथक पावर कनवर्टर है जो स्विचिंग अवधि के दौरान ऊर्जा को सीधे इनपुट से आउटपुट में स्थानांतरित करता है।यह एक ट्रांसफार्मर का उपयोग करता है जहां स्विच सक्रिय होने पर ऊर्जा द्वितीयक पक्ष में प्रवाहित होती है।सर्किट में प्राथमिक तरफ एक नियंत्रित स्विच और द्वितीयक तरफ फ़िल्टरिंग घटकों के साथ एक रेक्टिफायर शामिल है।ऊर्जा भंडारण-आधारित डिज़ाइनों के विपरीत, ट्रांसफार्मर चालन अंतराल के दौरान लगातार बिजली वितरित करता है।आरेख ट्रांसफार्मर के माध्यम से आउटपुट चरण तक ऊर्जा हस्तांतरण का एक स्पष्ट मार्ग दिखाता है।यह संरचना विद्युत अलगाव को बनाए रखते हुए स्थिर वोल्टेज रूपांतरण का समर्थन करती है।फॉरवर्ड कन्वर्टर्स का उपयोग आमतौर पर वहां किया जाता है जहां बेहतर दक्षता और नियंत्रित बिजली वितरण की आवश्यकता होती है।
3. पुश-पुल कन्वर्टर

चित्र 6. पुश-पुल कनवर्टर सर्किट आरेख
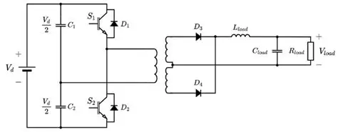
पुश-पुल कनवर्टर एक पृथक पावर कनवर्टर है जो एक ट्रांसफार्मर को वैकल्पिक रूप से चलाने के लिए दो स्विचिंग उपकरणों का उपयोग करता है।इसमें एक केंद्र-टैप ट्रांसफार्मर प्राथमिक वाइंडिंग की सुविधा है, जो प्रत्येक स्विचिंग चक्र के दौरान विपरीत दिशाओं में धारा प्रवाहित करने की अनुमति देती है।प्रत्येक स्विच बारी-बारी से काम करता है, एक समय में ट्रांसफार्मर के आधे हिस्से को सक्रिय करता है।यह वैकल्पिक क्रिया ट्रांसफार्मर के उपयोग में सुधार करती है और कुशल ऊर्जा हस्तांतरण का समर्थन करती है।द्वितीयक पक्ष में स्थिर आउटपुट वोल्टेज उत्पन्न करने के लिए सुधार और फ़िल्टरिंग शामिल है।आरेख स्विच और ट्रांसफार्मर वाइंडिंग की सममित व्यवस्था को दर्शाता है।पुश-पुल कन्वर्टर्स का उपयोग आमतौर पर मध्यम-शक्ति अनुप्रयोगों में किया जाता है जिन्हें संतुलित संचालन की आवश्यकता होती है।
4. हाफ-ब्रिज कनवर्टर

चित्र 7. हाफ-ब्रिज कनवर्टर सर्किट आरेख
हाफ-ब्रिज कनवर्टर एक पृथक पावर कनवर्टर है जो विभाजित इनपुट वोल्टेज से ट्रांसफार्मर को चलाने के लिए दो स्विच का उपयोग करता है।सर्किट कैपेसिटर का उपयोग करके इनपुट आपूर्ति को दो हिस्सों में विभाजित करता है, एक मध्यबिंदु संदर्भ प्रदान करता है।ट्रांसफार्मर की प्राथमिक वाइंडिंग पर वोल्टेज लागू करने के लिए स्विच बारी-बारी से काम करते हैं।यह कॉन्फ़िगरेशन प्रत्येक स्विच पर वोल्टेज तनाव को कम करते हुए नियंत्रित ऊर्जा हस्तांतरण को सक्षम बनाता है।फिर ट्रांसफार्मर ऊर्जा को द्वितीयक पक्ष में पहुंचाता है, जहां इसे ठीक किया जाता है और फ़िल्टर किया जाता है।आरेख दो स्विच और ट्रांसफार्मर इंटरफ़ेस की संतुलित व्यवस्था दिखाता है।हाफ-ब्रिज कन्वर्टर्स का उपयोग आमतौर पर कुशल स्विचिंग नियंत्रण के साथ मध्यम से उच्च पावर सिस्टम में किया जाता है।
5. फुल-ब्रिज कन्वर्टर

चित्र 8. पूर्ण-ब्रिज कनवर्टर सर्किट आरेख
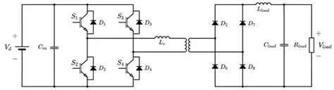
फुल-ब्रिज कनवर्टर एक पृथक पावर कनवर्टर है जो ट्रांसफार्मर को चलाने के लिए चार स्विचिंग डिवाइस का उपयोग करता है।स्विचों को एच-ब्रिज कॉन्फ़िगरेशन में व्यवस्थित किया गया है, जिससे इनपुट वोल्टेज का पूरा उपयोग हो सके।स्विचिंग जोड़े को वैकल्पिक करके, सर्किट ट्रांसफार्मर प्राथमिक पर एक द्विदिश वोल्टेज लागू करता है।यह कुशल ऊर्जा हस्तांतरण को सक्षम बनाता है और उच्च-शक्ति संचालन का समर्थन करता है।द्वितीयक पक्ष में स्थिर डीसी आउटपुट उत्पन्न करने के लिए सुधार और फ़िल्टरिंग शामिल है।आरेख ट्रांसफार्मर और आउटपुट चरण से जुड़ी चार-स्विच व्यवस्था को दर्शाता है।फुल-ब्रिज कन्वर्टर्स का व्यापक रूप से उच्च-शक्ति अनुप्रयोगों में उपयोग किया जाता है, जिनके लिए मजबूत और कुशल ऊर्जा रूपांतरण की आवश्यकता होती है।
1. बक कन्वर्टर (स्टेप-डाउन)

चित्र 9. बक कनवर्टर सर्किट आरेख
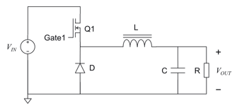
हिरन कनवर्टर एक गैर-पृथक डीसी-डीसी कनवर्टर है जो उच्च इनपुट वोल्टेज को कम आउटपुट वोल्टेज में कम करता है।यह नियंत्रित करने के लिए एक स्विचिंग डिवाइस का उपयोग करता है कि स्रोत से लोड तक कितनी ऊर्जा वितरित की जाती है, जबकि एक प्रारंभ करनेवाला वर्तमान प्रवाह को सुचारू करने में मदद करता है।स्विच बंद होने पर एक डायोड एक वर्तमान पथ प्रदान करता है, और एक संधारित्र एक स्थिर आउटपुट वोल्टेज बनाए रखने में मदद करता है।यह बुनियादी संरचना हिरन कनवर्टर को इलेक्ट्रॉनिक सिस्टम में सबसे आम स्टेप-डाउन पावर कनवर्टर प्रकारों में से एक बनाती है।सर्किट व्यवस्था में आम तौर पर एक स्विच, डायोड, प्रारंभ करनेवाला और एक कॉम्पैक्ट गैर-पृथक लेआउट में जुड़े कैपेसिटर शामिल होते हैं।इस सरल टोपोलॉजी के कारण, जहां भी कुशल वोल्टेज कटौती की आवश्यकता होती है, हिरन कन्वर्टर्स का व्यापक रूप से उपयोग किया जाता है।पावर इलेक्ट्रॉनिक्स में, हिरन कनवर्टर को उच्च डीसी आपूर्ति से विनियमित कम-वोल्टेज आउटपुट के लिए एक व्यावहारिक समाधान के रूप में महत्व दिया जाता है।
2. बूस्ट कन्वर्टर (स्टेप-अप)

चित्र 10. बूस्ट कनवर्टर सर्किट आरेख
बूस्ट कनवर्टर एक गैर-पृथक डीसी-डीसी कनवर्टर है जो कम इनपुट वोल्टेज को उच्च आउटपुट वोल्टेज में बढ़ाता है।यह एक प्रारंभ करनेवाला में ऊर्जा संग्रहीत करके और फिर आउटपुट वोल्टेज को इनपुट स्तर से ऊपर बढ़ाने के लिए उस ऊर्जा को जारी करके काम करता है।सर्किट में आम तौर पर एक प्रारंभ करनेवाला, स्विच, डायोड और कैपेसिटर शामिल होता है, जो एक मानक स्टेप-अप कनवर्टर संरचना बनाता है।जैसे ही ऊर्जा प्रारंभ करनेवाला के चार्जिंग और डिस्चार्जिंग पथों से गुजरती है, आउटपुट लोड के लिए निर्मित और स्थिर हो जाता है।यह बूस्ट कनवर्टर को बिजली आपूर्ति डिजाइन में व्यापक रूप से उपयोग किया जाने वाला विकल्प बनाता है जब निचले स्रोत से उच्च डीसी वोल्टेज की आवश्यकता होती है।इसका गैर-पृथक विन्यास सर्किट को इनपुट से आउटपुट तक कॉम्पैक्ट और विद्युत रूप से निरंतर रखता है।कई इलेक्ट्रॉनिक प्रणालियों के लिए, बूस्ट कनवर्टर अलगाव घटकों के बिना कुशल वोल्टेज स्टेप-अप प्राप्त करने का एक सीधा तरीका प्रदान करता है।
3. बक-बूस्ट कन्वर्टर (स्टेप-अप/डाउन)

चित्र 11. बक-बूस्ट कन्वर्टर सर्किट आरेख
हिरन-बूस्ट कनवर्टर एक गैर-पृथक डीसी-डीसी कनवर्टर है जो सर्किट आवश्यकताओं के आधार पर आउटपुट वोल्टेज को कम या बढ़ा सकता है।यह एकल टोपोलॉजी से लचीला वोल्टेज विनियमन प्रदान करने के लिए प्रारंभ करनेवाला-आधारित ऊर्जा हस्तांतरण के साथ स्विचिंग क्रिया को जोड़ता है।यह कनवर्टर तब उपयोगी होता है जब ऑपरेशन के दौरान इनपुट वोल्टेज आवश्यक आउटपुट स्तर से ऊपर या नीचे हो सकता है।इसकी सर्किट संरचना में एक स्विच, डायोड, प्रारंभ करनेवाला और कैपेसिटर शामिल हैं जो स्टेप-डाउन और स्टेप-अप रूपांतरण दोनों का समर्थन करने के लिए व्यवस्थित हैं।कुछ कॉन्फ़िगरेशन में, आउटपुट ध्रुवता को उलटा किया जा सकता है, जबकि अन्य में सर्किट को विनियमित गैर-इनवर्टिंग आउटपुट के लिए डिज़ाइन किया गया है।इस प्रकार के सर्किट द्वारा दिखाई गई टोपोलॉजी ट्रांसफार्मर का उपयोग किए बिना वोल्टेज स्तर को अनुकूलित करने की क्षमता पर प्रकाश डालती है।इस लचीलेपन के कारण, हिरन-बूस्ट कनवर्टर आधुनिक पावर इलेक्ट्रॉनिक्स में एक महत्वपूर्ण गैर-पृथक कनवर्टर प्रकार है।
• इनपुट और आउटपुट के बीच विद्युत पृथक्करण प्रदान करता है।
• उपयोगकर्ता और उपकरण सुरक्षा में सुधार करता है।
• सर्किट पक्षों के बीच शोर स्थानांतरण को कम करने में मदद करता है।
• अधिक सुरक्षित रूप से उच्च-वोल्टेज रूपांतरण का समर्थन करता है।
• प्रत्येक पक्ष पर अलग-अलग जमीनी संदर्भ की अनुमति देता है।
• बिजली प्रणालियों में मजबूत डिजाइन लचीलापन प्रदान करता है।
• मल्टी-आउटपुट बिजली आपूर्ति डिज़ाइन के लिए उपयोगी।
• संवेदनशील डाउनस्ट्रीम सर्किट की सुरक्षा में मदद करता है।
• कई डिज़ाइनों में उच्च रूपांतरण दक्षता प्रदान करता है।
• कम घटकों और सरल लेआउट का उपयोग करता है।
• समग्र सर्किट आकार और वजन कम कर देता है।
• विनिर्माण और डिज़ाइन लागत कम करता है।
• कॉम्पैक्ट बिजली आपूर्ति एकीकरण का समर्थन करता है।
• लो-वोल्टेज डीसी सिस्टम में अच्छी प्रतिक्रिया देता है।
• ग्राउंडिंग और बोर्ड-स्तरीय डिज़ाइन को सरल बनाता है।
• स्थान-सीमित इलेक्ट्रॉनिक उपकरणों में आसानी से फिट बैठता है।
1. औद्योगिक नियंत्रण प्रणाली
पृथक पावर कन्वर्टर्स का व्यापक रूप से पीएलसी, मोटर ड्राइव और फैक्ट्री ऑटोमेशन उपकरण जैसे औद्योगिक नियंत्रण प्रणालियों में उपयोग किया जाता है।ये सिस्टम अक्सर विभिन्न वोल्टेज डोमेन को संभालते हैं, इसलिए नियंत्रण और बिजली अनुभागों के बीच विद्युत पृथक्करण की आवश्यकता होती है।गैर-पृथक कन्वर्टर्स का उपयोग लो-वोल्टेज सब-सर्किट के अंदर भी किया जाता है जहां प्रत्यक्ष विनियमन पर्याप्त होता है।औद्योगिक उपकरणों में उनका महत्व निगरानी, तर्क और ड्राइव घटकों को स्थिर शक्ति प्रदान करने में निहित है।
2. दूरसंचार उपकरण
टेलीकॉम सिस्टम राउटर, बेस स्टेशन, स्विच और संचार मॉड्यूल में पृथक और गैर-पृथक दोनों कनवर्टर्स का उपयोग करते हैं।पृथक कन्वर्टर्स का उपयोग आमतौर पर उन अनुभागों में किया जाता है जिन्हें पावर चरणों के बीच सुरक्षा पृथक्करण और शोर नियंत्रण की आवश्यकता होती है।स्थानीय वोल्टेज विनियमन के लिए गैर-पृथक कनवर्टर्स को अक्सर प्रोसेसर और संचार चिप्स के पास रखा जाता है।ये कन्वर्टर्स महत्वपूर्ण हैं क्योंकि विश्वसनीय बिजली वितरण सीधे सिग्नल प्रोसेसिंग और नेटवर्क अपटाइम को प्रभावित करता है।
3. उपभोक्ता इलेक्ट्रॉनिक्स
टीवी, लैपटॉप, गेमिंग सिस्टम और स्मार्ट होम उत्पाद जैसे उपकरण आवश्यक आंतरिक वोल्टेज की आपूर्ति के लिए पावर कन्वर्टर्स पर निर्भर करते हैं।पृथक कन्वर्टर्स का उपयोग अक्सर एसी-डीसी एडाप्टर चरणों या बिजली आपूर्ति में किया जाता है जिन्हें उपयोगकर्ता पक्ष को मुख्य पक्ष से अलग करना चाहिए।कुशल ऑनबोर्ड वोल्टेज रूपांतरण के लिए गैर-पृथक कनवर्टर्स का उपयोग आमतौर पर डिवाइस के अंदर किया जाता है।उनका महत्व कई इलेक्ट्रॉनिक कार्यों में कॉम्पैक्ट, स्थिर और उचित रूप से विनियमित शक्ति को सक्षम करने से आता है।
4. ऑटोमोटिव इलेक्ट्रॉनिक्स
आधुनिक वाहन इंफोटेनमेंट सिस्टम, लाइटिंग मॉड्यूल, बैटरी प्रबंधन सिस्टम, सेंसर और नियंत्रण इकाइयों में पावर कन्वर्टर का उपयोग करते हैं।पृथक कन्वर्टर्स इलेक्ट्रिक वाहनों के उच्च-वोल्टेज अनुभागों में महत्वपूर्ण हैं जहां विभिन्न विद्युत डोमेन अलग रहना चाहिए।मानक लो-वोल्टेज ऑटोमोटिव सर्किट के भीतर वोल्टेज को ऊपर या नीचे बढ़ाने के लिए गैर-पृथक कन्वर्टर्स का व्यापक रूप से उपयोग किया जाता है।इन कन्वर्टर्स की आवश्यकता है क्योंकि ऑटोमोटिव इलेक्ट्रॉनिक्स को बदलती परिचालन स्थितियों के तहत भरोसेमंद शक्ति की आवश्यकता होती है।
5. चिकित्सा उपकरण
रोगी मॉनिटर, इमेजिंग सिस्टम, डायग्नोस्टिक उपकरण और पोर्टेबल हेल्थकेयर उत्पाद जैसे चिकित्सा उपकरण सटीक और स्थिर बिजली रूपांतरण पर निर्भर करते हैं।पृथक कन्वर्टर्स चिकित्सा उपकरणों में विशेष रूप से महत्वपूर्ण हैं क्योंकि रोगी से जुड़े पक्ष और बिजली स्रोत के बीच अक्सर विद्युत पृथक्करण की आवश्यकता होती है।गैर-पृथक कन्वर्टर्स का उपयोग अभी भी आंतरिक कम-वोल्टेज अनुभागों में किया जा सकता है जहां प्रत्यक्ष रूपांतरण उपयुक्त है।उनकी भूमिका महत्वपूर्ण है क्योंकि चिकित्सा प्रणालियों को संवेदनशील इलेक्ट्रॉनिक कार्यों के लिए निरंतर शक्ति बनाए रखनी चाहिए।
6. नवीकरणीय ऊर्जा प्रणालियाँ
सौर ऊर्जा प्रणालियाँ, ऊर्जा भंडारण इकाइयाँ और संबंधित नियंत्रक स्रोतों, बैटरी और भार के बीच वोल्टेज रूपांतरण को प्रबंधित करने के लिए पावर कन्वर्टर्स का उपयोग करते हैं।पृथक कन्वर्टर्स का उपयोग वहां किया जाता है जहां विभिन्न सिस्टम चरणों या इंटरफेस के बीच विद्युत पृथक्करण की आवश्यकता होती है।गैर-पृथक कन्वर्टर्स का उपयोग अक्सर चार्जिंग, मॉनिटरिंग या स्थानीय पावर कंडीशनिंग के लिए डीसी विनियमन पथों में किया जाता है।ये कन्वर्टर्स महत्वपूर्ण हैं क्योंकि नवीकरणीय ऊर्जा प्रणालियों को उपयोग योग्य आउटपुट पावर को बनाए रखते हुए बदलती इनपुट स्थितियों को संभालना चाहिए।
7. कंप्यूटिंग और डेटा प्रोसेसिंग उपकरण
सर्वर, एम्बेडेड बोर्ड, डेटा स्टोरेज डिवाइस और नेटवर्किंग हार्डवेयर प्रोसेसर, मेमोरी और सपोर्ट सर्किट के लिए कई पावर रेल का उपयोग करते हैं।इन प्रणालियों में गैर-पृथक कन्वर्टर्स आम हैं क्योंकि वे मध्यवर्ती डीसी बसों से बोर्ड-स्तरीय वोल्टेज को कुशलतापूर्वक नियंत्रित करते हैं।पृथक कन्वर्टर्स मुख्य बिजली आपूर्ति अनुभागों या संचार इंटरफेस में भी दिखाई दे सकते हैं जिन्हें अलग करने की आवश्यकता होती है।उनका महत्व विभिन्न वोल्टेज आवश्यकताओं के साथ डिजिटल सिस्टम के स्थिर संचालन का समर्थन करने में निहित है।
8. एयरोस्पेस और रक्षा इलेक्ट्रॉनिक्स
विमान इलेक्ट्रॉनिक्स, उपग्रह उपप्रणाली और रक्षा हार्डवेयर अक्सर सख्त सिस्टम आवश्यकताओं से मेल खाने के लिए विशेष बिजली रूपांतरण चरणों का उपयोग करते हैं।पृथक कन्वर्टर्स को अक्सर वहां चुना जाता है जहां सुरक्षा पृथक्करण, शोर नियंत्रण, या स्वतंत्र ग्राउंडिंग आवश्यक होती है।गैर-पृथक कन्वर्टर्स का उपयोग कसकर एकीकृत कम-वोल्टेज मॉड्यूल में भी किया जाता है जहां स्थान और वजन की आवश्यकता होती है।ये कन्वर्टर्स महत्वपूर्ण हैं क्योंकि मिशन-केंद्रित इलेक्ट्रॉनिक्स को जटिल ऑपरेटिंग वातावरण में विश्वसनीय शक्ति की आवश्यकता होती है।
|
पहलू |
पृथक शक्ति
कनवर्टर |
गैर-पृथक
पावर कन्वर्टर |
|
अलगाव
वोल्टेज रेटिंग |
आमतौर पर 500 वी
5 केवी अलगाव बाधा के लिए |
0 वी (संख्या)
अलगाव बाधा) |
|
विद्युत पथ |
ऊर्जा
प्रवाहकीय पथ के बिना स्थानांतरित किया गया |
निरंतर
इनपुट से आउटपुट तक प्रवाहकीय पथ |
|
ज़मीनी क्षमता
अंतर |
बड़े को संभाल सकते हैं
जमीनी अंतर (>100 वी) |
उसी तक सीमित
ज़मीनी क्षमता (≈0 V अंतर) |
|
सुरक्षा
अनुपालन |
मिलते हैं
प्रबलित/बुनियादी इन्सुलेशन मानक (आईईसी/यूएल) |
के लिए उपयुक्त नहीं है
सुरक्षा अलगाव मानक |
|
ट्रांसफार्मर
उपस्थिति |
ट्रांसफार्मर का उपयोग करता है
या पृथक युग्मन तत्व |
कोई ट्रांसफार्मर नहीं
प्रयोग किया गया |
|
स्विचिंग
आवृत्ति रेंज |
आमतौर पर 20 kHz
500 kHz तक |
आमतौर पर 100
किलोहर्ट्ज़ से 2 मेगाहर्ट्ज तक |
|
दक्षता सीमा |
~70% से 90%
टोपोलॉजी पर निर्भर करता है |
~85% से 98%
डिज़ाइन पर निर्भर करता है |
|
शक्ति घनत्व |
के कारण कम
चुंबकीय घटक |
के कारण उच्चतर
कॉम्पैक्ट डिज़ाइन |
|
घटक गिनती |
उच्चतर (10-30+)।
घटक विशिष्ट) |
निचला (5-15
घटक विशिष्ट) |
|
भौतिक आकार |
के कारण बड़ा
ट्रांसफार्मर और रिक्ति |
छोटा,
पीसीबी-स्तरीय एकीकरण संभव |
|
वज़न |
के कारण भारी
चुंबकीय कोर |
के साथ हल्का
न्यूनतम चुम्बकत्व |
|
ईएमआई प्रदर्शन |
बेहतर अलगाव
संचालित शोर को कम करता है |
अधिक प्रवण है
शोर युग्मन का संचालन किया |
|
वोल्टेज
रूपांतरण अनुपात |
चौड़ा और
लचीला (जैसे, 400V से 5V) |
सीमित
रूपांतरण रेंज (जैसे, 12V से 5V) |
|
एकीकरण
स्तर |
अक्सर के रूप में उपयोग किया जाता है
अलग पावर मॉड्यूल |
आसानी से
आईसी-आधारित नियामकों में एकीकृत |
1. जांचें कि क्या विद्युत अलगाव की आवश्यकता है
यह निर्धारित करके प्रारंभ करें कि सुरक्षा या सिस्टम सुरक्षा के लिए इनपुट और आउटपुट को विद्युत रूप से अलग किया जाना चाहिए या नहीं।पावर कनवर्टर डिज़ाइन में यह अक्सर पहला और सबसे महत्वपूर्ण चयन बिंदु होता है।यदि सिस्टम को स्रोत और लोड के बीच सीधे विद्युत संपर्क को रोकना है, तो एक पृथक कनवर्टर आमतौर पर बेहतर विकल्प होता है।यदि ऐसे पृथक्करण की आवश्यकता नहीं है, तो एक गैर-पृथक कनवर्टर पर्याप्त हो सकता है।यह कदम सबसे बुनियादी सिस्टम आवश्यकता के आधार पर निर्णय को सीमित करने में मदद करता है।
2. इनपुट और आउटपुट वोल्टेज संबंध को पहचानें
इसके बाद, स्रोत पर उपलब्ध वोल्टेज स्तर और लोड के लिए आवश्यक वोल्टेज को देखें।कुछ प्रणालियों को केवल उसी विद्युत ग्राउंड के भीतर सरल स्टेप-डाउन या स्टेप-अप रूपांतरण की आवश्यकता होती है, जो अक्सर गैर-पृथक डिज़ाइनों में अच्छी तरह फिट बैठता है।अन्य प्रणालियों में व्यापक वोल्टेज अंतर या अलग पावर डोमेन शामिल हैं जो पृथक समाधानों का पक्ष ले सकते हैं।वोल्टेज संबंध टोपोलॉजी चयन और सिस्टम लेआउट को भी प्रभावित करता है।एक स्पष्ट वोल्टेज लक्ष्य कनवर्टर विकल्प को अधिक व्यावहारिक और सटीक बनाता है।
3. सुरक्षा और नियामक आवश्यकताओं का मूल्यांकन करें
समीक्षा करें कि क्या उत्पाद को उपयोगकर्ता सुरक्षा, इन्सुलेशन, या उपकरण पृथक्करण से संबंधित सुरक्षा मानकों को पूरा करना चाहिए।कई विनियमित प्रणालियों में, विशेष रूप से जहां खतरनाक वोल्टेज शामिल होते हैं, डिज़ाइन नियमों या प्रमाणन आवश्यकताओं के कारण अलगाव की आवश्यकता हो सकती है।गैर-पृथक कन्वर्टर्स आम तौर पर कम-वोल्टेज प्रणालियों में अधिक उपयुक्त होते हैं जहां ये आवश्यकताएं लागू नहीं होती हैं।यह कदम सार्वजनिक, औद्योगिक या संवेदनशील वातावरण के लिए बने उत्पादों में विशेष रूप से महत्वपूर्ण है।डिज़ाइन प्रक्रिया की शुरुआत में सुरक्षा अनुपालन पर हमेशा विचार किया जाना चाहिए।
4. स्थान, वजन और लेआउट सीमाओं पर विचार करें
भौतिक आकार सर्वोत्तम कनवर्टर विकल्प को दृढ़ता से प्रभावित कर सकता है, खासकर कॉम्पैक्ट इलेक्ट्रॉनिक उत्पादों में।गैर-पृथक कन्वर्टर्स को अक्सर प्राथमिकता दी जाती है जहां डिज़ाइन छोटा, हल्का और पीसीबी पर एकीकृत होना आसान होना चाहिए।पृथक कन्वर्टर्स को अधिक स्थान की आवश्यकता हो सकती है क्योंकि उनमें आमतौर पर अतिरिक्त चुंबकीय और इन्सुलेशन-संबंधित घटक शामिल होते हैं।इसलिए अंतिम निर्णय लेने से पहले उपलब्ध बोर्ड क्षेत्र और बाड़े के आकार की समीक्षा की जानी चाहिए।यह चरण सुनिश्चित करता है कि चयनित कनवर्टर उत्पाद डिज़ाइन में वास्तविक रूप से फिट होगा।
5. पावर स्टेज के लिए लागत लक्ष्य निर्धारित करें
पृथक और गैर-पृथक पावर कन्वर्टर्स के बीच चयन करते समय बजट एक अन्य महत्वपूर्ण कारक है।गैर-पृथक डिज़ाइनों की लागत आमतौर पर कम होती है क्योंकि वे कम भागों और सरल संरचनाओं का उपयोग करते हैं।पृथक कन्वर्टर्स अतिरिक्त अलगाव घटकों और अधिक जटिल कार्यान्वयन के कारण सामग्री और डिजाइन लागत में वृद्धि कर सकते हैं।सही विकल्प इस बात पर निर्भर करता है कि एप्लिकेशन कम लागत या अतिरिक्त विद्युत पृथक्करण को प्राथमिकता देता है या नहीं।यह कदम उत्पाद मूल्य निर्धारण लक्ष्यों के साथ तकनीकी आवश्यकताओं को संतुलित करने में मदद करता है।
6. कनवर्टर को अंतिम एप्लिकेशन से मिलाएं
अंतिम निर्णय को वास्तविक ऑपरेटिंग वातावरण और सिस्टम उद्देश्य को प्रतिबिंबित करना चाहिए।औद्योगिक, चिकित्सा, या उच्च-वोल्टेज उपकरणों में उपयोग किए जाने वाले कनवर्टर को एप्लिकेशन की डिज़ाइन आवश्यकताओं के कारण अलगाव की आवश्यकता हो सकती है।कॉम्पैक्ट इलेक्ट्रॉनिक्स में ऑनबोर्ड डीसी विनियमन के लिए उपयोग किया जाने वाला कनवर्टर गैर-पृथक दृष्टिकोण से अधिक लाभान्वित हो सकता है।संपूर्ण एप्लिकेशन संदर्भ को देखने से केवल एक कारक के आधार पर चयन करने से बचने में मदद मिलती है।यह चरण कनवर्टर प्रकार को व्यावहारिक सिस्टम उपयोग से जोड़ता है।
7. दीर्घकालिक डिज़ाइन लचीलेपन की समीक्षा करें
भविष्य के उन्नयन, सिस्टम विस्तार, या डिज़ाइन के पुन: उपयोग के बारे में सोचना भी उपयोगी है।एक अलग कनवर्टर अधिक लचीलेपन की पेशकश कर सकता है जब बाद में अलग-अलग ग्राउंड, एकाधिक आउटपुट या व्यापक सिस्टम परिवर्तन की उम्मीद होती है।जब डिज़ाइन ठीक हो और कॉम्पैक्ट प्रदर्शन के लिए अनुकूलित हो तो एक गैर-पृथक कनवर्टर बेहतर विकल्प हो सकता है।भविष्य की जरूरतों के लिए योजना बनाने से रीडिज़ाइन कार्य को कम किया जा सकता है और सिस्टम स्केलेबिलिटी में सुधार किया जा सकता है।यह अंतिम चरण यह सुनिश्चित करने में मदद करता है कि कनवर्टर उत्पाद के पहले संस्करण के बाद भी उपयुक्त बना रहे।
पृथक और गैर-पृथक कनवर्टर्स के बीच मुख्य अंतर यह है कि क्या इनपुट और आउटपुट विद्युत रूप से अलग हैं।पृथक कन्वर्टर्स बेहतर सुरक्षा और सुरक्षा प्रदान करते हैं, जबकि गैर-पृथक कन्वर्टर्स सरल, छोटे और अधिक कुशल होते हैं।प्रत्येक प्रकार के अलग-अलग डिज़ाइन होते हैं जो विशिष्ट वोल्टेज और सिस्टम आवश्यकताओं के अनुरूप होते हैं।सही का चयन सुरक्षा, वोल्टेज स्तर, आकार, लागत और सिस्टम का उपयोग कैसे किया जाएगा पर निर्भर करता है।
कृपया एक जांच भेजें, हम तुरंत जवाब देंगे।
ट्रांसफार्मर इनपुट और आउटपुट को विद्युत रूप से अलग रखते हुए चुंबकीय क्षेत्र के माध्यम से ऊर्जा स्थानांतरित करते हैं।वे वोल्टेज स्केलिंग की भी अनुमति देते हैं और कई आउटपुट स्तरों का समर्थन करते हैं।
हां, पृथक कनवर्टर अतिरिक्त ट्रांसफार्मर वाइंडिंग का उपयोग करके कई आउटपुट का समर्थन कर सकते हैं।यह उन्हें जटिल बिजली आपूर्ति प्रणालियों में उपयोगी बनाता है।
नहीं, गैर-पृथक कन्वर्टर्स आमतौर पर डीसी इनपुट के साथ काम करते हैं।गैर-पृथक टोपोलॉजी का उपयोग करने से पहले AC को DC में परिवर्तित किया जाना चाहिए।
गैर-पृथक कन्वर्टर्स आमतौर पर बेहतर होते हैं क्योंकि वे कॉम्पैक्ट, कुशल और बैटरी जैसे कम वोल्टेज डीसी सिस्टम के लिए आदर्श होते हैं।
हाँ, कई प्रणालियाँ दोनों का उपयोग करती हैं।एक पृथक चरण सुरक्षा और मुख्य रूपांतरण को संभालता है, जबकि गैर-पृथक चरण सर्किट के भीतर स्थानीय रूप से वोल्टेज को नियंत्रित करते हैं।
2026/04/8 पर
2026/04/7 पर
8000/04/18 पर 147760
2000/04/18 पर 111970
1600/04/18 पर 111351
0400/04/18 पर 83740
1970/01/1 पर 79525
1970/01/1 पर 66932
1970/01/1 पर 63084
1970/01/1 पर 63025
1970/01/1 पर 54092
1970/01/1 पर 52165