
L7812CV एक तीन-टर्मिनल पॉजिटिव वोल्टेज नियामक है जिसे इलेक्ट्रॉनिक सर्किट में स्थिर शक्ति प्रदान करने के लिए डिज़ाइन किया गया है।यह सर्किट बोर्ड पर सीधे चिकनी वोल्टेज विनियमन सुनिश्चित करने में मदद करता है, संभावित वितरण समस्याओं को संबोधित करता है जो एक बिंदु से बिजली को विनियमित करते समय हो सकता है।इस घटक में वर्तमान सीमित और थर्मल शट-डाउन जैसे आंतरिक सुरक्षा तंत्र हैं, जो विभिन्न परिस्थितियों में इसके स्थायित्व और विश्वसनीय संचालन में योगदान करते हैं।यह आउटपुट करंट के 1 एएमपी से अधिक की आपूर्ति कर सकता है, बशर्ते कि पर्याप्त गर्मी अपव्यय हो।जबकि L7812CV मुख्य रूप से निश्चित वोल्टेज विनियमन के लिए उपयोग किया जाता है, इसे समायोज्य वोल्टेज और वर्तमान आउटपुट के लिए अनुमति देने के लिए अतिरिक्त घटकों के साथ भी जोड़ा जा सकता है, जिससे यह विभिन्न अनुप्रयोगों में लचीलापन देता है।




आउटपुट वर्तमान 1.5 ए तक
5 का आउटपुट वोल्टेज;6;8;8.5;9;12;15;18;24 वी
थर्मल अधिभार संरक्षण
लघु परिपथ संरक्षण
आउटपुट संक्रमण SOA संरक्षण
2 % आउटपुट वोल्टेज सहिष्णुता (एक संस्करण)
विस्तारित तापमान सीमा में गारंटी (एक संस्करण)
StMicroelectronics से L7812CV में इसके तकनीकी विनिर्देश, विशेषताएं और पैरामीटर शामिल हैं, साथ ही अन्य घटकों के साथ तुलना भी शामिल है जिनकी L7812CV के समान विशेषताएं हैं।
| प्रकार | पैरामीटर |
| जीवनचक्र स्थिति | सक्रिय (अंतिम अद्यतन: 7 महीने पहले) |
| फैक्टरी लीड टाइम | 24 सप्ताह |
| संपर्क चढ़ाना | टिन |
| पर्वत | होल के माध्यम से |
| माउन्टिंग का प्रकार | होल के माध्यम से |
| पैकेज / मामला | To-220-3 |
| पिन की संख्या | 3 |
| वज़न | 2.299997g |
| परिचालन तापमान | 0 ° C ~ 125 ° C |
| पैकेजिंग | नली |
| सहनशीलता | 5% |
| JESD-609 कोड | ई 3 |
| भाग की स्थिति | सक्रिय |
| नमी संवेदनशीलता स्तर (एमएसएल) | 1 (असीमित) |
| समाप्ति की संख्या | 3 |
| टर्मिनल स्थिति | अकेला |
| कार्यों की संख्या | 1 |
| आधार भाग संख्या | L7812 |
| पिन काउंट | 3 |
| वोल्टेज - इनपुट (अधिकतम) | 35V |
| आउटपुट वोल्टेज | 12v |
| उत्पादन का प्रकार | तय |
| अधिकतम आउटपुट करंट | 1.5 ए |
| आउटपुट कॉन्फ़िगरेशन | सकारात्मक |
| निष्क्रिय करंट | 8MA |
| आउटपुट वोल्टेज 1 | 12v |
| नियामक की संख्या | 1 |
| न्यूनतम इनपुट वोल्टेज | 14V |
| संरक्षण सुविधाएँ | अधिक तापमान, शॉर्ट सर्किट |
| वोल्टेज ड्रॉपआउट (अधिकतम) | 2V @ 1a टाइप |
| सवार | 55DB (120Hz) |
| ड्रॉपआउट वोल्टेज | 2 वी |
| ड्रॉपआउट वोल्टेज 1-नॉम | 2 वी |
| न्यूनतम आउटपुट वोल्टेज | 12v |
| बिजली आपूर्ति अस्वीकृति अनुपात | 55DB |
| नाममात्र आउटपुट वोल्टेज | 12v |
| ऊंचाई | 9.15 मिमी |
| लंबाई | 10.4 मिमी |
| चौड़ाई | 4.6 मिमी |
| SVHC तक पहुँचें | कोई एसवीएचसी नहीं |
| विकिरण कठोरता | नहीं |
| रोह्स स्टेटस | ROHS3 आज्ञाकारी |
| सीसा मुक्त | सीसा मुक्त |





| भाग संख्या | विवरण | उत्पादक |
| MC7815ACTG | रैखिक वोल्टेज नियामक, 1 ए, 5 से 24V, सकारात्मक vout: 15.0v;TJ: 0 ° C से +125 ° C, To-220, सिंगल गेज, 3-लीड, 50-ट्यूब | अर्धचालक पर |
| BA178M15CP | फिक्स्ड पॉजिटिव स्टैंडर्ड रेगुलेटर, 15V द्विध्रुवी, MSFM3, TO-220, 3 पिन | रोहम सेमीकंडक्टर |
| MC7812AECTBU | 12V फिक्स्ड पॉजिटिव रेगुलेटर, PSFM3, ROHS COMPLINT, TO-220, 3 पिन | रोचेस्टर इलेक्ट्रॉनिक्स एलएलसी |
| P1406-15-883b | फिक्स्ड पॉजिटिव स्टैंडर्ड रेगुलेटर, 15V MSFM3, TO-257, 3 पिन | टीटी इलेक्ट्रॉनिक्स प्रतिरोधकों |
| OM7812AIH | फिक्स्ड पॉजिटिव स्टैंडर्ड रेगुलेटर, 12V द्विध्रुवी, MSFM3, TO-257A, 3 पिन | इंफीनन टेक्नोलॉजीज एजी |
| UPC7815AHF | फिक्स्ड पॉजिटिव स्टैंडर्ड रेगुलेटर, 15V द्विध्रुवी, MSFM3, पृथक, प्लास्टिक, TO-220, SIP-3 | एनईसी इलेक्ट्रॉनिक्स अमेरिका इंक |
| UPC7812AHF-AZ | UPC7812AHF-AZ | रेनेसस इलेक्ट्रॉनिक्स कॉर्पोरेशन |
| P7815AG-883B | 15V फिक्स्ड पॉजिटिव रेगुलेटर, MSFM3, TO-257A, 3 पिन | |
| P7815AG-BS2S | फिक्स्ड पॉजिटिव स्टैंडर्ड रेगुलेटर, 15V MSFM3, TO-257A, 3 पिन | टीटी इलेक्ट्रॉनिक्स प्रतिरोधकों |
| SHD5158B | फिक्स्ड पॉजिटिव स्टैंडर्ड रेगुलेटर, 15V, SHD-5B, 3 पिन | संवेदी अर्धचालक |
अधिकांश परियोजनाओं में माइक्रोकंट्रोलर और सेंसर को पावर करने के लिए निरंतर +12V आउटपुट नियामक
समायोज्य आउटपुट नियामक
कुछ अनुप्रयोगों के लिए वर्तमान सीमक
विनियमित दोहरी आपूर्ति
निर्गम ध्रुवीयता-पुन: संयोजन परिपथ
नियत आउटपुट नियामक


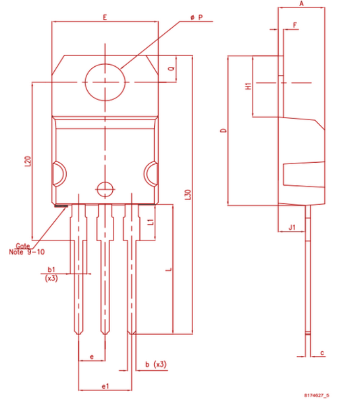
| मंद। | मिन।(मिमी) |
| ए | 4.4 |
| बी | 0.61 |
| बी 1 | 1.14 |
| सी | 0.48 |
| डी | 15.25 |
| ईटी | 10 |
| ईटी | २.४ |
| ई 1 | 4.95 |
| एफ | 0.51 |
| एच 1 | 6.2 |
| J1 | २.४ |
| एल | 13 |
| एल 1 | 3.5 |
| L20 | - |
| L30 | - |
| Øp | 3.75 |
| क्यू | 2.65 |

Stmicroelectronics अर्धचालक उद्योग में एक वैश्विक नेता है, जो इलेक्ट्रॉनिक घटकों और समाधानों की एक विस्तृत सरणी का उत्पादन करने के लिए जाना जाता है।वे उन्नत विनिर्माण क्षमताओं के साथ, सिलिकॉन प्रौद्योगिकी और सिस्टम डिजाइन में विशेषज्ञता लाते हैं, जो उन्हें आधुनिक इलेक्ट्रॉनिक्स की जरूरतों को पूरा करने वाले अभिनव उत्पादों को वितरित करने में सक्षम बनाता है।उनका काम माइक्रोइलेक्ट्रॉनिक्स सहित कई अनुप्रयोगों में फैला है, और वे तेजी से बदलते तकनीकी परिदृश्य के अनुकूल होने की उनकी क्षमता के लिए पहचाने जाते हैं।रणनीतिक सहयोग और एक मजबूत बौद्धिक संपदा पोर्टफोलियो के माध्यम से, Stmicroelectronics इलेक्ट्रॉनिक्स के भविष्य को आकार देना जारी रखता है, जिससे उपकरणों को अधिक कुशल, जुड़ा हुआ और उपयोगकर्ता के अनुकूल होने में मदद मिलती है।उनके उत्पाद प्रौद्योगिकी के अभिसरण को सक्षम करने में एक केंद्रीय भूमिका निभाते हैं, जिससे विभिन्न प्रणालियों के लिए रोजमर्रा के अनुप्रयोगों में एक साथ काम करना आसान हो जाता है।
L7812CV एक तीन-टर्मिनल पॉजिटिव वोल्टेज नियामक है।यह सर्किट बोर्ड पर सीधे स्थिर वोल्टेज विनियमन प्रदान करने में मदद करता है, जो एक बिंदु से वोल्टेज के प्रबंधन की चुनौतियों को समाप्त करता है।इसमें वर्तमान सीमित और थर्मल शट-डाउन जैसी अंतर्निहित विशेषताएं शामिल हैं, जो इसे बहुत टिकाऊ बनाता है और विभिन्न स्थितियों को संभालने में सक्षम है।
एक निश्चित वोल्टेज नियामक को लगभग कोई बाहरी घटक की आवश्यकता नहीं होती है, संभवतः कुछ बाईपास कैपेसिटर से अलग, संचालित करने के लिए।दूसरी ओर, एक समायोज्य वोल्टेज नियामक को उचित कामकाज के लिए कुछ बाहरी घटकों की आवश्यकता होती है।समायोज्य प्रकार के साथ, आपके पास वोल्टेज और वर्तमान विकल्पों की एक विस्तृत श्रृंखला हो सकती है, जो विभिन्न आवश्यकताओं के लिए अधिक लचीलापन प्रदान करती है।
L78S12CV और L7812CV दोनों का आउटपुट वोल्टेज बनाम जंक्शन तापमान के संदर्भ में समान प्रदर्शन है।हालांकि, ऑपरेटिंग तापमान रेंज थोड़ा अलग है: L7812CV 0 ° C और 125 ° C के बीच काम करता है, जबकि L78S12CV 150 ° C तक जा सकता है।इसके बावजूद, दोनों चिप्स में एक ही थर्मल प्रतिरोध होता है, जिसका अर्थ है कि L78S12CV जरूरी नहीं कि एक ही लोड के तहत कूलर चलाएं, लेकिन जरूरत पड़ने पर यह उच्च तापमान को संभाल सकता है।
निक्रोम तार एक प्रतिरोधक भार बनाता है।संभवतः, आपके तार का बहुत कम प्रतिरोध है, संभवतः 100 ओम या यहां तक कि 1 ओम के तहत।जब प्रतिरोध यह कम होता है, तो यह नियामक के माध्यम से उच्च वर्तमान आकर्षित कर सकता है।यदि आप 17V को नियामक में खिला रहे हैं और 12V को बाहर कर रहे हैं, तो 5V अंतर को गर्मी के रूप में विघटित किया जा रहा है।वर्तमान के प्रत्येक amp के लिए, 5V ड्रॉप के परिणाम 5 वाट गर्मी में होते हैं।चूंकि निक्रोम वायर बहुत सारे करंट को आकर्षित कर सकता है, इसलिए आपका नियामक बहुत गर्मी जारी कर रहा है।
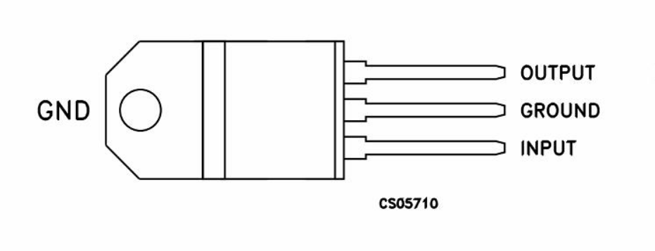
यदि आप To-220 पैकेज का उपयोग कर रहे हैं, तो पिन की पहचान करने का सबसे आसान तरीका लेबलिंग के साथ पक्ष को देखना है और पिन को नीचे की ओर इंगित करना है।बाएं से दाएं, पिन 1 इनपुट है, पिन 2 जमीन है, और पिन 3 आउटपुट है।सुनिश्चित करें कि आप एक डीसी इनपुट प्रदान करते हैं क्योंकि यदि आप इनपुट और आउटपुट को उलट देते हैं, तो चिप बाहर जल सकती है।इसके अलावा, सुनिश्चित करें कि चिप को संभालने के लिए इनपुट वोल्टेज बहुत अधिक नहीं है।
L7812CV एक निश्चित वोल्टेज नियामक है जो एक स्थिर 12V आउटपुट प्रदान करता है।यह वर्तमान के 1 ए तक संभाल सकता है, और इनपुट वोल्टेज 14V से 35V तक हो सकता है।
कृपया एक जांच भेजें, हम तुरंत जवाब देंगे।
2024/10/16 पर
2024/10/16 पर
8000/04/18 पर 147758
2000/04/18 पर 111942
1600/04/18 पर 111349
0400/04/18 पर 83721
1970/01/1 पर 79508
1970/01/1 पर 66915
1970/01/1 पर 63065
1970/01/1 पर 63012
1970/01/1 पर 54081
1970/01/1 पर 52136