




LM338K 1.2 V से 32 V तक एक विस्तृत वोल्टेज स्पेक्ट्रम को नेविगेट करता है, 5 A. को पार करने वाली धाराओं को प्रबंधित करता है। आउटपुट समायोजन के लिए दो प्रतिरोधों के सरल उपयोग के माध्यम से इसकी अनुकूलनशीलता का अनावरण किया जाता है, जो विभिन्न प्रकार के सिस्टम में इसके निगमन को कम करता है।
औद्योगिक प्रणाली अपने डिजाइन से लाभान्वित होती है, उन्नत बिजली की आपूर्ति के लिए दक्षता को सम्मिश्रण करता है।दूरसंचार प्रणालियों को इसकी बहुमुखी प्रतिभा के कारण उपयुक्त लगता है।घरेलू इलेक्ट्रॉनिक्स इसके सहज एकीकरण की सराहना करते हैं।
पावर मैनेजमेंट फील्ड्स में आप अक्सर LM338K को उनके सिस्टम में शामिल कर सकते हैं।इसकी स्थिरता और उपयोग में आसानी यह विश्वसनीय बिजली समाधान की तलाश करने वालों के लिए एक पसंदीदा विकल्प बनाती है।इसका मजबूत डिजाइन अनुग्रह के साथ उतार -चढ़ाव का सामना करता है, जिससे यह असाधारण रूप से उपयोगी हो जाता है।
|
प्रकार |
पैरामीटर |
|
पर्वत |
होल के माध्यम से |
|
माउन्टिंग का प्रकार |
होल के माध्यम से |
|
पैकेज / मामला |
To-204aa, to-3 |
|
पिन की संख्या |
2 |
|
वज़न |
6.40101G |
|
परिचालन तापमान |
0 ° C ~ 125 ° C |
|
पैकेजिंग |
नली |
|
सहनशीलता |
5% |
|
JESD-609 कोड |
ई 3 |
|
भाग की स्थिति |
अप्रचलित |
|
नमी संवेदनशीलता स्तर (एमएसएल) |
1 (असीमित) |
|
समाप्ति की संख्या |
2 |
|
ईसीसीएन कोड |
Ear99 |
|
टर्मिनल खत्म |
टिन (एसएन) |
|
शक्ति दर्ज़ा |
50W |
|
टर्मिनल स्थिति |
तल |
|
टर्मिनल रूप |
पिन/खूंटी |
|
कार्यों की संख्या |
1 |
|
आधार भाग संख्या |
LM338 |
|
पिन काउंट |
2 |
|
आउटपुट की संख्या |
1 |
|
वोल्टेज - इनपुट (अधिकतम) |
35V |
|
आउटपुट वोल्टेज |
32V |
|
उत्पादन का प्रकार |
एडजस्टेबल |
|
अधिकतम आउटपुट करंट |
5 ए |
|
आउटपुट कॉन्फ़िगरेशन |
सकारात्मक |
|
अधिकतम आउटपुट वोल्टेज |
32V |
|
नियामक की संख्या |
1 |
|
न्यूनतम इनपुट वोल्टेज |
4.2V |
|
संरक्षण सुविधाएँ |
अधिक वर्तमान, तापमान पर |
|
सवार |
75db ~ 60db (120Hz) |
|
संदर्भ वोल्टेज |
1.29V |
|
ड्रॉपआउट वोल्टेज |
3 वी |
|
ड्रॉपआउट वोल्टेज 1-नॉम |
3 वी |
|
न्यूनतम आउटपुट वोल्टेज |
1.2V |
|
बिजली आपूर्ति अस्वीकृति अनुपात |
75DB |
|
न्यूनतम वर्तमान सीमा |
7 ए |
|
लोड विनियमन-मैक्स (%) |
1% |
|
ऊंचाई |
8.7 मिमी |
|
लंबाई |
39.5 मिमी |
|
चौड़ाई |
26.2 मिमी |
|
SVHC तक पहुँचें |
कोई एसवीएचसी नहीं |
|
विकिरण कठोरता |
नहीं |
|
रोह्स स्टेटस |
ROHS3 आज्ञाकारी |
|
सीसा मुक्त |
सीसा मुक्त |
|
विशेषता |
विवरण |
|
पीक आउटपुट करंट |
गारंटी 7 ए |
|
आउटपुट करेंट |
गारंटी 5 ए |
|
समायोज्य आउटपुट वोल्टेज |
नीचे 1.2 वी तक |
|
रेखा विनियमन |
आमतौर पर 0.005 %/वी |
|
भार विनियमन |
आमतौर पर 0.1 % |
|
थर्मल विनियमन |
गारंटी |
|
वर्तमान सीमा |
तापमान के साथ निरंतर |
|
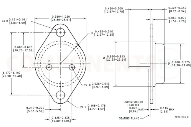
पैकेज प्रकार |
मानक 3-लीड ट्रांजिस्टर पैकेज |

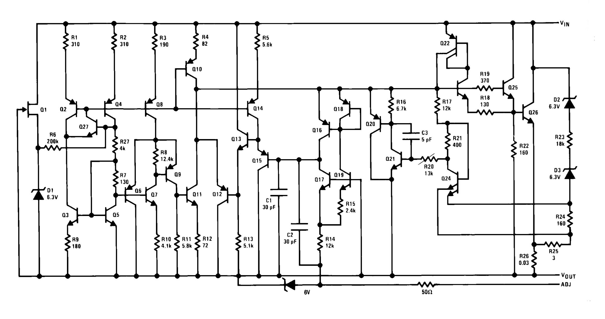
LM338K समायोज्य बिजली की आपूर्ति को क्राफ्ट करने में कार्य करता है, सटीक निरंतर वर्तमान प्रदान करता है, और कुशलता से बैटरी चार्ज करता है।इसका विस्तृत अनुप्रयोग इसके मजबूत निर्माण और बहुमुखी वोल्टेज विनियमन से उपजा है।
LM338K बहुमुखी बिजली आपूर्ति प्रणाली बनाने में प्रमुख है।उच्च वोल्टेज और वर्तमान का प्रबंधन करने की इसकी क्षमता शोर को कम करते हुए, इलेक्ट्रॉनिक सिस्टम के प्रदर्शन को बढ़ावा देने के दौरान स्थिरता को बढ़ाती है।आमतौर पर प्रयोगशालाओं और कार्यशालाओं में उपयोग किया जाता है, ये सिस्टम उपकरणों की विश्वसनीयता से लाभान्वित होते हैं।आप डिवाइस की सटीकता और विश्वसनीयता को दर्शाते हुए, सटीक वोल्टेज समायोजन को महत्व दे सकते हैं।
एलईडी प्रकाश और मोटर नियंत्रण जैसे संदर्भों में, निरंतर वर्तमान को विनियमित करना सक्रिय है।LM338K स्थिर वर्तमान, संवेदनशील घटकों की सुरक्षा और सिस्टम दक्षता में सुधार प्रदान करता है।विश्वसनीय वर्तमान विनियमन दीर्घकालिक स्थिरता सुनिश्चित करने में मदद करता है, उतार-चढ़ाव को रोकता है जो सिस्टम विफलताओं को जन्म दे सकता है।
बैटरी चार्जिंग सिस्टम सटीक चार्जिंग चक्र नियंत्रण के लिए LM338K की समायोज्य क्षमताओं का लाभ उठाता है।यह बैटरी चार्जिंग दक्षता और सुरक्षा का अनुकूलन करता है, बैटरी जीवन को बढ़ाता है।उन्नत प्रणाली चार्जिंग में राज्य परिवर्तनों का पता लगाने के लिए सुविधाओं को एकीकृत करती है, दक्षता और बैटरी स्वास्थ्य में काफी सुधार करती है।
LM338K के टिकाऊ डिजाइन और वोल्टेज विनियमन अनुकूलनशीलता इसे विभिन्न अनुप्रयोगों के लिए उपयुक्त बनाती है।यह विभिन्न पर्यावरणीय परिस्थितियों में अच्छी तरह से काम करता है, उद्योगों में एक मूल्यवान विशेषता जो मजबूती की मांग करती है।इसके लचीलेपन ने उन क्षेत्रों में व्यापक उपयोग किया है जिनके लिए उच्च प्रदर्शन और निर्भरता की आवश्यकता होती है, आप अक्सर इन सुविधाओं को विविध परियोजनाओं में चयन के कारणों के रूप में उद्धृत कर सकते हैं।

|
पार्ट्स |
विवरण |
उत्पादक |
|
LM138AKSTEEL |
1.2 V-32V समायोज्य सकारात्मक नियामक, MBFM2, धातु
कैन, से 3, 2 पिन |
टेक्सास इंस्ट्रूमेंट्स |
|
LM138K/883 |
IC VREG 1.2 V-32 v समायोज्य सकारात्मक नियामक, MBFM2,
धातु कैन, से 3, 2 पिन, समायोज्य सकारात्मक एकल आउटपुट मानक नियामक |
राष्ट्रीय अर्धचालक निगम |
|
LM338K स्टील/NOPB |
1.2 V-32V समायोज्य सकारात्मक नियामक, MBFM2, ग्रीन,
धातु कैन, से 3, 2 पिन |
टेक्सास इंस्ट्रूमेंट्स |
|
LM138K-MIL/NOPB |
1.2 V-32V समायोज्य सकारात्मक नियामक, MBFM2, ROHS
आज्ञाकारी, धातु कैन, से 3, 3 पिन |
टेक्सास इंस्ट्रूमेंट्स |
|
M38510/11706SYA |
IC VREG समायोज्य सकारात्मक नियामक, समायोज्य
सकारात्मक एकल आउटपुट मानक नियामक |
रैखिक प्रौद्योगिकी |
|
FT138AK |
समायोज्य सकारात्मक मानक नियामक, 1.2V मिनट, 32V
मैक्स, एमबीएफएम 2, मेटल कैन, टू -3, 2 पिन |
फोर्स टेक्नोलॉजीज लिमिटेड |
|
FT338K |
समायोज्य सकारात्मक मानक नियामक, 1.2V मिनट, 32V
मैक्स, एमबीएफएम 2, मेटल कैन, टू -3, 2 पिन |
फोर्स टेक्नोलॉजीज लिमिटेड |
|
Lt338ak |
IC VREG 1.2 V-32 v समायोज्य सकारात्मक नियामक, MBFM2,
धातु कर सकते हैं, 3, 3 पिन, समायोज्य सकारात्मक एकल आउटपुट मानक नियामक |
रैखिक प्रौद्योगिकी |
|
SG138AK/883B |
नियामक, 1 आउटपुट, द्विध्रुवी |
माइक्रोसेमी निगम |
|
LM338MWC |
1.2 V-32V समायोज्य सकारात्मक नियामक, UUC, वेफर |
टेक्सास इंस्ट्रूमेंट्स |

Stmicroelectronics अपने मुख्य डिजाइन दर्शन को अर्धचालक समाधानों में स्थिरता के साथ, उत्पाद सुरक्षा और दक्षता के साथ पर्यावरणीय नेतृत्व की बुनाई करते हुए, एक स्थायी भविष्य की ओर मूल्यों और आकांक्षाओं को दर्शाता है।
Stmicroelectronics के नवाचारों के लिए प्रमुख पर्यावरणीय नुकसान को कम करने के लिए पर्यावरण-सचेत तकनीक की खोज है।ऊर्जा दक्षता पर जोर देकर, घटकों को विविध अनुप्रयोगों में बिजली की खपत को कम करने के लिए तैयार किया जाता है।कार्बन पैरों के निशान में कमी को देखने से ऑटोमोटिव और उपभोक्ता इलेक्ट्रॉनिक्स जैसे उद्योग लाभान्वित होते हैं।यह ट्रेंड ग्रीन सॉल्यूशंस की ओर एक व्यापक उद्योग प्रवास को दर्शाता है, जो चल रहे अनुकूलन और सरलता की मांग करता है।
LM338K 0 ° C से 125 ° C तक के तापमान में पनपता है।यह लचीलापन हर रोज उपभोक्ता गैजेट्स से लेकर कठोर औद्योगिक संदर्भों तक, उपयोगों के ढेरों को पूरा करता है।लगातार डिवाइस का तापमान बनाए रखना महत्वपूर्ण है, अपने प्रदर्शन और जीवनकाल दोनों को आकार देता है, इस प्रकार आपको पर्याप्त संभावनाएं प्रदान करते हैं।
LM338K एक लचीला तीन-टर्मिनल पॉजिटिव वोल्टेज नियामक है, जो 5 ए से अधिक 1.2 V और 32 V के बीच पहुंचाता है। सिर्फ दो प्रतिरोधों के साथ, यह उन्नत बिजली प्रणालियों की दक्षता को प्रतिबिंबित करते हुए वोल्टेज प्रबंधन को सरल करता है।यह सीधा, विश्वसनीय आउटपुट को प्राथमिकता देने वालों के लिए अपील करता है, विशेष रूप से अंतरिक्ष और बजट-संवेदनशील वातावरण में।
स्टील से 3 ट्रांजिस्टर पैकेज में संलग्न, LM338K ताकत और प्रभावी गर्मी प्रबंधन के लिए बनाया गया है।इस पैकेजिंग को उच्च-शक्ति कार्यों के लिए पसंद किया जाता है, जो इसके बेहतर थर्मल विनियमन के कारण, स्थिरता और लंबे समय तक विश्वसनीयता सुनिश्चित करता है।किसी भी इलेक्ट्रॉनिक घटक की सुरक्षा और प्रदर्शन को बढ़ाने के लिए उचित पैकेजिंग चयन का उपयोग किया जाता है।
कृपया एक जांच भेजें, हम तुरंत जवाब देंगे।
2024/10/22 पर
2024/10/22 पर
8000/04/18 पर 147758
2000/04/18 पर 111941
1600/04/18 पर 111349
0400/04/18 पर 83721
1970/01/1 पर 79508
1970/01/1 पर 66915
1970/01/1 पर 63065
1970/01/1 पर 63012
1970/01/1 पर 54081
1970/01/1 पर 52136