
LM339N एक बहुमुखी क्वाड वोल्टेज तुलनित्र है, जो एकल और दोहरी आपूर्ति संचालन दोनों के लिए आदर्श है, जो 2V से 36V तक एक व्यापक वोल्टेज अंतर में सहजता से अनुकूलित करता है।यह इनपुट कॉमन-मोड वोल्टेज के ऊपर एक स्तर 1.5V पर VCC को बनाए रखने के द्वारा सुनिश्चित किया जाता है।विविध आपूर्ति वोल्टेज में कुशलता से बिजली की खपत का प्रबंधन करने की इसकी क्षमता इसकी अपील को बढ़ाती है।इसके अलावा, ओपन-कलेक्टर आउटपुट वायर्ड-एंड कनेक्शन को सक्षम करते हैं, संभावित अनुप्रयोगों की अपनी सीमा का विस्तार करते हैं।
डिज़ाइन विशिष्टता LM339N को एकल और दोहरी आपूर्ति अनुप्रयोगों के लिए विशिष्ट रूप से अनुकूलनीय बनाती है, जो विभिन्न प्रकार की सेटिंग्स में लचीलापन प्रदान करती है।नियामक प्रणालियों में जहां स्थिरता और परिशुद्धता को गहराई से महत्व दिया जाता है, जैसे कि औद्योगिक स्वचालन या दूरसंचार, LM339N जैसे वोल्टेज तुलनित्र एक महत्वपूर्ण कार्य करते हैं।ये डोमेन स्थिरता खोए बिना पर्याप्त वोल्टेज शिफ्ट को संभालने के लिए घटक की क्षमता से लाभान्वित होते हैं।सिस्टम स्थिरता को प्राथमिकता देने वाले परिदृश्यों में, LM339N की स्थिर बिजली की खपत वोल्टेज के उतार -चढ़ाव के बीच अटूट प्रदर्शन का आश्वासन देती है।

|
पिन नं। |
पिन नाम |
विवरण |
|
1 |
1OUT |
तुलनित्र 1 का आउटपुट पिन |
|
2 |
2OUT |
तुलनित्र 2 का आउटपुट पिन |
|
3 |
वीसीसी |
आपूर्ति पिन |
|
4 |
2in- |
तुलनित्र 2 का नकारात्मक इनपुट पिन |
|
5 |
2in+ |
तुलनित्र 2 का सकारात्मक इनपुट पिन |
|
6 |
में 1- |
तुलनित्र 1 का नकारात्मक इनपुट पिन |
|
7 |
1in+ |
तुलनित्र 1 का सकारात्मक इनपुट पिन |
|
8 |
3in- |
तुलनित्र 3 का नकारात्मक इनपुट पिन |
|
9 |
3in+ |
तुलनित्र 3 का सकारात्मक इनपुट पिन |
|
10 |
4in- |
तुलनित्र 4 का नकारात्मक इनपुट पिन |
|
11 |
4in+ |
तुलनित्र 4 का सकारात्मक इनपुट पिन |
|
12 |
Gnd |
मैदान |
|
13 |
4OUT |
तुलनित्र 4 का आउटपुट पिन |
|
14 |
3OUT |
तुलनित्र 3 का आउटपुट पिन |

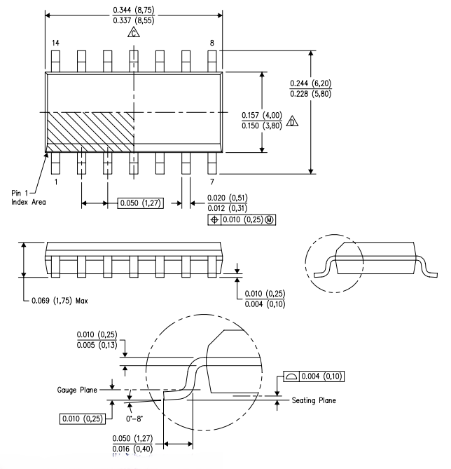
LM339N प्रतीक

LM339N पदचिह्न

LM339N CAD मॉडल
• व्यापक बिजली आपूर्ति सीमा?
• उच्चा परिशुद्धि: संवेदनशील माप प्रणालियों जैसे उच्च-सटीकता अनुप्रयोगों के लिए आदर्श, 2MV का एक कम विशिष्ट ऑफसेट वोल्टेज है।
• कम बिजली की खपत: बैटरी-संचालित और ऊर्जा-कुशल उपकरणों के लिए उपयुक्त, केवल 1.1mA की आपूर्ति वर्तमान के साथ संचालित होता है।
• न्यूनतम पूर्वाग्रह वर्तमान त्रुटियां: 25NA का इनपुट पूर्वाग्रह वर्तमान और ± 5NA का ऑफसेट करंट सटीक सर्किट में त्रुटि कम करता है।
• उच्च इनपुट वोल्टेज हैंडलिंग: इनपुट उतार-चढ़ाव के खिलाफ स्थिरता सुनिश्चित करते हुए, आपूर्ति वोल्टेज तक सामान्य-मोड और विभेदक इनपुट वोल्टेज का प्रबंधन करता है।
• तर्क परिपथ संगतता: टीटीएल, डीटीएल, ईसीएल, एमओएस और सीएमओ के साथ काम करता है, डिजिटल सिस्टम में एकीकरण को सरल बनाता है और अतिरिक्त घटकों की आवश्यकता को कम करता है।
|
प्रकार |
पैरामीटर |
|
स्टेटिक करंट प्रति चैनल मैक्स।(मा) |
0.5 |
|
आउटपुट करंट मिन।(मा) |
6 |
|
प्रतिक्रिया समय (उच्च से उच्च) ()) |
0.3 |
|
न्यूनतम परिचालन वोल्टेज |
2 |
|
अधिकतम परिचालन वोल्टेज |
30 |
|
कॉमन-मोड इनपुट वोल्टेज रेंज (VICR) मिनट।(V) |
- |
|
कॉमन-मोड इनपुट वोल्टेज रेंज (VICR) अधिकतम।(V) |
3.5 |
|
पूर्ण स्केल |
नहीं |
|
चैनल की संख्या |
4
|
|
पैकेज/तापमान (° C) |
PDIP-14 /0 ~ 70 |

• LM239N
• LM2901N
LM339N औद्योगिक स्वचालन और नियंत्रण प्रणालियों में एक आधारशिला है।इसकी प्राथमिक भूमिका पूर्वनिर्धारित थ्रेसहोल्ड के आधार पर सटीक और ट्रिगर क्रियाओं के साथ वोल्टेज के स्तर की तुलना करना है।उदाहरण के लिए, विनिर्माण प्रक्रियाओं में, LM339N सेंसर आउटपुट की निगरानी कर सकता है और यह निर्धारित कर सकता है कि कुछ शर्तें, जैसे कि तापमान, दबाव या द्रव का स्तर, सुरक्षित परिचालन सीमाओं के भीतर हैं।जब एक विसंगति का पता लगाया जाता है, तो IC अलार्म को सक्रिय करने, मशीनरी को रोकने या नियंत्रण मापदंडों को समायोजित करने जैसे सुधारात्मक क्रियाओं को शुरू करता है।इसका उच्च इनपुट प्रतिबाधा और कम वोल्टेज पर संचालित करने की क्षमता बड़े पैमाने पर कारखानों से लेकर कॉम्पैक्ट नियंत्रण पैनल तक, विभिन्न औद्योगिक वातावरणों के लिए इसे अत्यधिक अनुकूलनीय बनाती है।अत्यधिक तापमान या विद्युत शोर जैसी कठोर परिस्थितियों में भी स्थिर संचालन सुनिश्चित करके, LM339N संचालन में दक्षता, सुरक्षा और विश्वसनीयता का समर्थन करता है।
मोटर वाहन अनुप्रयोगों में, LM339N कई प्रणालियों की निगरानी और नियंत्रित करने के लिए एक प्रमुख घटक के रूप में कार्य करता है जो प्रदर्शन और सुरक्षा दोनों के लिए अच्छे हैं।उदाहरण के लिए, इंजन प्रबंधन प्रणालियों में, यह सेंसर डेटा की निगरानी में मदद करता है, जैसे कि ऑक्सीजन का स्तर, इंजन तापमान और थ्रॉटल स्थिति, यह सुनिश्चित करना कि इंजन कुशलतापूर्वक और सुरक्षित सीमाओं के भीतर संचालित होता है।यह प्रकाश प्रणालियों, हेडलाइट्स, आंतरिक प्रकाश व्यवस्था और संकेतक संकेतों को नियंत्रित करने के लिए भी बहुत अच्छा है।LM339N एयरबैग परिनियोजन सिस्टम और एंटी-लॉक ब्रेकिंग सिस्टम (एबीएस) जैसे सुरक्षा तंत्रों में एक भूमिका निभाता है, जहां संभावित मुद्दों का पता लगाने या जीवन-रक्षक प्रतिक्रियाओं को सक्रिय करने के लिए सटीक वोल्टेज तुलना करता है।सिस्टम जो निरंतर गति, कंपन और उतार -चढ़ाव वाले तापमान की कठोरता को सहन करना चाहिए।
आधुनिक वाहन एक सहज और उपयोगकर्ता के अनुकूल ड्राइविंग अनुभव देने के लिए इन्फोटेनमेंट सिस्टम और डिजिटल डैशबोर्ड पर भरोसा करते हैं।LM339N इन प्रणालियों में महत्वपूर्ण भूमिका निभाता है, इन्फोटेनमेंट इकाइयों और इंस्ट्रूमेंट क्लस्टर के भीतर डेटा प्रोसेसिंग की सटीकता और जवाबदेही में सुधार करता है।मल्टीमीडिया सिस्टम में, यह विभिन्न स्रोतों से इनपुट का प्रबंधन करने में मदद करता है, जैसे कि टचस्क्रीन, वॉयस कमांड और ऑडियो/वीडियो सिग्नल, चिकनी संक्रमण और विश्वसनीय संचालन सुनिश्चित करते हैं।डैशबोर्ड समूहों में, यह गति, ईंधन स्तर, इंजन की स्थिति और नेविगेशन डेटा जैसी जानकारी के सटीक दृश्य में योगदान देता है।वोल्टेज तुलना और तार्किक संचालन को सक्षम करके, LM339N यह सुनिश्चित करता है कि ये सिस्टम LAG या त्रुटियों के बिना कार्य करते हैं, दोनों चालक सुविधा और वाहन प्रदर्शन को बढ़ाते हैं।
बॉडी कंट्रोल मॉड्यूल एक वाहन के भीतर विभिन्न विद्युत और इलेक्ट्रॉनिक कार्यों को प्रबंधित करने के लिए केंद्रीय हैं, जैसे कि बिजली की खिड़कियां, केंद्रीय लॉकिंग, सीट समायोजन और आंतरिक/बाहरी प्रकाश व्यवस्था।LM339N इन मॉड्यूल में गहराई से एकीकृत है, एक तुलनित्र के रूप में कार्य करता है जो स्विच, सेंसर या नियंत्रकों से इनपुट संकेतों का मूल्यांकन करता है।उदाहरण के लिए, जब कोई ड्राइवर एक विंडो को रोल करने के लिए बटन दबाता है, तो LM339N इनपुट सिग्नल की तुलना पूर्व निर्धारित स्थितियों के साथ करता है और उचित प्रतिक्रिया को निर्धारित करता है जैसे कि विंडो को कम करने के लिए मोटर को सक्रिय करना।कम शक्ति पर कुशलता से संचालित करने और एक साथ कई इनपुट को संभालने की इसकी क्षमता इन अनुप्रयोगों के लिए इसे आदर्श बनाती है।इसके अलावा, बीसीएम में सुरक्षित और कुशल बिजली वितरण सुनिश्चित करने में इसकी भूमिका सिस्टम की खराबी की संभावना को कम करने में योगदान देती है, जिससे समग्र वाहन विश्वसनीयता में सुधार होता है।
बिजली की आपूर्ति किसी भी इलेक्ट्रॉनिक प्रणाली की रीढ़ है, और घटकों के उचित कामकाज को सुनिश्चित करने के लिए उनकी स्थिरता महत्वपूर्ण है।LM339N बिजली की आपूर्ति लाइनों की निगरानी में उत्कृष्टता प्राप्त करता है, इनपुट वोल्टेज स्तरों की तुलना पूर्वनिर्धारित सुरक्षित सीमाओं से करता है।यदि वोल्टेज नीचे गिरता है या इन सीमाओं से ऊपर उठता है, तो आईसी एक प्रतिक्रिया को ट्रिगर कर सकता है, जैसे कि क्षति को रोकने के लिए संवेदनशील घटकों को बंद करना, एक चेतावनी का संकेत देना, या बैकअप सिस्टम को सक्रिय करना।यह क्षमता निर्बाध बिजली आपूर्ति (यूपीएस), बैटरी चार्जर और नवीकरणीय ऊर्जा प्रणालियों जैसे अनुप्रयोगों में महत्वपूर्ण है, जहां स्थिरता बनाए रखने और उपकरणों की रक्षा के लिए वोल्टेज विनियमन।इसकी कम बिजली की खपत और विस्तृत वोल्टेज रेंज LM339N को बिजली पर्यवेक्षण कार्यों के लिए लागत प्रभावी और कुशल समाधान बनाती है।
ऑसिलेटर्स का उपयोग आवधिक संकेतों को उत्पन्न करने के लिए किया जाता है जो इलेक्ट्रॉनिक उपकरणों में समय के संदर्भ के रूप में काम करते हैं।LM339N आमतौर पर असाधारण सटीकता के साथ वोल्टेज के स्तर की तुलना करने की क्षमता के कारण सटीक थरथरानवाला सर्किट डिजाइन करने में नियोजित होता है।उदाहरण के लिए, इसे डिजिटल घड़ियों, सिग्नल जनरेटर या आवृत्ति मॉड्यूलेशन सिस्टम में उपयोग के लिए स्क्वायर वेव सिग्नल का उत्पादन करने के लिए कॉन्फ़िगर किया जा सकता है।इसकी बहुमुखी प्रतिभा भी इसे टाइमर सर्किट में कार्य करने की अनुमति देती है, जहां देरी रिले, पल्स-चौड़ाई मॉड्यूलेशन (पीडब्लूएम), या डिजिटल सिस्टम में अनुक्रमिक संचालन जैसी प्रक्रियाओं को नियंत्रित करने के लिए सटीक अंतराल की आवश्यकता होती है।LM339N के हाई-स्पीड ऑपरेशन और कम ऑफसेट वोल्टेज इन ऑसिलेटर्स की स्थिरता और सटीकता में योगदान करते हैं।
एक सिग्नल के शिखर मान का पता लगाना कई माप और सिग्नल प्रोसेसिंग अनुप्रयोगों में एक फ़ंक्शन है।LM339N इनपुट स्तरों की तुलना करके और आगे के विश्लेषण के लिए शिखर मूल्य को धारण करके एक उतार -चढ़ाव के संकेत के अधिकतम आयाम की कुशलता से पहचान कर सकता है।यह सुविधा ऑडियो सिग्नल प्रोसेसिंग जैसे सिस्टम में उपयोगी है, जहां यह वॉल्यूम सामान्यीकरण या विरूपण रोकथाम के लिए एक ऑडियो तरंग के सबसे बड़े हिस्से की पहचान करने में मदद करता है।इसी तरह, परीक्षण और माप उपकरणों में, आईसी शोर मूल्यों को शोर या तेजी से बदलते संकेतों से अलग करके सटीक रीडिंग की सुविधा देता है।एनालॉग और डिजिटल सिस्टम दोनों में प्रभावी ढंग से संचालित करने की इसकी क्षमता पीक डिटेक्शन परिदृश्यों की एक विस्तृत श्रृंखला में इसकी उपयोगिता को बढ़ाती है।
कई इलेक्ट्रॉनिक प्रणालियों में विभिन्न वोल्टेज स्तरों पर काम करने वाले घटक होते हैं, जो संगतता और सुसंगत प्रदर्शन सुनिश्चित करने के लिए वोल्टेज अनुवाद करते हैं।LM339N तर्क स्तरों की तुलना करके और अलग -अलग वोल्टेज आवश्यकताओं के साथ सर्किट अनुभागों के बीच संकेतों का अनुवाद करके इस प्रक्रिया को सरल बनाता है।उदाहरण के लिए, एक मिश्रित-संकेत प्रणाली में जहां कुछ घटक 3.3V और अन्य पर 5V पर काम करते हैं, LM339N यह सुनिश्चित करता है कि सिग्नल विकृति या सूचना के नुकसान के बिना सटीक रूप से परिवर्तित हो जाते हैं।यह क्षमता माइक्रोकंट्रोलर जैसे सिस्टम में उपयोग की जाती है, जहां परिधीय और सेंसर विभिन्न वोल्टेज स्तरों पर काम कर सकते हैं।सहज तर्क स्तर अनुवाद प्रदान करके, LM339N घटकों के बीच सुचारू संचार को सक्षम करता है और समग्र प्रणाली स्थिरता को बनाए रखने में मदद करता है।





टेक्सास इंस्ट्रूमेंट्स (TI) एक प्रमुख अर्धचालक कंपनी है जिसमें 35 देशों में 30,000 से अधिक कर्मचारी काम कर रहे हैं।1958 में पहले कार्यात्मक एकीकृत सर्किट का आविष्कार करने के बाद से, टीआई ने मोटर वाहन, दूरसंचार और इलेक्ट्रॉनिक्स जैसे उद्योगों के लिए एनालॉग और एम्बेडेड प्रोसेसिंग चिप्स के डिजाइन और निर्माण पर ध्यान केंद्रित किया है।टीआई की वैश्विक सफलता अपने कुशल कार्यबल द्वारा संचालित होती है, जिसे टीयर के रूप में जाना जाता है, जो जटिल चुनौतियों को हल करने और विश्वसनीय, अत्याधुनिक उत्पादों को वितरित करने के लिए सहयोग करते हैं।उनका काम उद्योगों को दैनिक जीवन को प्रभावित करने वाले नवाचारों को आकार देते हुए विकसित प्रौद्योगिकी मांगों को पूरा करने में मदद करता है।छह दशकों से अधिक समय तक, टीआई अर्धचालक प्रगति में सबसे आगे बनी हुई है।नवाचार और दक्षता पर इसका ध्यान उच्च प्रदर्शन वाले उत्पादों के निर्माण को सक्षम करता है जो सिलिकॉन-आधारित प्रौद्योगिकी की सीमाओं को आगे बढ़ाते हैं।नवाचार और सहयोग के माध्यम से, TI उद्योगों को प्रभावित करने और दुनिया भर में प्रौद्योगिकी के साथ बातचीत करने में सुधार करने के लिए जारी है।
बहु देव डेटशीट 11/दिसंबर/2018.pdf
कृपया एक जांच भेजें, हम तुरंत जवाब देंगे।
LM339N सटीक वोल्टेज स्तर की निगरानी की मांग करने वाले सर्किटों में महत्वपूर्ण उपयोग पाता है, क्योंकि यह एक ही पैकेज के भीतर कई तुलनित्रों को शामिल कर सकता है।यह सुविधा, बिजली के उपयोग में अपनी दक्षता के साथ संयुक्त है, यह बैटरी पर निर्भर उपकरणों के लिए उपयुक्त बनाता है।एक इलस्ट्रेटिव उपयोग का मामला शून्य-क्रॉसिंग डिटेक्टरों में है, जहां सिस्टम की स्थिरता और सहज संचालन को बनाए रखने के लिए सटीक संकेत तुलना करता है।यह सटीकता केवल एक तकनीकी आवश्यकता नहीं है, बल्कि समग्र प्रणाली के प्रदर्शन को बढ़ाती है।
कार्यात्मक रूप से, LM339N अपने इनपुट पिन पर वोल्टेज के स्तर का आकलन करता है और तदनुसार एक बेहतर या हीन स्थिति का उत्पादन करने का फैसला करता है।यह प्रक्रिया इस बात से मिलती -जुलती है कि प्रौद्योगिकी क्षेत्रों में प्रारंभिक पता लगाने वाले तंत्र सूक्ष्म संस्करणों को कैसे देखते हैं, जो त्वरित प्रतिक्रियाओं को सक्षम करते हैं।इसकी वास्तुकला विभाजन आपूर्ति संचालन के साथ संगत है, जो विभिन्न प्रकार के सर्किट सेटअप में एकीकरण की सुविधा प्रदान करता है, वोल्टेज वातावरण की एक श्रृंखला में अनुकूलनशीलता की पेशकश करता है, जिससे इसकी प्रयोज्यता व्यापक हो जाती है।
LM339N और LM339 मुख्य रूप से उनके वोल्टेज ऑपरेशनल रेंज और पैकेजिंग डिजाइनों द्वारा खुद को अलग करते हैं।ये विविधताएं विशेष परियोजना की जरूरतों के लिए उनके समायोजन को प्रभावित करती हैं, जैसे कि सीमित स्थान या अलग -अलग थर्मल प्रदर्शन की स्थिति।एक उपयुक्त पैकेज कॉन्फ़िगरेशन का चयन करना अंतिम उत्पाद की दीर्घायु और प्रभावशीलता को बढ़ा सकता है, डिजाइन निर्णयों को प्रभावशाली तकनीकी परिणामों में बदल सकता है।
एक तुलनित्र अपने इनपुट का मूल्यांकन करता है, जो उनके सापेक्ष परिमाण के आधार पर एक बाइनरी सिग्नल जारी करता है।यह निर्णय लेने की प्रक्रियाओं के समानांतर है जहां द्विआधारी परिणाम बाद के कार्यों को चलाते हैं।बाइनरी आउटपुट डिजिटल सर्किट के लिए एक मोड़ है, जो आगामी संचालन को आकार देता है और सुसंगत और सिंक्रनाइज़ सिस्टम कार्यक्षमता सुनिश्चित करता है।यह एक डिजिटल डिजाइन के निर्बाध प्रवाह में एक आधारशिला के रूप में कार्य करता है, कार्यों के व्यवस्थित निष्पादन को मजबूत करता है।
2024/12/5 पर
2024/12/5 पर
8000/04/18 पर 147758
2000/04/18 पर 111943
1600/04/18 पर 111349
0400/04/18 पर 83721
1970/01/1 पर 79508
1970/01/1 पर 66916
1970/01/1 पर 63066
1970/01/1 पर 63012
1970/01/1 पर 54081
1970/01/1 पर 52139