
LM393N एक लचीली दोहरी स्वतंत्र कम-वोल्टेज तुलनित्र के रूप में तैयार किया गया है, जो उन परिदृश्यों के लिए उपयुक्त है जो एक व्यापक वोल्टेज रेंज में एकल-आपूर्ति संचालन से लाभान्वित होते हैं।इसका डिज़ाइन विभिन्न विद्युत विन्यासों के लिए एक बहुमुखी समाधान की पेशकश करते हुए, विभाजन आपूर्ति उपयोग को समायोजित करता है।इसका इनपुट कॉमन-मोड वोल्टेज रेंज विशेष रूप से जमीनी स्तर को शामिल करने के लिए फैला है, यहां तक कि एकल-आपूर्ति के वातावरण के भीतर भी, बिजली की स्थितियों की मांग के लिए अपनी क्षमता को दर्शाता है।
इसके संरचनात्मक डिजाइन के भीतर, LM393N कई अनुप्रयोगों का समर्थन करता है।ये बैटरी-संचालित उपकरणों से अधिक जटिल प्रणालियों तक जहां स्थिरता बिजली की स्थिति को बदलने के तहत वांछित है।वास्तविक संदर्भों में, आप अक्सर इन जैसे घटकों के साथ विश्वास की भावना का अनुभव कर सकते हैं, अस्थिर बिजली की आपूर्ति के बीच एम्बेडेड सिस्टम में विश्वसनीयता की सुरक्षा के लिए उन पर भरोसा करते हैं।
LM393 श्रृंखला में शामिल हैं LM393DR, LM393M, LM393D, LM331N, और LM393MX वेरिएंट, प्रत्येक अलग -अलग कार्यप्रणाली की सेवा करता है।ये मॉडल विशिष्ट आवश्यकताओं को संबोधित करते हैं, परियोजना-विशिष्ट मांगों के लिए डिजाइन दक्षता और अनुकूलन को बढ़ाते हैं।सही संस्करण का चयन करने से एकीकरण प्रक्रिया और इलेक्ट्रॉनिक कॉन्फ़िगरेशन के समग्र प्रदर्शन पर एक उल्लेखनीय प्रभाव पड़ सकता है।




|
विशेषता |
विनिर्देश |
|
आपूर्ति वोल्टेज सीमा |
+2 V से +36 V (एकल-आपूर्ति) या ± 1 V से (18 V (दोहरी
आपूर्ति) |
|
आपूर्ति धारा |
0.45 एमए आपूर्ति वोल्टेज से स्वतंत्र (1 मेगावाट/तुलनित्र पर
+5 V) |
|
इनपुट पूर्वाग्रह वर्तमान |
20 एनए (विशिष्ट) |
|
इनपुट ऑफसेट करंट |
± 3 ना (विशिष्ट) |
|
निवेश समायोजन विद्युत संचालन शक्ति |
± 1 एमवी (विशिष्ट) |
|
इनपुट सामान्य-मोड वोल्टेज रेंज |
जमीन शामिल है |
|
आउटपुट संतृप्ति वोल्टेज |
80 एमवी (विशिष्ट, इस्क = 4 एमए) |
|
विभेदक इनपुट वोल्टेज सीमा |
आपूर्ति वोल्टेज के बराबर |
|
निर्गम संगतता |
TTL, DTL, ECL, MOS, CMOS संगत |
|
प्रकार |
पैरामीटर |
|
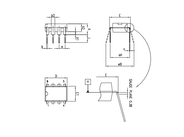
माउन्टिंग का प्रकार |
होल के माध्यम से |
|
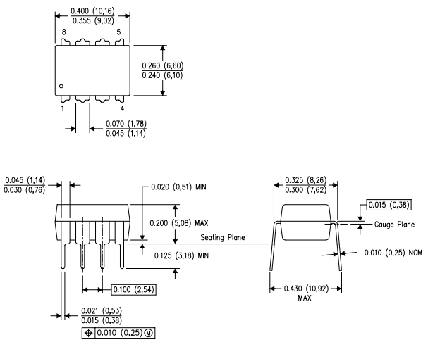
पैकेज / मामला |
8-DIP (0.300, 7.62 मिमी) |
|
सतह पर्वत |
नहीं |
|
तत्वों की संख्या |
2 |
|
परिचालन तापमान |
0 ° C ~ 70 ° C |
|
पैकेजिंग |
नली |
|
JESD-609 कोड |
ई 3 |
|
भाग की स्थिति |
अप्रचलित |
|
नमी संवेदनशीलता स्तर (एमएसएल) |
1 (असीमित) |
|
समाप्ति की संख्या |
8 |
|
ईसीसीएन कोड |
Ear99 |
|
प्रकार |
सामान्य प्रयोजन |
|
टर्मिनल खत्म |
मैट टिन (एसएन) - annealed |
|
टर्मिनल स्थिति |
दोहरी |
|
पीक रिफ्लो तापमान (CEL) |
निर्दिष्ट नहीं है |
|
कार्यों की संख्या |
2 |
|
वोल्टेज आपूर्ति |
5V |
|
समय@पीक रिफ्लो तापमान-मैक्स (एस) |
निर्दिष्ट नहीं है |
|
आधार भाग संख्या |
LM393 |
|
पिन काउंट |
8 |
|
JESD-30 कोड |
आर-पीडीआईपी-टी 8 |
|
योग्यता की स्थिति |
योग्य नहीं |
|
उत्पादन का प्रकार |
CMOS, DTL, ECL, MOS, OPEN-COLLECTOR, TTL |
|
बिजली की आपूर्ति |
5V |
|
प्रतिक्रिया समय |
1300 एनएस |
|
वोल्टेज - आपूर्ति, एकल/दोहरी (±) |
2V ~ 36V ± 1V ~ 18V |
|
औसत पूर्वाग्रह करंट-मैक्स (IIB) |
0.4μA |
|
आपूर्ति वोल्टेज सीमा-मैक्स |
36V |
|
वर्तमान - quiescent (अधिकतम) |
2.5MA |
|
वोल्टेज - इनपुट ऑफसेट (अधिकतम) |
5MV @ 30V |
|
वर्तमान - इनपुट पूर्वाग्रह (अधिकतम) |
0.25μA @ 5V |
|
वर्तमान - आउटपुट (टाइप) |
18ma @ 5v |
|
ऊंचाई बैठा (अधिकतम) |
5.33 मिमी |
|
रोह्स स्टेटस |
ROHS3 आज्ञाकारी |

LM393N तुलनित्र विभिन्न व्यावहारिक क्षेत्रों में कार्यरत एक जटिल और कुशल घटक के रूप में खड़ा है, विशेष रूप से बैटरी-संचालित और औद्योगिक प्रणालियों की मांगों की विशेषता वाले वातावरण में उत्कृष्ट है।
ऊर्जा की खपत और सटीकता के लिए LM393N का दृष्टिकोण बैटरी-संचालित उपकरणों को खूबसूरती से पूरा करता है।पोर्टेबल इलेक्ट्रॉनिक्स की दुनिया में, ऊर्जा दक्षता और प्रदर्शन के बीच एक नाजुक सद्भाव प्राप्त करना आपकी संतुष्टि और डिवाइस अपील को गहराई से प्रभावित कर सकता है।LM393N न्यूनतम ऊर्जा नाली के साथ सटीक वोल्टेज तुलना प्रदान करके उत्कृष्टता प्राप्त करता है, जिससे बैटरी दीर्घायु का विस्तार होता है।आप अक्सर सर्किट डिजाइन करने के लिए अपनी क्षमताओं में टैप कर सकते हैं जो सतर्कता से बैटरी की स्थिति की निगरानी करते हैं, समय पर रिचार्ज को प्रेरित करते हैं और अत्यधिक कमी के खिलाफ सुरक्षा करते हैं।यह महत्वपूर्ण भूमिका लंबे समय तक उपयोग की अवधि में डिवाइस की स्थिर विश्वसनीयता को रेखांकित करती है।
औद्योगिक परिदृश्य के भीतर, LM393N को इसकी मजबूती और सुसंगत प्रदर्शन के लिए सराहना की जाती है, जिसका उपयोग मांग की शर्तों के बीच संचालन को बनाए रखने के लिए किया जाता है।स्वचालित प्रणालियों में इसका एकीकरण सिग्नल प्रोसेसिंग में सहायता करता है और निर्णय लेने की कार्यक्षमता को बढ़ाता है।उदाहरण के लिए, तापमान नियंत्रण प्रणालियों में, LM393N वांछित पर्यावरणीय परिस्थितियों को बनाए रखने के लिए नियंत्रण प्रक्रियाओं को ट्रिगर करने के लिए बेंचमार्क सेट करने के लिए तापमान रीडिंग की तुलना करता है।अलग -अलग पर्यावरणीय परिस्थितियों में लगातार प्रदर्शन करने की इसकी क्षमता स्वचालित रूपरेखाओं में स्थिरता और परिचालन दक्षता सुनिश्चित करती है।वास्तविक अनुप्रयोग औद्योगिक प्रणाली की निरंतरता का समर्थन करने में LM393N जैसे भरोसेमंद घटकों के महत्व पर जोर देते हैं।


यांत्रिक आंकड़ा


Stmicroelectronics विभिन्न माइक्रोइलेक्ट्रॉनिक अनुप्रयोगों के लिए सिलसिलेवार परिष्कृत समाधानों की एक विविध रेंज का नेतृत्व करके अर्धचालकों की दुनिया में बाहर खड़ा है।कंपनी सिलिकॉन टेक्नोलॉजीज में उत्कृष्टता प्राप्त करती है, और इसके व्यापक विनिर्माण कौशल इसे सिस्टम-ऑन-चिप नवाचार में एक नेता बनाते हैं, एक ऐसा डोमेन जो आधुनिक तकनीकी प्रगति के साथ जुड़ा हुआ है।बौद्धिक संपदा के एक व्यापक भंडार से आकर्षित, Stmicroelectronics रणनीतिक साझेदारी को बढ़ावा देता है, बाजार में अपने पदचिह्न को बढ़ाता है।
Stmicroelectronics का सिलिकॉन प्रौद्योगिकियों का गहरे-बैठे ज्ञान अपने डिजाइन और विनिर्माण कौशल के मूल के रूप में कार्य करता है।यह आधार उच्च दक्षता वाले चिप्स के विकास का समर्थन करता है, विविध अनुप्रयोगों के चुनौतीपूर्ण मापदंडों को पूरा करता है।सिलिकॉन में विशेषज्ञता उपभोक्ता इलेक्ट्रॉनिक्स के निर्माण की अनुमति देती है जो विश्वसनीयता और ऊर्जा दक्षता प्रदान करती है, इस प्रकार समकालीन उपकरणों को अपनाने को प्रोत्साहित करती है जो दिन-प्रतिदिन के अनुभवों को बदलते हैं।
LM193, A LM293, A-LM393, A.PDF
कृपया एक जांच भेजें, हम तुरंत जवाब देंगे।
LM393N और LM393P अनुप्रयोगों में लगातार प्रदर्शन का प्रदर्शन करते हैं।मुख्य अंतर उनकी पैकेजिंग में निहित है: LM393N एक दोहरी इन-लाइन प्लास्टिक प्रारूप में संलग्न है, जबकि LM393P एक एकल इन-लाइन पैकेज में आता है।पैकेजिंग निर्णय स्थानिक और डिजाइन विचारों को प्रभावित कर सकता है, आवेदन विकल्पों को प्रभावित कर सकता है।
पैकेजिंग से परे, उनके अंतर न्यूनतम हैं क्योंकि दोनों को डीआईपी -8 पैकेज की आवश्यकता होती है।चयन अक्सर विशिष्ट अनुप्रयोग आवश्यकताओं पर टिका होता है, जहां पैकेजिंग एक उल्लेखनीय निर्धारक बन जाती है।
LM393N एक दोहरे वोल्टेज तुलनित्र के रूप में संचालित होता है।जब (-) इनपुट 2.5V पर होता है, तो आउटपुट कम रहता है यदि (+) इनपुट 2.5V से नीचे है लेकिन 2MV से ऊपर है।यह कम रहता है जब (+) इनपुट (-) इनपुट से 2MV से कम होता है।यदि (+) इनपुट 2MV से अधिक (-) से अधिक है, तो आउटपुट उच्च हो जाता है।इस तंत्र को अक्सर परिदृश्यों में नियोजित किया जाता है, जिसमें सटीक वोल्टेज तुलना की आवश्यकता होती है, जो इलेक्ट्रॉनिक डिजाइन की सटीक प्रकृति को दर्शाती है।
LM393N बाजार ने हाल ही में स्थिर मूल्य निर्धारण को बनाए रखा है, जो पर्याप्त इन्वेंट्री और चल रहे लेनदेन द्वारा उकसाया गया है।आपूर्तिकर्ता लगातार उद्धरण प्रदान करते हैं, एक मजबूत बाजार उपस्थिति का संकेत देते हैं।प्रभावी खरीद रणनीतियों को तैयार करने में इन रुझानों को समझना।
LM193, LM293, और LM2903 LM393N के लिए व्यवहार्य प्रतिस्थापन के रूप में खड़े हैं।वे दोहरे-वोल्टेज तुलनित्र IC के रूप में काम करते हैं और सिस्टम डिज़ाइन में उल्लेखनीय परिवर्तनों के बिना शामिल किया जा सकता है।ये विकल्प प्रदर्शन मानकों को बनाए रखते हुए डिजाइन लचीलापन प्रदान करते हैं, जो घटक चयन की सटीक मांगों की समझ को दर्शाते हैं।
2024/11/8 पर
2024/11/8 पर
8000/04/18 पर 147757
2000/04/18 पर 111935
1600/04/18 पर 111349
0400/04/18 पर 83719
1970/01/1 पर 79508
1970/01/1 पर 66903
1970/01/1 पर 63026
1970/01/1 पर 63010
1970/01/1 पर 54081
1970/01/1 पर 52121