
LT1085 एक भरोसेमंद, समायोज्य कम ड्रॉपआउट रैखिक वोल्टेज नियामक है जो 3 ए की आउटपुट वर्तमान क्षमता के साथ कुशल प्रदर्शन के लिए डिज़ाइन किया गया है।इसका समायोज्य आउटपुट वोल्टेज एक व्यापक इनपुट रेंज को 2.55V से 30V तक फैलाता है, जिससे विभिन्न अनुप्रयोगों में लचीलापन होता है।तीन पैकेज विकल्पों की बहुमुखी प्रतिभा के साथ-टू -220, डीडी, और 3-लीड प्लास्टिक TO-220- LT1085 अलग-अलग इंस्टॉलेशन जरूरतों के लिए अच्छी तरह से अनुकूल है।यह नियामक का डिज़ाइन उच्च प्रदर्शन के साथ उपयोगकर्ता के अनुकूल समायोजन को जोड़ता है, जिससे यह मांग वाले वातावरण में स्थिर वोल्टेज आउटपुट देने के लिए एक लोकप्रिय विकल्प बन जाता है।

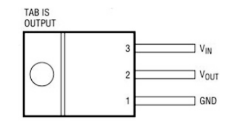
| पिन नं। | पिन नाम | विवरण |
| 1 | Adj/gnd | आउटपुट संस्करण को समायोजित करने के लिए समायोज्य पिन।निश्चित प्रकार के संस्करण के लिए जमीन |
| 2 | आउटपुट | आउटपुट वोल्टेज पिन |
| 3 | इनपुट | इनपुट वोल्टेज पिन |

एनालॉग डिवाइसेस, इंक। LT1085IT के लिए तकनीकी विनिर्देश, विशेषताएँ, पैरामीटर और तुलनीय भाग।
| प्रकार | पैरामीटर |
| पैकेज / मामला | टी |
| पिन की संख्या | 3 |
| पैकेजिंग | थोक |
| अधिकतम परिचालन तापमान | 150 ° C |
| न्यूनतम संचालन तापमान | -40 ° C |
| आउटपुट की संख्या | 1 |
| विचारों में भिन्नता | सकारात्मक |
| परिचालन आपूर्ति वर्तमान | 5ma |
| शक्ति का अपव्यय | 30W |
| मौजूदा उत्पादन | 3 ए |
| अधिकतम आउटपुट वोल्टेज | 28.5V |
| वोल्टेज - आउटपुट | 28.5V |
| नियामक की संख्या | 1 |
| न्यूनतम इनपुट वोल्टेज | 2.55V |
| अधिकतम इनपुट वोल्टेज | 30V |
| ड्रॉपआउट वोल्टेज | 1.3V |
| न्यूनतम आउटपुट वोल्टेज | 1.25V |
| बिजली आपूर्ति अस्वीकृति अनुपात | 75DB |
| न्यूनतम वर्तमान सीमा | 3.2 ए |
| विकिरण कठोरता | नहीं |
| रोह्स स्टेटस | ROHS आज्ञाकारी |
| सीसा मुक्त | इसमें लीड शामिल है |

LT1085 वोल्टेज नियामक में एक सीधा तीन-टर्मिनल डिज़ाइन है, जो इनपुट, आउटपुट और समायोजन के लिए आसान कनेक्शन की अनुमति देता है।यह सेटअप एक स्थिर कनेक्शन सुनिश्चित करता है और स्थापना और कॉन्फ़िगरेशन को त्वरित और उपयोगकर्ता के अनुकूल बनाता है।
समायोज्य संस्करण उपलब्ध होने के साथ, आपके पास आउटपुट वोल्टेज को विशिष्ट आवश्यकताओं के लिए सेट करने की लचीलापन है।बस ADJ पिन से जुड़े रोकनेवाला को बदलकर, आप आउटपुट वोल्टेज को ठीक कर सकते हैं, इसे अनुप्रयोगों और वोल्टेज आवश्यकताओं की एक श्रृंखला के लिए अनुकूलित कर सकते हैं।
LT1085 नियामक 3A का एक प्रभावशाली आउटपुट वर्तमान प्रदान करता है।यह क्षमता उन अनुप्रयोगों के लिए उपयुक्त बनाती है जो एक स्थिर वर्तमान आपूर्ति की मांग करते हैं, जिससे आपकी परियोजनाओं को स्थिरता से समझौता किए बिना उन्हें विश्वसनीय प्रदर्शन की आवश्यकता होती है।
LT1085 की स्टैंडआउट विशेषताओं में से एक है 1V के रूप में एक ड्रॉपआउट वोल्टेज के साथ संचालित करने की इसकी क्षमता।यह कुशल वोल्टेज विनियमन के लिए अनुमति देता है, तब भी जब इनपुट वोल्टेज आउटपुट वोल्टेज के करीब होता है, यह उन अनुप्रयोगों के लिए उपयुक्त बनाता है जहां बिजली दक्षता एक प्राथमिकता है।
यह नियामक विभिन्न वर्तमान स्तरों पर एक गारंटीकृत ड्रॉपआउट वोल्टेज प्रदान करता है।यह स्थिरता यह सुनिश्चित करती है कि यह विश्वसनीय प्रदर्शन प्रदान करता है, चाहे अलग -अलग वर्तमान मांगों की परवाह किए बिना, आपको उन अनुप्रयोगों में मन की शांति प्रदान करता है जो लोड में परिवर्तन का अनुभव करते हैं।
LT1085 इनपुट वोल्टेज में परिवर्तन के बावजूद एक स्थिर आउटपुट को बनाए रखते हुए, 0.015%की लाइन विनियमन प्रदान करता है।यह सुविधा आपके सर्किटों को उतार -चढ़ाव से बचाने में मदद करती है और आउटपुट को सुसंगत बनाए रखती है, जो संवेदनशील अनुप्रयोगों में मूल्यवान है।
0.1%के लोड विनियमन के साथ, यह नियामक आउटपुट लोड में प्रभावी रूप से परिवर्तन का प्रबंधन करता है।इसका मतलब यह है कि अलग -अलग भार के साथ, LT1085 अलग -अलग परिचालन परिस्थितियों में अपने सर्किटों का समर्थन करते हुए, स्थिर वोल्टेज आउटपुट को बनाए रख सकता है।
प्रत्येक LT1085 एक पूर्ण थर्मल सीमा कार्यात्मक परीक्षण से गुजरता है, यह सुनिश्चित करता है कि यह गर्मी विघटन को प्रभावी ढंग से संभाल सकता है।थर्मल सीमाओं पर यह ध्यान नियामक के स्थायित्व को बढ़ाता है, जिससे आपको इसकी दीर्घकालिक विश्वसनीयता और प्रदर्शन में विश्वास मिलता है।
3.3V, 3.6V, 5V, और 12V जैसे कई आउटपुट वोल्टेज विकल्पों में उपलब्ध है, LT1085 विभिन्न बिजली की जरूरतों के लिए अनुकूलित करता है, जिससे यह अनुप्रयोगों की एक विस्तृत सरणी के लिए उपयुक्त है।
• Az1084
• LT1084
• NX1117
• AP2112K
• AMS1117
• Mic5225
• LT1086
LT1085 वोल्टेज नियामक सेट करने के लिए सीधा है, बस कुछ बाहरी घटकों की आवश्यकता है।उदाहरण के लिए, यदि आप एक समायोज्य मॉडल के साथ काम कर रहे हैं, तो आप ADJ पिन से जुड़े रोकनेवाला मूल्य को बदलकर विनियमित आउटपुट वोल्टेज को ठीक कर सकते हैं।यह कई सेटअप के लिए अनुकूलनीय बनाता है, विशिष्ट वोल्टेज आवश्यकताओं से मेल खाने के लिए लचीलापन देता है।AZ1084 के समान एक पिन लेआउट के साथ, LT1085 में संक्रमण करना समान नियामकों से परिचित लोगों के लिए सहज हो सकता है।एक बार सेट करने के बाद, LT1085 न्यूनतम उपद्रव के साथ स्थिर और कुशल वोल्टेज विनियमन प्रदान करता है, जिससे यह विश्वसनीय प्रदर्शन की तलाश में नए और अनुभवी दोनों उपयोगकर्ताओं के लिए एक गो-टू है।

| भाग संख्या | LT1085IT | LT1086CT-3.6#PBF | LT1086IT-5#PBF | Lt1086it#36pbf |
| उत्पादक | एनालॉग डिवाइस, इंक। | रैखिक प्रौद्योगिकी / अनुरूप उपकरण | एनालॉग डिवाइस, इंक। | रैखिक प्रौद्योगिकी / अनुरूप उपकरण |
| पैकेज / मामला | टी | To-220-3 | To-220-3 गठित लीड | टी |
| पिन की संख्या | 3 | 3 | 3 | 3 |
| आउटपुट की संख्या | 1 | 1 | - | 1 |
| न्यूनतम इनपुट वोल्टेज | 2.55 वी | 2.55 वी | 2.55 वी | 2.55 वी |
| अधिकतम इनपुट वोल्टेज | 30 वी | 25 वी | - | 25 वी |
| न्यूनतम आउटपुट वोल्टेज | 1.25 वी | 1.25 वी | - | 1.25 वी |
| अधिकतम आउटपुट वोल्टेज | 28.5 वी | - | 23.5 वी | - |
| ड्रॉपआउट वोल्टेज | 1.3 वी | 1.3 वी | 1.3 वी | 1.3 वी |
| तुलना देखें | LT1085IT VS LT1086CT-3.6#PBF | LT1085IT VS LT1086IT-5#PBF | LT1085IT VS LT1086IT#36PBF |

एनालॉग डिवाइस उच्च-प्रदर्शन एकीकृत सर्किट के डिजाइन, विनिर्माण और बिक्री में एक वैश्विक नेता है, जो एनालॉग, मिश्रित-सिग्नल और डिजिटल सिग्नल प्रोसेसिंग में विशेषज्ञता रखता है।1965 में इसकी स्थापना के बाद से, एनालॉग डिवाइस ने इलेक्ट्रॉनिक उपकरणों में सिग्नल प्रोसेसिंग चुनौतियों पर लगातार ध्यान केंद्रित किया है।दुनिया भर में 100,000 से अधिक ग्राहकों की सेवा, एनालॉग डिवाइस की तकनीक वास्तविक दुनिया की घटनाओं को कैप्चर करने में महत्वपूर्ण भूमिका निभाती है-जैसे कि तापमान, दबाव, ध्वनि, प्रकाश, गति और गति-और उन्हें विद्युत संकेतों में परिवर्तित करना जो इलेक्ट्रॉनिक उपकरणों की एक श्रृंखला को शक्ति प्रदान करते हैं।
LT1085 एक सकारात्मक समायोज्य कम ड्रॉपआउट रैखिक वोल्टेज नियामक है जिसे कई समान उपकरणों की तुलना में उच्च दक्षता के साथ 3A के आउटपुट करंट को वितरित करने के लिए डिज़ाइन किया गया है।इसमें 2.55V से 30V तक एक इनपुट वोल्टेज रेंज है और समायोज्य आउटपुट वोल्टेज विकल्प प्रदान करता है।
हां, LT1117 और LT1085 दोनों कम-ड्रॉपआउट हैं, 78 श्रृंखला तीन-टर्मिनल नियामकों के समान कार्यों के साथ तीन-टर्मिनल नियामक हैं, जो स्थिर और कुशल वोल्टेज विनियमन प्रदान करते हैं।
AZ1084 LT1085 के समान पिन कॉन्फ़िगरेशन साझा करता है, जिससे पिन संगतता की आवश्यकता होती है।
LT1085 उपयोग करने के लिए सीधा है क्योंकि इसे केवल कुछ बाहरी घटकों की आवश्यकता होती है, जिससे सेटअप और कॉन्फ़िगरेशन सरल हो जाता है।
कृपया एक जांच भेजें, हम तुरंत जवाब देंगे।
2024/10/29 पर
2024/10/29 पर
8000/04/18 पर 147760
2000/04/18 पर 111967
1600/04/18 पर 111351
0400/04/18 पर 83729
1970/01/1 पर 79516
1970/01/1 पर 66930
1970/01/1 पर 63078
1970/01/1 पर 63023
1970/01/1 पर 54088
1970/01/1 पर 52160