
LTC6957HMS-3#TRPBF, रैखिक प्रौद्योगिकी/एनालॉग उपकरणों द्वारा विकसित, एक परिष्कृत फैनआउट घड़ी बफर के रूप में कार्य करता है।इसका संचालन कुशलता से 300MHz तक फैला हुआ है, जिसमें CML, CMOS, LVDS और LVPECL जैसे इनपुट प्रकारों को समायोजित किया गया है।एक आपूर्ति वोल्टेज के साथ 3.15V और 3.45V के बीच कैटरिंग के साथ, यह विभिन्न प्रकार के अनुप्रयोगों के लिए अच्छी तरह से अनुकूलित करता है।कई विविध इनपुट प्रारूपों को प्रबंधित करने की इसकी क्षमता की सराहना करते हैं।यह अनुकूलनशीलता विभिन्न प्रणालियों में एकीकरण को आसान बनाती है, मौजूदा तकनीकी वातावरण के साथ व्यापक रीडिज़ाइन की आवश्यकता को बढ़ाती है और सहज संगतता को बढ़ावा देती है।
300MHz तक का संचालन उच्च आवृत्ति अनुप्रयोगों के साथ IC को संरेखित करता है।यह उन्नत संचार प्रणालियों के लिए फिट बनाता है, जहां सटीक समय और सिंक्रनाइज़ेशन सिस्टम विश्वसनीयता को बढ़ाता है और व्यावहारिक उपयोग में प्रदर्शन को बढ़ाता है।3.15V से 3.45V की आपूर्ति सीमा की विशेषता, IC विभिन्न परिस्थितियों में कार्यक्षमता बनाए रखता है, स्थिरता उधार देता है और डिवाइस के जीवनकाल को संभावित रूप से बढ़ाता है।यह लचीलापन गतिशील सेटिंग्स में पनपने के लिए अनुप्रयोगों को सशक्त बना सकता है।
इस आईसी को एक प्रणाली में शामिल करने के लिए अपनी विद्युत विशेषताओं और मौजूदा घटकों के साथ बातचीत में अंतर्दृष्टि की आवश्यकता होती है।डिजाइन की कमी और प्रदर्शन लक्ष्यों के बीच एक संतुलन बनाने की आवश्यकता होती है, और LTC6957HMS-3#TRPBF जैसी घड़ी बफर को चुनना इन चुनौतियों को सरल बना सकता है।LTC6957HMS-3#TRPBF लचीलेपन, आवृत्ति क्षमता और वोल्टेज संगतता के सामंजस्य का प्रतीक है।इसका विचारशील डिजाइन विचार विभिन्न उपयोग के मामलों को पूरा करता है, जिससे यह उच्च-प्रदर्शन वाले इलेक्ट्रॉनिक डिजाइनों में एक मूल्यवान घटक बन जाता है।इस आईसी को एकीकृत करके, संचालन को सुव्यवस्थित किया जा सकता है, संभवतः कम सिस्टम जटिलता के माध्यम से लागत को कम कर सकता है।
LTC6957HMS -3#TRPBF को -40 ° C से 125 ° C तक के तापमान का सामना करने के लिए बनाया गया है, जो कि तापमान धीरज की सीमाओं का परीक्षण करने वाली परियोजनाओं को समायोजित करता है।इसका लचीलापन औद्योगिक और मोटर वाहन दोनों सेटिंग्स में स्थिर प्रदर्शन सुनिश्चित करता है, उन लोगों के साथ प्रतिध्वनित होता है जो मांग वाले वातावरण को नेविगेट करते हैं जहां तापमान में उतार -चढ़ाव एक निरंतर चुनौती है।
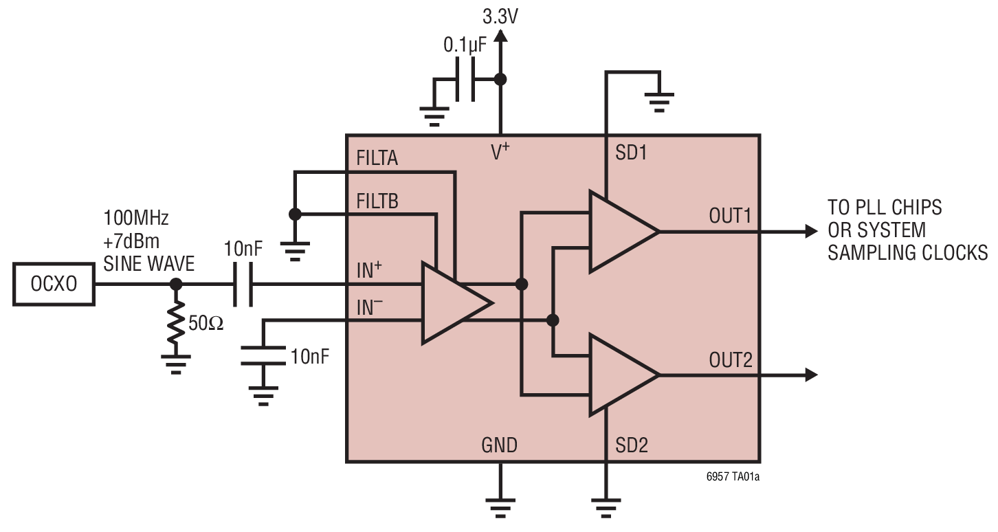
यह डिवाइस एक सीएमओएस सेटअप में आउटपुट प्रदान करता है, जो इसके ऊर्जा-बचत लाभ और न्यूनतम हस्तक्षेप के लिए मूल्यवान है।1: 2 इनपुट आउटपुट अनुपात के लिए, विभेदक इनपुट/आउटपुट के साथ मिलकर, सिग्नल अखंडता और शोर प्रतिरोध को बढ़ाता है।इन पहलुओं का उपयोग तब किया जाता है जब उच्च-आवृत्ति वाले एप्लिकेशन त्रुटिहीन संकेत स्पष्टता की मांग करते हैं, सिस्टम के व्यवधान को रोकने के लिए आवश्यकता से प्रेरित होते हैं।
12-TSSOP पैकेज में संलग्न, LTC6957HMS-3#TRPBF सीमित स्थान के साथ डिजाइनों के लिए एक सुरुचिपूर्ण समाधान प्रदान करता है, क्षमता पर समझौता किए बिना छोटे बोर्डों में मूल रूप से एकीकृत करता है।ROHS3 मानकों के लिए इसका पालन पर्यावरण के अनुकूल प्रथाओं के लिए एक समर्पण को रेखांकित करता है, जो स्थिरता की ओर बढ़ते उद्योग बदलाव को दर्शाता है।
3.3V आपूर्ति पर काम करते हुए, डिवाइस समकालीन कम-वोल्टेज मानदंडों के साथ संरेखित करता है, ऊर्जा दक्षता और वर्तमान प्रणालियों के साथ सहज एकीकरण की सुविधा देता है।यह वोल्टेज विकल्प उच्च प्रदर्शन को बनाए रखते हुए बिजली की खपत को अनुकूलित करने की दिशा में आधुनिक रुझानों को दर्शाता है।
LTC6957HMS-3#TRPBF को डिजाइन में शामिल करने से पर्याप्त लाभ मिल सकते हैं, विशेष रूप से कठोर परिस्थितियों में दक्षता और निर्भरता को प्राथमिकता देने में।इसके कॉम्पैक्ट बिल्ड, अत्याधुनिक सिग्नल क्षमताओं और पर्यावरणीय माइंडफुलनेस के बीच तालमेल इस उपकरण को आज के इलेक्ट्रॉनिक डिजाइन परिदृश्य में एक लचीली संपत्ति के रूप में प्रस्तुत करता है।
LTC6957HMS-3#TRPBF संचार प्रणालियों, नेटवर्किंग उपकरण और औद्योगिक स्वचालन सेटअप के लिए घड़ी वितरण में एक भूमिका निभाता है।इन परिदृश्यों को कुशल डेटा ट्रांसफर और प्रोसेसिंग की सुविधा के लिए सटीक समय की आवश्यकता होती है।व्यावहारिक वातावरण में, उच्च-सटीक घड़ी वितरण को प्राप्त करने से सिस्टम विश्वसनीयता और समग्र प्रदर्शन को बढ़ाया जा सकता है।
इस घटक का उपयोग चिकित्सा उपकरणों, मोटर वाहन इलेक्ट्रॉनिक्स और एयरोस्पेस और रक्षा प्रणालियों में भी किया जाता है।चिकित्सा क्षेत्र में, सटीक समय एड्स इमेजिंग और नैदानिक उपकरण, जिसके परिणामस्वरूप सटीक माप और बेहतर रोगी परिणाम होते हैं।मोटर वाहन इलेक्ट्रॉनिक्स भरोसेमंद घड़ी वितरण से लाभान्वित होते हैं, जो आधुनिक वाहनों के लिए उन्नत प्रणालियों का समर्थन करता है, सुरक्षा और नवाचार दोनों को प्रभावित करता है।एयरोस्पेस और रक्षा क्षेत्र संचालन के लिए सटीक समय पर निर्भर करते हैं जहां मामूली त्रुटियां भी महत्वपूर्ण हो सकती हैं।
LTC6957HMS-3#TRPBF उच्च गति वाले घड़ी वितरण आवश्यकताओं को पूरा करते हुए, माइक्रोकंट्रोलर, FPGAs और ASICS के साथ एकीकृत करता है।इन प्रणालियों में इसका समावेश तेजी से डेटा प्रोसेसिंग की सुविधा देता है और सिंक्रनाइज़ेशन में सुधार करता है।जटिल प्रणालियों में सहज एकीकरण सीधे सिस्टम दक्षता और कार्यक्षमता को प्रभावित करता है।

उच्च गति वाले डेटा अधिग्रहण प्रणालियों में, संदर्भ डिजाइन दक्षता और सटीकता को बढ़ाते हैं, डेटा की अखंडता को सुनिश्चित करते हैं और विलंबता को कम करते हैं।ये डिज़ाइन अधिक से अधिक थ्रूपुट और बेहतर रिज़ॉल्यूशन के लिए उन्नत सिग्नल प्रोसेसिंग एल्गोरिदम का उपयोग करते हैं।अनुकूली फ़िल्टरिंग तकनीकों को गले लगाकर, सिस्टम प्रभावी रूप से शोर को कम कर देते हैं, प्रदर्शन को ऊंचा करते हैं।
वायरलेस संचार नेटवर्क में सटीक घड़ी सिंक्रनाइज़ेशन प्राप्त करना संदर्भ डिजाइनों पर निर्भर करता है।यह सिंक्रनाइज़ेशन चिकनी डेटा ट्रांसमिशन, पैकेट लॉस और घबराने को कम करने की अनुमति देता है।चरण-बंद लूप (पीएलएल) और इसी तरह के सिंक्रनाइज़ेशन विधियों का उपयोग करना सबसे अधिक मांग वाले वातावरण में स्थिर कनेक्टिविटी को सक्षम बनाता है।शहरी नेटवर्क कार्यान्वयन से पता चलता है कि सावधानीपूर्वक समय-देरी चर का प्रबंधन ट्रांसमिशन दक्षता को बढ़ाता है।
रडार सिस्टम में, संदर्भ डिजाइन के भीतर पीएलएल अनुप्रयोग सटीक आवृत्ति संश्लेषण और मॉड्यूलेशन का समर्थन करते हैं।ये डिज़ाइन सुसंगत सिग्नल प्रोसेसिंग के माध्यम से लक्ष्य का पता लगाने और ट्रैकिंग में सुधार करते हैं।फील्ड ऑपरेशन इनसाइट्स तेजी से लॉक समय प्राप्त करने और त्वरित प्रतिक्रिया और उच्च विश्वसनीयता अनुप्रयोगों के लिए सिस्टम स्थिरता को संरक्षित करने के लिए लूप फिल्टर मापदंडों के अनुकूलन पर जोर देते हैं।
|
प्रकार |
पैरामीटर |
|
फैक्टरी लीड टाइम |
16 सप्ताह |
|
पैकेज / मामला |
12-TSSOP (0.118, 3.00 मिमी चौड़ाई) |
|
आवृत्ति (अधिकतम) |
300MHz |
|
पैकेजिंग |
टेप और रील (टीआर) |
|
JESD-609 कोड |
ई 3 |
|
नमी संवेदनशीलता स्तर (एमएसएल) |
1 (असीमित) |
|
ईसीसीएन कोड |
Ear99 |
|
टर्मिनल खत्म |
मैट टिन (एसएन) |
|
टर्मिनल स्थिति |
दोहरी |
|
पीक रिफ्लो तापमान (सेल्सियस) |
260 |
|
वोल्टेज आपूर्ति |
3.3 |
|
टेम्प@पीक रिफ्लो तापमान-मैक्स (एस) |
30 |
|
उत्पादन |
सीएमओएस |
|
सर्किट की संख्या |
1 |
|
अनुपात - इनपुट/आउटपुट |
1:02 |
|
लंबाई |
4.039 मिमी |
|
रोह्स स्टेटस |
ROHS आज्ञाकारी |
|
माउन्टिंग का प्रकार |
सतह पर्वत |
|
सतह माउंट पर |
हाँ |
|
परिचालन तापमान |
-40 ° C -125 ° C |
|
प्रकाशित |
2013 |
|
भाग की स्थिति |
सक्रिय |
|
समाप्ति की संख्या |
12 |
|
फैनआउट बफर (वितरण) |
हाँ |
|
वोल्टेज - आपूर्ति |
1.5V-3.45V |
|
टर्मिनल रूप |
गूल विंग |
|
कार्यों की संख्या |
1 |
|
टर्मिनल पिच |
0.65 मिमी |
|
आधार भाग संख्या |
LTC6957 |
|
पिन काउंट
|
12 |
|
इनपुट |
CML, CMOS, LVDS, LVPECL |
|
विभेदक - इनपुट/आउटपुट |
हां नहीं |
|
चौड़ाई |
3 मिमी |
• LTC6957HMS-2#TRPBF: 1: 1 इनपुट-टू-आउटपुट अनुपात के साथ घड़ी बफर।
• LTC6957HMS-4#TRPBF: क्लॉक बफर जिसमें 1: 4 इनपुट-टू-आउटपुट अनुपात है।
• LTC6957HMS-5#TRPBF: घड़ी बफर 1: 5 इनपुट-टू-आउटपुट अनुपात के साथ डिज़ाइन किया गया है।
इस लेख में प्रदान किए गए LTC6957HMS-3#TRPBF का व्यापक विश्लेषण विभिन्न उच्च-मांग वाले उद्योगों में अपनी क्षमताओं, विनिर्देशों और व्यापक अनुप्रयोगों में एक गहरा गोता लगाता है।संचार प्रणालियों में मजबूत घड़ी वितरण से लेकर एयरोस्पेस और रक्षा में सटीक समय आवश्यकताओं तक, यह घड़ी बफर लचीलेपन और दक्षता का उदाहरण देता है।इसके संदर्भ डिजाइनों और वैकल्पिक भागों की खोज न केवल तकनीकी आवश्यकताओं को विकसित करने के लिए घटक के अनुकूलनशीलता को उजागर करती है, बल्कि यह भी सुनिश्चित करती है कि आपके पास इस आईसी को जटिल प्रणालियों में एकीकृत करते समय सूचित निर्णय लेने के लिए आवश्यक जानकारी है।जैसे-जैसे प्रौद्योगिकी आगे बढ़ती है, LTC6957HMS-3#TRPBF सिस्टम के प्रदर्शन और विश्वसनीयता को बढ़ाने में एक मुख्य घटक के रूप में खड़ा है, वर्तमान और भविष्य के इलेक्ट्रॉनिक डिजाइन परिदृश्य दोनों में इसके मूल्य का प्रदर्शन करता है।
मल्टी देव मार्क सीएचजी 4/फरवरी/2020.pdf
यह डिवाइस 300MHz तक आवृत्तियों का प्रबंधन करता है, जिससे यह संचार प्रणाली और सिग्नल प्रोसेसिंग जैसे अनुप्रयोगों के लिए बहुमुखी हो जाता है।उच्च आवृत्तियों को संभालने से एक मजबूत डिजाइन का संकेत मिलता है, सटीक वातावरण में उपयोग करें।व्यवहार में, इसका अर्थ है, सुसंगत, विश्वसनीय प्रदर्शन, विशेष रूप से उच्च-मांग वाली परिस्थितियों में।
हां, यह अन्य सिग्नल प्रकारों के बीच LVPECL इनपुट का समर्थन करता है।LVPECL का समर्थन उच्च गति वाले डेटा ट्रांसमिशन को लाभान्वित करता है, शोर मार्जिन और सिग्नल अखंडता को बढ़ाता है।यह संगतता जटिल प्रणालियों में फायदेमंद है, त्रुटि में कमी में सहायता करती है।इस तरह की विशेषताएं डाउनटाइम को कम करने और विविध परिदृश्यों में सुचारू संचालन सुनिश्चित करने में व्यावहारिक हैं।
3.3V आपूर्ति पर काम करते हुए, डिवाइस कम बिजली की खपत का दावा करता है, ऊर्जा-संवेदनशील संदर्भों में अपील करता है।यह दक्षता परिचालन लागत में कटौती करती है और गर्मी को कम करती है, जीवनकाल और विश्वसनीयता को लंबे समय तक बढ़ाती है।उन परिदृश्यों में जहां बिजली दक्षता बजट को प्रभावित करती है, यह विशेषता समय के साथ स्थायी प्रथाओं को बढ़ावा देती है।
कृपया एक जांच भेजें, हम तुरंत जवाब देंगे।
2024/10/28 पर
2024/10/28 पर
8000/04/18 पर 147758
2000/04/18 पर 111941
1600/04/18 पर 111349
0400/04/18 पर 83721
1970/01/1 पर 79508
1970/01/1 पर 66915
1970/01/1 पर 63065
1970/01/1 पर 63012
1970/01/1 पर 54081
1970/01/1 पर 52136