



PCA9615 SMBUS/I2C-BUS संचार के लिए एक अभिन्न बफर के रूप में कार्य करता है, विद्युत रूप से शोर वातावरण के भीतर डेटा ट्रांसमिशन को काफी हद तक बढ़ाता है।एक अंतर भौतिक परत (DI2C) को नियोजित करके जो प्रोटोकॉल परत में पारदर्शिता बनाए रखता है, यह डेटा भ्रष्टाचार को कम कर देता है।यह क्षमता औद्योगिक स्वचालन, मोटर वाहन प्रणाली और जटिल परस्पर जुड़े उपकरणों सहित विभिन्न अनुप्रयोगों में विश्वसनीय संचार सुनिश्चित करती है।
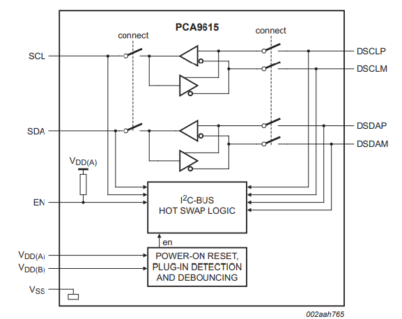
PCA9615 को SCL लाइन के लिए सिलवाया गया दो एकल-समाप्त अंतर ड्राइवर चैनलों के साथ तैयार किया गया है।SMBUS/I2C संकेतों की सीमा और गति का विस्तार करता है।सिग्नल अखंडता को संरक्षित करता है।एकल-समाप्त संकेतों को अंतर संकेतों में परिवर्तित करके, PCA9615 प्रभावी रूप से विद्युत चुम्बकीय हस्तक्षेप (EMI) और क्रॉसस्टॉक को कम कर देता है, जो उच्च-शोर वातावरण में प्रचलित हैं।
PCA9615 में डिफरेंशियल सिग्नलिंग फायदे का एक मेजबान प्रदान करता है और एकल-समाप्त संकेतों की तुलना में बेहतर शोर अस्वीकृति प्रदान करता है।औद्योगिक और मोटर वाहन सेटिंग्स में मुख्य रूप से फायदेमंद जहां विद्युत शोर से डेटा अखंडता को खतरा होता है।लंबी केबल की लंबाई और उच्च डेटा दरों का समर्थन करता है।अधिक लचीले सिस्टम डिज़ाइन को सक्षम करता है।वास्तविक अनुप्रयोगों में, PCA9615 विस्तारित दूरी पर मजबूत संचार की आवश्यकता वाले सिस्टम में मूल रूप से एकीकृत करता है।डिफरेंशियल सिग्नलिंग, इंजन कंट्रोल यूनिट और विभिन्न सेंसर जैसे घटकों के बीच विश्वसनीय सेंसर डेटा ट्रांसमिशन सुनिश्चित करता है, जो पूरे वाहन में बिखरे हुए हैं।PCA9615 एक बड़े विनिर्माण मंजिल पर स्थित कई नियंत्रकों और क्षेत्र उपकरणों के बीच स्पष्ट संचार बनाए रखता है।

यहाँ NXP यूएसए इंक के तकनीकी विनिर्देशों, विशेषताओं और मापदंडों के साथ तालिका प्रारूप है। PCA9615DPJ , समान विनिर्देशों के साथ भागों के साथ।
|
प्रकार |
पैरामीटर |
|
कारखाना
समय सीमा |
7
हफ्तों |
|
बढ़ते
प्रकार |
सतह
पर्वत |
|
पैकेट
/ मामला |
10-टीएफएसओपी,
10-MSOP (0.118, 3.00 मिमी चौड़ाई) |
|
सतह
पर्वत |
हाँ |
|
ऑपरेटिंग
तापमान |
-40 ° C
~ 85 ° C |
|
पैकेजिंग |
फीता
& रील (टीआर) |
|
प्रकाशित |
2010 |
|
भाग
स्थिति |
सक्रिय |
|
नमी
संवेदनशीलता स्तर (एमएसएल) |
1
(असीमित) |
|
संख्या
समाप्ति |
10 |
|
प्रकार |
बफर,
लाल नदी |
|
अनुप्रयोग |
I2c |
|
वोल्टेज
- आपूर्ति |
2.3V
~ 5.5V |
|
टर्मिनल
पद |
दोहरी |
|
टर्मिनल
रूप |
मूर्ख मनुष्य
विंग |
|
चोटी
रिफ्लो तापमान (CEL) |
नहीं
निर्दिष्ट |
|
संख्या
कार्यों का |
1 |
|
आपूर्ति
वोल्टेज |
3.3 |
|
टर्मिनल
आवाज़ का उतार-चढ़ाव |
0.5 मिमी |
|
समय@पीक
रिफ्लो तापमान-मैक्स (ओं) |
नहीं
निर्दिष्ट |
|
आधार
भाग संख्या |
PCA9615 |
|
उत्पादन |
2-वायर
बस |
|
नत्थी करना
गिनती करना |
10 |
|
JESD-30
कोड |
एस-पीडीएसओ-जी 10 |
|
संख्या
चैनलों का |
2 |
|
मौजूदा
- आपूर्ति |
16μA |
|
इनपुट |
2-वायर
बस |
|
डेटा
दर (अधिकतम) |
400kHz |
|
आपूर्ति
वोल्टेज 1-नॉम |
5V |
|
समाई
- इनपुट |
7PF |
|
लंबाई |
3 मिमी |
|
ऊंचाई
बैठा हुआ (अधिकतम) |
1.1 मिमी |
|
चौड़ाई |
3 मिमी |
|
रोह
स्थिति |
Rohs3
अनुरूप |
PCA9615 के डिज़ाइन में एक मजबूत हॉट-SWAP क्षमता शामिल है, जो डेटा प्रवाह रुकावटों के कारण मॉड्यूल को कनेक्ट और डिस्कनेक्ट करने की अनुमति देता है।यह सुविधा जटिल प्रणालियों में विशेष रूप से लाभप्रद है जहां अपटाइम और विश्वसनीयता प्रमुख हैं, जैसे कि दूरसंचार और डेटा केंद्रों में।सीमलेस मॉड्यूल रिप्लेसमेंट और विस्तार को सक्षम करके, हॉट-एसडब्ल्यूएपी फीचर इस तरह की मांग वाले वातावरण में स्थिरता और दक्षता के लिए कभी-कभी मौजूद आवश्यकता को पूरा करने के लिए लगातार सिस्टम प्रदर्शन और न्यूनतम डाउनटाइम सुनिश्चित करता है।
• एन सिग्नल इनपुट: EN (ENABLE) सिग्नल इनपुट हॉट-SWAP प्रक्रिया को प्रबंधित करने में एक निर्णायक भूमिका निभाता है।जब एक नया मॉड्यूल जुड़ा होता है, तो एन सिग्नल सुनिश्चित करता है कि प्रक्रिया एक व्यवस्थित तरीके से किया जाता है।यह तंत्र संचार त्रुटियों को रोकता है जो कि यदि मॉड्यूल को मनमाने ढंग से जोड़ा या हटा दिया गया था, तो हो सकता है।कई व्यावहारिक अनुप्रयोगों में, सटीक सिग्नल प्रबंधन डेटा अखंडता को बढ़ाता है, जो विशेष रूप से वातावरण में मूल्यवान है जहां डेटा हानि अस्वीकार्य है और दांव उच्च हैं।
आंतरिक बस आइडल का पता लगाने के तंत्र को और अधिक हॉट-स्वैप कार्यक्षमता को बढ़ाता है, यह सुनिश्चित करके कि कनेक्शन केवल तभी किया जाता है जब बस बेकार होती है।यह सुविधा संभावित डेटा टकराव और भ्रष्टाचार से बचने में मदद करती है, इस प्रकार प्रेषित जानकारी की सटीकता की रक्षा करती है।बस आइडल डिटेक्शन पारदर्शी रूप से संचालित होता है, गतिशील परिस्थितियों में भी एक स्थिर संचार वातावरण प्रदान करने के लिए पर्दे के पीछे काम कर रहा है।
• सिस्टम सुरक्षा उपाय: PCA9615 के भीतर इन घटकों का परस्पर क्रिया यह दिखाती है कि कैसे आधुनिक तकनीक परिचालन दक्षता और डेटा सुरक्षा दोनों को आश्वस्त करने के लिए सुरक्षा उपायों की कई परतों को एकीकृत करती है।EN सिग्नल इनपुट और बस आइडल डिटेक्शन के बीच सामंजस्यपूर्ण समन्वय खतरनाक प्रणालियों में विश्वसनीय हॉट-स्वैपिंग की नींव बनाता है।ये तत्व सामूहिक रूप से एक लचीला और भरोसेमंद प्रणाली में योगदान करते हैं, जो सटीक और देखभाल के साथ उच्च-दांव वातावरण की सटीक आवश्यकताओं को संबोधित करते हैं।
PCA9615 विशिष्ट अनुप्रयोगों के भेदों को संबोधित करते हुए, तकनीकी बाधाओं के असंख्य के लिए बहुमुखी समाधान प्रस्तुत करता है।इनमें शोर वातावरण में रिमोट सेंसर की निगरानी करना, उच्च हस्तक्षेप के लिए बिजली की आपूर्ति का प्रबंधन करना, विभिन्न उपकरणों के प्रकारों में I2C बसों को जोड़ना और प्रकाश, हीटिंग और कूलिंग जैसे जटिल औद्योगिक प्रणालियों को नियंत्रित करना शामिल है।
वातावरण में शोर के साथ, सेंसर डेटा की विश्वसनीयता बिगड़ सकती है।PCA9615 रिमोट सेंसर और प्रमुख प्रसंस्करण इकाइयों के बीच स्थिर संचार का समर्थन करता है।औद्योगिक स्वचालन और पर्यावरण निगरानी स्टेशन जैसे मामलों का उपयोग करें इसके लाभों को तीव्रता से चित्रित करते हैं।डेटा अखंडता को बनाए रखना एक जुआ से कम हो जाता है, दूरसंचार इन्फ्रास्ट्रक्चर में कार्यप्रणाली के समान जहां लंबी दूरी पर सिग्नल निष्ठा का उपयोग किया जाता है।आप पीसीए 9615 के समान, डिफरेंशियल सिग्नलिंग तकनीकों का उपयोग कर सकते हैं, ताकि शोर-संबंधी मुद्दों को प्रभावी ढंग से कम किया जा सके।
एक चुनौतीपूर्ण प्रभुत्व उच्च-हस्तक्षेप स्थितियों के तहत बिजली की आपूर्ति का प्रबंधन कर रहा है।PCA9615 विद्युत चुम्बकीय शोर के बावजूद सिग्नल अखंडता का पोषण करता है, चर भार के साथ बिजली की आपूर्ति में लगातार दुविधा।वास्तविक अनुप्रयोग अक्सर PCA9615 को परिरक्षण और ग्राउंडिंग रणनीति के साथ जोड़ते हैं, आगे हस्तक्षेप को कम करते हैं।यह एयरोस्पेस उत्पादन प्रथाओं की याद दिलाता है, जहां सिस्टम को उल्लेखनीय इलेक्ट्रॉनिक शोर के बीच मज़बूती से प्रदर्शन करने के लिए तैयार किया जाता है।
कॉम्प्लेक्स सिस्टम एकीकरण अक्सर विभिन्न उपकरणों के बीच I2C बसों को जोड़ने के लिए कहता है।PCA9615 संचार रेंज को बढ़ाकर और संभावित असमानताओं के लिए प्रतिरक्षा को सुरक्षित करके इस कनेक्शन को सुचारू करता है।उदाहरण के लिए, मोटर वाहन संदर्भों में, PCA9615 के साथ कई इलेक्ट्रॉनिक नियंत्रण इकाइयों (ECU) में संचार को कम करना, ग्राउंड ऑफ़सेट और सिग्नल अखंडता से संबंधित चिंताओं को कम करता है।यह पहलू विविध इलेक्ट्रॉनिक घटकों के सामंजस्य में अपनी व्यावहारिकता को प्रदर्शित करता है।
औद्योगिक सेटिंग्स के भीतर, नियंत्रण प्रणाली, जैसे कि प्रकाश, हीटिंग और शीतलन, सटीकता और निर्भरता को पूरा करते हैं।PCA9615 की विविध परिस्थितियों में स्थिर संचार को बनाए रखने की क्षमता इसके आकर्षण में जोड़ती है।स्मार्ट बिल्डिंग मैनेजमेंट ऊर्जा दक्षता और परिचालन प्रभावकारिता सुनिश्चित करने के लिए सुसंगत, विश्वसनीय डेटा ट्रांसमिशन के महत्व को दर्शाता है।यहाँ, PCA9615 ने सीमलेस नियंत्रण को ऑर्केस्ट्रेटिंग में अपनी भूमिका दिखाया है।
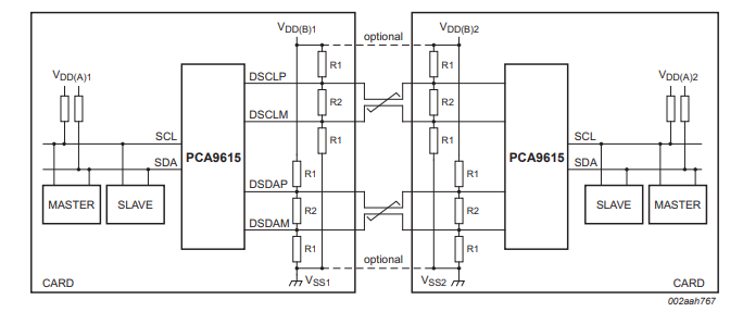
लंबी दूरी की I2C संचार और कई बिजली आपूर्ति के साथ सिस्टम अद्वितीय चुनौतियों का परिचय देते हैं, मुख्य रूप से उल्लेखनीय ग्राउंड ऑफसेट के कारण।PCA9615 अंतर सिग्नलिंग को नियोजित करके इन मुद्दों को काउंटर करता है, विस्तारित दूरी पर डेटा अखंडता की सुरक्षा करता है।यह रणनीति डेटा सेंटर प्रबंधन में प्रथाओं के लिए तुलनीय है, जहां लंबी केबल स्ट्रेच पर सिग्नल की गुणवत्ता को संरक्षित करना नेटवर्क विश्वसनीयता के लिए उपयोगी है।तकनीक कनेक्शन को मजबूत करती है, मांग वातावरण में मजबूत संचार सुनिश्चित करती है।



एनएक्सपी सेमीकंडक्टर्स एन.वी., एंबेडेड अनुप्रयोगों के लिए अनुकूलित सुरक्षित कनेक्टिविटी समाधानों में एक प्रमुख बल, ऑटोमोटिव, औद्योगिक और IoT, मोबाइल और संचार बुनियादी ढांचे के बाजारों सहित विभिन्न क्षेत्रों में लगातार नवाचार को चला रहा है।उनकी अनियंत्रित महत्वाकांक्षा होशियार, सुरक्षित और बेहतर-जुड़े समाधानों को बनाना है।
ऑटोमोटिव सेक्टर में NXP की प्रगति काफी हद तक खड़ी है।उनके परिष्कृत माइक्रोकंट्रोलर और प्रोसेसर ने वाहन सुरक्षा, बेहतर इन्फोटेनमेंट सिस्टम और उन्नत स्वायत्त ड्राइविंग क्षमताओं को काफी बढ़ावा दिया है।इन उच्च-स्तरीय प्रौद्योगिकियों का एकीकरण वाहन सुरक्षा और दक्षता सुनिश्चित करते हुए ड्राइविंग अनुभव को समृद्ध करता है।अग्रणी कार निर्माता अपने समाधानों को शामिल करते हुए आधुनिक परिवहन मांगों को पूरा करने के लिए ड्राइव को उजागर करते हैं।
औद्योगिक और IoT डोमिनियन में, NXP के समाधानों ने फैक्ट्री ऑटोमेशन, स्मार्ट मीटरिंग और सेंसर नेटवर्क में बड़े बदलावों को उकसाया है।उनके उत्पादों का उद्देश्य उच्च-तनाव औद्योगिक सेटिंग्स में प्रदर्शन और विश्वसनीयता, गतिशील का अनुकूलन करना है।उनके IoT समाधानों के निरंतर शोधन और कार्यान्वयन ने सुचारू डेटा विनिमय, प्रभावी संसाधन प्रबंधन और बेहतर परिचालन नियंत्रण को बढ़ावा देने वाले पारिस्थितिक तंत्र को बढ़ावा दिया।
मोबाइल बाजार में NXP की उपस्थिति गोपनीयता को बढ़ाती है, भुगतान तंत्र को सुरक्षित करती है, और संपर्क रहित इंटरैक्शन की सुविधा प्रदान करती है।फील्ड कम्युनिकेशन (एनएफसी) तकनीक के पास लाभ उठाते हुए, वे उपभोक्ता-डिवाइस इंटरैक्शन में क्रांति लाएं, तेजी से और अधिक सुरक्षित लेनदेन प्रदान करते हैं।इस क्षेत्र में चल रहे नवाचारों में एक बढ़ते डिजिटल परिदृश्य के बीच उपयोगकर्ता सुविधा को बढ़ावा देते हुए डेटा सुरक्षा को बढ़ाने पर ध्यान केंद्रित किया जाता है।
संचार बुनियादी ढांचे में, NXP के उच्च-प्रदर्शन RF समाधान और प्रोसेसर नेटवर्क क्षमताओं को आगे बढ़ाने में अपेक्षित हैं।ये योगदान वैश्विक कनेक्टिविटी विस्तार के लिए प्रमुख, अधिक कुशल और भरोसेमंद संचार प्रणालियों के विकास को सक्षम करते हैं।नेटवर्क दक्षता और स्केलेबिलिटी को बढ़ाकर, NXP 5G जैसी आधुनिक संचार तकनीकों की उन्नति के लिए आवश्यक बुनियादी ढांचे को कम करता है।
PCA9615 बस बफर को अक्षम करने का कार्य करता है, बड़े बस सिस्टम में फॉल्ट फाइंडिंग, पावर-अप सीक्वेंसिंग और सेगमेंट अलगाव में इंस्ट्रूमेंटल साबित होता है।फॉल्ट फाइंडिंग और सेगमेंट अलगाव में सहायता करके, यह पुनर्निर्माण को बढ़ाता है और विशिष्ट वर्गों के लिए निष्क्रिय होने की अनुमति देता है जब लगातार आवश्यकता नहीं होती है।सेटिंग्स में जहां परिचालन दक्षता पूर्वता लेती है, PCA9615 सिस्टम संसाधनों के रणनीतिक प्रबंधन की सुविधा प्रदान करता है।अप्रयुक्त बस खंडों को अस्थायी रूप से अक्षम करना समग्र प्रणाली के प्रदर्शन का अनुकूलन करता है।जटिल औद्योगिक वातावरण में जहां निरंतर संचालन और न्यूनतम डाउनटाइम की आवश्यकता होती है, PCA9615 की भूमिका बड़े पैमाने पर विनिर्माण संयंत्रों के लिए अपेक्षित हो जाती है, पूरे सिस्टम को रोकने के बिना रखरखाव के लिए बस खंडों को अलग करना उत्पादकता बढ़ाता है और जोखिम को कम करता है।बस खंडों का गतिशील पुनर्संरचना एक अधिक अनुकूली और लचीला बुनियादी ढांचा बनाता है।पावर-अप अनुक्रमण के बारे में, PCA9615 विभिन्न बस सिस्टम भागों के नियंत्रित सक्रियण को सुनिश्चित करता है।यह दृष्टिकोण स्थिरता को बढ़ावा देता है और उच्च घनत्व वाले डेटा वातावरण में संभावित स्टार्टअप ओवरलोडिंग को रोकता है, जैसे कि डेटा सेंटर, यह सिंक्रनाइज़ घटक सक्रियण, अड़चन से बचने और चिकनी आरंभीकरण सुनिश्चित करने के लिए सुनिश्चित करता है।
कृपया एक जांच भेजें, हम तुरंत जवाब देंगे।
2024/10/14 पर
2024/10/14 पर
8000/04/18 पर 147758
2000/04/18 पर 111941
1600/04/18 पर 111349
0400/04/18 पर 83721
1970/01/1 पर 79508
1970/01/1 पर 66914
1970/01/1 पर 63065
1970/01/1 पर 63012
1970/01/1 पर 54081
1970/01/1 पर 52135