
चित्र 1. आरसी युग्मित एम्पलीफायर ट्रेनर मॉड्यूल
आरसी युग्मित एम्पलीफायर एक प्रकार का एम्पलीफायर है जिसमें प्रतिरोधी-कैपेसिटर नेटवर्क का उपयोग करके कई प्रवर्धन चरण जुड़े होते हैं।प्रत्येक चरण सिग्नल स्तर को बढ़ाता है, जबकि आरसी नेटवर्क उनकी परिचालन स्थितियों को परेशान किए बिना सिग्नल को एक चरण से दूसरे चरण में स्थानांतरित करता है।इस कॉन्फ़िगरेशन का उपयोग आमतौर पर तब किया जाता है जब एक कमजोर इनपुट सिग्नल को प्रयोग करने योग्य स्तर तक पहुंचने के लिए धीरे-धीरे बढ़ाना पड़ता है।
आरसी युग्मन की प्राथमिक भूमिका प्रत्यक्ष धारा (डीसी) को अवरुद्ध करते हुए सिग्नल के प्रत्यावर्ती धारा (एसी) भाग को चरणों के बीच से गुजरने की अनुमति देना है।युग्मन संधारित्र एसी सिग्नल के लिए एक पथ प्रदान करता है लेकिन डीसी वोल्टेज को अगले चरण में प्रवाहित होने से रोकता है, जिससे प्रत्येक चरण को स्वतंत्र रूप से स्थिर पूर्वाग्रह बनाए रखने की अनुमति मिलती है।
डीसी स्तरों को अलग करके, आरसी युग्मन ऑपरेटिंग बिंदुओं में बदलाव को रोकने में मदद करता है जो विरूपण या अस्थिर व्यवहार का कारण बन सकता है।प्रत्येक चरण उचित रूप से पक्षपाती रहता है, जो सरल, किफायती घटकों का उपयोग करके लगातार वोल्टेज प्रवर्धन का समर्थन करता है।
एक आरसी युग्मित एम्पलीफायर सर्किट को आम तौर पर श्रृंखला में जुड़े दो या दो से अधिक एम्पलीफायर चरणों का उपयोग करके व्यवस्थित किया जाता है, जिसमें प्रत्येक चरण एक सामान्य-एमिटर कॉन्फ़िगरेशन में काम करता है।प्रत्येक चरण प्राप्त सिग्नल को बढ़ाता है, जबकि युग्मन कैपेसिटर प्रतिरोधी-कैपेसिटर लिंक बनाते हैं जो चरणों के बीच सिग्नल को उनकी ऑपरेटिंग स्थितियों को प्रभावित किए बिना स्थानांतरित करते हैं।

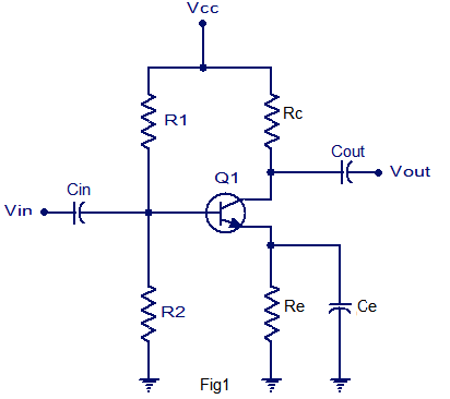
चित्र 2. सिंगल-स्टेज आरसी युग्मित एम्पलीफायर सर्किट
एकल-चरण आरसी युग्मित एम्पलीफायर में, इनपुट सिग्नल को इनपुट कैपेसिटर के माध्यम से ट्रांजिस्टर के आधार पर लागू किया जाता है, जैसा कि सर्किट में दिखाया गया है।यह संधारित्र प्रत्यक्ष धारा को अवरुद्ध करते हुए प्रत्यावर्ती सिग्नल को एम्पलीफायर में प्रवेश करने की अनुमति देता है, जो ट्रांजिस्टर के ऑपरेटिंग बिंदु को स्थिर रखने में मदद करता है।बायसिंग रेसिस्टर्स आवश्यक बेस वोल्टेज सेट करते हैं, जिससे प्रवर्धन के दौरान ट्रांजिस्टर का उचित संचालन सुनिश्चित होता है।
एक बार जब सिग्नल ट्रांजिस्टर तक पहुंच जाता है, तो यह प्रवर्धित हो जाता है और कलेक्टर पर दिखाई देता है।फिर प्रवर्धित आउटपुट को आउटपुट कैपेसिटर के माध्यम से लिया जाता है, जो सीधे करंट को बाहर की ओर प्रवाहित किए बिना सिग्नल को अगले सर्किट या लोड तक भेजता है।भले ही केवल एक प्रवर्धन चरण मौजूद है, यह व्यवस्था स्पष्ट रूप से दिखाती है कि आरसी युग्मन कैसे काम करता है और आमतौर पर उन अनुप्रयोगों में उपयोग किया जाता है जहां मामूली सिग्नल प्रवर्धन पर्याप्त है।

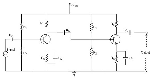
चित्र 3. दो-चरण आरसी युग्मित एम्पलीफायर सर्किट
दो-चरण आरसी युग्मित एम्पलीफायर में, पहले चरण द्वारा प्रवर्धित सिग्नल को पहले ट्रांजिस्टर के कलेक्टर और दूसरे ट्रांजिस्टर के आधार के बीच स्थित युग्मन संधारित्र के माध्यम से दूसरे चरण में स्थानांतरित किया जाता है, जैसा कि सर्किट में दिखाया गया है।यह संधारित्र प्रत्यक्ष धारा को अवरुद्ध करते हुए सिग्नल के केवल प्रत्यावर्ती भाग को आगे बढ़ने की अनुमति देता है, इसलिए प्रत्येक चरण की परिचालन स्थितियाँ स्वतंत्र रहती हैं।
दूसरा चरण पहले चरण के समान सामान्य-उत्सर्जक व्यवस्था का उपयोग करता है और आने वाले सिग्नल को और बढ़ाता है।प्रत्येक चरण में बायसिंग रेसिस्टर ट्रांजिस्टर के लिए उचित ऑपरेटिंग बिंदु स्थापित करते हैं, जबकि एमिटर रेसिस्टर और बाईपास कैपेसिटर स्थिर संचालन और प्रभावी प्रवर्धन का समर्थन करते हैं।अंतिम आउटपुट दूसरे चरण के कलेक्टर से आउटपुट कैपेसिटर के माध्यम से लिया जाता है, जो प्रत्यक्ष धारा प्रवाहित किए बिना प्रवर्धित सिग्नल वितरित करता है।
यह दो-चरणीय व्यवस्था एकल-चरण सर्किट की तुलना में समग्र वोल्टेज लाभ को बढ़ाती है।जब अधिक प्रवर्धन की आवश्यकता होती है तो अतिरिक्त चरणों को उसी तरह से जोड़ा जा सकता है, जबकि अवरोधक और कैपेसिटर नेटवर्क इनपुट से आउटपुट तक सिग्नल को सुचारू रूप से निर्देशित करते रहते हैं और सभी चरणों में स्थिर प्रदर्शन बनाए रखते हैं।

चित्र 4. आरसी युग्मित एम्पलीफायर चरणों में सिग्नल प्रवाह
आरसी युग्मित एम्पलीफायर में एक समान संरचना में व्यवस्थित कई एम्पलीफायर चरण होते हैं, जहां प्रत्येक चरण सिग्नल स्तर को बढ़ाने में योगदान देता है।सिग्नल को पहले चरण पर लागू किया जाता है, प्रवर्धित किया जाता है, युग्मन नेटवर्क के माध्यम से स्थानांतरित किया जाता है, और फिर अगले चरण द्वारा इसे और प्रवर्धित किया जाता है।यह व्यवस्था विभिन्न चरणों में सुसंगत व्यवहार बनाए रखते हुए सिग्नल को सर्किट के माध्यम से सुचारू रूप से आगे बढ़ने की अनुमति देती है।
युग्मन संधारित्र एक चरण के कलेक्टर और अगले चरण के आधार के बीच स्थित होता है, जिससे उनके बीच विद्युत लिंक बनता है।यह प्रत्यक्ष धारा को अवरुद्ध करते हुए प्रवर्धित सिग्नल के प्रत्यावर्ती भाग को आगे बढ़ने की अनुमति देता है।चरणों के बीच प्रत्यक्ष धारा को बहने से रोककर, युग्मन संधारित्र यह सुनिश्चित करता है कि एक चरण की परिचालन स्थितियाँ अगले चरण की परिचालन स्थितियों में हस्तक्षेप न करें।
बायसिंग प्रतिरोधक प्रत्येक ट्रांजिस्टर के आधार से जुड़े होते हैं और उचित संचालन के लिए आवश्यक एक स्थिर आधार वोल्टेज प्रदान करते हैं।ये प्रतिरोधक प्रत्येक ट्रांजिस्टर को उसके इच्छित ऑपरेटिंग क्षेत्र के भीतर रखते हैं, जो सुसंगत और नियंत्रित प्रवर्धन का समर्थन करता है।चरणों में समान अवरोधक व्यवस्था पूरे सर्किट में समान प्रदर्शन बनाए रखने में मदद करती है।
प्रत्येक ट्रांजिस्टर के उत्सर्जक पर, उत्सर्जक अवरोधक और बाईपास संधारित्र एक साथ काम करते हैं।उत्सर्जक अवरोधक तापमान परिवर्तन और ट्रांजिस्टर व्यवहार में भिन्नता के प्रति संवेदनशीलता को कम करके स्थिरता में सुधार करता है।समानांतर में जुड़ा बाईपास संधारित्र, वैकल्पिक सिग्नल के लिए एक कम-प्रतिरोध पथ प्रदान करता है, जिससे चरण को स्थिर प्रत्यक्ष वर्तमान स्थितियों को संरक्षित करते हुए उच्च वोल्टेज लाभ प्राप्त करने की अनुमति मिलती है।

चित्र 5. आरसी युग्मित एम्पलीफायर की आवृत्ति और चरण प्रतिक्रिया
आरसी युग्मित एम्पलीफायर में, सिग्नल एक समय में एक चरण में सर्किट से गुजरता है, प्रत्येक चरण आगे बढ़ने से पहले सिग्नल स्तर को बढ़ाता है।इनपुट सिग्नल को पहले ट्रांजिस्टर के आधार पर लागू किया जाता है, जहां प्रवर्धन होता है और प्रवर्धित सिग्नल कलेक्टर पर दिखाई देता है।कलेक्टर से, सिग्नल को कपलिंग कैपेसिटर के माध्यम से अगले चरण में स्थानांतरित किया जाता है।यह विधि प्रत्येक चरण की परिचालन स्थितियों को विद्युत रूप से स्वतंत्र रखते हुए सिग्नल को क्रमिक चरणों के माध्यम से सुचारू रूप से आगे बढ़ने की अनुमति देती है, जो स्थिर और पूर्वानुमानित संचालन का समर्थन करती है।
आरसी युग्मित एम्पलीफायर में प्रत्येक प्रवर्धन चरण आमतौर पर एक सामान्य-एमिटर कॉन्फ़िगरेशन का उपयोग करता है।इस व्यवस्था में, कलेक्टर से लिया गया आउटपुट सिग्नल आधार पर लगाए गए इनपुट के सापेक्ष उलटा होता है।यह व्युत्क्रमण प्रत्येक चरण में 180 डिग्री का चरण बदलाव प्रस्तुत करता है।जैसे ही सिग्नल कई चरणों से होकर गुजरता है, प्रत्येक चरण एक और चरण उत्क्रमण जोड़ता है।जब चरणों की कुल संख्या सम होती है, तो चरण उत्क्रमण रद्द हो जाता है और अंतिम आउटपुट इनपुट के साथ चरण में रहता है।जब चरणों की संख्या विषम होती है, तो एक चरण उलटा रहता है, जिससे आउटपुट 180 डिग्री तक स्थानांतरित हो जाता है।
आवृत्ति प्रतिक्रिया बताती है कि एम्पलीफायर का वोल्टेज लाभ सिग्नल आवृत्ति के साथ कैसे बदलता है।कम आवृत्तियों पर, लाभ कम हो जाता है क्योंकि सर्किट में कैपेसिटर धीमी सिग्नल भिन्नता को सीमित करते हैं, जो चरणों के बीच सिग्नल स्थानांतरण को कमजोर करता है।जैसे-जैसे आवृत्ति मध्य-आवृत्ति सीमा में बढ़ती है, एम्पलीफायर स्थिर परिचालन स्थितियों तक पहुंचता है और लगभग निरंतर लाभ प्रदान करता है।यह क्षेत्र आरसी युग्मित एम्पलीफायर की सामान्य कार्य सीमा का प्रतिनिधित्व करता है।उच्च आवृत्तियों पर, लाभ फिर से कम हो जाता है क्योंकि चरणों और आंतरिक कैपेसिटेंस के बीच लोडिंग प्रभाव अधिक ध्यान देने योग्य हो जाता है, जिससे तीव्र सिग्नल परिवर्तनों पर प्रतिक्रिया करने की एम्पलीफायर की क्षमता सीमित हो जाती है।
आरसी युग्मित एम्पलीफायर का वोल्टेज लाभ कई प्रवर्धन चरणों को कैस्केड करके प्राप्त किया जाता है, जिसमें प्रत्येक चरण समग्र लाभ में योगदान देता है।आदर्श परिस्थितियों में, कुल वोल्टेज लाभ व्यक्तिगत चरणों के लाभ के उत्पाद के बराबर होता है।हालाँकि, व्यावहारिक सर्किट में, लोडिंग प्रभावों के कारण वास्तविक लाभ थोड़ा कम होता है, जहाँ प्रत्येक चरण पिछले चरण से करंट खींचता है।यह इंटरैक्शन प्रभावी लाभ को कम करता है और आरसी कपलिंग का उपयोग करके कितना वोल्टेज प्रवर्धन प्राप्त किया जा सकता है, इस पर व्यावहारिक सीमाएं लगाता है।
| लाभ | सीमाएँ |
| सरल सर्किट डिजाइन | ख़राब कम-आवृत्ति प्रतिक्रिया |
| कम लागत वाले घटक | लाभ बहुत उच्च आवृत्तियों पर गिरता है |
| कॉम्पैक्ट और हल्का | सीमित शक्ति लाभ |
| अच्छा वोल्टेज प्रवर्धन | शक्ति प्रवर्धन के लिए उपयुक्त नहीं है |
| छोटे सिग्नलों के लिए स्थिर संचालन | प्रतिबाधा मिलान ख़राब है |
| विस्तृत मध्य-आवृत्ति बैंडविड्थ | शोर और घटक उम्र बढ़ने के प्रति संवेदनशील |
| डिज़ाइन करना और असेंबल करना आसान है | संधारित्र मान प्रदर्शन को प्रभावित करते हैं |
| ऑडियो और सिग्नल चरणों के लिए उपयुक्त | तापमान भिन्नता से प्रभावित प्रदर्शन |
| किसी ट्रांसफार्मर की आवश्यकता नहीं | आउटपुट प्रतिबाधा अपेक्षाकृत अधिक है |

चित्र 6. आरसी युग्मित एम्पलीफायर अनुप्रयोग सेटअप
आरसी युग्मित एम्पलीफायरों का व्यापक रूप से इलेक्ट्रॉनिक प्रणालियों में उपयोग किया जाता है जहां छोटे संकेतों को स्पष्ट और विश्वसनीय रूप से प्रवर्धित करने की आवश्यकता होती है।उनके सबसे आम अनुप्रयोगों में से एक ऑडियो प्री-एम्प्लीफायर में है, जहां माइक्रोफोन, सेंसर या ऑडियो स्रोतों से कमजोर ऑडियो संकेतों को बाद के चरणों में भेजे जाने से पहले बढ़ाया जाता है।इन प्रणालियों में, आरसी युग्मन स्थिर वोल्टेज लाभ प्रदान करता है और ऑडियो आवृत्ति रेंज में सिग्नल की गुणवत्ता को संरक्षित करता है।
संचार सर्किट में, आरसी युग्मित एम्पलीफायरों का उपयोग प्रसंस्करण या ट्रांसमिशन से पहले निम्न-स्तरीय संकेतों को बढ़ाने के लिए किया जाता है।वे इस भूमिका के लिए उपयुक्त हैं क्योंकि वे व्यापक मध्य-आवृत्ति रेंज पर लगातार लाभ प्रदान करते हैं और जटिल घटकों के बिना आसानी से मल्टी-स्टेज डिज़ाइन में एकीकृत किए जा सकते हैं।यह उन्हें वायर्ड संचार उपकरण और सिग्नल कंडीशनिंग सर्किट में उपयोग के लिए व्यावहारिक बनाता है।
आरसी युग्मित एम्पलीफायर आमतौर पर रेडियो और टेलीविजन रिसीवर में भी पाए जाते हैं, जहां वे छोटे-सिग्नल प्रवर्धन चरणों के रूप में काम करते हैं।इन रिसीवरों में, एंटेना द्वारा उठाए गए कमजोर संकेतों का पता लगाने और आगे की प्रक्रिया से पहले प्रारंभिक प्रवर्धन की आवश्यकता होती है।आरसी युग्मन स्थिर संचालन को बनाए रखते हुए और चरणों के बीच हस्तक्षेप को कम करते हुए कई प्रवर्धन चरणों को जोड़ने की अनुमति देता है।
कुल मिलाकर, आरसी युग्मित एम्पलीफायर इन अनुप्रयोगों के लिए उपयुक्त हैं क्योंकि वे सरल, लागत प्रभावी हैं, और छोटे संकेतों के लिए विश्वसनीय वोल्टेज प्रवर्धन प्रदान करते हैं।आवृत्तियों की एक विस्तृत श्रृंखला को संभालते हुए चरणों के बीच स्थिर पूर्वाग्रह बनाए रखने की उनकी क्षमता उन्हें कई रोजमर्रा की इलेक्ट्रॉनिक प्रणालियों में एक व्यावहारिक विकल्प बनाती है।
आरसी युग्मित एम्पलीफायर सरल और किफायती घटकों का उपयोग करके छोटे सिग्नल को बढ़ाने का एक व्यावहारिक तरीका प्रदान करते हैं।यह समझकर कि सर्किट की व्यवस्था कैसे की जाती है, प्रत्येक चरण के माध्यम से सिग्नल कैसे प्रवाहित होते हैं, और आवृत्ति और लाभ कैसे व्यवहार करते हैं, आप बेहतर ढंग से निर्णय ले सकते हैं कि इस प्रकार का एम्पलीफायर आपकी आवश्यकताओं के अनुरूप कहां है।उनका स्थिर संचालन और व्यापक मध्य-आवृत्ति प्रदर्शन उन्हें कई रोजमर्रा की इलेक्ट्रॉनिक प्रणालियों में उपयोगी बनाता है जहां स्पष्ट वोल्टेज प्रवर्धन मायने रखता है।
कृपया एक जांच भेजें, हम तुरंत जवाब देंगे।
आरसी युग्मित एम्पलीफायर का उपयोग कमजोर संकेतों को बढ़ाने के लिए किया जाता है प्रत्येक प्रवर्धन चरण को विद्युत रूप से स्वतंत्र और स्थिर रखना।
कैपेसिटर वैकल्पिक संकेतों को चरणों के बीच से गुजरने की अनुमति देते हैं प्रत्यक्ष धारा को अवरुद्ध करना, जो उचित संचालन बनाए रखने में मदद करता है शर्तें.
कम आवृत्तियों पर, कैपेसिटर धीमे सिग्नल परिवर्तनों का विरोध करते हैं, जिससे प्रभावी सिग्नल स्थानांतरण कम हो जाता है और लाभ कम हो जाता है।
वे मुख्य रूप से छोटे सिग्नलों के वोल्टेज प्रवर्धन के लिए उपयुक्त हैं और भार को उच्च शक्ति प्रदान करने के लिए आदर्श नहीं हैं।
आप इन्हें अक्सर ऑडियो प्री-एम्प्लीफायर, संचार में पाएंगे सर्किट, और रेडियो और टेलीविजन रिसीवर के छोटे-सिग्नल चरण।
2025/12/22 पर
2025/12/22 पर
8000/04/18 पर 147757
2000/04/18 पर 111935
1600/04/18 पर 111349
0400/04/18 पर 83719
1970/01/1 पर 79508
1970/01/1 पर 66903
1970/01/1 पर 63025
1970/01/1 पर 63010
1970/01/1 पर 54081
1970/01/1 पर 52121