
फास्ट फूरियर ट्रांसफॉर्म (एफएफटी) डिजिटल सिग्नल प्रोसेसिंग में एक मूलभूत एल्गोरिथ्म है, जो समय और आवृत्ति डोमेन के बीच डेटा के कुशल रूपांतरण को सक्षम करता है।1965 में Cooley और Tukey द्वारा पेश, इसने N से असतत फूरियर ट्रांसफॉर्म (DFT) की जटिलता को कम करके कम्प्यूटेशनल गणित में क्रांति ला दी2 𝑁 लॉग 𝑁 के संचालन।एफएफटी बड़े अनुक्रमों को छोटे उप-अनुक्रमों में तोड़कर इस दक्षता को प्राप्त करता है, उन्हें पुनरावर्ती रूप से संसाधित करता है, और साइनसोइडल तरंगों की समरूपता और आवधिकता का लाभ उठाता है।आमतौर पर उपयोग की जाने वाली अपघटन रणनीतियों जैसे कि RADIX-2 और RADIX-4 सुव्यवस्थित गणना के लिए अनुमति देते हैं, जिससे FFT ऑडियो प्रसंस्करण, दूरसंचार और छवि विश्लेषण जैसे अनुप्रयोगों के लिए व्यावहारिक हो जाता है।डीएफटी की गणना करने के अलावा, एफएफटी गणितीय सिद्धांत और कम्प्यूटेशनल व्यावहारिकता के बीच एक आदर्श संतुलन बनाने के लिए उलटा रूपांतरण, दृढ़ संकल्प और सहसंबंध जैसे कार्यों के लिए महान है।समय के साथ, रेडिक्स विधियों और हाइब्रिड दृष्टिकोणों में शोधन ने अपने प्रदर्शन को और अनुकूलित किया है, जो एफएफटी को आधुनिक तकनीक में एक महत्वपूर्ण उपकरण के रूप में सीमेंट करता है।
फास्ट फूरियर ट्रांसफॉर्म (एफएफटी) में क्रांति आती है कि कैसे असतत फूरियर ट्रांसफॉर्म (डीएफटी) की गणना इसे छोटे, कुशल खंडों में तोड़कर की जाती है, जो कि निरर्थक गणनाओं को खत्म करने के लिए आवधिकता और समरूपता जैसे गुणों का लाभ उठाती है।Winograd फूरियर ट्रांसफॉर्म एल्गोरिथ्म (WFTA) और प्राइम फैक्टर एल्गोरिथ्म जैसे नवाचारों ने दक्षता को और बढ़ाया, विशेष रूप से विशिष्ट लंबाई या प्राइम-नंबर वाले इनपुट के अनुक्रमों को संभालने में।इन उन्नत एल्गोरिदम में गहन व्यावहारिक अनुप्रयोग हैं, समय डिजिटल सिग्नल प्रोसेसिंग को तेज करने से लेकर जटिल डेटा विश्लेषण में संसाधन उपयोग के अनुकूलन तक।तकनीकी लाभ से परे, एफएफटी और इसके डेरिवेटिव गणितीय और कम्प्यूटेशनल सिद्धांतों की हमारी समझ को गहरा करते हैं, व्यवस्थित सरलीकरण के माध्यम से जटिल समस्याओं को हल करने की लालित्य को दिखाते हैं।
एफएफटी एल्गोरिदम को घातीय कारकों के उपयोग के आधार पर वर्गीकृत किया जाता है।प्रत्येक प्रकार में अद्वितीय अनुप्रयोग और कम्प्यूटेशनल तकनीक होती है।
Cooley-Tukey एल्गोरिथ्म एक शक्तिशाली तकनीक है जो प्रबंधनीय घटकों में समग्र संख्याओं को फैक्टरिंग करने पर उत्कृष्टता प्राप्त करता है।मॉड्यूलर अपघटन पर भरोसा करके, यह कम्प्यूटेशनल प्रदर्शन में सुधार करता है।यह विधि पुनरावृत्तियों को कम करके समस्याओं को तोड़कर गणना का अनुकूलन करती है, जिससे उन्हें हल करना आसान हो जाता है।इसका दृष्टिकोण इंजीनियरिंग में मॉड्यूलर डिजाइन के लिए तुलनीय है, क्योंकि यह त्रुटि प्रबंधन और दक्षता को बढ़ाने के लिए जटिल प्रणालियों को सरल करता है।

RADIX-2 एल्गोरिथ्म Cooley-Tukey विधि का एक विशेष मामला है, विशेष रूप से डेटा लंबाई के लिए डिज़ाइन किया गया है जो दो की शक्तियां हैं।यह इनपुट को दो इंटरलेव्ड सेगमेंट में विभाजित करके काम करता है, जिससे संचालन के कुशल संतुलन को सक्षम किया जाता है।इस दृष्टिकोण की एक प्रमुख ताकत इसकी सीधीता और विश्वसनीयता है, जिसने इसे व्यापक रूप से उपयोग किया है।यह एल्गोरिथ्म 2 के रूप में लंबाई के साथ डेटासेट के लिए आदर्श है।

स्प्लिट-रेडिक्स और मिक्स्ड-रेडिक्स एल्गोरिदम को इनपुट आकारों को संभालने के लिए डिज़ाइन किया गया है जो दो की शक्तियों तक सीमित नहीं हैं।स्प्लिट-रेडिक्स एल्गोरिथ्म कम्प्यूटेशनल दक्षता को बढ़ाने के लिए RADIX-2 और RADIX-4 विधियों के तत्वों को जोड़ता है, जबकि मिश्रित-रेडिक्स एल्गोरिथ्म इनपुट आकार को लचीले ढंग से फैक्टरिंग द्वारा गैर-पावर-ऑफ-टू डेटा लंबाई के लिए अनुकूलित करता है।इन एल्गोरिदम की एक प्रमुख ताकत उनकी बहुमुखी प्रतिभा और दक्षता है, जो उन्हें मनमानी लंबाई के साथ डेटा को संसाधित करने के लिए अच्छी तरह से अनुकूल बनाती है।कारककरण तकनीकों को समायोजित करके, वे इनपुट आकार की परवाह किए बिना उच्च कम्प्यूटेशनल गति बनाए रखते हैं।

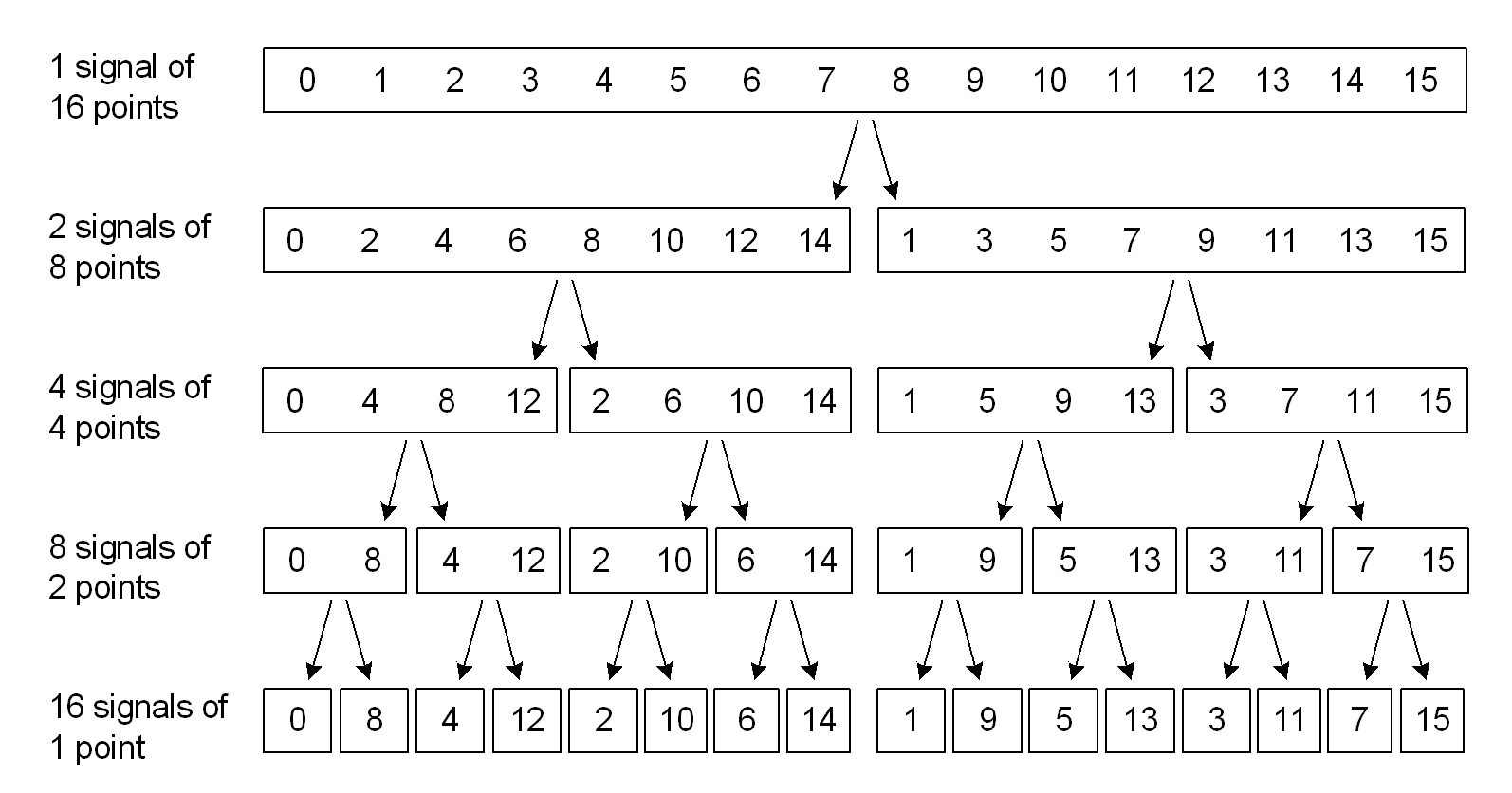
एफएफटी (फास्ट फूरियर ट्रांसफॉर्म) को समझना समय और आवृत्ति डोमेन दोनों की विस्तार से जांच करना शामिल है।समय डोमेन में, प्रसंस्करण को सरल बनाने के लिए डेटा को सम और विषम भागों में विभाजित किया जाता है।"बटरफ्लाई" एल्गोरिथ्म के साथ जोड़ी गई यह विधि, गणनाओं को व्यवस्थित करने में मदद करती है और गणना के दौरान सब कुछ रखकर प्रक्रिया को कुशल बनाती है।
समय-डोमेन अपघटन: समय डोमेन में छोटे भागों में डेटा को तोड़ना एफएफटी को समझने में आसान और अधिक कुशल बनाता है।प्रत्येक चरण अनुक्रम के बारे में अधिक विस्तार से पता चलता है, एक बड़ी समस्या को हल करने के समान इसे छोटे, प्रबंधनीय कार्यों में तोड़कर।यह चरण-दर-चरण दृष्टिकोण प्रसंस्करण गति और समझ दोनों में सुधार करता है।
आवृत्ति डोमेन के साथ शुरू: फ़्रीक्वेंसी डोमेन से शुरू होने से FFT को संसाधित करने का एक और तरीका प्रदान करता है।यह दृष्टिकोण अच्छी तरह से काम करता है जब आवृत्ति डेटा फोकस होता है, तो काम को अधिक समान रूप से वितरित करता है।यह दिखाता है कि एल्गोरिदम विभिन्न डेटा संरचनाओं और आवश्यकताओं के अनुकूल कैसे हो सकता है।
"तितली" एल्गोरिथ्म: "बटरफ्लाई" एल्गोरिथ्म एफएफटी के लिए महत्वपूर्ण है, सरलीकरण और कल्पना करना कि डेटा कैसे बदल जाता है।यह प्रत्येक चरण पर डेटा के प्रवाह को मैप करता है, जिससे जटिल संगणनाओं को समझना आसान हो जाता है, बहुत कुछ एक अच्छी तरह से तैयार किए गए नक्शे की तरह जो नेविगेशन को सरल करता है।
सिंक्रनाइज़िंग परिणाम: FFT के इन-प्लेस प्रोसेसिंग के साथ मध्यवर्ती और अंतिम परिणामों को संरेखित रखने से सटीकता और दक्षता सुनिश्चित होती है।यह समन्वय त्रुटियों, संसाधनों को बुद्धिमानी से कम करता है, और विभिन्न अनुप्रयोगों में सटीकता बनाए रखता है।
असतत फूरियर को कारगर बनाने के लिए एफएफटी की उल्लेखनीय क्षमता समय सिग्नल प्रोसेसिंग को सक्षम करती है।संचार प्रणालियों में, समय और आवृत्ति डोमेन के बीच तेजी से बदलाव का उपयोग विभिन्न डेटा प्रकारों को कुशलतापूर्वक प्रबंधित करने के लिए किया जाता है।यह परिवर्तन एफएफटी द्वारा संचालित होता है, जो कम्प्यूटेशनल मांगों को कम करता है, कम विलंबता और बढ़ाया थ्रूपुट को प्राप्त करता है, यहां तक कि आधुनिक नेटवर्क की पेचीदगियों के बीच भी।
FFT ध्वनि की गुणवत्ता को परिष्कृत करके, शोर को कम करने और प्रभाव को संशोधित करके ऑडियो सिग्नल प्रोसेसिंग में महत्वपूर्ण भूमिका निभाता है।पारंपरिक ऑडियो कार्यों से परे, यह अब 3 डी साउंड मॉडलिंग और टाइम ऑडियो रेंडरिंग जैसे इमर्सिव श्रवण अनुभवों को प्रभावित करता है।एफएफटी द्वारा पेश किए गए उच्च-निष्ठा वर्णक्रमीय डेटा का उपयोग करें, जो कि उनकी कला में एम्बेडेड भावनाओं को प्रतिध्वनित करते हुए, समृद्ध रूप से विस्तृत ध्वनियों को शिल्प करने के लिए।
रडार और सोनार सिस्टम के लिए, सिग्नल रूपांतरण दक्षता विभिन्न इनपुटों का पता लगाने, विश्लेषण करने और प्रतिक्रिया करने के लिए केंद्रीय है।एफएफटी कच्चे डेटा को सुलभ आंकड़ों में बदल देता है, सैन्य, विमानन और समुद्री संचालन जैसे संदर्भों में त्वरित निर्णय लेने की सुविधा प्रदान करता है।अन्य लोग इन अनुप्रयोगों में विश्वसनीयता और सटीकता बनाए रखने के लिए एफएफटी की उत्कृष्टता पर निर्भर करते हैं।
स्पेक्ट्रम विश्लेषण एफएफटी की सटीकता और तेजी से बहुत बढ़ाया जाता है।यह अलग-अलग आवृत्तियों में जटिल संकेतों को सरल बनाता है, जो सिग्नल व्यवहार और बातचीत को समझने में सहायता करता है, जिससे अत्याधुनिक डिजिटल सिग्नल प्रोसेसिंग सिस्टम को आगे बढ़ाया जाता है।यह एप्लिकेशन कई क्षेत्रों में फायदेमंद है, जिसमें वायरलेस कम्युनिकेशन और इलेक्ट्रॉनिक्स शामिल हैं, जहां एक स्पष्ट संकेत व्याख्या हमारी आंतरिक खोज को समझने के लिए अपील करती है।
कृपया एक जांच भेजें, हम तुरंत जवाब देंगे।
2024/12/29 पर
2024/12/29 पर
8000/04/18 पर 147758
2000/04/18 पर 111943
1600/04/18 पर 111349
0400/04/18 पर 83721
1970/01/1 पर 79508
1970/01/1 पर 66916
1970/01/1 पर 63070
1970/01/1 पर 63012
1970/01/1 पर 54081
1970/01/1 पर 52139