

|
पिन नं। |
विवरण |
|
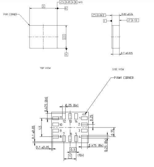
1 |
SDO, SREAL डेटा आउटपुट SPI 4W में |
|
2 |
ASDX, AUX इंटरफ़ेस / OIS इंटरफ़ेस |
|
3 |
ASCX, AUX इंटरफ़ेस / OIS इंटरफ़ेस |
|
4 |
Int1, इंटरप्ट पिन 1 |
|
5 |
VDDIO, डिजिटल VO आपूर्ति वोल्टेज (1.2 .. 3.6V) |
|
6 |
Gndio, v0 के लिए जमीन |
|
7 |
GND, डिजिटल और एनालॉग के लिए जमीन |
|
8 |
VDD, बिजली की आपूर्ति एनालॉग और डिजिटल (1.71 .. 3.6V) |
|
9 |
Int2, पिन 2 को बाधित करें |
|
10 |
OCSB, OIS इंटरफ़ेस |
|
11 |
OSDO, OIS इंटरफ़ेस |
|
12 |
CSB, चिप SPI मोड के लिए चयन करें |
|
13 |
SCX, SP/4C सीरियल क्लॉक (SCK/SCL) |
|
14 |
SDX, सीरियल डेटा VO |



BMI270 एकीकृत सेंसर के अपने पहनावा के माध्यम से असाधारण गति का पता लगाने के लिए कम बिजली की खपत को प्राथमिकता देने वाले पहनने योग्य उपकरणों के लिए सावधानीपूर्वक तैयार किया गया है।यह जटिल उपकरण अपनी कसकर-बुनना संरचना में 16-बिट एक्सेलेरोमीटर के साथ एक ट्रायक्सियल गायरोस्कोप का विलय करता है, कुशल अंतरिक्ष उपयोग और पूर्ण-कार्यक्षमता के बीच एक संतुलन को प्रभावित करता है।
सटीक गति विश्लेषण प्रदान करते समय ऊर्जा उपयोग को कम करने के लिए BMI270 की क्षमता एक उल्लेखनीय तकनीकी छलांग का प्रतिनिधित्व करती है।पहनने योग्य तकनीक की दुनिया में, जहां बिजली दक्षता आपके अनुभव को आकार देती है, ऐसी प्रगति आपके संतोष को काफी प्रभावित कर सकती है।टेक aficionados के लिए जो सुविधा को महत्व देते हैं, विस्तारित बैटरी दीर्घायु नियमित चार्जिंग की परेशानी को कम करती है।
एक इकाई में त्रिकोणीय गायरोस्कोप और एक्सेलेरोमीटर का समेकन डेटा की सटीकता और डिवाइस के कम डिजाइन दोनों को अनुकूलित करता है।प्रौद्योगिकी क्षेत्र में अनुभव बताते हैं कि भागों का सहज समावेश एक उपकरण के प्रदर्शन को बनाए रखने में महत्वपूर्ण है, जबकि इसके निर्माण को सरल बनाता है और इसके आकार को कम करता है।यह रणनीति न केवल आपको विकास के खर्चों को कम करके लाभान्वित करती है, बल्कि फिटनेस गतिविधियों को ट्रैक करने से लेकर इशारों के नियंत्रण कार्यात्मकताओं को सक्षम करने के लिए विभिन्न प्रकार के उपयोगों को भी समायोजित करती है।
|
विशेषता |
विवरण |
|
पैकेट |
कॉम्पैक्ट मानक आकार LGA मोल्ड पैकेज, 14 पिन,
पदचिह्न 2.5x3.0 मिमी, ऊंचाई 0.83 मिमी |
|
अंकीय इंटरफ़ेस |
10 मेगाहर्ट्ज एसपीआई (4-तार, के साथ प्राथमिक डिजिटल इंटरफ़ेस,
3-वायर) और 1 मेगाहर्ट्ज I ac (FM+) तक |
|
आउटपुट डेटा दरों (ओडीआर) |
25 हर्ट्ज - 6.4 kHz (Gyroscope), 0.78 हर्ट्ज - 1.6 kHz
(एक्सेलेरोमीटर) |
|
लो पास फिल्टर |
बैंडविड्थ के साथ प्रोग्राम योग्य कम-पास फ़िल्टर ~ 513-680 हर्ट्ज
(एक्सेलेरोमीटर), ~ 890 हर्ट्ज (गायरोस्कोप) |
|
बिजली की आपूर्ति |
एनालॉग VDD: 1.71V - 3.6V;स्वतंत्र VDDIO: 1.2V - 3.6V |
|
बिजली की खपत |
अल्ट्रा-कम वर्तमान खपत, विशिष्ट 685 μA (पूर्ण में)
ओडीआर और अलियासिंग-मुक्त संचालन) |
|
जाइरोस्कोप प्रदर्शन विधा |
कम शोर का स्तर, विशिष्ट < 8 mdps/√Hz |
|
शक्ति प्रबंधन इकाई (पीएमयू) |
उन्नत बिजली प्रबंधन और कम शक्ति के लिए अंतर्निहित पीएमयू
मोड |
|
स्टार्टअप का समय |
गायरोस्कोप के लिए 2 एमएस (फास्ट स्टार्ट मोड), 2 एमएस के लिए
accelerometer |
|
द्वितीयक इंटरफ़ेस |
स्वतंत्र रूप से विन्यास योग्य;400 kHz i ac (FM) मास्टर इंटरफ़ेस
एक औक्स सेंसर के लिए हब (जैसे, मैग्नेटोमीटर, दबाव) |
|
उच्च गति वाले एसपीआई |
उच्च गति वाले अनुप्रयोगों के लिए 10 मेगाहर्ट्ज एसपीआई (4-तार, 3-तार);
अधिकतम 676 μs समूह देरी के साथ 6.4 kHz ODR तक |
|
पर-चिप फीफो बफर |
एक्सेलेरोमीटर, जाइरोस्कोप के लिए 2 केबी फीफो बफर,
टाइमस्टैम्प्स, और औक्स सेंसर डेटा |
|
ऑफसेट मुआवजा
|
एक्सेलेरोमीटर के लिए तेजी से ऑफसेट त्रुटि मुआवजा और
जाइरोस्कोप |
|
संवेदनशीलता मुआवजा |
गायरोस्कोप के लिए तेजी से संवेदनशीलता त्रुटि मुआवजा (CRT,
अधिकतम संवेदनशीलता त्रुटि < 1%) |
|
सिंक्रनाइज़ेशन |
एक्सेलेरोमीटर, जाइरोस्कोप और औक्स का एचडब्ल्यू सिंक्रनाइज़ेशन
सेंसर (< 1 μs) |
|
मुहर |
सटीक प्रणाली और सेंसर समय के लिए सेंसर टाइमस्टैम्प
सिंक्रनाइज़ेशन (< 40 μs) |
|
प्रोग्रामेबल I/O पिन |
2 स्वतंत्र प्रोग्रामेबल VO पिन बीच के लिए और
सिंक्रनाइज़ेशन इवेंट्स |
|
अनुपालन |
ROHS आज्ञाकारी, हलोजन और लीड-फ्री |
BMI270 सेंसर अपने छोटे आकार और सटीकता के कारण विभिन्न अत्याधुनिक प्रौद्योगिकियों में अपनी जगह पाता है।इसका एकीकरण उद्योगों को आपकी सगाई और अनुभवों को ऊंचा करने पर ध्यान केंद्रित करता है।
पहनने योग्य उपकरणों के लिए, BMI270 अपनी गति-संवेदी कौशल के साथ चमकता है।यह घटक फिटनेस को ट्रैक करने, स्वास्थ्य की निगरानी और गतिविधियों को पहचानने के लिए उपयोगी सटीक डेटा प्रदान करता है।आप अक्सर पा सकते हैं कि इस तरह के सहज सेंसर एकीकरण दैनिक गतिविधियों को समृद्ध करते हैं और एक स्वस्थ जीवन शैली को प्रेरित करते हैं।बिजली की खपत के प्रबंधन में सेंसर की दक्षता इन उपकरणों की बैटरी जीवन का विस्तार करती है, जिससे वे अधिक पोर्टेबल और सुलभ हो जाते हैं।
ऑडियो एक्सेसरीज़ की दुनिया में, एक्सररेशन डेटा को संसाधित करने के लिए सेंसर की क्षमता शोर रद्दीकरण और ऑडियो समायोजन जैसी सुविधाओं को बढ़ाती है।यह अनुकूली तकनीक आपके आंदोलनों और पर्यावरणीय परिवर्तनों का जवाब देती है, एक समृद्ध और अधिक सहज श्रवण अनुभव की पेशकश करती है जो आसानी से किसी के दैनिक लय में फिट बैठता है।
BMI270 सेंसर के साथ अभिनव वस्त्रों के क्षेत्र में क्रांति ला दी गई है।इस सेंसर से लैस स्मार्ट वस्त्र गतिविधि विश्लेषण की पेशकश करते हैं, जो शरीर की मुद्रा सुधार में सहायता करते हैं।जैसे -जैसे बहुमुखी कपड़ों की मांग बढ़ती है, इन सेंसर को एकीकृत करना आपके व्यवहार और एर्गोनॉमिक्स में अंतर्दृष्टि प्रदान करता है, वेलनेस और फिटनेस में अधिक व्यक्तिगत समाधानों को बढ़ावा देता है।
संवर्धित और आभासी वास्तविकता के भीतर, BMI270 स्विफ्ट और सटीक गति ट्रैकिंग को सक्षम करने के लिए बुनियादी है।यह आपको बढ़ाया नियंत्रण और बातचीत के साथ डिजिटल दुनिया में गोता लगाने की अनुमति देता है।मोशन सिकनेस को कम करके, सेंसर आराम और सगाई को बढ़ाता है, एआर/वीआर तैनाती से अंतर्दृष्टि के साथ इन ट्रेलब्लाज़िंग अनुभवों को अपनी इच्छाओं और जरूरतों के साथ बेहतर संरेखित करने के लिए बढ़ाता है।

BMI270 सेंसर अपने आवेदन में समकालीन पहनने योग्य और यादगार तकनीक के लिए उत्कृष्टता प्राप्त करता है।I2C और SPI दोनों इंटरफेस दोनों के लिए निपुण समर्थन के साथ, यह जेस्चर मान्यता और गतिविधि/संदर्भ का पता लगाने जैसे अनुप्रयोगों के लिए दरवाजे खोलता है, प्रौद्योगिकी के साथ एक सहज अनुभव और उनके परिवेश के बारे में जागरूकता बढ़ाता है।
BMI270 द्वारा सुविधाजनक इशारों की पहचान आपके और आपके तकनीकी उपकरणों के बीच एक परिष्कृत अभी तक प्राकृतिक बातचीत के लिए अनुमति देता है।अपने इशारों की सही व्याख्या करके, सेंसर आपके इंटरफेस की कार्यक्षमता को फिर से परिभाषित करता है।पहनने योग्य तकनीक की दुनिया में, इशारे अक्सर पारंपरिक बटन नियंत्रण के लिए खड़े होते हैं।यह आपके लिए डिवाइसों को विवेकपूर्ण और प्रभावी ढंग से प्रबंधित करना संभव बनाता है, एक ज्यादातर लाभप्रद विशेषता जब भौतिक बातचीत कम संभव होती है।इशारों की पहचान एल्गोरिदम में लगातार सुधार एक अधिक अनुकूलनीय और उत्तरदायी प्रणाली में योगदान करते हैं जो विविध वरीयताओं और आवश्यकताओं के साथ संरेखित करता है।
फिटनेस ट्रैकर्स में आमतौर पर इशारा मान्यता प्राप्त होती है, जिससे आप व्यायाम मोड स्विच कर सकते हैं या कलाई के एक मात्र झटके के साथ वर्कआउट सत्र शुरू कर सकते हैं।यह इशारा-नियंत्रित कार्यक्षमता स्मार्ट ईयरबड्स में मिरर की जाती है, जहां आप अपने उपकरणों के साथ शारीरिक रूप से बातचीत करने की आवश्यकता के बिना गीतों को बदलने या वॉल्यूम के स्तर को समायोजित करने की सुविधा का आनंद लेते हैं।इस तरह की इशारे की तकनीक की उन्नति आपकी संतुष्टि को बढ़ाने और विभिन्न अनुप्रयोगों में सगाई को गहरा करने की अपनी क्षमता पर प्रकाश डालती है।
|
प्रकार |
पैरामीटर |
|
फैक्टरी लीड टाइम |
14 सप्ताह |
|
माउन्टिंग का प्रकार |
सतह पर्वत |
|
पैकेज / मामला |
14-वीएफएलजीए |
|
परिचालन तापमान |
-40 ° C ~ 85 ° C |
|
पैकेजिंग
|
टेप और रील (टीआर) |
|
भाग की स्थिति |
सक्रिय |
|
नमी संवेदनशीलता स्तर (एमएसएल) |
1 (असीमित) |
|
उत्पादन का प्रकार |
I2C, SPI |
|
संवेदक प्रकार |
एक्सेलेरोमीटर, जाइरोस्कोप, 6 अक्ष |
|
रोह्स स्टेटस |
ROHS3 आज्ञाकारी |

बॉश सेंसोर्टेक जीएमबीएच, रॉबर्ट बॉश जीएमबीएच छाता के तहत काम कर रहा है, एमईएमएस (माइक्रो-इलेक्ट्रो-मैकेनिकल सिस्टम) तकनीक में अपनी विशेषज्ञता के लिए खड़ा है।इस फर्म का प्राथमिक मिशन उन्नत सेंसर समाधानों को शिल्प करना है जो विभिन्न उपकरणों को अपने वातावरण के साथ कैसे संलग्न करते हैं।यहां विकसित तकनीक कई उपभोक्ता इलेक्ट्रॉनिक्स और IoT (इंटरनेट ऑफ थिंग्स) उपकरणों के बढ़ते डोमेन में अपना रास्ता ढूंढती है।इन सेंसर का गहरा प्रभाव पहनने योग्य प्रौद्योगिकी, स्मार्ट होम डिवाइस और विभिन्न औद्योगिक अनुप्रयोगों जैसे नवाचारों की सटीकता और कार्यक्षमता की उनकी वृद्धि में स्पष्ट है।
अनुसंधान और विकास में अथक नवाचार और उल्लेखनीय निवेश के माध्यम से, बॉश सेंसोर्टेक जीएमबीएच ने सटीक सटीकता, दक्षता और विश्वसनीयता की विशेषता वाले सेंसर डिजाइन किए हैं।उनके एमईएमएस-आधारित नवाचार विभिन्न क्षेत्रों में सेवा करते हैं, जिसमें गति संवेदी, पर्यावरण निगरानी और ऊर्जा प्रबंधन शामिल हैं।उदाहरण के लिए, सेंसर मोबाइल डिवाइस क्षमताओं को अपग्रेड करने में गंभीर भूमिका निभाते हैं, जैसे कि ओरिएंटेशन डिटेक्शन, इशारा मान्यता और पर्यावरणीय परिवर्तनों के अनुकूलन।यह प्रगति न केवल आपके अनुभवों को समृद्ध करती है, बल्कि अत्याधुनिक सेंसर प्रौद्योगिकी के लिए नए उद्योग मानकों को भी स्थापित करती है।
कृपया एक जांच भेजें, हम तुरंत जवाब देंगे।
BMI270 सटीक त्वरण और कोणीय दर मापों को मिलाकर गति-ट्रिगर सुविधाओं को एकीकृत करता है।यह एकीकरण विभिन्न उपभोक्ता इलेक्ट्रॉनिक अनुप्रयोगों में उपयोग की जाने वाली गति का पता लगाने और ट्रैकिंग क्षमताओं का समर्थन करता है।इन उन्नत मापों का लाभ उठाकर, उपकरण भौतिक आंदोलन और अभिविन्यास को ट्रैक करने में बेहतर प्रदर्शन प्राप्त कर सकते हैं।यह कार्यात्मकताओं के एक व्यापक स्पेक्ट्रम को सक्षम बनाता है, जिसमें इमर्सिव गेमिंग अनुभवों से लेकर सावधानीपूर्वक फिटनेस ट्रैकिंग तक शामिल हैं।
BMI270 को बॉश सेंसोर्टेक द्वारा तैयार किया गया है, जो विभिन्न उद्योगों में उपयोग किए जाने वाले उच्च गुणवत्ता वाले सेंसर के लिए प्रशंसित कंपनी है।सेंसर प्रौद्योगिकी में बॉश की गहरी जड़ वाली विशेषज्ञता यह सुनिश्चित करती है कि BMI270 आधुनिक इलेक्ट्रॉनिक उपकरणों के कठोर बेंचमार्क को पूरा करता है, लगातार भरोसेमंद प्रदर्शन प्रदान करता है।
BMI270 ने कई संवर्द्धन में सुधार किया, जो कि गति से बेहतर है, जो गतिशील परिस्थितियों में उच्च सटीकता के लिए इंजीनियर है।यह वृद्धि सटीक गति संवेदन की आवश्यकता वाले परिदृश्यों में ज्यादातर लाभप्रद साबित होती है, जैसे कि आभासी वास्तविकता या स्वायत्त नेविगेशन, जहां भी मामूली अशुद्धि आपके अनुभव को बाधित कर सकती है।
BMI270 का प्रदर्शन एक्सेलेरोमीटर की कार्यक्षमता में व्यापक सुधारों के माध्यम से ऊंचा है।इन संवर्द्धन में शोर में कमी और माप त्रुटियों का न्यूनतमकरण शामिल है, जो विभिन्न परिस्थितियों में अधिक प्रभावी ढंग से संचालित करने के लिए BMI270 से लैस उपकरणों को सक्षम करता है।उन उद्योगों में जहां सटीकता प्रमुख है, जैसे कि मेडिकल या एयरोस्पेस तकनीक, ये अपग्रेड पर्याप्त लाभ पेश करते हैं।
BMI270 शून्य-जी ऑफसेट को कम करके और संवेदनशीलता त्रुटि को कम करके उल्लेखनीय संवर्द्धन प्राप्त करता है।शून्य-जी ऑफसेट में कमी स्थिर अवधि के दौरान सेंसर की सटीकता को बोल्ट करती है, जबकि कम संवेदनशीलता त्रुटि विविध पर्यावरणीय परिस्थितियों में अधिक विश्वसनीय संचालन का आश्वासन देती है।ये दोहरे सुधार BMI270 को सेंसर समाधान में सटीकता और विश्वसनीयता को प्राथमिकता देने के लिए एक सम्मोहक विकल्प बनाते हैं।
2024/11/4 पर
2024/11/4 पर
8000/04/18 पर 147758
2000/04/18 पर 111943
1600/04/18 पर 111349
0400/04/18 पर 83721
1970/01/1 पर 79508
1970/01/1 पर 66915
1970/01/1 पर 63066
1970/01/1 पर 63012
1970/01/1 पर 54081
1970/01/1 पर 52139