
XC3S200-4TQG144I AMD Xilinx के स्पार्टन -3 FPGA परिवार का हिस्सा है, जो उच्च प्रदर्शन की मांग करने वाले लागत-संवेदनशील अनुप्रयोगों के लिए अनुरूप है।इस मॉडल में 200,000 सिस्टम गेट हैं और कॉम्पैक्ट फॉर्म कारक में मजबूत प्रसंस्करण क्षमताओं को सक्षम करते हुए 4,320 लॉजिक कोशिकाओं का उपयोग करते हैं।डिवाइस में पर्याप्त आंतरिक संसाधनों का दावा किया गया है, जिसमें 480 कॉन्फ़िगर करने योग्य लॉजिक ब्लॉक (सीएलबी), डेटा स्टोरेज के लिए ब्लॉक रैम के 216 kbits, और बढ़े हुए अंकगणितीय संचालन के लिए 12 समर्पित 18x18 गुणक शामिल हैं।यह 97 उपयोगकर्ता I/O पिन तक का समर्थन करता है, जिससे बहुमुखी कनेक्टिविटी विकल्प की अनुमति मिलती है।घड़ी प्रबंधन को कुशलतापूर्वक चार डिजिटल घड़ी प्रबंधकों (DCMs) द्वारा संभाला जाता है, जो उच्च गति वाले डिजिटल वातावरण के भीतर सटीक समय और नियंत्रण की सुविधा प्रदान करता है।XC3S200-4TQG144I 1.2V कोर वोल्टेज पर संचालित होता है, जिसमें 1.14V से 1.26V की स्वीकार्य रेंज होती है, और इसे -40 ° C से +100 ° C के तापमान रेंज के साथ औद्योगिक सेटिंग्स में मज़बूती से प्रदर्शन करने के लिए डिज़ाइन किया गया है।इस FPGA के लिए अधिकतम प्राप्त करने योग्य घड़ी आवृत्ति 630 मेगाहर्ट्ज तक है, जो अनुप्रयोगों में तेजी से डेटा प्रसंस्करण और जवाबदेही सुनिश्चित करती है।
यदि आप एक व्यवसाय चला रहे हैं और विश्वसनीय, उच्च-प्रदर्शन FPGAs की स्थिर आपूर्ति की आवश्यकता है, तो XC3S200-4TQG144I एक स्मार्ट विकल्प है।अपने बल्क ऑर्डर को हमारे साथ रखने से आपके सिस्टम के प्रदर्शन को बढ़ावा मिलता है, और हम यहां हर कदम पर आपका समर्थन करते हैं।

XC3S200-4TQG144I प्रतीक

XC3S200-4TQG144I पदचिह्न

XC3S200-4TQG144I 3D मॉडल
• तर्क -क्षमता: XC3S200-4TQG144I 200,000 सिस्टम गेट्स और 4,320 लॉजिक सेल के साथ पर्याप्त तर्क क्षमता प्रदान करता है।यह आपको एक ही चिप के भीतर जटिल डिजिटल सर्किट और सिस्टम को लागू करने की अनुमति देता है, जिससे यह विभिन्न प्रकार के अनुप्रयोगों के लिए आदर्श हो जाता है, जिसमें कम्प्यूटेशनल पावर और लचीलेपन की आवश्यकता होती है।
• कॉन्फ़िगर करने योग्य तर्क ब्लॉक (सीएलबी): यह FPGA 480 कॉन्फ़िगर करने योग्य लॉजिक ब्लॉकों से सुसज्जित है, जो उपयोगकर्ता-परिभाषित लॉजिक फ़ंक्शन को लागू करने के लिए मुख्य लॉजिक संसाधन हैं।प्रत्येक CLB को तार्किक संचालन की एक विस्तृत श्रृंखला करने के लिए प्रोग्राम किया जा सकता है, जो प्रदर्शन और संसाधन उपयोग को अनुकूलित करने के लिए आवश्यक लचीलापन प्रदान करता है।
• स्मृति संसाधन: इसमें ब्लॉक रैम के 216 kbits और वितरित रैम के 520 kbits तक शामिल हैं।यह ऑन-चिप मेमोरी उन अनुप्रयोगों के लिए महत्वपूर्ण है जिन्हें तेज और कुशल डेटा स्टोरेज और रिट्रीवल की आवश्यकता होती है, जो बफरिंग और डेटा कैशिंग से लेकर जटिल राज्य मशीनों तक सब कुछ का समर्थन करती है।
• समर्पित गुणक: 12 समर्पित 18x18 गुणक, XC3S200-4TQG144I को अनुप्रयोगों में एक्सेल, जिसमें डिजिटल सिग्नल प्रोसेसिंग, वीडियो प्रोसेसिंग और कंट्रोल सिस्टम जैसे गहन गणितीय गणनाओं की आवश्यकता होती है।
• डिजिटल घड़ी प्रबंधक): FPGA में चार डिजिटल घड़ी प्रबंधक शामिल हैं जो उन्नत क्लॉकिंग क्षमताएं प्रदान करते हैं।डीसीएम घड़ी प्रबंधन की लचीलापन और सटीकता को बढ़ाते हैं, आवृत्ति संश्लेषण, चरण स्थानांतरण और घबराए में कमी को सक्षम करते हैं, जो उच्च गति वाले डिजिटल संचार और सटीक समय अनुप्रयोगों के लिए आवश्यक हैं।
• I/O क्षमताएं : 97 उपयोगकर्ता I/O पिन के साथ, FPGA LVDs और RSDs सहित विभिन्न प्रकार के एकल-समाप्त और अंतर I/O मानकों का समर्थन करता है।यह व्यापक I/O क्षमता विभिन्न हार्डवेयर वातावरण में तैनाती में बहुमुखी प्रतिभा को सुनिश्चित करने के लिए परिधीय और प्रणालियों की एक विस्तृत श्रृंखला के साथ आसान एकीकरण को सक्षम करती है।
• परिचालन की स्थिति: औद्योगिक वातावरण में मज़बूती से प्रदर्शन करने के लिए डिज़ाइन किया गया, XC3S200-4TQG144I -40 ° C से +100 ° C के तापमान सीमा के भीतर संचालित होता है।यह मजबूत तापमान सहिष्णुता कठोर परिचालन स्थितियों में तैनाती के लिए उपयुक्त है।
• बिजली की आपूर्ति: यह 1.2V के एक कोर वोल्टेज पर संचालित होता है, जिसमें 1.14V से 1.26V तक एक स्वीकार्य सीमा होती है।यह कम-शक्ति ऑपरेशन उन अनुप्रयोगों के लिए बहुत अच्छा है जो बिजली की खपत के प्रति संवेदनशील हैं, समग्र प्रणाली ऊर्जा आवश्यकताओं को कम करने में मदद करते हैं।
• अनुपालन: XC3S200-4TQG144I ROHS को पूरा करता है और मानकों तक पहुंचता है, वर्तमान पर्यावरण और सुरक्षा नियमों का अनुपालन सुनिश्चित करता है।यह अनुपालन टिकाऊ और जिम्मेदार विनिर्माण प्रथाओं को बनाए रखने में कंपनियों का समर्थन करता है।

XILINX स्पार्टन -3 परिवार से XC3S200-4TQG144I FPGA के लिए पिनआउट आरेख 144-पिन पतले क्वाड फ्लैट पैक (TQFP) पैकेज के लिए भौतिक पिन कॉन्फ़िगरेशन और सिग्नल असाइनमेंट दिखाता है।आरेख को चिप के शीर्ष दृश्य का प्रतिनिधित्व करने वाले एक वर्ग प्रारूप में रखा गया है, जिसमें परिधि के चारों ओर लेबल किए गए पिन नंबर हैं।प्रत्येक पक्ष एक विशिष्ट बैंक (बैंक 0 से बैंक 7) से मेल खाता है, जो कि साझा वोल्टेज संदर्भों के साथ I/O पिन को समूह करता है।
प्रत्येक रंगीन बॉक्स एक सिग्नल प्रकार या वोल्टेज फ़ंक्शन का प्रतिनिधित्व करता है जैसे कि I/O सिग्नल, पावर सप्लाई पिन (VCCINT, VCCO), ग्राउंड (GND), कॉन्फ़िगरेशन पिन (जैसे init_b या Done), और विशेष फ़ंक्शन पिन (जैसे घड़ी इनपुट या JTAG)।IO_L नामकरण सम्मेलन अंतर I/O जोड़े (जैसे IO_LXXN_PXXX या IO_LXXP_PXXX) की पहचान करता है, उच्च गति वाले डेटा इंटरफेस में उपयोगी है।कुछ पिन कॉन्फ़िगरेशन, प्रोग्रामिंग या समर्पित घड़ी कार्यों के लिए आरक्षित हैं, जो डिवाइस सेटअप और ऑपरेशन के लिए महत्वपूर्ण हैं।

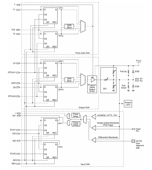
XC3S200-4TQG144I का ब्लॉक आरेख, AMD (पूर्व में Xilinx) से एक स्पार्टन -3 FPGA, I/O ब्लॉक (IOB) की आंतरिक वास्तुकला को दिखाता है, जिसमें बताया गया है कि FPGA कपड़े और बाहरी पिन के बीच संकेत कैसे प्रवाहित होते हैं।यह आरेख प्रत्येक I/O पिन के लिए इनपुट, आउटपुट और ट्रिस्टेट व्यवहार को नियंत्रित करने वाले प्रोग्राम योग्य लॉजिक और कॉन्फ़िगर करने योग्य पथों का प्रतिनिधित्व करता है।
शीर्ष पर, तीन-राज्य पथ आउटपुट को संभालता है जो संकेतों को सक्षम करता है।FLIP-FLOPS (TFF1, TFF2) को यह निर्धारित करने के लिए कि आउटपुट ड्राइवर सक्रिय हैं या उच्च-प्रतिबाधा स्थिति में यह निर्धारित करने के लिए नियंत्रण संकेत (T1, T2) और टाइमिंग कंट्रोल सिग्नल (TCE, TCK) प्राप्त करते हैं।एक मल्टीप्लेक्स प्रोग्रामेबल कॉन्फ़िगरेशन के आधार पर विभिन्न स्रोतों के बीच चयन करता है।
बीच में, आउटपुट पथ में फ्लिप-फ्लॉप (ऑफ 1, ऑफ 2) शामिल हैं जो आउटपुट डेटा सिग्नल (O1, O2) को आउटपुट घड़ियों (OTCLK1, OTCLK2) के साथ सिंक्रनाइज़ करते हैं।एक मल्टीप्लेक्स और वैकल्पिक डीडीआर (डबल डेटा रेट) लॉजिक डेटा को बढ़ते और गिरने वाली घड़ी के किनारों पर संचालित करने की अनुमति देता है।आउटपुट ड्राइवर डीसीआई (डिजिटल रूप से नियंत्रित प्रतिबाधा) के लिए विभिन्न तर्क से जुड़ता है और आंगन की स्थिति को बनाए रखने के लिए पुल-अप/पुल-डाउन प्रतिरोधों, ईएसडी संरक्षण, और कीपर कुंडी का समर्थन करता है।
सबसे नीचे, इनपुट पथ दिखाता है कि इनपुट सिग्नल (IQ1, IQ2) को इनपुट घड़ियों (ICLK1, ICLK2) का उपयोग करके फ्लिप-फ्लॉप (IFF1, IFF2) में कैसे लाया जाता है।वैकल्पिक देरी फाइन-ट्यून टाइमिंग के लिए प्रोग्राम करने योग्य है।इनपुट LVCMOS, LVTTL, और VREF और आसन्न पिन का उपयोग करके विभेदक संकेतों सहित कई I/O मानकों का समर्थन करते हैं।
|
प्रकार |
पैरामीटर |
|
उत्पादक |
एएमडी |
|
शृंखला |
स्पार्टन® -3 |
|
पैकेजिंग |
ट्रे |
|
भाग की स्थिति |
अप्रचलित |
|
लैब्स/सीएलबी की संख्या |
480 |
|
तर्क तत्वों/कोशिकाओं की संख्या |
4320 |
|
कुल रैम बिट्स |
221184 |
|
I/O की संख्या |
97 |
|
गेट्स की संख्या |
200000 |
|
वोल्टेज - आपूर्ति |
1.14V ~ 1.26V |
|
माउन्टिंग का प्रकार |
सतह पर्वत |
|
परिचालन तापमान |
-40 ° C ~ 100 ° C (TJ) |
|
पैकेज / मामला |
144-LQFP |
|
आपूर्तिकर्ता युक्ति पैकेज |
144-TQFP (20x20) |
|
आधार उत्पाद संख्या |
XC3S200 |
अंकीय सिग्नल प्रोसेसिंग
अपने समर्पित गुणकों और पर्याप्त ब्लॉक रैम के कारण DSP अनुप्रयोगों में XC3S200-4TQG144I उत्कृष्टता प्राप्त करता है।यह ऑडियो और वीडियो प्रोसेसिंग जैसे गहन गणितीय गणनाओं की आवश्यकता वाले कार्यों के लिए आदर्श बनाता है, जहां यह फ़िल्टरिंग, मॉड्यूलेशन और संपीड़न जैसे संचालन को कुशलता से संभाल सकता है।
अंतः स्थापित प्रणालियाँ
यह FPGA माइक्रोबलज़ और पिकोब्लैज़ जैसे सॉफ्ट-कोर प्रोसेसर का समर्थन करता है, जो जटिल एम्बेडेड सिस्टम के विकास के लिए अनुमति देता है।इसका उपयोग कस्टम कंट्रोल सिस्टम, स्मार्ट डिवाइस और यूजर इंटरफेस में किया जाता है जहां सिलसिलेवार कार्यक्षमता महत्वपूर्ण है।
औद्योगिक स्वचालन
अपनी मजबूत I/O क्षमताओं और अत्यधिक तापमान में मज़बूती से काम करने की क्षमता के साथ, XC3S200-4TQG144I औद्योगिक स्वचालन के लिए पूरी तरह से अनुकूल है।यह मोटर नियंत्रण, सेंसर इंटरफेसिंग और निगरानी प्रणालियों का प्रबंधन करता है, जो जटिल औद्योगिक प्रक्रियाओं को अनुकूलित और स्वचालित करने में मदद करता है।
मोटर वाहन इलेक्ट्रॉनिक्स
ऑटोमोटिव इलेक्ट्रॉनिक्स में, FPGA इन्फोटेनमेंट सिस्टम से लेकर कॉम्प्लेक्स डैशबोर्ड कंट्रोल और एडवांस्ड ड्राइवर-असिस्टेंस सिस्टम (ADAS) तक की कार्यक्षमता को सक्षम करता है।इसकी उच्च विश्वसनीयता और अनुकूलनशीलता इसे मोटर वाहन निर्माताओं के लिए एक विकल्प बनाती है।
संचार प्रणाली
XC3S200-4TQG144I संचार बुनियादी ढांचे में महत्वपूर्ण है, जैसे कि राउटर, स्विच और वायरलेस बेस स्टेशनों।इसकी उच्च गति प्रसंस्करण क्षमताएं नेटवर्क में कुशल डेटा हैंडलिंग और संचार सुनिश्चित करती हैं।
शैक्षिक और प्रोटोटाइप प्लेटफार्म
इसकी लागत-प्रभावशीलता और बहुमुखी प्रतिभा के कारण, FPGA का उपयोग डिजिटल डिजाइन और FPGA प्रौद्योगिकी को पढ़ाने के लिए शैक्षिक सेटिंग्स में व्यापक रूप से उपयोग किया जाता है।यह नई डिजिटल और इलेक्ट्रॉनिक अवधारणाओं के परीक्षण और विकास के लिए प्रोटोटाइपिंग में भी इष्ट है।
चिकित्सा उपकरण
प्रसंस्करण और जटिल एल्गोरिदम को संभालने की क्षमता के लिए FPGA की क्षमता इसे चिकित्सा उपकरणों के लिए उपयुक्त बनाती है, विशेष रूप से इमेजिंग और नैदानिक उपकरणों में जो सटीकता और गति की आवश्यकता होती है।
1. हार्डवेयर कनेक्शन स्थापित करें: JTAG प्रोग्रामिंग केबल (जैसे, Digilent JTAG3 या Xilinx प्लेटफ़ॉर्म केबल) को अपने पीसी से और FPGA बोर्ड पर JTAG हेडर से जोड़कर शुरू करें।सुनिश्चित करें कि बोर्ड चालू है और विश्वसनीय संचार को सक्षम करने के लिए केबल ठीक से सुरक्षित है।
2. लॉन्च इम्पैक्ट टूल: अपने कंप्यूटर पर Xilinx ISE प्रोजेक्ट नेविगेटर खोलें।"प्रक्रियाओं" फलक के भीतर, डिवाइस प्रोग्रामिंग सेट करना शुरू करने के लिए "टारगेट डिवाइस (प्रभाव) को कॉन्फ़िगर करें" पर डबल-क्लिक करें और डबल-क्लिक करें।
3. JTAG चेन इनिशियलाइज़ करें: एक बार प्रभाव खुला हो जाने के बाद, इसे "बाउंड्री स्कैन" मोड पर सेट करें।कार्यक्षेत्र क्षेत्र में राइट-क्लिक करें और "इनिशियलाइज़ चेन" का चयन करें।टूल स्वचालित रूप से JTAG श्रृंखला के माध्यम से जुड़े सभी उपकरणों का पता लगाएगा और सूचीबद्ध करेगा, जिसमें FPGA और किसी भी जुड़े प्रोम चिप्स शामिल हैं।
4. कॉन्फ़िगरेशन फ़ाइलें असाइन करें: FPGA के लिए, प्रभाव कार्यक्षेत्र में अपने आइकन पर राइट-क्लिक करें और "नई कॉन्फ़िगरेशन फ़ाइल असाइन करें" चुनें।अपने पहले संकलित .bit फ़ाइल को ब्राउज़ करें और इसे चुनें।यदि आप एक प्रोम प्रोग्रामिंग भी कर रहे हैं, तो उसी तरीके से प्रोम डिवाइस को संबंधित .mcs फ़ाइल असाइन करें।
5. स्टार्टअप विकल्प सेट करें: "प्रोसेसिंग" पेन में "प्रोग्रामिंग फाइल जेनरेट करें" पर राइट-क्लिक करें, फिर "गुण" चुनें।"स्टार्टअप विकल्प" टैब में, सुनिश्चित करें कि "FPGA स्टार्ट-अप क्लॉक" को JTAG प्रोग्रामिंग घड़ी के साथ FPGA की स्टार्टअप घड़ी को सिंक्रनाइज़ करने के लिए "JTAG क्लॉक" पर सेट किया गया है।इन सेटिंग्स को बचाने के लिए "ओके" पर क्लिक करें।
6. उपकरणों को प्रोग्राम करें: FPGA को प्रोग्राम करने के लिए, प्रभाव में इसके आइकन पर राइट-क्लिक करें और "प्रोग्राम" का चयन करें।प्रोग्रामिंग संवाद में, आप प्रक्रिया को तेज करने के लिए "सत्यापित" को अनचेक करना चुन सकते हैं।प्रोग्रामिंग शुरू करने के लिए "ओके" पर क्लिक करें।यदि एक प्रोम प्रोग्रामिंग करें, तो एक समान कार्रवाई करें, लेकिन सुनिश्चित करें कि "प्रोग्रामिंग से पहले मिटाएं" और "सत्यापित करें" विकल्पों को पूरी तरह से चुना जाता है।
7. कॉन्फ़िगरेशन सत्यापित करें : एक बार प्रोग्रामिंग पूरी हो जाने के बाद, सत्यापित करें कि FPGA का कॉन्फ़िगरेशन FPGA बोर्ड पर "किए गए" एलईडी की स्थिति को देखकर सफल रहा।यह रोशन करना चाहिए, यह दर्शाता है कि डिवाइस को सही ढंग से प्रोग्राम किया गया है।इसके अतिरिक्त, आप इस बात की पुष्टि करने के लिए इम्पैक्ट के सत्यापन टूल का उपयोग कर सकते हैं कि प्रोग्रामिंग सफल रही।
लागत प्रभावशीलता
XC3S200-4TQG144I को मजबूत प्रदर्शन की पेशकश करते हुए अत्यधिक सस्ती होने के लिए डिज़ाइन किया गया है, जिससे यह उन परियोजनाओं के लिए आदर्श है, जिनके लिए बजट की कमी की आवश्यकता होती है।यह FPGA कार्यक्षमता और लागत-दक्षता को जोड़ती है, उच्च मात्रा वाले बाजारों में एक प्रतिस्पर्धी बढ़त प्रदान करती है।
पर्याप्त तर्क संसाधन
4,320 लॉजिक सेल और 480 कॉन्फ़िगर करने योग्य लॉजिक ब्लॉक्स (सीएलबी) से लैस, यह FPGA जटिल डिजिटल डिजाइनों को संभाल सकता है, जो मध्यम-पैमाने पर अनुप्रयोगों के लिए एक बहुमुखी समाधान की पेशकश करता है।इसके संसाधन अधिक महंगे, उच्च-अंत विकल्पों की आवश्यकता के बिना, इलेक्ट्रॉनिक्स से औद्योगिक स्वचालन तक, उपयोग की एक विस्तृत श्रृंखला के लिए पर्याप्त हैं।
बहुमुखी I/O विकल्प
97 उपयोगकर्ता I/O पिन के साथ, XC3S200-4TQG144I कई एकल-समाप्त और अंतर I/O मानकों का समर्थन करता है, जिससे यह विभिन्न एकीकरण आवश्यकताओं के लिए बेहद अनुकूलनीय हो जाता है।यह लचीलापन उन प्रणालियों के लिए अच्छा है जो परिधीय उपकरणों की एक श्रृंखला के साथ इंटरफ़ेस करते हैं।
औद्योगिक तापमान सीमा
FPGA -40 ° C से +100 ° C के व्यापक तापमान सीमा में मज़बूती से संचालित होता है, जिससे यह कठोर वातावरण में उपयोग के लिए उपयुक्त हो जाता है।यह सुविधा मोटर वाहन और औद्योगिक सेटिंग्स में अनुप्रयोगों के लिए मूल्यवान है जहां ऑपरेटिंग स्थिति चरम हो सकती है।
परिपक्व टूलचेन समर्थन
XC3S200-4TQG144I सहित स्पार्टन -3 परिवार, Xilinx के ISE डिज़ाइन सूट द्वारा समर्थित है, जो FPGA प्रोग्रामिंग और डिज़ाइन अनुकूलन के लिए मजबूत उपकरण प्रदान करता है।इसके अतिरिक्त, व्यापक प्रलेखन और एक सहायक समुदाय है, जो विकास के समय को तेज कर सकता है और डिजाइन चुनौतियों को कम कर सकता है।
• पैकेज प्रकार: TQFP-144 (LQFP-144 के रूप में भी जाना जाता है)
• शरीर का नाप: 20 मिमी × 20 मिमी
• बैठा हुआ ऊंचाई (अधिकतम): 1.6 मिमी
• टर्मिनल पिच: 0.5 मिमी
• पैकेज शैली: फ्लैटपैक, लो प्रोफाइल, फाइन पिच
• टर्मिनल रूप: गुल विंग
XC3S200-4TQG144I द्वारा निर्मित है एएमडी, उच्च-प्रदर्शन कंप्यूटिंग और अर्धचालक प्रौद्योगिकी में एक विश्व स्तर पर मान्यता प्राप्त नेता।Xilinx के अपने अधिग्रहण के बाद, AMD ने अपने पोर्टफोलियो का विस्तार किया है, जिसमें प्रोग्रामेबल लॉजिक डिवाइसों की एक विस्तृत श्रृंखला शामिल है, जैसे कि स्पार्टन -3 परिवार जिसमें यह FPGA है।AMD अपने एकीकृत ब्रांड के तहत XC3S200-4TQG144I का समर्थन करना जारी रखता है, विश्वसनीयता, दीर्घकालिक उपलब्धता और ISE डिजाइन सूट जैसे परिपक्व विकास उपकरणों तक पहुंच सुनिश्चित करता है।यह एकीकरण विरासत और आधुनिक इलेक्ट्रॉनिक सिस्टम दोनों के लिए स्केलेबल और कुशल प्रोग्रामेबल समाधान देने के लिए एएमडी की प्रतिबद्धता को दर्शाता है।
XC3S200-4TQG144I कई इलेक्ट्रॉनिक्स परियोजनाओं के लिए एक स्मार्ट और सस्ती पसंद है।यह कठिन वातावरण में अच्छी तरह से काम करता है, लचीले कनेक्शन प्रदान करता है, और तेजी से डेटा प्रोसेसिंग का समर्थन करता है।चाहे आप औद्योगिक मशीनों, कार इलेक्ट्रॉनिक्स, सिग्नल प्रोसेसिंग, या छात्र परियोजनाओं पर काम कर रहे हों, यह चिप आपको वह देती है जो आपको बहुत अधिक लागत के बिना चाहिए।AMD और आसानी से उपयोग किए जाने वाले डिज़ाइन टूल से मजबूत समर्थन के साथ, यह सभी के लिए एक बढ़िया विकल्प है।
कृपया एक जांच भेजें, हम तुरंत जवाब देंगे।
हां, यह माइक्रोबलज़ जैसे सॉफ्ट-कोर प्रोसेसर के एकीकरण का समर्थन करता है, जिससे जटिल नियंत्रण और सिग्नल प्रोसेसिंग कार्यों के लिए FPGA के अंदर कस्टम प्रोसेसिंग लॉजिक को एम्बेड करने की अनुमति मिलती है।
हां, XC3S200-4TQG144I पूरी तरह से Xilinx ISE डिज़ाइन सूट द्वारा समर्थित है, जिससे सीमलेस प्रोजेक्ट सेटअप, सिमुलेशन, सिंथेसिस और हार्डवेयर प्रोग्रामिंग की अनुमति मिलती है।
हाँ।XC3S200-4TQG144I LVDs सहित कई अंतर I/O मानकों का समर्थन करता है, जो इसे उच्च गति, कम-शोर वाले डेटा ट्रांसमिशन के लिए उपयुक्त बनाता है।
मुख्य अंतर पैकेज प्रकार, स्पीड ग्रेड और पिन काउंट में निहित हैं।"-4TQG144I" एक लोअर-स्पीड इंडस्ट्रियल-ग्रेड संस्करण है जिसमें 144-पिन TQFP पैकेज है, जबकि "-5PQ208C" में एक उच्च गति ग्रेड और एक बड़ा 208-पिन PQFP पैकेज है।
अधिकांश अनुप्रयोगों में, मानक पीसीबी लेआउट और प्राकृतिक संवहन पर्याप्त हैं।हालांकि, उच्च गति या उच्च-आई/ओ उपयोग के लिए गर्म वातावरण में, थर्मल स्थिरता बनाए रखने के लिए एक छोटे हीटसिंक या एयरफ्लो की सिफारिश की जाती है।
2025/04/22 पर
2025/04/22 पर
8000/04/18 पर 147758
2000/04/18 पर 111943
1600/04/18 पर 111349
0400/04/18 पर 83721
1970/01/1 पर 79508
1970/01/1 पर 66916
1970/01/1 पर 63070
1970/01/1 पर 63012
1970/01/1 पर 54081
1970/01/1 पर 52139