
XCV600E-7FG680C Xilinx के Virtex-E परिवार से एक उच्च-प्रदर्शन FPGA है, जो उन अनुप्रयोगों के लिए डिज़ाइन किया गया है जो बेहतर प्रोग्रामेबल लॉजिक सॉल्यूशंस की मांग करते हैं।इस मॉडल में लगभग 985,882 सिस्टम गेट्स और 15,552 लॉजिक सेल हैं, जो जटिल डिजिटल कम्प्यूटेशन के लिए मजबूत क्षमता प्रदान करते हैं।यह 3,456 कॉन्फ़िगर करने योग्य लॉजिक ब्लॉक (सीएलबी) और कुल 294,912 रैम बिट्स से लैस है, जो डेटा स्टोरेज और हेरफेर के लिए पर्याप्त स्थान सुनिश्चित करता है।680-पिन फाइन-पिच बॉल ग्रिड एरे (FBGA) पैकेज में रखे गए, XCV600E-7FG680C में एक कॉम्पैक्ट 40x40 मिमी फुटप्रिंट है, जो अंतरिक्ष-विवश अनुप्रयोगों के लिए उपयुक्त है।यह 1.8V के एक कोर वोल्टेज पर संचालित होता है और इसे 0.18 माइक्रोन CMOS प्रक्रिया का उपयोग करके निर्मित किया जाता है, जो इसकी दक्षता और प्रदर्शन स्थिरता को बढ़ाता है।FPGA 16 उच्च-प्रदर्शन इंटरफ़ेस मानकों का समर्थन करता है, जो इसे विभिन्न परिधीय एकीकरण के लिए बहुमुखी बनाता है।FPGA में सटीक घड़ी प्रबंधन के लिए चार विलंब-बंद लूप (DLL) शामिल हैं और समर्पित कैरी लॉजिक जो उच्च गति वाले अंकगणितीय संचालन की सुविधा प्रदान करता है, तेजी से प्रसंस्करण और गणितीय कार्यक्षमता की आवश्यकता वाले अनुप्रयोगों की आवश्यकता होती है।
हम आपको विश्वसनीय और स्केलेबल समाधानों का लाभ उठाने के लिए XCV600E-7FG680C के लिए बल्क ऑर्डर देने के लिए प्रोत्साहित करते हैं।

XCV600E-7FG680C प्रतीक

XCV600E-7FG680C पदचिह्न

XCV600E-7FG680C 3D मॉडल
कॉन्फ़िगर करने योग्य तर्क ब्लॉक (सीएलबी): FPGA में 3,456 CLB होते हैं, जो कुल 15,552 तर्क कोशिकाओं की पेशकश करते हैं।तर्क कोशिकाओं की यह उच्च गणना जटिल डिजिटल संगणना और राज्य मशीन कार्यान्वयन की सुविधा प्रदान करती है, जो उन्नत डिजिटल अनुप्रयोगों के लिए उपयुक्त है।
तंत्र द्वार: डिवाइस 985,882 सिस्टम गेट्स प्रदान करता है, जो व्यापक तर्क कार्यक्षमता के साथ बड़े पैमाने पर एकीकृत सर्किट के निर्माण को सक्षम करता है।
कुल राम: कुल रैम के 294,912 बिट्स से लैस, यह FPGA डेटा बफरिंग, स्टेट होल्डिंग और डायनेमिक प्रोसेसिंग कार्यों से जुड़े अनुप्रयोगों के लिए डिवाइस के भीतर डेटा स्टोरेज और हेरफेर की अनुमति देता है।
उपयोगकर्ता I/O पिन: 512 उपयोगकर्ता I/O पिन तक का समर्थन करता है, जो परिधीयों और अन्य डिजिटल प्रणालियों की एक विस्तृत श्रृंखला के साथ व्यापक इंटरफेसिंग को सक्षम करता है।
Selectio+™ तकनीक: यह तकनीक 20 उच्च-प्रदर्शन इंटरफ़ेस मानकों का समर्थन करती है, जिसमें LVDs, BLVDS और LVPECL शामिल हैं।यह एकल-समाप्त और विभेदक सिग्नलिंग दोनों के लिए अनुमति देता है, विभिन्न डिजिटल संचार मानकों के साथ लचीलापन और संगतता प्रदान करता है।
देरी से लूप लूप्स (डीएलएल): इसमें आठ पूरी तरह से डिजिटल डीएलएल शामिल हैं जो उन्नत घड़ी नियंत्रण सुविधाओं जैसे कि घड़ी गुणन, डिवीजन और शून्य-देरी बफरिंग की पेशकश करते हैं।यह क्षमता जटिल डिजाइनों के भीतर कई घड़ी डोमेन में समय के प्रबंधन के लिए सबसे अच्छी है।
आंतरिक प्रदर्शन: FPGA चार स्तरों के तर्क कोशिकाओं (LUT स्तर) के साथ 130 मेगाहर्ट्ज तक आंतरिक प्रदर्शन की गति प्राप्त कर सकता है, जिससे उच्च गति वाले डिजिटल अनुप्रयोगों के लिए आवश्यक तेजी से प्रसंस्करण गति को सक्षम किया जा सकता है।
Selectram+™ मेमोरी पदानुक्रम : एक पदानुक्रमित मेमोरी सिस्टम है जिसमें 1 एमबी तक के कॉन्फ़िगर करने योग्य वितरित रैम और 832 केबी तक सिंक्रोनस आंतरिक ब्लॉक रैम शामिल हैं।यह स्तरित मेमोरी दृष्टिकोण डेटा एक्सेस गति और दक्षता को बढ़ाता है।
लचीला वास्तुकला: हाई-स्पीड अंकगणित के लिए समर्पित कैरी लॉजिक, मल्टीप्लायरों के लिए समर्थन, वाइड-इनपुट फ़ंक्शंस के लिए कैस्केड चेन, और क्लॉक इनेबल के लिए विकल्पों के साथ कई रजिस्टरों/कुंडी, दोहरे सिंक्रोनस/एसिंक्रोनस सेट, और रीसेट।ये विशेषताएँ एक बहुमुखी और कुशल वास्तुशिल्प डिजाइन में योगदान करती हैं।

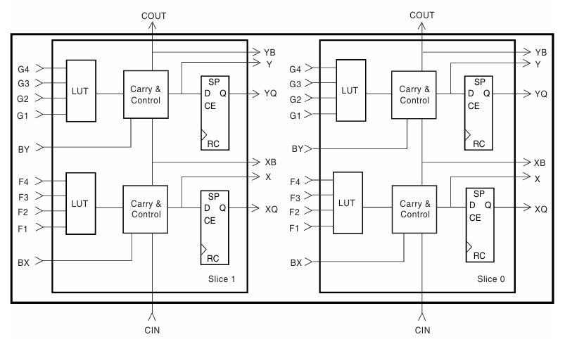
XCV600E-7FG680C FPGA का ब्लॉक आरेख एक तर्क स्लाइस की संरचना दिखाता है।प्रत्येक स्लाइस में होता है लुक-अप टेबल (LUTS), लॉजिक, और फ्लिप-फ्लॉप्स ले जाएं, जो डिजिटल सर्किट बनाने के लिए महत्वपूर्ण हैं।प्रत्येक स्लाइस में दो होते हैं लुट्स, जो इनपुट लेते हैं (G1-G4 और F1-F4) और लॉजिक आउटपुट उत्पन्न करें।इन आउटपुट का सीधे उपयोग किया जा सकता है या फ्लिप-फ्लॉप में संग्रहीत किया जा सकता है (डी-टाइप रजिस्टर) अनुक्रमिक संचालन के लिए।कैरी लॉजिक अतिरिक्त जैसे तेजी से अंकगणितीय संचालन करने में मदद करता है।फ्लिप-फ्लॉप्स क्लॉक सक्षम के साथ डेटा स्टोर डेटासीटी) और रीसेट (आर सी) कार्य।कैरी चेन (काउट करने के लिए सिन) कई स्लाइस लिंक करता है, अंकगणित संचालन में गति में सुधार करता है।आउटपुट (एक्स और Y) विभिन्न तर्क तत्वों को जोड़ने में मदद करें।यह संरचना FPGA को कुशल, लचीला और जटिल डिजिटल डिजाइनों को संभालने में सक्षम बनाती है।

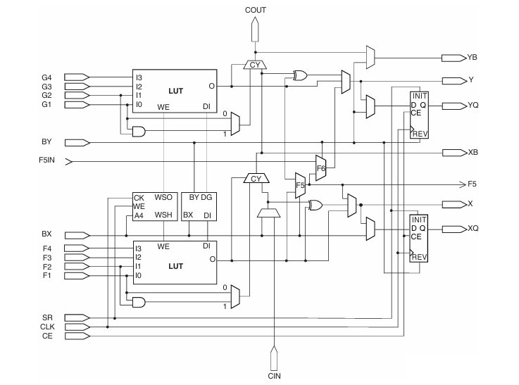
दूसरा आरेख XCV600E-7FG680C FPGA के भीतर लॉजिक स्लाइस आर्किटेक्चर का अधिक विस्तृत दृश्य प्रदान करता है, आंतरिक कनेक्टिविटी को दर्शाता है लुट्स, लॉजिक ले जाना, और फ्लिप-फ्लॉप।प्रत्येक स्लाइस में दो होते हैं लुक-अप टेबल (LUTS), जो कई इनपुट प्राप्त करते हैं (G1-G4 और F1-F4) लॉजिक आउटपुट उत्पन्न करने के लिए।इन आउटपुट का उपयोग या तो सीधे कॉम्बिनेशनल लॉजिक में किया जा सकता है या फ्लिप-फ्लॉप में संग्रहीत किया जा सकता है (डी-टाइप रजिस्टर) अनुक्रमिक संचालन के लिए।फ्लिप-फ्लॉप्स है घड़ी (चोंच), सक्षम (सीटी), रीसेट करना (एसआर), और प्रारंभ (इस में) इनपुट, नियंत्रित डेटा भंडारण के लिए अनुमति देता है। लापरवाह (सीवाई) अंकगणितीय संचालन के लिए जिम्मेदार है, आसन्न स्लाइस के बीच कैरी सिग्नल का प्रचार करना सीन और अदालत कनेक्शन।मल्टीप्लेक्सर्स और कंट्रोल लॉजिक विभिन्न संकेतों के चयन की अनुमति देते हैं, अंकगणित और तार्किक संचालन के लिए प्रदर्शन का अनुकूलन करते हैं।यह संरचना तेजी से अंकगणितीय गणना, अनुक्रमिक तर्क नियंत्रण और कुशल डेटा रूटिंग को सक्षम करती है, जिससे विभिन्न डिजिटल अनुप्रयोगों के लिए FPGA अत्यधिक अनुकूलनीय हो जाता है।
|
प्रकार |
पैरामीटर |
|
उत्पादक |
एएमडी ज़िलिनक्स |
|
वोल्टेज - आपूर्ति |
1.71V ~ 1.89V |
|
कुल रैम बिट्स |
294912 |
|
आपूर्तिकर्ता युक्ति पैकेज |
680-एफटीईबीजीए (40x40) |
|
शृंखला |
Virtex®-e |
|
पैकेज / मामला |
680-LBGA उजागर पैड |
|
पैकेट |
ट्रे |
|
परिचालन तापमान |
0 ° C ~ 85 ° C (TJ) |
|
तर्क तत्वों/कोशिकाओं की संख्या |
15552 |
|
लैब्स/सीएलबी की संख्या |
3456 |
|
I/O की संख्या |
512 |
|
गेट्स की संख्या |
985882 |
|
माउन्टिंग का प्रकार |
सतह पर्वत |
|
आधार उत्पाद संख्या |
XCV600E |
एंबेडेड सिस्टम और IoT अनुप्रयोग
FPGA की पुनर्निर्माण और मजबूत प्रसंस्करण क्षमताएं एम्बेडेड सिस्टम और IoT उपकरणों के लिए अच्छी तरह से अनुकूल हैं।यह सिलवाया हार्डवेयर समाधानों के लिए अनुमति देता है जो स्मार्ट उपकरणों और कनेक्टेड तकनीक में आवश्यक विशिष्ट कार्यों और कार्यात्मकताओं को कुशलता से प्रबंधित कर सकते हैं।
छवि प्रसंस्करण और मशीन सीखने
पर्याप्त तर्क संसाधनों और मेमोरी के साथ, यह FPGA इमेज प्रोसेसिंग कार्यों की मांग कर सकता है और मशीन लर्निंग एल्गोरिदम को निष्पादित कर सकता है।यह क्षमता इसे स्वचालित निगरानी और उन्नत ड्राइवर सहायता प्रणाली (ADAS) जैसे अनुप्रयोगों के लिए डेटा विश्लेषण और निर्णय लेने में सक्षम बनाती है।
उच्च गति डेटा संचार
LVDS और LVPECL जैसे कई उच्च-प्रदर्शन इंटरफ़ेस मानकों के समर्थन से लैस, FPGA उच्च गति वाले डेटा संचार प्रणालियों के लिए आदर्श है।इसमें ऐसे एप्लिकेशन शामिल हैं जिनमें तेजी से और विश्वसनीय डेटा ट्रांसफर की आवश्यकता होती है, जैसे कि दूरसंचार बुनियादी ढांचा और उच्च गति नेटवर्किंग।
औद्योगिक नियंत्रण प्रणालियाँ
FPGA की मजबूत वास्तुकला और लचीली I/O विकल्प इसे औद्योगिक नियंत्रण प्रणालियों के लिए उपयुक्त बनाते हैं।यह परिचालन दक्षता और सुरक्षा को बढ़ाने, मशीनरी और औद्योगिक प्रक्रियाओं की निगरानी और नियंत्रण के लिए एकीकृत किया जा सकता है।
चिकित्सा इमेजिंग उपकरण
मेडिकल इमेजिंग अनुप्रयोगों के लिए डेटा के बड़े संस्करणों को संसाधित करने की डिवाइस की क्षमता।यह अल्ट्रासाउंड और एमआरआई जैसे सिस्टम में आवश्यक जटिल कम्प्यूटेशनल कार्यों का समर्थन करता है जो कि प्रसंस्करण गति और छवि संकल्प की आवश्यकता होती है।
वायरलेस संचार बुनियादी ढांचा
FPGA का उपयोग वायरलेस संचार प्रणालियों की रीढ़ में किया जा सकता है, जिसमें 5G जैसी उभरती प्रौद्योगिकियां शामिल हैं।यह उच्च डेटा थ्रूपुट और आधुनिक वायरलेस संचार नेटवर्क की गतिशील आवश्यकताओं का समर्थन करने के लिए जटिल सिग्नल प्रोसेसिंग कार्यों का प्रबंधन करता है।
उपभोक्ता इलेक्ट्रॉनिक्स
इसकी अनुकूलनशीलता और उच्च-प्रदर्शन क्षमताएं FPGA को उपभोक्ता इलेक्ट्रॉनिक्स के लिए उपयुक्त बनाती हैं।यह कुशल डेटा प्रोसेसिंग और इंटरफेसिंग समाधान प्रदान करता है, जो गेमिंग कंसोल, स्मार्ट टीवी और होम ऑटोमेशन सिस्टम जैसे उपकरणों के लिए आवश्यक है।
उच्च प्रदर्शन
FPGA चार LUT स्तरों पर 130 मेगाहर्ट्ज तक की गति से काम कर सकता है।यह हाई-स्पीड क्षमता उन अनुप्रयोगों के लिए डेटा प्रोसेसिंग और फास्ट कम्प्यूटेशनल संचालन को सक्षम बनाती है जो त्वरित प्रतिक्रिया समय और उच्च डेटा थ्रूपुट की मांग करते हैं।
उच्च तर्क घनत्व
985,882 सिस्टम गेट्स और 15,552 लॉजिक सेल के साथ, यह FPGA एक ही चिप के भीतर जटिल डिजिटल डिजाइनों का समर्थन करता है।यह उच्च तर्क घनत्व कई कार्यों और प्रक्रियाओं के एकीकरण के लिए अनुमति देता है, अतिरिक्त घटकों की आवश्यकता को कम करता है और सिस्टम डिजाइन को सरल बनाता है।
बहुमुखी I/O समर्थन
डिवाइस में 512 उपयोगकर्ता I/O पिन शामिल हैं और LVDS और LVPECL जैसे 20 उच्च-प्रदर्शन इंटरफ़ेस मानकों का समर्थन करता है।यह बहुमुखी I/O क्षमता डिजिटल और एनालॉग इनपुट और आउटपुट की एक विस्तृत श्रृंखला के साथ संगतता सुनिश्चित करती है, लचीली प्रणाली एकीकरण और विस्तार की सुविधा प्रदान करती है।
उन्नत घड़ी प्रबंधन
आठ पूरी तरह से डिजिटल देरी-बंद लूप (DLLs) से लैस, FPGA घड़ी गुणन, डिवीजन और शून्य-देरी बफरिंग सहित उन्नत घड़ी प्रबंधन सुविधाएँ प्रदान करता है।ये विशेषताएं सिंक्रनाइज़ेशन और प्रदर्शन को बनाए रखने के लिए जटिल प्रणालियों के भीतर समय नियंत्रण की सटीक और लचीलेपन को बढ़ाती हैं।
कुशल स्मृति पदानुक्रम
SelectRam+™ मेमोरी पदानुक्रम में 1 MB तक कॉन्फ़िगर करने योग्य वितरित RAM और 832 KB तक सिंक्रोनस आंतरिक ब्लॉक रैम शामिल हैं।यह संरचित और सुलभ मेमोरी सिस्टम हाई-स्पीड डेटा स्टोरेज और रिट्रीवल का समर्थन करता है, वीडियो प्रोसेसिंग और बड़े डेटासेट हेरफेर जैसे मेमोरी-गहन अनुप्रयोगों की आवश्यकता है।
कम बिजली की खपत
1.8V के एक कोर वोल्टेज के साथ काम करते हुए, FPGA को ऊर्जा दक्षता के लिए डिज़ाइन किया गया है, जो बिजली-संवेदनशील अनुप्रयोगों के लिए फायदेमंद है।यह कम बिजली की खपत समग्र ऊर्जा लागत और थर्मल पदचिह्न को कम करने में मदद करती है, जिससे पोर्टेबल और दूरस्थ अनुप्रयोगों के लिए डिवाइस की उपयुक्तता बढ़ जाती है।
पुनर्जीवन
FPGA का SRAM- आधारित इन-सिस्टम कॉन्फ़िगरेशन असीमित पुन: प्रोग्रामेबिलिटी के लिए अनुमति देता है।यह सुविधा भौतिक हार्डवेयर परिवर्तनों की आवश्यकता के बिना ऑन-द-फ्लाई अपडेट और अनुकूलन को सक्षम बनाती है, जो एप्लिकेशन आवश्यकताओं को विकसित करने के लिए एक लचीला और लागत प्रभावी समाधान प्रदान करती है।
XCV600E-7FG680C, एक Xilinx virtex-e fpga, एक में आता है FG680 पैकेज, जो एक है फाइन-पिच बॉल ग्रिड एरे (एफबीजीए) साथ 680 गेंदें।नीचे पैकेजिंग आयाम हैं:
|
पैरामीटर |
प्रतीक |
न्यूनतम (मिमी) |
नाममात्र (मिमी) |
अधिकतम (मिमी) |
|
शरीर का नाप |
ए |
31 |
31 |
31 |
|
बॉल पिच |
बी |
1.27 |
1.27 |
1.27 |
|
गेंदों का व्यास |
सी |
0.5 |
0.6 |
0.7 |
|
पैकेज ऊंचाई |
डी |
2.7 |
3.2 |
3.7 |
|
बॉल ग्रिड आयाम |
ई |
26 × 26 |
26 × 26 |
26 × 26 |
XCV600E-7FG680C एक फील्ड प्रोग्रामेबल गेट सरणी (FPGA) है जो मूल रूप से Xilinx द्वारा निर्मित है, जो प्रोग्रामेबल लॉजिक डिवाइसेस के एक प्रमुख प्रदाता है।Xilinx ने उन्नत कंप्यूटिंग और सिग्नल प्रोसेसिंग अनुप्रयोगों के लिए उच्च-प्रदर्शन लॉजिक सॉल्यूशंस की पेशकश करने के लिए, इस मॉडल सहित पुण्य-ई श्रृंखला विकसित की।2022 में, एएमडी Xilinx का अधिग्रहण किया, AMD को वर्तमान निर्माता और Xilinx FPGA उत्पाद लाइन के मालिक बनाते हैं।जबकि Xilinx को FPGAs में अपने नवाचार के लिए जाना जाता था, AMD ने इन तकनीकों को अपने पोर्टफोलियो में एकीकृत करना जारी रखा है, उच्च प्रदर्शन कंप्यूटिंग और अनुकूली प्रसंस्करण समाधानों पर ध्यान केंद्रित करते हुए।हालाँकि, XCV600E-7FG680C अब अप्रचलित है, जिसका अर्थ है कि AMD अब सक्रिय रूप से इस विशिष्ट FPGA मॉडल का उत्पादन या समर्थन नहीं करता है।
XCV600E-7FG680C एक उच्च गति, लचीला और ऊर्जा-कुशल FPGA है, जो कई उन्नत डिजिटल परियोजनाओं के लिए एकदम सही है।भले ही यह अब उत्पादन नहीं किया गया है, फिर भी इसका मौजूदा सिस्टम में मूल्य है जिन्हें विश्वसनीय प्रदर्शन की आवश्यकता है।इसकी पुनरावृत्ति करने की क्षमता इसे दीर्घकालिक अनुप्रयोगों के लिए उपयोगी बनाती है।यह गाइड इस FPGA के बारे में सभी प्रमुख विवरण प्रदान करता है, जो आपको यह तय करने में मदद करता है कि यह सही विकल्प है या उनके डिजाइनों के लिए विकल्प खोजते हैं।
कृपया एक जांच भेजें, हम तुरंत जवाब देंगे।
आप XILINX ISE (एकीकृत सॉफ़्टवेयर वातावरण) का उपयोग करके XCV600E-7FG680C प्रोग्राम कर सकते हैं।यह सॉफ्टवेयर VHDL या Verilog, संश्लेषण और Bitstream पीढ़ी का उपयोग करके HDL- आधारित विकास की अनुमति देता है।चूंकि आईएसई पुराना है, इसलिए आपको संगतता के लिए लिगेसी हार्डवेयर टूल और प्रोग्रामिंग केबल की आवश्यकता हो सकती है।
XCV600E-7FG680C की अधिकतम आंतरिक प्रदर्शन गति तर्क के चार स्तरों (LUTS) में 130 MHz है।कई अनुप्रयोगों के लिए पर्याप्त, आधुनिक FPGA 500 मेगाहर्ट्ज से अधिक और अल्ट्रा-हाई-स्पीड डिजाइनों के लिए बेहतर अनुकूल हैं।
चूंकि XCV600E-7FG680C 1.8V पर संचालित होता है और यह 0.18 osm CMOS प्रक्रिया पर आधारित है, यह आधुनिक FPGAs की तुलना में अधिक बिजली का उपभोग करता है, जो बेहतर बिजली दक्षता के लिए उन्नत 28NM या 16NM FinFET तकनीक का उपयोग करता है।यदि बिजली की खपत एक चिंता का विषय है, तो Xilinx Kintex Ultrascale+ FPGAs पर विचार करें।
मुख्य अंतर पैकेज प्रकार और पिन गणना में निहित है।XCV600E-7FG680C एक 680-पिन फाइन-पिच बॉल ग्रिड एरे (FBGA) पैकेज में आता है, जो उच्च घनत्व वाले पीसीबी डिजाइनों के लिए उपयुक्त है।XCV600E-7BG432C को 432-पिन बॉल ग्रिड सरणी (BGA) पैकेज में रखा गया है, जो इसे अधिक कॉम्पैक्ट बनाता है लेकिन कम I/O विकल्पों के साथ।
हां, XCV600E-7FG680C बुनियादी AI और मशीन लर्निंग कार्यों को संभाल सकता है, विशेष रूप से छवि प्रसंस्करण और पैटर्न मान्यता अनुप्रयोगों में।हालांकि, Xilinx Zynq Ultrascale+ या versal AI कोर जैसे नए FPGAs उच्च-प्रदर्शन AI वर्कलोड के लिए बेहतर अनुकूल हैं।
2025/03/14 पर
2025/03/13 पर
8000/04/17 पर 147746
2000/04/17 पर 111823
1600/04/17 पर 111346
0400/04/17 पर 83679
1970/01/1 पर 79413
1970/01/1 पर 66825
1970/01/1 पर 62983
1970/01/1 पर 62878
1970/01/1 पर 54057
1970/01/1 पर 52044