
चित्रा 1। एमिटर ट्रांजिस्टर सर्किट
सामान्य एमिटर एम्पलीफायर सबसे लोकप्रिय ट्रांजिस्टर सर्किट में से एक है जिसे आप भर देंगे।इसका उपयोग कई इलेक्ट्रॉनिक उपकरणों में किया जाता है क्योंकि यह प्रदान करता है अच्छा लाभ और एक साथ रखने के लिए काफी सरल है।अच्छी खबर यह है कि आपको एक डिजाइन करने के लिए एक विशेषज्ञ होने की आवश्यकता नहीं है।केवल कुछ स्पष्ट चरणों और थोड़ी समझ के साथ, आप एक विश्वसनीय और प्रभावी सर्किट डिजाइन कर सकते हैं जो कई अनुप्रयोगों के लिए अच्छी तरह से काम करता है।
इस एम्पलीफायर डिज़ाइन को स्वीकार्य बनाता है कि गणित कितना सीधा है।आप जटिल सूत्रों से अभिभूत नहीं होंगे।कुछ सरल गणना का उपयोग करके ओम कानून और बुनियादी ट्रांजिस्टर गुण आपको सही रोकनेवाला और संधारित्र मूल्यों के लिए मार्गदर्शन कर सकते हैं।एक बार जब आप प्रक्रिया को लटका लेते हैं, तो भागों को चुनना बहुत आसान हो जाता है, खासकर जब से आप अक्सर सर्किट को फेंकने के बिना मानक अवरोधक मान चुन सकते हैं।
इस प्रकार के एम्पलीफायर के साथ बहुत अधिक लचीलापन है।आप एक बहुत ही सरल संस्करण के साथ शुरू कर सकते हैं - एक बुनियादी तर्क बफर या आउटपुट ड्राइवर—जिस सिर्फ एक ट्रांजिस्टर, इनपुट पर एक अवरोधक और कलेक्टर में एक।यहां तक कि इस बुनियादी रूप में, सर्किट उपयोगी हो सकता है, खासकर जब आपको सिग्नल को उच्च से निम्न या इसके विपरीत में बदलने की आवश्यकता होती है।ऐसा इसलिए है क्योंकि सर्किट सिग्नल को इनवर्ट करता है: जब इनपुट उच्च हो जाता है, तो आउटपुट कम हो जाता है।
यदि आप चीजों को एक कदम आगे ले जाना चाहते हैं, तो आप कुछ अतिरिक्त भागों को जोड़ सकते हैं।इनमें ट्रांजिस्टर के लिए सही ऑपरेटिंग बिंदु सेट करने में मदद करने के लिए एसी सिग्नल और प्रतिरोधों को संभालने के लिए कैपेसिटर शामिल हैं।एक बाईपास कैपेसिटर एसी संकेतों के लिए लाभ में सुधार करने के लिए भी जोड़ा जा सकता है।ये परिवर्धन सर्किट को और अधिक जटिल नहीं बनाते हैं, लेकिन वे आपको बेहतर नियंत्रण देते हैं कि एम्पलीफायर कैसा प्रदर्शन करता है।बस थोड़ा सा अभ्यास और ट्विकिंग के साथ, आप एक ऐसा संस्करण डिजाइन कर पाएंगे जो आपकी विशिष्ट आवश्यकताओं के लिए अच्छी तरह से काम करता है।
इस प्रकार का सामान्य उत्सर्जक परिपथ शायद एक है सबसे आसान ट्रांजिस्टर सर्किट आप निर्माण कर सकते हैं।यह अक्सर एक सरल के रूप में उपयोग किया जाता है तर्क बफर या संकेत पलटनेवाला, और यह एक शानदार शुरुआती बिंदु है यदि आप सिर्फ ट्रांजिस्टर-आधारित इलेक्ट्रॉनिक्स में हो रहे हैं।सेटअप न्यूनतम है - आपको केवल एक की आवश्यकता है ट्रांजिस्टर, एक अवरोध इनपुट से जुड़ा हुआ है (ट्रांजिस्टर का आधार), और दूसरा कलेक्टर से जुड़ा रोकनेवाला।यहां तक कि सिर्फ इन कुछ हिस्सों के साथ, सर्किट कुछ काफी उपयोगी करता है।
इनपुट रोकनेवाला ट्रांजिस्टर के आधार में बहने वाली वर्तमान की मात्रा को नियंत्रित करके मदद करता है।यह ट्रांजिस्टर को नुकसान पहुंचाने या आपके सर्किट के अन्य हिस्सों को प्रभावित करने से बहुत अधिक वर्तमान को रोकता है।इस बीच, कलेक्टर रोकनेवाला एक अलग भूमिका निभाता है।यह वह जगह है आउटपुट वोल्टेज विकसित किया जाता है।जब ट्रांजिस्टर चालू होता है, तो इसके माध्यम से वर्तमान बहता है, और कलेक्टर वोल्टेज ड्रॉप करता है, जिससे ए बनाता है आउटपुट पर कम संकेत।
जिस तरह से सर्किट काम करता है वह सरल है लेकिन चतुर है।जब इनपुट सिग्नल अधिक हैएक लॉजिक गेट या माइक्रोकंट्रोलर से कहें - यह ट्रांजिस्टर के आधार में एक छोटे से करंट को धक्का देता है।यह छोटा आधार वर्तमान ए की अनुमति देता है प्रवाह करने के लिए बड़ा वर्तमान कलेक्टर से एमिटर तक, ट्रांजिस्टर को "चालू करें।"जब ऐसा होता है, तो कलेक्टर पर वोल्टेज शून्य के करीब गिरता है, और आपको ए मिलता है कम आउटपुट।दूसरे शब्दों में, एक उच्च इनपुट आपको देता है कम आउटपुट, जिसे कहा जाता है उलट देना या चरण -उलट।यह एक है प्रमुख विशेषता आम एमिटर एम्पलीफायर की।

चित्रा 2। तर्क उपयोग के लिए बुनियादी सामान्य एमिटर ट्रांजिस्टर एम्पलीफायर
जब आप चाहते हैं तो इस तरह का सर्किट बहुत आसान है कम सिग्नल डिवाइस ड्राइव करें या की जरूरत है शिफ्ट स्तर एक डिजिटल प्रणाली के विभिन्न भागों के बीच।उदाहरण के लिए, इसका उपयोग किया जा सकता है एक एलईडी को नियंत्रित करें या एक सरल के रूप में कार्य करते हैं तर्क ics के बीच इंटरफ़ेस।इसका निर्माण करने के लिए जल्दी, समझने में आसान, और ज्यादा जगह नहीं है या शक्ति।इसलिए यदि आप एक तर्क-स्तरीय सर्किट डिजाइन कर रहे हैं और एक की आवश्यकता है विश्वसनीय स्विचिंग चरण, यह सामान्य एमिटर सेटअप एक है स्मार्ट और सरल विकल्प।
एक सामान्य एमिटर लॉजिक एम्पलीफायर का निर्माण एक बार जब आप इसे सरल चरणों में तोड़ देते हैं तो आसान होता है।गाइड का यह हिस्सा आपको सही भागों को चुनने में मदद करता है और उनके मूल्यों का पता लगाने में मदद करता है ताकि आपका सर्किट उस तरह से काम करता हो।प्रत्येक चरण सेटअप के एक हिस्से पर केंद्रित है, जिससे साथ का पालन करना आसान हो जाता है।
एक ट्रांजिस्टर चुनकर शुरू करें जो आपकी परियोजना के अनुरूप हो।इस बारे में सोचें कि आपका सर्किट कितना वर्तमान उपयोग करेगा और ट्रांजिस्टर को कितनी तेजी से चालू और बंद करने की आवश्यकता है।लॉजिक सर्किट के लिए, फास्ट स्विचिंग महत्वपूर्ण है, इसलिए एक स्विचिंग ट्रांजिस्टर आमतौर पर सबसे अच्छा विकल्प होता है।सुनिश्चित करें कि यह कलेक्टर और एमिटर के बीच वोल्टेज को संभाल सकता है।इसके अलावा, इसके वर्तमान लाभ (β या HFE के रूप में दिखाया गया है) की जाँच करें।यह आपको बताता है कि ट्रांजिस्टर को नियंत्रित करने के लिए कितना आधार वर्तमान की आवश्यकता है।एक उच्च लाभ का मतलब है कि आपको कम आधार वर्तमान की आवश्यकता होगी, लेकिन यह हमेशा मामले में कम लाभ के लिए योजना बनाने के लिए सुरक्षित है।
जब ट्रांजिस्टर चालू या बंद होता है, तो कलेक्टर रोकनेवाला आउटपुट वोल्टेज सेट करता है।इसके मूल्य का पता लगाने के लिए, आपको सबसे पहले यह जानना होगा कि आपके लोड की कितनी आवश्यकता है।फिर, ओम के नियम (आर = वी / आई) का उपयोग करके, आप रोकनेवाला मूल्य की गणना कर सकते हैं।उदाहरण के लिए, यदि आपके पास 5V बिजली की आपूर्ति है और वर्तमान का 5MA चाहते हैं, तो आपको 1K and रोकनेवाला (5V eas 0.005a) की आवश्यकता होगी।इसे निकटतम मानक रोकनेवाला मूल्य के लिए गोल करना ठीक है।
ट्रांजिस्टर को पूरी तरह से स्विच करने के लिए, इसे आधार पर पर्याप्त वर्तमान की आवश्यकता है।आधार वर्तमान खोजने के लिए कलेक्टर करंट को लाभ (β) द्वारा विभाजित करें।फिर, अवरोधक मूल्य को खोजने के लिए अपने इनपुट और बेस-एमिटर वोल्टेज (आमतौर पर सिलिकॉन ट्रांजिस्टर के लिए 0.6V) के बीच वोल्टेज अंतर का उपयोग करें।उदाहरण के लिए, यदि आपका इनपुट 5V है और आप आधार पर 0.25mA चाहते हैं, तो रोकनेवाला होना चाहिए (5V - 0.6V) 000 0.00025a = 17.6kω।आप इसे 18k and जैसे पास के मानक मूल्य के लिए गोल कर सकते हैं।
खत्म करने से पहले, वापस जाएं और अपने सभी नंबरों की जांच करें।सुनिश्चित करें कि ट्रांजिस्टर वर्तमान और वोल्टेज को संभाल सकता है।जांचें कि आउटपुट वोल्टेज काफी कम हो जाता है जब यह चालू होता है, और यह कि आपका इनपुट स्रोत आवश्यक आधार वर्तमान प्रदान कर सकता है।इसके अलावा, पुष्टि करें कि आपके प्रतिरोध मानक मान हैं और बहुत अधिक गर्म किए बिना शक्ति को संभाल सकते हैं।अगर कुछ भी लगता है, तो इसे समायोजित करें और पुनर्गणना करें।एक त्वरित जांच अब बाद में बहुत समय बचा सकती है।
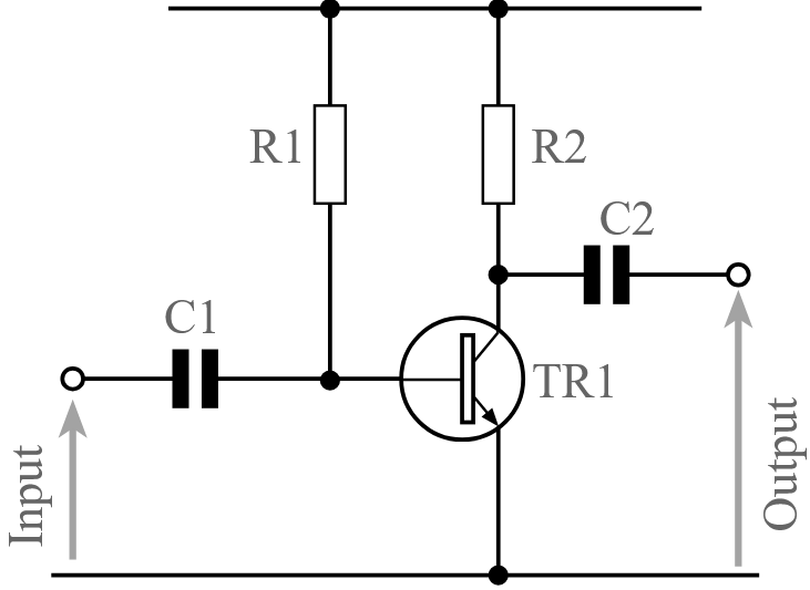
कॉमन एमिटर एम्पलीफायर के इस संस्करण में एक शामिल है युग्मन संधारित्र, जो इसे काम करने के लिए अधिक उपयुक्त बनाता है एसी सिग्नल ऑडियो या अन्य बदलते वोल्टेज इनपुट की तरह।संधारित्र को इनपुट पर रखा गया है किसी भी डीसी वोल्टेज को ब्लॉक करें यह पिछले चरण से आ सकता है, केवल अनुमति देता है संकेत का एसी भाग गुजरने के लिए।यह सेटअप तब मदद करता है जब आप चाहते हैं समय के साथ भिन्न होने वाले संकेतों को बढ़ाएं, बिना प्रभावित किए डीसी पूर्वाग्रह ट्रांजिस्टर की।
हालाँकि, यह डिज़ाइन केवल उपयोग करता है बेस को पूर्वाग्रह करने के लिए एक एकल रोकनेवाला ट्रांजिस्टर की।जबकि यह चीजों को सरल रखता है, इसका मतलब यह भी है कि ट्रांजिस्टर का प्रचालन बिंदु, या डीसी पूर्वाग्रह, बहुत स्थिर नहीं है।ऐसा इसलिए है क्योंकि पूर्वाग्रह ट्रांजिस्टर पर बहुत अधिक निर्भर करता है वर्तमान लाभ (β), जो एक ट्रांजिस्टर से दूसरे में बहुत भिन्न हो सकता है - एक ही प्रकार के भीतर भी।नतीजतन, एम्पलीफायर हमेशा उसी तरह से काम नहीं कर सकता है यदि ट्रांजिस्टर को बदल दिया जाता है या अगर तापमान परिवर्तन, चूंकि दोनों β को प्रभावित कर सकते हैं।
फिर भी, यह सर्किट तब उपयोगी हो सकता है जब आपको सही स्थिरता की आवश्यकता नहीं होती है और बस एक चाहिए त्वरित, सरल एसी एम्पलीफायर।इसका एक अच्छा शुरुआती बिंदु कैसे सीखने के लिए एसी युग्मन काम करता है और ट्रांजिस्टर एक एम्पलीफायर में कैसे व्यवहार करते हैं।एक बार जब आप यहां मूल बातें समझ लेते हैं, तो आप निर्माण के लिए बेहतर तैयार होंगे अधिक स्थिर और लचीले संस्करण बाद में अधिक प्रतिरोधों और अन्य घटकों को जोड़कर।

चित्रा 3। एक आधार रोकनेवाला के साथ एसी-युग्मित आम एमिटर एम्पलीफायर
एक बुनियादी एसी-युग्मित एम्पलीफायर को एक साथ रखना एक सरल प्रक्रिया है जब आप कुछ स्पष्ट चरणों का पालन करते हैं।इस तरह के एम्पलीफायर का उपयोग अक्सर उन संकेतों के लिए किया जाता है जो समय के साथ बदलते हैं, जैसे ऑडियो।निम्नलिखित चरण आपको सही भागों को लेने में मदद करते हैं और जांचते हैं कि सब कुछ उम्मीद के मुताबिक काम करता है।
एक ट्रांजिस्टर चुनकर शुरू करें जो आपके सर्किट की जरूरतों से मेल खाता हो।इस बारे में सोचें कि यह कलेक्टर और एमिटर के बीच कितना वोल्टेज संभाल लेगा, इसे संभालने के लिए कितनी शक्ति की आवश्यकता हो सकती है, और इसे किस आवृत्ति रेंज में काम करना चाहिए। सामान्य-उद्देश्य एम्पलीफायरों के लिए, 2N3904 की तरह एक मूल एनपीएन ट्रांजिस्टर अक्सर अच्छी तरह से काम करता है, लेकिन आप अपनी विशिष्ट परियोजना के आधार पर दूसरों को चुन सकते हैं।
कलेक्टर रोकनेवाला आउटपुट वोल्टेज सेट करने में मदद करता है।एक अच्छा शुरुआती बिंदु कलेक्टर को लगभग आधे आपूर्ति वोल्टेज पर सेट करना है।यह आपके सिग्नल रूम को ऊपर और नीचे दोनों को स्विंग करने के लिए देता है।मान खोजने के लिए ओम के नियम (r = v / i) का उपयोग करें।बस तय करें कि आप प्रतिरोधक के माध्यम से कितना वर्तमान चाहते हैं, और उस वर्तमान में वोल्टेज को विभाजित करें।
ट्रांजिस्टर को सही तरीके से काम करने के लिए, आपको सही मात्रा में करंट को उसके आधार में खिलाने की आवश्यकता है।सबसे पहले, आधार वर्तमान खोजने के लिए ट्रांजिस्टर के लाभ (β) द्वारा कलेक्टर करंट को विभाजित करें।फिर, आपूर्ति वोल्टेज और इस तथ्य का उपयोग करें कि आधार आमतौर पर आधार अवरोधक को खोजने के लिए जमीन के ऊपर 0.6v ऊपर बैठेगा।ओम का कानून फिर से यहां काम आता है।
कैपेसिटर का उपयोग डीसी को ब्लॉक करने और एसी सिग्नल पास करने के लिए किया जाता है।सही आकार लेने के लिए, सबसे कम आवृत्ति को देखें जो आपका सिग्नल उपयोग करेगा और इनपुट या आउटपुट प्रतिरोध से यह गुजर जाएगा।संधारित्र की प्रतिक्रिया उस आवृत्ति पर प्रतिबाधा से मेल खाती है, यह सुनिश्चित करने के लिए सूत्र XC = 1 / (2πfc) का उपयोग करें।यह कम अंत को काटने के बिना आपके संकेत को मजबूत रखता है।
एक बार जब आप सभी भागों को चुन लेते हैं, तो सब कुछ दोबारा जांच करने के लिए एक क्षण लें।अपने अवरोधक मूल्यों, वर्तमान स्तरों और संधारित्र विकल्पों को देखें।सुनिश्चित करें कि ट्रांजिस्टर सही सीमा में काम कर रहा है और सिग्नल पथ स्पष्ट है।इस स्तर पर छोटे ट्विक्स आपके एम्पलीफायर को बनाने के बाद बहुत बेहतर प्रदर्शन कर सकते हैं।
जब आप चाहते हैं ज्यादा विश्वसनीय और बेहतर प्रदर्शन करने वाले एम्पलीफायर, कॉमन एमिटर सर्किट का यह संस्करण जाने का रास्ता है।कुछ अतिरिक्त घटकों को जोड़कर - जैसे अधिक प्रतिरोध और संधारित्र-आप सर्किट बनाते हैं और अधिक स्थिर और इसके लाभ में सुधार, खासकर एसी सिग्नल।ये जोड़े गए भाग एम्पलीफायर रहने में मदद करते हैं सुसंगत, भले ही ट्रांजिस्टर के गुण थोड़े से बदल जाते हैं या तापमान में बदलाव होता है।
इस डिजाइन में प्रमुख सुधारों में से एक का उपयोग है वोल्टेज डिवाइडर दो प्रतिरोधों के साथ बनाया गया आधार को पूर्वाग्रह।यह बनाता है बेस वोल्टेज बहुत अधिक अनुमानित है, जिसका अर्थ है कि ट्रांजिस्टर अपने सही परिचालन क्षेत्र में अधिक मज़बूती से रहता है।सर्किट में भी शामिल है उत्सर्जक रोकनेवाला यह एमिटर वोल्टेज सेट करता है और साथ में मदद करता है स्थिरता।यह रोकनेवाला ट्रांजिस्टर बनाता है वर्तमान लाभ में परिवर्तन के लिए कम संवेदनशील (β), यदि आप लगातार प्रदर्शन के लिए लक्ष्य कर रहे हैं तो यह महत्वपूर्ण है।
को एसी लाभ को बढ़ावा दें, ए संधारित्र को एमिटर रोकनेवाला में जोड़ा जाता है।यह बाईपास संधारित्र एसी सिग्नल को रोकनेवाला को "छोड़" करने की अनुमति देता है, समग्र लाभ बढ़ाना डीसी बायसिंग को स्थिर रखते हुए उन संकेतों के लिए सर्किट के लिए सर्किट।परिणाम एक ऐसा सर्किट है जो न केवल है अधिक भरोसे का लेकिन यह भी आपको ए मजबूत, क्लीनर आउटपुट सिग्नल।
यह संस्करण विशेष रूप से उपयोगी है जब आप कुछ बना रहे हों अधिक स्थायी या जब आपके एम्पलीफायर की आवश्यकता होती है सिग्नल की गुणवत्ता खोए बिना अन्य चरणों से कनेक्ट करें।यह मूल संस्करण की तुलना में थोड़ा अधिक जटिल लग सकता है, लेकिन लाभ यह प्रदर्शन और विश्वसनीयता में लाता है एक बार जब आप सरल डिजाइनों के साथ सहज हों, तो इसे एक शानदार कदम आगे बढ़ाएं।

चित्रा 4. अधिक घटकों के साथ सामान्य एमिटर एम्पलीफायर में सुधार
एम्पलीफायर के इस संस्करण में अधिक घटक शामिल हैं, जो आपको बेहतर प्रदर्शन देता है, खासकर जब यह लाभ और डीसी स्थिरता की बात आती है।निम्नलिखित चरण मूल्यों को चुनने और अपने सर्किट को स्पष्ट रूप से और बस डिजाइन करने की प्रक्रिया को तोड़ते हैं।
वोल्टेज, करंट और सिग्नल प्रकार के संदर्भ में आपके सर्किट को क्या चाहिए, इसके आधार पर एक ट्रांजिस्टर चुनें।एक सामान्य-उद्देश्य एनपीएन ट्रांजिस्टर कई मामलों के लिए अच्छी तरह से काम करता है, लेकिन सुनिश्चित करें कि यह आपके आपूर्ति वोल्टेज और वर्तमान को बिना किसी परेशानी के संभाल सकता है।
तय करें कि आपके सर्किट को अगले चरण में कितना वर्तमान फ़ीड करने की आवश्यकता है।फिर एक कलेक्टर वोल्टेज चुनें जो आपूर्ति वोल्टेज का लगभग आधा है - यह आपके सिग्नल रूम को ऊपर और नीचे जाने के लिए देता है।सही रोकनेवाला मूल्य का पता लगाने के लिए ओम के नियम (आर = वी / आई) का उपयोग करें।
बेहतर स्थिरता के लिए, एमिटर वोल्टेज को लगभग 1V या अपने आपूर्ति वोल्टेज के लगभग 10% पर सेट करें।चूंकि एमिटर करंट लगभग कलेक्टर करंट के समान है, आप वर्तमान द्वारा एमिटर वोल्टेज को विभाजित करके एमिटर रेसिस्टर की गणना कर सकते हैं।
आधार वर्तमान को खोजने के लिए, कलेक्टर को ट्रांजिस्टर के लाभ (β या एचएफई) द्वारा कलेक्टर करंट को विभाजित करें।यदि लाभ भिन्न होता है, तो यह सुनिश्चित करने के लिए सीमा के निचले छोर का उपयोग करना सुरक्षित है कि ट्रांजिस्टर अभी भी ठीक से चालू है।
बेस वोल्टेज एमिटर वोल्टेज प्लस बेस-एमिटर जंक्शन वोल्टेज है।सिलिकॉन ट्रांजिस्टर के लिए, यह लगभग 0.6V है।इसलिए, यदि एमिटर 1V पर है, तो आधार लगभग 1.6V पर होना चाहिए।
आधार पर सही वोल्टेज प्राप्त करने के लिए एक वोल्टेज डिवाइडर (R1 और R2) में दो प्रतिरोधों का उपयोग करें।एक अच्छा नियम यह है कि वर्तमान को आधार वर्तमान में दस गुना अधिक प्रवाहित किया जाए।यह आधार वोल्टेज को स्थिर रखने में मदद करता है।आवश्यक वोल्टेज और अपने आपूर्ति वोल्टेज के आधार पर रोकनेवाला मान चुनें।
एसी लाभ में सुधार करने के लिए, एमिटर रोकनेवाला में एक संधारित्र जोड़ें।यह एसी सिग्नल को रोकनेवाला को बायपास करने की अनुमति देता है, बढ़ती लाभ।अपने सर्किट की सबसे कम आवृत्ति पर एमिटर रेसिस्टर के बराबर प्रतिक्रिया के साथ एक संधारित्र चुनें।
इनपुट संधारित्र में एक प्रतिक्रिया होनी चाहिए जो आपके सिग्नल की सबसे कम आवृत्ति पर इनपुट प्रतिरोध से मेल खाती है।यह कम-आवृत्ति के संकेतों को अवरुद्ध होने से रोकता है।आप इनपुट प्रतिरोध का अनुमान लगा सकते हैं क्योंकि ट्रांजिस्टर के लाभ का समय एमिटर रोकनेवाला मूल्य है।
यह संधारित्र डीसी को अवरुद्ध करते हुए अगले चरण में प्रवर्धित सिग्नल को पारित करता है।एक मूल्य चुनें जो आपके द्वारा काम करने वाली सबसे कम आवृत्ति पर लोड (सर्किट के अगले भाग) के प्रतिरोध से मेल खाता हो।
एक बार जब आपका डिज़ाइन पूरा हो जाता है, तो वापस जाने और सब कुछ जांचने के लिए एक पल लें।सुनिश्चित करें कि ट्रांजिस्टर अभी भी वर्तमान और वोल्टेज को संभाल सकता है, आपके रोकनेवाला मान समझ में आते हैं, और आपके सभी संधारित्र विकल्प सही आवृत्तियों का समर्थन करते हैं।एक त्वरित समीक्षा बाद में समस्याओं से बचने में मदद करती है।
जब आप एक सामान्य एमिटर एम्पलीफायर का निर्माण करते हैं, तो यह जानने में मदद करता है कि यह कैसे संभालता है अलग संकेत आवृत्तियों।कुछ संकेत आसानी से गुजरते हैं, जबकि अन्य आपके द्वारा उपयोग किए जाने वाले हिस्सों के आधार पर कमजोर हो सकते हैं - विशेष रूप से कैपेसिटर और प्रतिरोधक।
आपके एम्पलीफायर को अच्छी तरह से संभालने वाली आवृत्तियों की सीमा को इसे कहा जाता है बैंडविड्थ।पर बहुत कम आवृत्तियों, कैपेसिटर ब्लॉक की तरह काम कर सकते हैं क्योंकि उनके प्रतिरोध (जिसे प्रतिक्रिया कहा जाता है) ऊपर चला जाता है।पर उच्च आवृत्तियों, वे संकेतों को अधिक आसानी से पारित करने की अनुमति देते हैं।इसलिए इसे चुनना महत्वपूर्ण है संधारित्र मूल्य पर आधारित है सबसे कम आवृत्ति आपके सर्किट के साथ काम करने की आवश्यकता है।उदाहरण के लिए, यदि आपका सिग्नल नीचे चला जाता है 20 हर्ट्ज, आपके कैपेसिटर को बहुत अधिक नुकसान के माध्यम से जाने के लिए पर्याप्त बड़ा होना चाहिए।
एमिटर रेसिस्टर में संधारित्र - के रूप में जाना जाता है बाईपास कैपेसिटर-एक एक बड़ा अंतर बनाता है।यह मदद करता है एसी संकेतों के लिए एम्पलीफायर के लाभ को बढ़ाएं।यदि यह संधारित्र बहुत छोटा है, तो आपका सर्किट हो सकता है कम आवृत्तियों पर लाभ खोना।लेकिन सही मूल्य के साथ, यह आपके डीसी सेटअप को प्रभावित किए बिना प्रदर्शन को बढ़ाता है।
इसे समझने से आपको उन हिस्सों को चुनने में मदद मिलती है जो आपके एम्पलीफायर को बनाते हैं अच्छा कार्य करता है उन संकेतों के लिए जो आप उपयोग कर रहे हैं, चाहे वह हो ऑडियो, सेंसर, या अन्य एसी स्रोत।एक बार जब आप इसे लटका लेते हैं, तो विभिन्न आवृत्ति रेंज के लिए अपने डिजाइन को समायोजित करना बहुत आसान हो जाता है।
अपने एम्पलीफायर सर्किट को एक साथ रखने के बाद, यह एक अच्छा विचार है उस सब कुछ की जाँच करें है उम्मीद के मुताबिक काम करना।आपको जटिल उपकरणों की आवश्यकता नहीं है - एक सरल बहुमूलक अक्सर शुरू करने के लिए पर्याप्त है, और एक आस्टसीलस्कप यदि आप सिग्नल को अधिक विस्तार से देखना चाहते हैं तो मददगार है।
जांच करने के लिए मल्टीमीटर का उपयोग करके शुरू करें वोल्टेज आपूर्ति और पुष्टि करें कि यह सर्किट तक पहुंच रहा है।फिर वोल्टेज को मापें कलेक्टर, आधार, और emitter ट्रांजिस्टर की।ज्यादातर मामलों में, कलेक्टर कहीं भी आधे आपूर्ति वोल्टेज के आसपास होना चाहिए, जबकि एमिटर जमीन से थोड़ा ऊपर होगा। आधार के बारे में होना चाहिए एमिटर की तुलना में 0.6 वोल्ट अधिक यदि आप एक सिलिकॉन ट्रांजिस्टर का उपयोग कर रहे हैं।ये रीडिंग आपको जानने में मदद करते हैं कि क्या ट्रांजिस्टर ठीक से पक्षपाती है और प्रवर्धित करने के लिए तैयार।
अगर आपके पास ए संकेतक उत्पादक और एक आस्टसीलस्कप, आप परीक्षण कर सकते हैं कि कैसे एम्पलीफायर एक छोटे एसी सिग्नल को संभालता है।कनेक्ट ए कम आवृत्ति साइन वेव इनपुट के लिए और गुंजाइश पर आउटपुट की जांच करें।आपको देखना चाहिए इनपुट सिग्नल का बड़ा संस्करण, उल्टा फ़्लिप किया गया।अगर आउटपुट दिखता है बहुत कमजोर या विकृत, अपने रोकनेवाला या संधारित्र मूल्यों को दोबारा जांचें।
यहां तक कि एक गुंजाइश के बिना, आप एक का उपयोग करने की कोशिश कर सकते हैं श्रव्य संकेतएक फोन या संगीत प्लेयर से - और कनेक्ट ए छोटा वक्ता एक के माध्यम से आउटपुट के लिए संधारित्र।यदि आप ध्वनि सुनते हैं, तो इसका मतलब है कि एम्पलीफायर काम कर रहा है।
परीक्षण यह सुनिश्चित करने में मदद करता है कि आपका सर्किट वह कर रहा है जो यह माना जाता है, और यह आपको भी देता है यह कैसे व्यवहार करता है के लिए बेहतर महसूस करता है।यह एक सरल लेकिन उपयोगी कदम है जो आपकी परियोजना को बनाता है ज्यादा विश्वसनीय।
जैसा कि आप अधिक समय के साथ काम करते हैं ट्रांजिस्टर सर्किट, विशेष रूप से आम एमिटर एम्पलीफायर्स, उठा सही ट्रांजिस्टर आसान और अधिक स्वाभाविक हो जाता है।सबसे पहले, ऐसा लग सकता है कि बहुत सारे विकल्प हैं, लेकिन समय के साथ, आपको विभिन्न प्रकार के सर्किटों के लिए सबसे अच्छा काम करने का एक बेहतर अर्थ मिल जाएगा।आप पैटर्न को पहचानना शुरू करेंगे - जैसे कि ट्रांजिस्टर के लिए अच्छे हैं सामान्य-प्रयोजन एम्पलीफायरों और जो लोग अधिक अनुकूल हैं स्विचन।
के लिए प्रवर्धक सर्किट, आप आमतौर पर एक ट्रांजिस्टर चाहते हैं जो एक प्रदान करता है सभ्य लाभ, अपने संभालता है वोल्टेज आपूर्ति आराम से, और अच्छा प्रदर्शन करता है आवृत्ति आप के साथ काम कर रहे हैं।आपको हमेशा कुछ उच्च-अंत की आवश्यकता नहीं है-कई सामान्य, सस्ती ट्रांजिस्टर के लिए पूरी तरह से अच्छी तरह से काम करें मूल ऑडियो या सिग्नल एम्पलीफायरों।
दूसरी ओर, यदि आप एक सर्किट का निर्माण कर रहे हैं, जहां ट्रांजिस्टर अधिक काम करता है ऑन-ऑफ स्विच-कू को नियंत्रित करने के रूप में एक एलईडी, मोटर, या रिले- यह एक चुनने के लिए बेहतर है स्विचिंग ट्रांजिस्टर।इन्हें डिज़ाइन किया गया है जल्दी से चालू और बंद करें और हैंडल वर्तमान में तेज परिवर्तन बिना लैग।भले ही एक ट्रांजिस्टर है उच्च गति रेटिंग या एक तेजी से प्रतिक्रिया समय (एक उच्च फीट की तरह), इसका मतलब यह नहीं है कि यह स्विचिंग सर्किट में अच्छा प्रदर्शन करेगा। स्विचिंग ट्रांजिस्टर संभालने के लिए बने हैं तेजी से संक्रमण और अचानक भार अधिक प्रभावी ढंग से।
तो एक सामान्य नियम के रूप में, करने का प्रयास करें ट्रांजिस्टर को नौकरी से मिलान करें यह करने की जरूरत है।अभ्यास के साथ, आप कुछ पाएंगे विकल्प यह आपके अधिकांश सर्किट में काम करता है।चाहे वह हो एक संकेत को बढ़ाना या एक के रूप में अभिनय अंकीय स्विच, का उपयोग सही प्रकार का ट्रांजिस्टर आपके सर्किट को अधिक मज़बूती से चलाने में मदद करेंगे और जिस तरह से आप अपेक्षा करते हैं, वैसे ही प्रदर्शन करेंगे।
अब जब आपने यह पता लगाया है कि एक सामान्य एमिटर एम्पलीफायर कैसे काम करता है और एक कदम दर कदम कैसे बनाता है, तो आपको अपने खुद के सर्किट को एक साथ रखने के लिए अधिक आत्मविश्वास महसूस करना चाहिए।चाहे आप सरल लॉजिक सिग्नल के साथ काम कर रहे हों या ऑडियो जैसे एसी इनपुट को बढ़ाएं, इस प्रकार का सर्किट एक ठोस विकल्प है।बस गणना के साथ अपना समय लेना याद रखें और अपने घटक मूल्यों को दोबारा जांचें।थोड़ा अभ्यास के साथ, आपको उन एम्पलीफायरों को बनाना आसान होगा जो आप जिस भी परियोजना पर काम कर रहे हैं उसके लिए अच्छी तरह से काम करते हैं।
कृपया एक जांच भेजें, हम तुरंत जवाब देंगे।
एक सामान्य एमिटर एम्पलीफायर एक छोटा इनपुट सिग्नल लेता है और इसे बड़ा बनाता है।इसका उपयोग अक्सर ऑडियो या अन्य संकेतों को बढ़ावा देने के लिए किया जाता है ताकि वे दूसरे चरण या डिवाइस को चला सकें।
इस सेटअप में ट्रांजिस्टर कैसे काम करता है, इसके कारण आउटपुट उल्टा होता है।जब इनपुट उच्च हो जाता है, तो ट्रांजिस्टर चालू हो जाता है और आउटपुट को कम खींचता है, जिससे विपरीत संकेत मिलता है।
आपको एक का उपयोग नहीं करना है, लेकिन एमिटर रोकनेवाला में एक बाईपास संधारित्र को जोड़ने से एसी लाभ बढ़ाने में मदद मिलती है।यह डीसी स्थिरता को बनाए रखते हुए एसी सिग्नल पास करने देता है।
अपनी आपूर्ति वोल्टेज और वांछित वर्तमान के आधार पर रोकनेवाला मूल्यों की गणना करने के लिए ओम के नियम का उपयोग करें।आपके परिणाम के करीब मानक रोकनेवाला मान आमतौर पर ठीक काम करते हैं।
आप अधिकांश सामान्य-उद्देश्य एनपीएन ट्रांजिस्टर का उपयोग कर सकते हैं, लेकिन आपके वोल्टेज, वर्तमान और गति की जरूरतों से मेल खाने वाले को चुनना बेहतर है।लॉजिक स्विचिंग के लिए, स्विचिंग के लिए बनाए गए ट्रांजिस्टर का उपयोग करें।
2025/04/1 पर
2025/03/31 पर
8000/04/18 पर 147758
2000/04/18 पर 111942
1600/04/18 पर 111349
0400/04/18 पर 83721
1970/01/1 पर 79508
1970/01/1 पर 66915
1970/01/1 पर 63065
1970/01/1 पर 63012
1970/01/1 पर 54081
1970/01/1 पर 52139