CD4050 IC एक व्यापक रूप से उपयोग किया जाने वाला HEX बफर चिप है जिसमें छह गैर-इनवर्टिंग बफ़र्स हैं।यह सिग्नल पुनर्जनन और वोल्टेज स्तर रूपांतरण जैसे अनुप्रयोगों के लिए एकदम सही है।यह लेख एक सरल, पाठक के अनुकूल तरीके से इसकी विशेषताओं, कार्य सिद्धांतों, पिन कॉन्फ़िगरेशन और अनुप्रयोगों को शामिल करता है।

CD4050 आईसी एक हेक्स बफर चिप है जिसमें छह नॉन-इनवर्टिंग बफ़र्स हैं जो सिग्नल को अपरिवर्तित करते हैं, वोल्टेज स्तर रूपांतरण और सिग्नल पुनर्जनन के लिए आदर्श हैं।यह कम बिजली की खपत के साथ विश्वसनीय प्रदर्शन की पेशकश करते हुए, एक बार में दो टीटीएल या डीटीएल उपकरणों तक ड्राइव कर सकता है।इसकी उच्च सिंक वर्तमान क्षमता यह सुनिश्चित करती है कि यह कई लोड को कुशलता से संभालती है, जिससे यह डिजिटल सर्किट के लिए एक बहुमुखी विकल्प बन जाता है।
यह खंड CD4050 IC के प्रमुख हाइलाइट्स और विशिष्टताओं को प्रदान करता है, जिसमें इसके ऑपरेटिंग वोल्टेज, वर्तमान खपत और प्रदर्शन मैट्रिक्स शामिल हैं।
| पैरामीटर | विनिर्देश |
| ऑपरेटिंग वोल्टेज | 3 वी - 15 वी डीसी |
| वर्तमान उपभोग (अधिकतम) | 50mA |
| वर्तमान क्षमता सिंक करें | 2 टीटीएल लोड ड्राइविंग के लिए हाई सिंक करंट |
| अधिकतम निम्न-स्तरीय आउटपुट वोल्टेज | 5V VCC पर 0.5V |
| न्यूनतम उच्च-स्तरीय आउटपुट वोल्टेज | 5V VCC पर 4.95V |

| पिन नंबर | पिन प्रकार | विवरण/दिशा |
| 1 | वीसीसी | सकारात्मक इनपुट आपूर्ति |
| 2 | जी | गैर-उल्टा आउटपुट 1 |
| 3 | ए | इनपुट 1 |
| 4 | एच | गैर-व्युत्पन्न आउटपुट 2 |
| 5 | बी | इनपुट 2 |
| 6 | मैं | गैर-व्युत्पन्न आउटपुट 3 |
| 7 | सी | इनपुट 3 |
| 8 | वीएसएस | ऋणात्मक आपूर्ति |
| 9 | डी | इनपुट 4 |
| 10 | जे | गैर-उल्टा आउटपुट 4 |
| 11 | ईटी | इनपुट 5 |
| 12 | K | गैर-उल्टा आउटपुट 5 |
| 13 | एनसी | कोई कनेक्शन नहीं |
| 14 | एफ | इनपुट 6 |
| 15 | एल | गैर-उल्टा आउटपुट 6 |
| 16 | एनसी | कोई कनेक्शन नहीं |
CD4050 IC को गैर-इनवर्टिंग बफ़र्स के साथ डिज़ाइन किया गया है जो इनपुट सिग्नल को बनाए रखते हैं, जैसा कि इसके तर्क स्थिति को बदले बिना।एक इन्वर्टर के विपरीत, जो सिग्नल को फ़्लिप करता है, एक गैर-इनवर्टिंग बफर सुनिश्चित करता है कि आउटपुट इनपुट से मेल खाता हो।इसका प्राथमिक उद्देश्य सिग्नल को मजबूत करना है, आउटपुट पर एक स्पष्ट उच्च या निम्न वितरित करना।

आईसी के भीतर प्रत्येक बफर में एक एकल इनपुट और एक एकल आउटपुट होता है।आउटपुट हमेशा इनपुट के बराबर होता है, जिससे यह उन अनुप्रयोगों के लिए उपयुक्त हो जाता है जहां सिग्नल अखंडता को संरक्षित करने की आवश्यकता होती है।ये बफ़र्स एक मामूली प्रसार देरी भी पेश कर सकते हैं, जो विशिष्ट सर्किट डिजाइनों में उपयोगी हो सकता है।
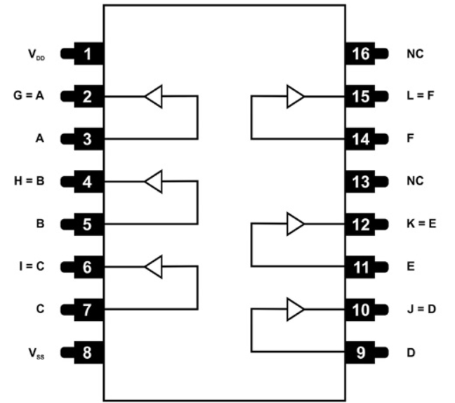
CD4050 IC की आंतरिक संरचना में छह गैर-इनवर्टिंग बफ़र होते हैं, जिनमें से प्रत्येक विशिष्ट इनपुट और आउटपुट पिन से जुड़ा होता है।नीचे दी गई छवि दिखाती है कि इन बफ़र्स को आईसी के भीतर कैसे व्यवस्थित किया जाता है और इसी पिन से उनके कनेक्शन दिखाता है।उदाहरण के लिए, जब एक सिग्नल ए (पिन 3) इनपुट पर लागू किया जाता है, तो आउटपुट जी (पिन 2) पर समान होगा।इसी तरह, इनपुट बी आउटपुट एच, इनपुट सी से आउटपुट I से मेल खाता है, और इसी तरह।

यह सुसंगत व्यवहार यह सुनिश्चित करता है कि IC अपने तर्क स्थिति में किसी भी परिवर्तन के बिना अपने आउटपुट पर इनपुट संकेतों को मज़बूती से दर्पण करता है।
नीचे दी गई तालिका आईसी के लिए सत्य तालिका को उजागर करती है, यह पुष्टि करती है कि आउटपुट हमेशा इनपुट से मेल खाता है।चाहे इनपुट उच्च हो या कम, आउटपुट एक ही स्थिति को दर्शाता है, जो सहज संकेत अखंडता को सुनिश्चित करता है।
| इनपुट सिग्नल (ए, बी, सी, डी, ई, एफ) | आउटपुट सिग्नल (जी, एच, आई, जे, के, एल) |
| उच्च | उच्च |
| कम | कम |
• SOIC
• पीडीआईपी
• सीडीआईपी
CD4050 IC का उपयोग उच्च से निम्न वोल्टेज के स्तर तक संकेतों को सुरक्षित रूप से अनुकूलित करने के लिए किया जाता है, जिससे विभिन्न वोल्टेज पर काम करने वाले सर्किट के बीच संगतता को सक्षम किया जाता है।
यह IC एक HEX कनवर्टर के रूप में कार्य करता है, जिससे DTL और TTL लॉजिक परिवारों के बीच चिकनी इंटरफेसिंग की अनुमति मिलती है, जो आसानी से कई संकेतों को संभालती है।
CD4050 एक वर्तमान सिंक या स्रोत के रूप में कार्य कर सकता है, सीएमओएस सिस्टम में कई लोड को प्रभावी ढंग से चलाने के लिए स्थिर वर्तमान प्रवाह सुनिश्चित करता है।
नीचे दिखाए गए गैर-इनवर्टिंग आईसी के 2 डी मॉडल में मिलीमीटर और इंच दोनों में इसके आयाम शामिल हैं।यह जानकारी कस्टम पैरों के निशान बनाने के लिए सहायक है और पीसीबी डिजाइन और सीएडी मॉडलिंग में उपयोग के लिए आदर्श है।

कृपया एक जांच भेजें, हम तुरंत जवाब देंगे।
2024/12/20 पर
2024/12/20 पर
8000/04/18 पर 147757
2000/04/18 पर 111935
1600/04/18 पर 111349
0400/04/18 पर 83719
1970/01/1 पर 79508
1970/01/1 पर 66903
1970/01/1 पर 63026
1970/01/1 पर 63010
1970/01/1 पर 54081
1970/01/1 पर 52121