
चित्र 1: रिंग काउंटर
रिंग काउंटर एक विशेष प्रकार का शिफ्ट रजिस्टर है, जिसे बंद-लूप प्रारूप में डिज़ाइन किया गया है, जहां अंतिम फ्लिप-फ्लॉप से आउटपुट पहले पर वापस भेजा जाता है।यह लूप वाली व्यवस्था ही इसे मानक शिफ्ट रजिस्टरों से अलग करती है, जहां अंतिम फ्लिप-फ्लॉप के बाद डेटा प्रवाह बंद हो जाता है।रिंग काउंटर का संचालन फ्लिप-फ्लॉप के एक सेट के इर्द-गिर्द घूमता है।काउंटर द्वारा सीधे रखे जा सकने वाले राज्यों की संख्या इस बात पर निर्भर करती है कि सर्किट में कितने फ्लिप-फ्लॉप का उपयोग किया गया है।उदाहरण के लिए, 4-बिट रिंग काउंटर में चार फ्लिप-फ्लॉप होते हैं।व्यावहारिक रूप से, प्रत्येक फ्लिप-फ्लॉप एक विशिष्ट अनुक्रम का पालन करता है, जिससे रिंग काउंटर को डिजिटल सिस्टम में समय और अनुक्रमण जैसे महत्वपूर्ण कार्यों को संभालने की अनुमति मिलती है।
एक विशिष्ट रिंग काउंटर में, एक क्लॉक पल्स (सीएलके) एक ही समय में सभी फ्लिप-फ्लॉप के संचालन को नियंत्रित करता है, जिससे यह एक तुल्यकालिक प्रणाली बन जाती है।प्रत्येक फ्लिप-फ्लॉप में दो विशेष इनपुट भी होते हैं - प्रीसेट (पीआर) और क्लियर (सीएलआर) - जो अन्य इनपुट पर प्राथमिकता लेते हैं।जब प्रीसेट इनपुट को कम सिग्नल प्राप्त होता है, तो यह फ्लिप-फ्लॉप के आउटपुट को उच्च पर मजबूर करता है।इसी तरह, जब स्पष्ट इनपुट को कम सिग्नल प्राप्त होता है, तो यह फ्लिप-फ्लॉप के आउटपुट को कम पर रीसेट कर देता है।ये प्रीसेट और स्पष्ट कमांड यह सुनिश्चित करते हैं कि आउटपुट स्थिर रहें और अन्य इनपुट या क्लॉक सिग्नल से अप्रभावित रहें।

चित्र 2: 8-बिट रिंग काउंटर
8-बिट रिंग काउंटर एक डिजिटल सर्किट है जो एक सतत लूप में व्यवस्थित आठ डी-प्रकार फ्लिप-फ्लॉप से बना होता है।आठवें फ्लिप-फ्लॉप से आउटपुट को पहले के इनपुट में वापस फीड किया जाता है, जिससे एक अखंड चक्र बनता है।यह बंद-लूप डिज़ाइन काउंटर को अलग-अलग राज्यों की एक श्रृंखला के माध्यम से कदम रखने की अनुमति देता है, जिसमें प्रत्येक राज्य फ्लिप-फ्लॉप सक्रिय होता है।8-बिट कॉन्फ़िगरेशन कुल आठ अद्वितीय स्थितियों को संभाल सकता है, जो छोटे कॉन्फ़िगरेशन की तुलना में काउंटर की जटिलता को बढ़ाता है।
8-बिट रिंग काउंटर का संचालन पहले फ्लिप-फ्लॉप को सक्रिय स्थिति में सेट करके शुरू होता है जबकि शेष फ्लिप-फ्लॉप निष्क्रिय होते हैं।फिर एक क्लॉक सिग्नल को सभी फ्लिप-फ्लॉप पर समान रूप से लागू किया जाता है, जिससे यह सुनिश्चित होता है कि पूरे सर्किट में एक ही समय में राज्य परिवर्तन होता है।जैसे ही घड़ी घूमती है, सक्रिय स्थिति एक पूर्वानुमानित चक्र में एक फ्लिप-फ्लॉप से दूसरे में बदल जाती है।यह अनुक्रमिक टॉगल तब तक जारी रहता है जब तक कि अंतिम फ्लिप-फ्लॉप लूप को पूरा करते हुए अपना आउटपुट वापस पहले तक नहीं पहुंचा देता।

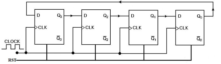
चित्र 3: 4-बिट रिंग काउंटर
4-बिट रिंग काउंटर को संचालित करने के लिए, इसे आमतौर पर '0001' की शुरुआती स्थिति के साथ आरंभ किया जाता है।इस सेटअप में, पहले फ्लिप-फ्लॉप (FF0) को आउटपुट '1' पर सेट किया गया है, जबकि अन्य तीन फ्लिप-फ्लॉप (FF1, FF2, और FF3) को '0' पर साफ़ किया गया है।यह प्रारंभिक कॉन्फ़िगरेशन सुनिश्चित करता है कि केवल एक फ्लिप-फ्लॉप '1' स्थिति रखता है, जो फिर प्रत्येक घड़ी चक्र के साथ बाकी फ्लिप-फ्लॉप के माध्यम से प्रसारित होगा।
जैसे ही घड़ी घूमती है, '1' FF0 से FF1, फिर FF2, FF3 और अंततः वापस FF0 पर शिफ्ट हो जाता है, जिससे एक दोहराव वाला लूप बनता है।यह प्रगति तब जारी रहती है जब प्रत्येक फ्लिप-फ्लॉप बारी-बारी से '1' स्थिति में रहता है, जबकि अन्य '0' स्थिति में रहते हैं।स्थिति परिवर्तन का यह पैटर्न रिंग काउंटर के बुनियादी संचालन का निर्माण करता है, जो सभी चार फ्लिप-फ्लॉप के माध्यम से चक्र करते समय एक पूर्वानुमानित अनुक्रम सुनिश्चित करता है।
रिंग काउंटर के व्यवहार को बेहतर ढंग से समझने के लिए, Xilinx जैसे प्लेटफ़ॉर्म पर वेरिलॉग एचडीएल जैसे टूल का उपयोग करके तरंगरूप सिमुलेशन सहायक हो सकता है।ये सिमुलेशन काउंटर के राज्य परिवर्तनों का एक ग्राफिकल प्रतिनिधित्व उत्पन्न करते हैं, जिससे आप देख सकते हैं कि प्रत्येक घड़ी पल्स के साथ '1' एक फ्लिप-फ्लॉप से दूसरे तक कैसे चलता है।उदाहरण के लिए, एक घड़ी चक्र के दौरान, '1' FF0 से FF1 पर स्थानांतरित हो जाता है, और अगले चक्र में, यह FF2 पर चला जाता है, और तब तक जारी रहता है जब तक कि यह FF3 पर पहुंचने के बाद FF0 पर वापस नहीं आ जाता।ये दृश्य उपकरण न केवल अनुक्रमिक बदलावों की निगरानी के लिए सहायक हैं बल्कि डिज़ाइन में समय और बदलावों की सटीकता की पुष्टि करने के लिए भी सहायक हैं।वे रिंग काउंटर कैसे काम करता है इसका एक स्पष्ट दृष्टिकोण प्रदान करते हैं, जो यह सत्यापित करने के लिए उपयुक्त है कि डिवाइस वास्तविक दुनिया के अनुप्रयोगों में सही ढंग से प्रदर्शन करता है।
ट्रुथ टेबल एक गंभीर उपकरण है जिसका उपयोग रिंग काउंटर के इनपुट और आउटपुट स्थिति को मैप करने के लिए किया जाता है, जो यह स्पष्ट विवरण देता है कि काउंटर डिजिटल सर्किट में कैसे काम करता है।4-बिट रिंग काउंटर के लिए, तालिका दिखाती है कि दोहराए जाने वाले चक्र में प्रत्येक फ्लिप-फ्लॉप आउटपुट (Q0, Q1, Q2, Q3) के माध्यम से '1' स्थिति कैसे चलती है।ओवरराइडिंग इनपुट (ओआरआई) और क्लॉक पल्स (सीएलके) जैसे इनपुट भी यह दिखाने के लिए सूचीबद्ध किए गए हैं कि वे राज्य संक्रमण को कैसे प्रभावित करते हैं।यह तालिका काउंटर के चक्रीय व्यवहार को दर्शाती है, जहां '1' एक फ्लिप-फ्लॉप से दूसरे तक बढ़ता है और अंततः शुरुआती बिंदु पर वापस आ जाता है।
प्रत्येक घड़ी चक्र में, '1' एक आउटपुट से दूसरे आउटपुट पर शिफ्ट होता है, Q0 से Q1, Q1 से Q2, Q2 से Q3 और अंत में वापस Q0 पर जाता है।यह अनुक्रमिक आंदोलन इस बात का सार है कि रिंग काउंटर कैसे काम करता है, और यह सीधे उन प्रणालियों की जरूरतों का समर्थन करता है जो दोहराए गए, पूर्वानुमानित अनुक्रमों पर निर्भर करते हैं।डिजिटल घड़ियाँ, रोटेशन सेंसर और स्थिति एनकोडर जैसे उपकरण इस चक्रीय ऑपरेशन से लाभान्वित होते हैं, जहां सटीकता और समय का उपयोग किया जाता है।

चित्र 4: रिंग काउंटर के लिए वेरिलॉग एचडीएल प्रोग्राम
निम्नलिखित वेरिलॉग एचडीएल प्रोग्राम को मॉड्यूलर दृष्टिकोण का उपयोग करके रिंग काउंटर के व्यवहार को मॉडल करने के लिए डिज़ाइन किया गया है।कोड में प्रत्येक मॉड्यूल रिंग काउंटर में एक फ्लिप-फ्लॉप से मेल खाता है, जिसमें एक मॉड्यूल से आउटपुट सीधे अगले के इनपुट में फीड होता है।कनेक्शन की इस श्रृंखला को बढ़ती एज क्लॉक पल्स द्वारा नियंत्रित किया जाता है, जो सभी फ्लिप-फ्लॉप में राज्य संक्रमण को सिंक्रनाइज़ करता है, जिससे यह सुनिश्चित होता है कि सिस्टम समन्वित तरीके से संचालित होता है।
रिंग काउंटर दो मुख्य प्रकारों में आते हैं, प्रत्येक की अपनी अनूठी परिचालन विशेषताएं होती हैं: सीधा रिंग काउंटर और ट्विस्टेड रिंग काउंटर।दोनों डिजिटल प्रणाली की जरूरतों के आधार पर अलग-अलग उद्देश्यों की पूर्ति करते हैं।

चित्र 5: स्ट्रेट रिंग काउंटर (वन-हॉट काउंटर)
एक सीधा रिंग काउंटर, जिसे अक्सर "वन-हॉट" काउंटर कहा जाता है, एक लूप में फ्लिप-फ्लॉप की श्रृंखला के माध्यम से एक '1' पास करके संचालित होता है।प्रत्येक घड़ी पल्स के साथ, '1' अगले फ्लिप-फ्लॉप पर चला जाता है जबकि अन्य सभी फ्लिप-फ्लॉप '0' पर बने रहते हैं।यह सरल, चक्रीय डिज़ाइन उन अनुप्रयोगों के लिए आदर्श है जिनके लिए एक समय में केवल एक सक्रिय स्थिति की आवश्यकता होती है, जैसे कि बुनियादी अनुक्रम जनरेटर या शिफ्ट रजिस्टर।स्ट्रेट रिंग काउंटर की सीधी प्रकृति उन प्रणालियों में उपयोग में आसानी और विश्वसनीयता सुनिश्चित करती है जहां एक सरल दोहराव पैटर्न की आवश्यकता होती है।

चित्र 6: ट्विस्टेड रिंग काउंटर (जॉनसन काउंटर)
ट्विस्टेड रिंग काउंटर, जिसे जॉनसन काउंटर के रूप में भी जाना जाता है, मूल डिज़ाइन में एक महत्वपूर्ण संशोधन जोड़ता है।इस संस्करण में, अंतिम फ्लिप-फ्लॉप का आउटपुट पहले फ्लिप-फ्लॉप के इनपुट में वापस फीड करने से पहले उल्टा कर दिया जाता है।यह उलटा एक अनुक्रम बनाता है जहां शून्य की एक श्रृंखला के बाद शून्य की एक श्रृंखला होती है, जो सीधे रिंग काउंटर की तुलना में अलग-अलग राज्यों की संख्या को प्रभावी ढंग से दोगुना कर देती है।परिणामस्वरूप, जॉनसन काउंटर अधिक जटिल कार्यों को संभाल सकता है, जिससे यह उन अनुप्रयोगों के लिए बेहतर विकल्प बन जाता है जिनके लिए राज्यों की एक विस्तृत श्रृंखला की आवश्यकता होती है, जैसे डिजिटल स्थिति एनकोडर या अधिक उन्नत अनुक्रमण संचालन।
रिंग काउंटर और जॉनसन काउंटर के बीच मुख्य अंतर यह है कि वे फीडबैक लूप को कैसे संभालते हैं, जो राज्यों की संख्या और प्रत्येक काउंटर के समग्र व्यवहार को प्रभावित करता है।
रिंग काउंटर: रिंग काउंटर में, अंतिम फ्लिप-फ्लॉप से आउटपुट बिना किसी बदलाव के सीधे पहले फ्लिप-फ्लॉप के इनपुट में वापस फीड किया जाता है।इस प्रत्यक्ष लूप के कारण, राज्यों की कुल संख्या काउंटर में फ्लिप-फ्लॉप की संख्या के बराबर है।उदाहरण के लिए, यदि चार फ्लिप-फ्लॉप हैं, तो काउंटर चार राज्यों से होकर गुजरेगा।प्रत्येक फ्लिप-फ्लॉप एक घड़ी चक्र के लिए उच्च ('1') रखता है और बाकी समय के लिए निम्न ('0') रहता है, जिससे राज्यों का एक सरल, दोहराव वाला अनुक्रम बनता है।
जॉनसन काउंटर: दूसरी ओर, एक जॉनसन काउंटर, अंतिम फ्लिप-फ्लॉप के आउटपुट से पहले के इनपुट पर उलटा फीडबैक पेश करता है।यह व्युत्क्रमण काउंटर को रिंग काउंटर की तुलना में अधिक स्थिति उत्पन्न करने की अनुमति देता है - जिससे संख्या दोगुनी हो जाती है।प्रत्येक फ्लिप-फ्लॉप दो चरणों से गुजरता है: पहले, यह विपरीत स्थिति में जाने से पहले एक उच्च ('1') और फिर एक निम्न ('0') रखता है।इसका मतलब यह है कि चार-फ्लिप-फ्लॉप जॉनसन काउंटर आठ राज्यों से होकर गुजरेगा।इसके अलावा, यह डिज़ाइन आउटपुट आवृत्ति को कम करता है, आउटपुट आवृत्ति इनपुट क्लॉक सिग्नल की आधी होती है।
रिंग काउंटरों के अलग-अलग फायदे और नुकसान हैं जो डिजिटल सर्किट डिजाइन में उनकी उपयुक्तता को प्रभावित करते हैं।
सरल डिज़ाइन: रिंग काउंटर की मुख्य खूबियों में से एक इसकी सीधी संरचना है।अन्य काउंटरों के विपरीत, इसमें डिकोडर जैसे अतिरिक्त घटकों की आवश्यकता नहीं होती है।यह सरलता इसे लागू करना आसान और अधिक लागत प्रभावी बनाती है, खासकर उन प्रणालियों में जिन्हें जटिल हार्डवेयर के बिना बुनियादी एन्कोडिंग या डिकोडिंग की आवश्यकता होती है।
कम घटक: रिंग काउंटर की फीडबैक लूप संरचना इसे अन्य काउंटर प्रकारों की तुलना में कम घटकों के साथ कार्य करने की अनुमति देती है।भागों में यह कमी न केवल लागत कम करती है बल्कि विश्वसनीयता भी बढ़ाती है, क्योंकि कम घटकों का मतलब हार्डवेयर विफलता का कम जोखिम है।
राज्यों की सीमित संख्या: रिंग काउंटर की एक प्रमुख सीमा यह है कि राज्यों की संख्या सीधे फ्लिप-फ्लॉप की संख्या से जुड़ी होती है।यदि आपको अधिक राज्यों की आवश्यकता है, तो आपको अधिक फ्लिप-फ्लॉप जोड़ना होगा, जो उन अनुप्रयोगों में व्यावहारिक नहीं हो सकता है जो बड़ी संख्या में राज्यों की मांग करते हैं।
कोई स्व-प्रारंभिक क्षमता नहीं: रिंग काउंटर आमतौर पर किसी भी मनमानी स्थिति से शुरू नहीं हो सकते।परिचालन शुरू करने के लिए उन्हें एक विशिष्ट पूर्व निर्धारित स्थिति की आवश्यकता होती है, जो उन प्रणालियों में नुकसानदायक हो सकती है जहां लचीलेपन और त्वरित स्टार्टअप की आवश्यकता होती है।इसका मतलब यह है कि काउंटर सही ढंग से प्रारंभ हो यह सुनिश्चित करने के लिए अतिरिक्त चरणों या घटकों की आवश्यकता हो सकती है।
रिंग काउंटर अपने सरल लेकिन प्रभावी चक्रीय संचालन के कारण विभिन्न डिजिटल प्रणालियों में महत्वपूर्ण भूमिका निभाते हैं।नियंत्रित अनुक्रम में निश्चित संख्या में राज्यों से गुजरने की उनकी क्षमता उन्हें विभिन्न अनुप्रयोगों में अत्यधिक उपयोगी बनाती है।

चित्र 7: आवृत्ति गणना और डिजिटल घड़ियाँ
रिंग काउंटरों का उपयोग अक्सर फ़्रीक्वेंसी काउंटरों और डिजिटल घड़ियों में किया जाता है क्योंकि वे सटीकता और विश्वसनीयता के साथ राज्यों की एक निर्धारित संख्या के माध्यम से चक्र कर सकते हैं।यह उन्हें उन कार्यों के लिए आदर्श बनाता है जिनके लिए समय या आवृत्ति की सटीक ट्रैकिंग की आवश्यकता होती है, जिससे स्थिर और पूर्वानुमानित संचालन सुनिश्चित होता है।

चित्र 8: टाइमर
समय अनुप्रयोगों में, रिंग काउंटरों का उपयोग अंतराल को मापने और विशिष्ट घटनाओं को ट्रिगर करने के लिए किया जाता है।घड़ी के सिग्नल के साथ अपने राज्यों के माध्यम से प्रगति करके, वे समय को प्रबंधित करने का एक सीधा तरीका प्रदान करते हैं, यह सुनिश्चित करते हुए कि काउंटर की वर्तमान स्थिति के आधार पर घटनाएं सही समय पर घटित होती हैं।

चित्र 9: परिमित-राज्य मशीनें (एफएसएम)
रिंग काउंटर आमतौर पर परिमित-राज्य मशीनों में एकीकृत होते हैं, विशेष रूप से ASIC (एप्लिकेशन-विशिष्ट इंटीग्रेटेड सर्किट) और FPGA (फील्ड-प्रोग्रामेबल गेट ऐरे) डिज़ाइन जैसे वातावरण में।उनके पूर्वानुमेय राज्य परिवर्तन उन्हें इन प्रणालियों में संचालन के प्रवाह को नियंत्रित करने के लिए आदर्श बनाते हैं, यह सुनिश्चित करते हुए कि प्रत्येक राज्य परिवर्तन को सुचारू रूप से और सटीक रूप से नियंत्रित किया जाता है।

चित्र 10: समय संकेत
रिंग काउंटर समय संकेत उत्पन्न करने के लिए भी मूल्यवान हैं, जो अधिक जटिल सर्किट के संचालन के समन्वय के लिए उपयोगी हैं।इन संकेतों को नियमित, चक्रीय तरीके से उत्पन्न करके, वे यह सुनिश्चित करने में मदद करते हैं कि सर्किट के विभिन्न हिस्से सिंक्रनाइज़ रहें।

चित्र 11: छद्म-यादृच्छिक संख्या सृजन
क्रिप्टोग्राफ़िक प्रणालियों में, रिंग काउंटरों का उपयोग छद्म-यादृच्छिक संख्याएँ उत्पन्न करने के लिए किया जाता है, जो एन्क्रिप्शन एल्गोरिदम के लिए खतरनाक हैं।आउटपुट में यादृच्छिकता बनाए रखते हुए राज्यों के माध्यम से अनुमानित रूप से बदलाव करने की काउंटरों की क्षमता उन्हें इस संवेदनशील एप्लिकेशन में उपयोगी बनाती है।

चित्र 12: परिपत्र भंडारण प्रबंधन
मेमोरी सिस्टम में, रिंग काउंटर सर्कुलर कतारों को प्रबंधित करने में सहायता करते हैं, यह सुनिश्चित करते हुए कि डेटा कुशलतापूर्वक संग्रहीत और पुनर्प्राप्त किया जाता है।उनकी चक्रीय प्रकृति उन्हें नियंत्रित तरीके से डेटा के बार-बार चक्र को संभालने की अनुमति देती है, जिससे वे बफ़र्स और अन्य भंडारण प्रणालियों के प्रबंधन के लिए आदर्श बन जाते हैं जो निरंतर डेटा प्रवाह पर निर्भर होते हैं।
रिंग काउंटर डिजिटल सर्किट डिज़ाइन में एक परम लेकिन बहुमुखी घटक का प्रतिनिधित्व करते हैं, जो उनके सरल निर्माण और कई अनुप्रयोगों में प्रभावी संचालन द्वारा विशेषता है।उनकी सीमाओं के बावजूद, जैसे राज्यों की एक निश्चित संख्या और स्व-प्रारंभिक क्षमता की कमी, रिंग काउंटरों की सादगी और विश्वसनीयता उन्हें आधुनिक डिजिटल सिस्टम के डिजाइन में आवश्यक बनाती है।
जॉनसन काउंटर, जिन्हें ट्विस्टेड रिंग काउंटर के रूप में भी जाना जाता है, का उपयोग मुख्य रूप से डिजिटल इलेक्ट्रॉनिक्स में विलंब टाइमर बनाने और सममित वर्ग तरंगों को उत्पन्न करने के लिए किया जाता है।ये काउंटर समय अनुक्रमण के लिए डिजिटल घड़ियों में व्यावहारिक अनुप्रयोग पाते हैं, नियंत्रण प्रणालियों में डिवाइड-बाय-एन काउंटर के रूप में जहां वे अनुक्रम संचालन का प्रबंधन करते हैं, और संख्यात्मक डिस्प्ले चलाने में जहां वे चक्रीय रूप से बाइनरी मानों का एक सेट उत्पन्न करते हैं।ऑपरेटर अक्सर अन्य काउंटरों की तुलना में कम फ्लिप-फ्लॉप के साथ अधिक संख्या में राज्यों का उत्पादन करने में उनकी सादगी और विश्वसनीयता के लिए जॉनसन काउंटरों पर भरोसा करते हैं।
रिंग काउंटरों को उनके परिचालन सिंक्रनाइज़ेशन के आधार पर वर्गीकृत किया गया है:
सिंक्रोनस रिंग काउंटर: सभी फ्लिप-फ्लॉप एक सामान्य घड़ी सिग्नल द्वारा संचालित होते हैं, जिससे सभी फ्लिप-फ्लॉप में एक साथ परिवर्तन होता है।
एसिंक्रोनस (या रिपल) रिंग काउंटर: एक फ्लिप-फ्लॉप का आउटपुट अगले के लिए क्लॉक इनपुट बन जाता है, जिससे काउंटर के माध्यम से तरंगित होने वाले अनुक्रमिक बदलाव होते हैं।
रिंग काउंटर का प्रभावी ढंग से उपयोग करने के लिए:
आरंभीकरण: एक को छोड़कर सभी फ्लिप-फ्लॉप को 0 पर सेट करके प्रारंभ करें, जिसे 1 पर सेट किया जाना चाहिए। यह सेटअप एक एकल '1' बनाता है जो रिंग को प्रसारित करता है।
घड़ी इनपुट: क्लॉक पल्स लागू करें.प्रत्येक पल्स के साथ, '1' क्रम में एक फ्लिप-फ्लॉप से दूसरे में स्थानांतरित हो जाता है।
निगरानी आउटपुट: प्रत्येक फ्लिप-फ्लॉप आउटपुट की निगरानी सर्किट में '1' की स्थिति को ट्रैक करने के लिए की जा सकती है, जो समय और अनुक्रम नियंत्रण के लिए उपयोगी है
रिंग काउंटर उनके डिज़ाइन के आधार पर या तो सिंक्रोनस या एसिंक्रोनस हो सकते हैं:
सिंक्रोनस रिंग काउंटर: सभी फ्लिप-फ्लॉप घड़ी के सिग्नल के साथ-साथ स्थिति बदलते हैं।
अतुल्यकालिक रिंग काउंटर: पिछले फ्लिप-फ्लॉप के सक्रिय होने के बाद फ्लिप-फ्लॉप क्रमिक रूप से अपनी स्थिति बदलते हैं, जिससे एक तरंग प्रभाव उत्पन्न होता है।
रिंग काउंटर और जॉनसन काउंटर के बीच मुख्य अंतर हैं:
मेमोरी उपयोग: एन फ्लिप-फ्लॉप वाला एक रिंग काउंटर एन राज्यों का प्रतिनिधित्व कर सकता है, जबकि जॉनसन काउंटर 2 एन राज्यों का प्रतिनिधित्व कर सकता है, जिससे जॉनसन काउंटर प्रति फ्लिप-फ्लॉप राज्य प्रतिनिधित्व के मामले में अधिक कुशल हो जाता है।
सर्किट जटिलता: जॉनसन काउंटर अधिक जटिल होते हैं क्योंकि उन्हें रिंग काउंटर की तुलना में अतिरिक्त वायरिंग और सेटअप की आवश्यकता होती है।
आउटपुट तरंगरूप: जॉनसन काउंटर आउटपुट वेवफॉर्म का एक अधिक जटिल सेट उत्पन्न करते हैं, जो विस्तृत समय पैटर्न की आवश्यकता वाले अनुप्रयोगों में फायदेमंद हो सकता है, जैसे संचार प्रणालियों में वेवफॉर्म जेनरेशन में।
कृपया एक जांच भेजें, हम तुरंत जवाब देंगे।
2024/09/19 पर
2024/09/18 पर
8000/04/18 पर 147758
2000/04/18 पर 111943
1600/04/18 पर 111349
0400/04/18 पर 83721
1970/01/1 पर 79508
1970/01/1 पर 66916
1970/01/1 पर 63070
1970/01/1 पर 63012
1970/01/1 पर 54081
1970/01/1 पर 52139