
AD8325ARU एक लागत-प्रभावी, डिजिटल रूप से नियंत्रित चर लाभ एम्पलीफायर है जो समाक्षीय लाइन ड्राइविंग के लिए डिज़ाइन किया गया है, जैसे कि केबल मॉडेम में MCNS-DOCSIS अपस्ट्रीम मानक का पालन करते हैं।यह 8-बिट सीरियल इनपुट के माध्यम से 0.7526 डीबी चरणों में समायोज्य, 59.45 डीबी लाभ रेंज प्रदान करता है।डिवाइस में एक डिजिटल रूप से नियंत्रित एटेन्यूएटर (0 डीबी से -59.45 डीबी), एक कम-शोर फिक्स्ड-गेन बफर, और एक कम-विकृति उच्च-शक्ति एम्पलीफायर है।यह अंतर या एकल-समाप्त इनपुट स्वीकार करता है और समाक्षीय केबलों की तरह 75 load लोड ड्राइविंग के लिए अनुकूलित है।21 मेगाहर्ट्ज बैंडविड्थ में 61 डीबीएमवी तक आउटपुट स्तर के साथ, यह -57 डीबीसी के विरूपण प्रदर्शन को प्राप्त करता है।AD8325ARU एक निरंतर 75 and आउटपुट प्रतिबाधा को ट्रांसमिशन इनेबल और डिसेबल मोड के दौरान बनाए रखता है और इसमें स्लीप मोड शामिल है जो क्विसेसेंट करंट को 4 एमए तक कम करता है।एक एकल 5 वी आपूर्ति से संचालन, यह 28-लीड टीएसएसओपी पैकेज में आता है जो तापमान के लिए उपयुक्त -40 डिग्री सेल्सियस से +85 डिग्री सेल्सियस तक आता है।
थोक क्रय पूछताछ के लिए, कृपया हमारी बिक्री टीम से संपर्क करें।

|
पिन नंबर |
पिन नाम |
विवरण |
|
1 |
डेटेन |
डेटा सक्षम इनपुट |
|
2 |
सदाटा |
सीरियल डेटा इनपुट |
|
3 |
चोंच |
घड़ी इनपुट |
|
4 |
Gnd |
मैदान |
|
5 |
वीसीसी |
बिजली की आपूर्ति |
|
6 |
Txen |
प्रेषित सक्षम करें |
|
7 |
नींद |
नींद मोड नियंत्रण |
|
8 |
Gnd |
मैदान |
|
9 |
वीसीसी |
बिजली की आपूर्ति |
|
10 |
वीसीसी |
बिजली की आपूर्ति |
|
11 |
Gnd |
मैदान |
|
12 |
Gnd |
मैदान |
|
13 |
Gnd |
मैदान |
|
14 |
बाहर- |
विभेदक उत्पादन (-) |
|
15 |
बाहर |
विभेदक आउटपुट |
|
16 |
Gnd |
मैदान |
|
17 |
Gnd |
मैदान |
|
18 |
Gnd |
मैदान |
|
19 |
Gnd |
मैदान |
|
20 |
वीसीसी |
बिजली की आपूर्ति |
|
21 |
वीसीसी |
बिजली की आपूर्ति |
|
22 |
बाईप |
बाईपास कैपेसिटर कनेक्शन |
|
23 |
Gnd |
मैदान |
|
24 |
वीसीसी |
बिजली की आपूर्ति |
|
25 |
Gnd |
मैदान |
|
26 |
Vin- |
विभेदक इनपुट (-) |
|
27 |
VIN+ |
विभेदक इनपुट |
|
28 |
Gnd |
मैदान |
आप MCNS-DOCSIS अपस्ट्रीम मानक को पूरा करने के लिए डिज़ाइन किए गए केबल मॉडेम अनुप्रयोगों के लिए AD8325ARU पर भरोसा कर सकते हैं।यह रिवर्स पाथ संचार के लिए स्थिर सिग्नल ट्रांसमिशन सुनिश्चित करता है।
लाभ को 0.75 डीबी चरणों में सेट किया जा सकता है, जिससे 59.45 डीबी रेंज में सटीक समायोजन की अनुमति मिलती है।यह लचीलापन विभिन्न सिग्नल स्थितियों के लिए प्रदर्शन को अनुकूलित करने में मदद करता है।
61 DBMV के आउटपुट स्तर के साथ, AD8325ARU 21 मेगाहर्ट्ज पर -57 DBC और 42 MHz पर -55 DBC के रूप में विकृति का स्तर कम बनाए रखता है, जिससे संकेत स्पष्टता सुनिश्चित होती है।
आउटपुट शोर 160 kHz बैंडविड्थ में सिर्फ -48 DBMV है, हस्तक्षेप को कम करता है और समग्र सिग्नल गुणवत्ता में सुधार करता है।
AD8325ARU विश्वसनीय सिग्नल ट्रांसमिशन को सुनिश्चित करने के लिए सक्षम और अक्षम करने के दौरान दोनों को ट्रांसमिट करने और अक्षम करने के दौरान एक स्थिर 75 the प्रतिबाधा रखता है।
यह पूर्ण लाभ रेंज में 100 मेगाहर्ट्ज की ऊपरी बैंडविड्थ का समर्थन करता है, जिससे यह उच्च-आवृत्ति अनुप्रयोगों के लिए उपयुक्त है।
सुविधा के लिए डिज़ाइन किया गया, AD8325ARU एक एकल 5 V आपूर्ति पर चलता है, विभिन्न प्रणालियों में एकीकरण को सरल बनाता है।
SPI इंटरफेस के समर्थन के साथ, आप आसानी से नियंत्रण और कॉन्फ़िगर कर सकते हैं AD8325ARU को सीमलेस ऑपरेशन के लिए डिजिटल रूप से।
एनालॉग डिवाइस, इंक।, AD8325ARU के तकनीकी विनिर्देश।
| गुण | कीमत |
| उत्पादक | एनालॉग डिवाइस, इंक। |
| प्रकार | लाइन चालक, ट्रांसमीटर |
| देने वाला पैकेट | 28-TSSOP |
| शृंखला | - |
| पैकेट / मामला | 28-TSSOP (0.173 ", 4.40 मिमी चौड़ाई) |
| पैकेट | नली |
| बढ़ते प्रकार | सतह पर्वत |
| आधार उत्पाद संख्या | Ad8325 |

ब्लॉक आरेख दिखाता है कि AD8325 कैसे काम करता है।यह एक सिग्नल एम्पलीफायर है जो उन्हें बाहर भेजने से पहले कमजोर संकेतों को बढ़ाता है।
इनपुट पर, एक एम्पलीफायर है जो एकल-समाप्त और अंतर दोनों संकेतों को संभाल सकता है।इसका मतलब है कि यह विभिन्न प्रकार के इनपुट स्रोतों के साथ काम कर सकता है।इनपुट प्रतिरोध एकल-समाप्त सिग्नल के लिए 800ω और एक अंतर संकेत के लिए 1.6K। है।
इनपुट एम्पलीफायर के बाद, सिग्नल एक वर्नियर और एक क्षीणन कोर के माध्यम से जाता है।ये दोनों ब्लॉक प्रवर्धन की सही मात्रा प्राप्त करने के लिए छोटे चरणों में सिग्नल स्तर को समायोजित करते हैं।
अगला, पावर एम्पलीफायर सिग्नल को और भी अधिक बढ़ाता है ताकि यह 75 the आउटपुट लोड को चला सके।यह केबल नेटवर्क और अन्य अनुप्रयोगों के लिए उपयोगी है जिन्हें एक मजबूत संकेत की आवश्यकता है।
डिजिटल पक्ष पर, एक शिफ्ट रजिस्टर और डेटा कुंडी प्रक्रिया इनपुट कमांड, जिससे एम्पलीफायर को डिजिटल रूप से नियंत्रित किया जा सकता है।ये कमांड लाभ और अन्य सेटिंग्स को समायोजित करते हैं।
एक पावर-डाउन लॉजिक ब्लॉक भी है जो एम्पलीफायर की आवश्यकता नहीं होने पर बिजली के उपयोग को कम करने में मदद करता है।
कई पिन, जैसे डेटा, सीएलके और डेटेन, डिजिटल नियंत्रण के लिए उपयोग किए जाते हैं, जबकि Txen और स्लीप पावर मोड को प्रबंधित करने में मदद करते हैं।एम्पलीफायर 5V बिजली की आपूर्ति पर संचालित होता है।

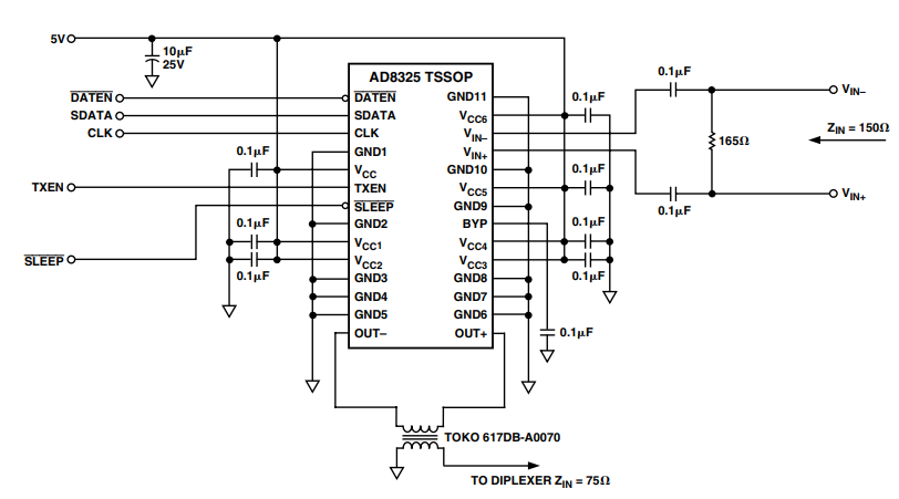
यह सर्किट आरेख दिखाता है कि AD8325 एम्पलीफायर एक सिस्टम में कैसे जुड़ा हुआ है।यह एक संकेत में लेता है, अपनी ताकत को समायोजित करता है, और इसे आगे के उपयोग के लिए भेजता है।
शीर्ष पर 5V बिजली की आपूर्ति एम्पलीफायर के लिए आवश्यक शक्ति प्रदान करती है।एक 10 andf संधारित्र शोर को फ़िल्टर करके शक्ति को स्थिर रखने में मदद करता है।पावर और सिग्नल लाइनों को और अधिक चिकना करने के लिए कई 0.1 suchF कैपेसिटर को पूरे सर्किट में रखा जाता है।
बाईं ओर, Daten, SDATA, CLK, TXEN, और स्लीप जैसे नियंत्रण संकेतों को एम्पलीफायर के डिजिटल नियंत्रण की अनुमति देता है।ये संकेत लाभ को समायोजित करते हैं और आवश्यकतानुसार एम्पलीफायर को चालू या बंद कर देते हैं।
दाईं ओर, एम्पलीफायर को VIN+ और VIN- में एक इनपुट सिग्नल प्राप्त होता है, जो उचित इनपुट प्रतिरोध को सेट करने के लिए 165 and प्रतिरोधों से गुजरता है।इनपुट प्रतिबाधा लगभग 150ω है, जिसका अर्थ है कि यह उन स्रोतों से संकेतों के साथ काम करने के लिए डिज़ाइन किया गया है जो इस मूल्य से मेल खाते हैं।
AD8325 के अंदर, सिग्नल को संसाधित किया जाता है और फिर आउटपुट (आउट+ और आउट-) पर भेजा जाता है।एक ट्रांसफार्मर, जिसे टोको 617db-A0070 लेबल किया गया है, को आउटपुट में 75 explact से प्रतिबाधा से मिलान करने के लिए जुड़ा हुआ है, जिससे यह आगे के ट्रांसमिशन के लिए उपयुक्त हो जाता है, जैसे कि एक डिपेक्सर के लिए।
कुल मिलाकर, यह सर्किट सुनिश्चित करता है कि एम्पलीफायर को एक स्वच्छ बिजली की आपूर्ति मिलती है, एक उचित इनपुट सिग्नल प्राप्त करता है, और एक अच्छी तरह से कंडीशन किए गए आउटपुट सिग्नल को भेजता है।डिजिटल नियंत्रण संकेत आवश्यकतानुसार समायोजन की अनुमति देते हैं, जिससे एम्पलीफायर विभिन्न अनुप्रयोगों के लिए लचीला हो जाता है।
AD8325ARU को डिजिटल रूप से नियंत्रित, चर लाभ लाइन ड्राइवर के रूप में डिज़ाइन किया गया है।यह आपको एक विस्तृत 59.45 डीबी रेंज में लाभ को समायोजित करने की अनुमति देता है, जिससे यह विभिन्न ट्रांसमिशन सेटअप में सिग्नल प्रवर्धन के लिए एक बढ़िया विकल्प बन जाता है।
यदि आप DOCSIS- अनुपालन केबल मॉडेम के साथ काम कर रहे हैं, तो AD8325ARU स्थिर अपस्ट्रीम संचार सुनिश्चित करता है।इसकी कम विरूपण और सटीक लाभ नियंत्रण विश्वसनीय डेटा ट्रांसमिशन को बनाए रखने में मदद करता है।
इंटरैक्टिव टीवी और केबल सेट-टॉप बॉक्स में, AD8325ARU डिवाइस और केबल नेटवर्क के बीच चिकनी डेटा एक्सचेंज के लिए सिग्नल की ताकत को प्रबंधित करने में मदद करता है, जिससे बेहतर देखने का अनुभव सुनिश्चित होता है।
पीसी-आधारित केबल मोडेम के लिए, यह एम्पलीफायर सुसंगत सिग्नल गुणवत्ता प्रदान करता है, घर और कार्यालय सेटअप में इंटरनेट कनेक्टिविटी और डेटा ट्रांसफर दरों में सुधार करता है।
केबल अनुप्रयोगों से परे, आप किसी भी प्रणाली में AD8325ARU का उपयोग कर सकते हैं जिसमें सटीक डिजिटल लाभ नियंत्रण की आवश्यकता होती है।इसका लचीला डिज़ाइन विभिन्न प्रकार के सिग्नल प्रोसेसिंग कार्यों के लिए उपयुक्त बनाता है।

यह आरेख AD8325ARU चिप के भौतिक आकार और आकार को दर्शाता है।यह एक सर्किट बोर्ड पर चिप को सही ढंग से फिट करने के लिए यह सुनिश्चित करने के लिए माप प्रदान करता है।
शीर्ष दृश्य से पता चलता है कि चिप प्रत्येक तरफ 28 पिन -14 के साथ आयताकार है।चौड़ाई 9.60 मिमी और 9.80 मिमी के बीच है, और ऊंचाई लगभग 6.40 मिमी है।पिन 1 को प्लेसमेंट के दौरान उचित अभिविन्यास के साथ मदद करने के लिए चिह्नित किया गया है।
साइड दृश्य ऊंचाई और पिन कोणों के बारे में अधिक विवरण देते हैं।अधिकतम ऊंचाई 1.20 मिमी है, जिसका अर्थ है कि यह बोर्ड पर कम बैठता है।पिन 0 ° और 8 ° के बीच एक कोण पर बाहर की ओर बढ़ते हैं, टांका लगाने और कनेक्शन स्थिरता के साथ मदद करते हैं।
अन्य विवरणों में सीटिंग प्लेन शामिल है, जो दिखाता है कि चिप बोर्ड पर कैसे बैठता है, और कॉपलानिटी, यह सुनिश्चित करता है कि सभी पिन उचित संपर्क करें।
यह रूपरेखा आयाम JEDEC MO-153-AE मानकों का अनुसरण करता है, जिसका अर्थ है कि यह सामान्य उद्योग दिशानिर्देशों का अनुसरण करता है, जिससे विभिन्न सर्किटों में डिजाइन करना आसान हो जाता है।
|
भाग संख्या |
उत्पादक |
प्रमुख विशेषताऐं |
केस/नोट्स का उपयोग करें |
|
एनालॉग डिवाइस इंक। |
AD8325 के समान, 28-TSSOP पैकेज के साथ और सतह-माउंट डिजाइन।थोक पैकेजिंग में उपलब्ध है। |
उच्च गति वाले डेटा ट्रांसमिशन में उपयोग किया जाता है, विशेष रूप से में ब्रॉडबैंड नेटवर्क। |
|
|
एनालॉग डिवाइस इंक। |
20-QSOP पैकेज में लाइन ड्राइवर और ट्रांसमीटर, मेकिंग यह अधिक कॉम्पैक्ट है।सतह-माउंट डिजाइन। |
उन अनुप्रयोगों के लिए उपयुक्त जहां अंतरिक्ष एक बाधा है लेकिन उच्च-प्रदर्शन सिग्नल ट्रांसमिशन की आवश्यकता है। |
|
|
एनालॉग डिवाइस इंक। |
AD8322ARU-REEL के लिए समान लेकिन ट्यूब में आपूर्ति की जाती है पैकेजिंग।सतह बढ़ते के लिए 28-TSSOP पैकेज। |
समान ब्रॉडबैंड संचार प्रणालियों में उपयोग किया जाता है, पेशकश स्थिर सिग्नल ट्रांसमिशन। |
एनालॉग डिवाइस इंक एक प्रमुख कंपनी है जिसे उच्च-प्रदर्शन एनालॉग और डिजिटल सिग्नल प्रोसेसिंग सॉल्यूशंस विकसित करने के लिए जानी जाती है।आप संचार, स्वास्थ्य सेवा और औद्योगिक स्वचालन सहित उद्योगों की एक विस्तृत श्रृंखला में उनकी तकनीक पा सकते हैं।उनके उत्पाद विश्वसनीय प्रदर्शन और सटीकता प्रदान करने के लिए डिज़ाइन किए गए हैं, जिससे वे दुनिया भर में इंजीनियरों और व्यवसायों के लिए एक विश्वसनीय विकल्प बन जाते हैं।नवाचार और गुणवत्ता पर एक मजबूत ध्यान केंद्रित करने के साथ, एनालॉग डिवाइस यह सुनिश्चित करते हैं कि प्रत्येक घटक उद्योग मानकों को पूरा करता है, जो आपको अपने अनुप्रयोगों में सहज एकीकरण के लिए आवश्यक उपकरण प्रदान करता है।
AD8325ARU एक विश्वसनीय, डिजिटल रूप से नियंत्रित एम्पलीफायर है जो केबल मोडेम और अन्य संचार प्रणालियों के लिए डिज़ाइन किया गया है।यह समायोज्य लाभ, कम शोर और स्थिर सिग्नल ट्रांसमिशन प्रदान करता है, जिससे यह उच्च-आवृत्ति अनुप्रयोगों के लिए एक बढ़िया विकल्प है।आसान डिजिटल नियंत्रण के साथ, एक साधारण 5V बिजली की आपूर्ति, और एक कॉम्पैक्ट डिज़ाइन, यह कई सेटअप में अच्छी तरह से फिट बैठता है।चाहे आपको केबल नेटवर्क या अन्य उपयोगों के लिए संकेतों को बढ़ावा देने की आवश्यकता है, यह एम्पलीफायर एक मजबूत और लचीला समाधान प्रदान करता है।
कृपया एक जांच भेजें, हम तुरंत जवाब देंगे।
AD8325ARU एक डिजिटल रूप से नियंत्रित एम्पलीफायर है जिसे केबल मॉडेम अनुप्रयोगों के लिए डिज़ाइन किया गया है।यह स्पष्ट और स्थिर डेटा ट्रांसमिशन सुनिश्चित करने के लिए समाक्षीय केबल नेटवर्क में संकेतों को बढ़ावा देने में मदद करता है।
लाभ को 8-बिट सीरियल इंटरफ़ेस का उपयोग करके 59.45 डीबी रेंज में 0.75 डीबी चरणों में डिजिटल रूप से समायोजित किया जाता है।यह सिग्नल स्तर के सटीक नियंत्रण के लिए अनुमति देता है।
यह एकल-समाप्त और विभेदक इनपुट सिग्नल दोनों का समर्थन करता है।यह इसे विभिन्न प्रणालियों और सिग्नल स्रोतों के साथ संगत बनाता है।
यह एक एकल 5V बिजली की आपूर्ति पर संचालित होता है, जिससे कई वोल्टेज स्तरों की आवश्यकता के बिना विभिन्न सर्किटों में एकीकृत करना आसान हो जाता है।
हां, इसमें एक स्लीप मोड है जो उपयोग में नहीं होने पर बिजली की खपत को 4 एमए तक कम कर देता है।यह सक्षम और विकलांग दोनों राज्यों में एक स्थिर आउटपुट प्रतिबाधा भी बनाए रखता है।
2025/02/19 पर
2025/02/19 पर
8000/04/18 पर 147758
2000/04/18 पर 111960
1600/04/18 पर 111349
0400/04/18 पर 83726
1970/01/1 पर 79512
1970/01/1 पर 66930
1970/01/1 पर 63078
1970/01/1 पर 63019
1970/01/1 पर 54086
1970/01/1 पर 52159