
Atmega168 एक 8-बिट माइक्रोकंट्रोलर है जो CMOS तकनीक का उपयोग करता है और इसे कम बिजली की खपत के लिए डिज़ाइन किया गया है।यह AVR® RISC आर्किटेक्चर पर संचालित होता है, जो इसे एकल घड़ी चक्र में निर्देशों को निष्पादित करने की अनुमति देता है।यह डिज़ाइन प्रसंस्करण गति को बनाए रखते हुए बिजली दक्षता का अनुकूलन करने में मदद करता है, जिससे डिवाइस को प्रति सेकंड प्रति सेकंड एक मिलियन निर्देशों को संसाधित करने में सक्षम बनाया जाता है।माइक्रोकंट्रोलर तीन पैकेज प्रकारों में उपलब्ध है: PDIP, MLF, और TQFP।PDIP और MLF पैकेज 28 पिन के साथ आते हैं, जबकि TQFP पैकेज में 32 पिन शामिल हैं।
Atmega168 में स्टोरिंग प्रोग्राम्स, 1KB रैम और EEPROM के 512 बाइट्स के लिए 16KB फ्लैश मेमोरी है, जो लगभग 20 वर्षों के दीर्घकालिक डेटा प्रतिधारण सुनिश्चित करता है।इसमें एक ऑनबोर्ड 10-बिट एडीसी मॉड्यूल भी शामिल है, जो एनालॉग सिग्नल को डिजिटल में परिवर्तित करने के लिए 8 चैनल प्रदान करता है-सेंसर इंटरफेस के लिए उपयोगी।
Atmega168 के स्टैंडआउट पहलुओं में से एक यह है कि यह SPI, I2C और USART संचार प्रोटोकॉल का समर्थन करता है, जिससे यह डिवाइस-टू-डिवाइस संचार के संदर्भ में लचीला हो जाता है।यह सुविधा इसे उन परियोजनाओं के लिए एक बहुमुखी विकल्प बनाती है जिन्हें कई बाहरी घटकों के साथ संचार की आवश्यकता होती है।
अन्य उपयोगी सुविधाओं में एक वॉचडॉग टाइमर, पावर-अप टाइमर, ऑसिलेटर स्टार्ट-अप टाइमर और ब्राउन-आउट डिटेक्शन शामिल हैं।ये अंतर्निहित सुविधाएँ यह सुनिश्चित करने में मदद करती हैं कि आपका सिस्टम अप्रत्याशित रुकावटों के बिना सुचारू रूप से चलता है।
Atmega168 PIC श्रृंखला की तरह अन्य माइक्रोकंट्रोलर से भिन्न होता है क्योंकि यह एक घड़ी चक्र में अधिकांश निर्देश देता है, जबकि PIC माइक्रोकंट्रोलर समान कार्यों के लिए कई चक्र ले सकते हैं।इसके अतिरिक्त, AVR माइक्रोकंट्रोलर PIC के 'W' रजिस्टर के विपरीत 32 सामान्य-उद्देश्य रजिस्टरों के साथ आता है।यह प्रसंस्करण कार्यों को गति देने और प्रोग्रामिंग में लचीलेपन को बढ़ाने में मदद करता है।




Atmega168 न्यूनतम शक्ति का उपभोग करते हुए उच्च प्रदर्शन की पेशकश करने के लिए डिज़ाइन किए गए माइक्रोकंट्रोलर्स के एक परिवार से संबंधित है।यह संतुलन आपको उन अनुप्रयोगों में इसका उपयोग करने की अनुमति देता है जहां बैटरी जीवन या ऊर्जा उपयोग का त्याग किए बिना दक्षता और प्रसंस्करण शक्ति दोनों की आवश्यकता होती है।
• 131 निर्देश: 131 निर्देश उपलब्ध होने के साथ, जिनमें से अधिकांश को एक घड़ी चक्र में निष्पादित किया जा सकता है, Atmega168 एक उत्तरदायी अनुभव प्रदान करता है, जिससे आपके सिस्टम को तेज हो जाता है।
• 32 x 8 कार्य रजिस्टर: आप 32 सामान्य-उद्देश्य रजिस्टरों का लाभ उठा सकते हैं, जिससे आप अपने कार्यक्रमों के भीतर डेटा को अधिक प्रभावी ढंग से संग्रहीत और संसाधित कर सकते हैं।
• 20 MIPS थ्रूपुट: 20MHz पर, Atmega168 प्रति सेकंड 20 मिलियन निर्देश दे सकता है, जिससे आप अपने कार्यों के लिए बहुत गति प्रदान करते हैं।
• ऑन-चिप 2-चक्र गुणक: यह सुविधा आपको जटिल गणना में प्रसंस्करण में सुधार करते हुए, अधिक तेज़ी से गुणा करने में मदद करती है।
• फ्लैश मेमोरी: आप अपने एप्लिकेशन की जरूरतों के आधार पर 4KB, 8KB, 16KB या 32KB फ्लैश मेमोरी से चुन सकते हैं।यह इन-सिस्टम प्रोग्रामिंग के लिए अनुमति देता है, इसलिए आप सर्किट से इसे हटाए बिना माइक्रोकंट्रोलर के सॉफ़्टवेयर को अपडेट कर सकते हैं।
• EEPROM: EEPROM के 1KB से 512 बाइट्स के साथ, आप थोड़ी मात्रा में डेटा जैसे अंशांकन मान, कॉन्फ़िगरेशन, या अन्य सेटिंग्स को संग्रहीत कर सकते हैं जिन्हें पावर साइकिल के बीच बने रहने की आवश्यकता है।
• SRAM: आंतरिक SRAM, 512 बाइट्स से लेकर 2KB तक, आपके प्रोग्राम के निष्पादन के दौरान फास्ट डेटा स्टोरेज के लिए उपलब्ध है।
• साइकिल लिखें/मिटाएं: फ्लैश मेमोरी 10,000 तक लिखने/मिटाने तक का समर्थन करती है, और EEPROM 100,000 चक्रों का समर्थन करता है, जिससे आपको डेटा स्टोरेज में स्थायित्व मिलता है।
• डेटा रिटेंशन: EEPROM में संग्रहीत डेटा 20 साल तक 85 ° C या 100 साल तक 25 ° C पर रह सकता है, जिससे यह दीर्घकालिक अनुप्रयोगों के लिए विश्वसनीय हो जाता है।
• कैपेसिटिव टच: Atmega168 बटन, स्लाइडर्स और पहियों जैसे टच सेंसर का समर्थन करता है, जिससे आप अपनी परियोजनाओं में टच इनपुट को एकीकृत कर सकते हैं।
• सेंस चैनल: आपके पास 64 टच सेंस चैनल हो सकते हैं, जिससे विभिन्न अनुप्रयोगों के लिए जटिल टच इंटरफेस बनाना संभव हो जाता है।
• टाइमर/काउंटर: इसमें दो 8-बिट टाइमर और एक 16-बिट टाइमर शामिल हैं, जो आपको समयबद्ध कार्यों के प्रबंधन में लचीलापन देते हैं या सटीक देरी पैदा करते हैं।
• पीडब्लूएम चैनल: छह पीडब्लूएम (पल्स चौड़ाई मॉड्यूलेशन) चैनल हैं, जो मोटर नियंत्रण या डिमिंग एल ई डी जैसे अनुप्रयोगों के लिए उपयोगी हैं।
• एडीसी चैनल: माइक्रोकंट्रोलर 10-बिट एडीसी (एनालॉग-टू-डिजिटल कनवर्टर) के साथ आता है, जिसमें 8 चैनलों के साथ TQFP और QFN/MLF पैकेज या PDIP पैकेज में 6 चैनल हैं।यह सेंसर के साथ इंटरफेस करने के लिए एकदम सही है।
• सीरियल कम्युनिकेशन: आप विभिन्न संचार प्रोटोकॉल जैसे कि USART, SPI और I2C का उपयोग कर सकते हैं, जिससे अन्य उपकरणों के साथ आसान संचार की अनुमति मिलती है।
• वॉचडॉग टाइमर: यह सुविधा माइक्रोकंट्रोलर को रीसेट करके सिस्टम विश्वसनीयता सुनिश्चित करने में मदद करती है यदि यह जवाब देना बंद कर देती है।
• पावर-ऑन रीसेट और ब्राउन-आउट डिटेक्शन: ये विशेषताएं यह सुनिश्चित करती हैं कि आपका सिस्टम पावर चक्र के बाद सही तरीके से शुरू होता है और यह कम-वोल्टेज की स्थिति को सुरक्षित रूप से संभाल सकता है।
• स्लीप मोड: Atmega168 छह स्लीप मोड प्रदान करता है, जिसमें निष्क्रिय, पावर-सेव और स्टैंडबाय शामिल हैं।यह आपको बिजली की खपत को कम करने की सुविधा देता है जब पूर्ण प्रदर्शन की आवश्यकता नहीं होती है, बैटरी जीवन की बचत होती है।
• प्रोग्रामेबल I/O लाइनें: 23 प्रोग्रामेबल इनपुट/आउटपुट लाइनों के साथ, आप आसानी से विभिन्न सेंसर, बटन, या अन्य बाह्य उपकरणों को अपने सिस्टम से कनेक्ट कर सकते हैं।
• कई पैकेज विकल्प: Atmega168 कई पैकेजों में उपलब्ध है, जैसे कि 28-पिन PDIP और 32-लीड TQFP, जिससे आप अपनी परियोजना के लिए सबसे उपयुक्त पैकेज का चयन कर सकते हैं।
Microchip प्रौद्योगिकी Atmega168a-au तकनीकी विनिर्देशों, विशेषताओं, मापदंडों, और Microchip प्रौद्योगिकी atmega168a-au के समान विनिर्देशों के साथ भागों।
| प्रकार | पैरामीटर |
| फैक्टरी लीड टाइम | 8 सप्ताह |
| संपर्क चढ़ाना | टिन |
| पर्वत | सतह पर्वत |
| माउन्टिंग का प्रकार | सतह पर्वत |
| पैकेज / मामला | 32-टीक्यूएफपी |
| पिन की संख्या | 32 |
| आंकड़ा कन्वर्टर्स | ए/डी 8x10b |
| I/OS की संख्या | 23 |
| प्रहरी टाइमर | हाँ |
| परिचालन तापमान | -40 ° C ~ 85 ° C TA |
| पैकेजिंग | ट्रे |
| शृंखला | AVR® ATMEGA |
| प्रकाशित | 1997 |
| JESD-609 कोड | ई 3 |
| Pbfree कोड | हाँ |
| भाग की स्थिति | सक्रिय |
| नमी संवेदनशीलता स्तर (एमएसएल) | 3 (168 घंटे) |
| समाप्ति की संख्या | 32 |
| टर्मिनल स्थिति | ट्रैक्टर |
| टर्मिनल रूप | गूल विंग |
| पीक रिफ्लो तापमान (° C) | 260 |
| वोल्टेज आपूर्ति | 5V |
| आवृत्ति | 20MHz |
| समय @ पीक रिफ्लो तापमान (अधिकतम) | 40 |
| आधार भाग संख्या | Atmega168a |
| आपूर्ति वोल्टेज-मैक्स (वीएसयूपी) | 5.5V |
| बिजली की आपूर्ति | 2/5 वी |
| आपूर्ति वोल्टेज-मिन (वीएसयूपी) | 4.5V |
| इंटरफ़ेस | 2-वायर, I2C, SPI, सीरियल, UART, USART |
| मेमोरी का आकार | 16kb |
| थरथरानवाला प्रकार | आंतरिक |
| राम का आकार | 1k x 8 |
| वोल्टेज - आपूर्ति (वीसीसी/वीडीडी) | 1.8V ~ 5.5V |
| यूपीएस/यूसीएस/परिधीय आईसीएस प्रकार | माइक्रोकंट्रोलर, आरआईएससी |
| कोर प्रोसेसर | अवाक |
| बाह्य उपकरणों | ब्राउन-आउट डिटेक्ट/रीसेट, POR, PWM, WDT |
| क्रमादेश स्मृति प्रकार | चमक |
| कोर आकार | 8 बिट |
| प्रोग्राम मैमोरी आकार | 16KB 8K x 16 |
| कनेक्टिविटी | I2C, SPI, UART/USART |
| बिट आकार | 8 |
| एडीसी है | हाँ |
| डीएमए चैनल | नहीं |
| आंकड़ा बस चौड़ाई | 8 बी |
| टाइमर/काउंटरों की संख्या | 3 |
| Eeprom आकार | 512 x 8 |
| सीमा स्कैन | नहीं |
| निम्न शक्ति विधा | नहीं |
| प्रारूप | नियत बिन्दु |
| एकीकृत कैश | नहीं |
| एडीसी चैनलों की संख्या | 8 |
| सीरियल I/OS की संख्या | 1 |
| बाहरी रुकावटों की संख्या | 2 |
| पीडब्लूएम चैनलों की संख्या | 6 |
| I2C चैनलों की संख्या | 1 |
| ऊंचाई | 1.05 मिमी |
| लंबाई | 7 मिमी |
| चौड़ाई | 7 मिमी |
| SVHC तक पहुँचें | कोई एसवीएचसी नहीं |
| विकिरण कठोरता | नहीं |
| रोह्स स्टेटस | ROHS3 आज्ञाकारी |
| सीसा मुक्त | सीसा मुक्त |
दाईं ओर सूचीबद्ध तीन भागों में माइक्रोचिप प्रौद्योगिकी Atmega168a-au के समान विनिर्देश हैं।
| भाग संख्या | Atmega168a-au | Atmega88pa-au | Atmega48a-au | Atmega88a-au |
| उत्पादक | माइक्रोचिप प्रौद्योगिकी | माइक्रोचिप प्रौद्योगिकी | माइक्रोचिप प्रौद्योगिकी | माइक्रोचिप प्रौद्योगिकी |
| पैकेज / मामला | 32-टीक्यूएफपी | 32-टीक्यूएफपी | 32-टीक्यूएफपी | 32-टीक्यूएफपी |
| पिन की संख्या | 32 | 32 | 32 | 32 |
| आंकड़ा बस चौड़ाई | 8 बी | 8 बी | 8 बी | 8 बी |
| I/O की संख्या | 23 | 23 | 23 | 23 |
| इंटरफ़ेस | 2-वायर, I2C, SPI, सीरियल, UART | I2C, SPI, सीरियल, UART, USART | 2-वायर, I2C, SPI, सीरियल, UART | I2C, SPI, USART |
| मेमोरी का आकार | 16 केबी | 4 kb | 8 kb | 8 kb |
| वोल्टेज आपूर्ति | 5 वी | 5 वी | 5 वी | 5 वी |
| बाह्य उपकरणों | ब्राउन-आउट डिटेक्ट/रीसेट | ब्राउन-आउट डिटेक्ट/रीसेट | ब्राउन-आउट डिटेक्ट/रीसेट | ब्राउन-आउट डिटेक्ट/रीसेट |
| तुलना देखें | Atmega168a-au बनाम atmega88pa-au | Atmega168a-au बनाम atmega88pa-au | Atmega168a-au बनाम atmega48a-au | Atmega168a-au vs atmeg |

Atmega168 के AVR कोर को 32 सामान्य-उद्देश्य रजिस्टरों के साथ डिज़ाइन किया गया है, जो सीधे अंकगणितीय लॉजिक यूनिट (ALU) के साथ बातचीत करते हैं।यह सेटअप दो स्वतंत्र रजिस्टरों को एक साथ एक्सेस करने की अनुमति देता है, केवल एक घड़ी चक्र में निर्देश पूरा करता है।यह दक्षता पारंपरिक CISC माइक्रोकंट्रोलर्स की तुलना में Atmega168 को कहीं अधिक कुशल बनाती है, जिससे प्रसंस्करण गति दस गुना तेजी से तक पहुंचती है।
Atmega168 इन-सिस्टम प्रोग्रामेबल फ्लैश मेमोरी के 8kbytes, SRAM के 1kbytes, और EEPROM के 1kbytes प्रदान करता है।यह 23 सामान्य-उद्देश्य I/O लाइनों, तीन टाइमर/काउंटरों और संचार इंटरफेस की एक श्रृंखला, जैसे USART, SPI और I2C के साथ भी आता है।इसके अतिरिक्त, माइक्रोकंट्रोलर में उन कार्यों के लिए 6-चैनल, 10-बिट एडीसी शामिल है जिन्हें एनालॉग-टू-डिजिटल रूपांतरण की आवश्यकता होती है।
डिवाइस प्रदर्शन को अनुकूलित करने और बैटरी जीवन का विस्तार करने के लिए विभिन्न पावर-सेविंग मोड का समर्थन करता है।निष्क्रिय मोड में, टाइमर और संचार इंटरफेस जैसे परिधीयों को सक्रिय रखते हुए सीपीयू को बंद कर दिया जाता है।पावर-डाउन मोड एसिंक्रोनस टाइमर को छोड़कर सभी कार्यों को बंद कर देता है, जो न्यूनतम बिजली की खपत की अनुमति देता है।पावर-सेव मोड बाकी डिवाइस को नींद में डालते समय टाइमर को सक्रिय रखता है, और एडीसी शोर में कमी मोड अनावश्यक घटकों को बंद करके एनालॉग-टू-डिजिटल रूपांतरण के दौरान शोर को कम कर देता है।स्टैंडबाय मोड बिजली की खपत को कम रखते हुए तेजी से स्टार्ट-अप प्रदान करता है, जिससे थरथरानवाला को चलाने की अनुमति मिलती है जबकि बाकी सिस्टम सोता है।
रीड-व्हाइल-राइट के लिए समर्थन के साथ, आप बूट फ्लैश संचालन को बाधित किए बिना एप्लिकेशन फ्लैश मेमोरी को अपडेट कर सकते हैं।यह मेमोरी को रिप्रोग्रामिंग करते हुए निरंतर संचालन के लिए अनुमति देता है, जिससे Atmega168 एम्बेडेड नियंत्रण प्रणालियों के लिए एक ठोस विकल्प बन जाता है।
Atmega168 और Atmega328 के बीच प्राथमिक अंतर उपलब्ध फ्लैश मेमोरी की मात्रा है।Atmega168 में 16KB का फ्लैश मेमोरी है, जबकि Atmega328 32kB प्रदान करता है, जो आदर्श है यदि आप बड़ी परियोजनाओं पर काम कर रहे हैं जिन्हें प्रोग्राम डेटा के लिए अधिक भंडारण स्थान की आवश्यकता होती है।हालांकि, अधिकांश शौकीन अनुप्रयोगों के लिए, यह अंतर महत्वपूर्ण नहीं हो सकता है।दोनों माइक्रोकंट्रोलर समान सुविधाओं, पिन कॉन्फ़िगरेशन और प्रदर्शन विशेषताओं को साझा करते हैं, जो उन्हें कई मामलों में विनिमेय बनाते हैं।
यदि आपकी परियोजना को एक बड़े कोडबेस या अधिक व्यापक डेटा हैंडलिंग को संग्रहीत करने के लिए अधिक मेमोरी की आवश्यकता होती है, तो आप Atmega328 का विकल्प चुन सकते हैं।अन्यथा, छोटे अनुप्रयोगों के लिए या जब मेमोरी की कमी कोई समस्या नहीं होती है, तो Atmega168 भी बस प्रदर्शन करेगा।
| भाग संख्या | विवरण | उत्पादक |
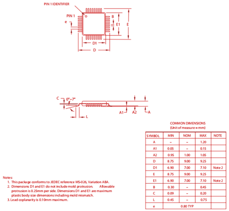
| Atmega168-24ai माइक्रोकंट्रोलर और प्रोसेसर | RISC माइक्रोकंट्रोलर, 8-बिट, फ्लैश, 24MHz, CMOS, PQFP32, 7 x 7 मिमी, 1 मिमी ऊंचाई, 0.80 मिमी पिच, प्लास्टिक, MS-026ABA, TQFP-32 | एटमेल कॉर्पोरेशन |
Atmega168 शैक्षिक परियोजनाओं के लिए एक बढ़िया विकल्प है।इसका उपयोग और व्यापक विशेषताएं विभिन्न प्रकार के छोटे पैमाने के अनुप्रयोगों के लिए उपयुक्त बनाती हैं, सरल नियंत्रण प्रणालियों से लेकर इंटरफेस सेंसर और मोटर्स को सीखने तक।
यदि आप एम्बेडेड सिस्टम या रोबोटिक्स पर काम कर रहे हैं, तो Atmega168 आपके द्वारा आवश्यक सभी प्रमुख घटकों को प्रदान करता है।इसकी कुशल वास्तुकला और SPI और I2C जैसे संचार प्रोटोकॉल को संभालने की क्षमता इसे रोबोटिक हथियारों, सेंसर या स्वायत्त वाहनों को नियंत्रित करने के लिए एक उत्कृष्ट विकल्प बनाती है।
औद्योगिक स्वचालन में, Atmega168 का उपयोग अक्सर मशीनरी या प्रक्रियाओं को नियंत्रित करने के लिए किया जाता है।इसके टाइमर, एडीसी और संचार इंटरफेस आपको उन प्रणालियों का निर्माण करने की अनुमति देते हैं जो विनिर्माण वातावरण में दोहराए जाने वाले कार्यों या नियंत्रण उपकरणों को स्वचालित करते हैं।
माइक्रोकंट्रोलर घर की सुरक्षा प्रणालियों के लिए आदर्श है, जहां इसका उपयोग सेंसर के साथ इंटरफेस, घुसपैठ का पता लगाने या दरवाजे के ताले को नियंत्रित करने के लिए किया जा सकता है।अपनी कम बिजली की खपत के साथ, यह बैटरी से चलने वाले उपकरणों के लिए एकदम सही है, जिन्हें लंबे समय तक मज़बूती से चलाने की आवश्यकता होती है।
यदि आप ड्रोन डिज़ाइन में हैं, तो Atmega168 आपके क्वाडकॉप्टर का मस्तिष्क हो सकता है।यह पीडब्लूएम चैनलों का उपयोग करके मोटर नियंत्रण को संभाल सकता है, अपने एडीसी के साथ सेंसर डेटा को प्रोसेस कर सकता है, और अन्य उपकरणों के साथ वायरलेस रूप से संवाद कर सकता है, जिससे यह हल्के, कुशल क्वाडकॉप्टरों के लिए एक अच्छा विकल्प बन जाता है।

Microchip Technology Inc. Atmega168 के पीछे की कंपनी है।विश्वसनीय और लागत-कुशल माइक्रोकंट्रोलर और एनालॉग सेमीकंडक्टर सॉल्यूशंस के उत्पादन के लिए जाना जाता है, माइक्रोचिप का मुख्यालय चांडलर, एरिज़ोना में स्थित है।उनका ध्यान उन उत्पादों को प्रदान करने पर है जो विकास जोखिमों को कम करते हैं, समग्र प्रणाली की लागत कम करते हैं, और विभिन्न उद्योगों के लिए बाजार में समय की गति में मदद करते हैं।
Atmega168 आपके विकास को आसान बनाने के लिए उपकरणों का एक पूरा सेट प्रदान करता है।इनमें सी लैंग्वेज कंपाइलर, मैक्रो असेंबलर, प्रोग्राम डिबगर्स और सिमुलेटर, इन-सर्किट एमुलेटर और इवैल्यूएशन बोर्ड शामिल हैं।ये उपकरण आपके सिस्टम को कुशलता से प्रोग्राम, डिबग और परीक्षण करने में मदद करते हैं।माइक्रोकंट्रोलर स्वयं 16KB इन-सिस्टम प्रोग्रामेबल फ्लैश, EEPROM के 512 बाइट्स, SRAM के 1K, 23 सामान्य-उद्देश्य I/O लाइनें, और USART, SPI और 8-चैनल 10-बिट ADC जैसे कई संचार इंटरफेस के साथ आता है।
Atmega48, Atmega88, और Atmega168 मुख्य रूप से मेमोरी आकार, बूट लोडर समर्थन में भिन्न होते हैं, और वे कैसे व्यवधान को संभालते हैं।Atmega88 और Atmega168 एक स्वतंत्र बूट लोडर क्षेत्र के माध्यम से एक साथ पढ़ने और लिखने के संचालन का समर्थन करते हैं, जबकि Atmega48 नहीं करता है।दूसरी ओर, Atmega8 में कुछ रुकावट कार्यों का अभाव है और इसमें एक छोटा मेमोरी आकार है।सभी चार चिप्स एक ही पिन कॉन्फ़िगरेशन साझा करते हैं, इसलिए आप आसानी से उनके बीच अपग्रेड कर सकते हैं जब तक पैकेज समान है।
ATMEGA168V-10PU ATMEGA168 माइक्रोकंट्रोलर की एक भिन्नता है, जिसे निचले वोल्टेज पर संचालित करने के लिए डिज़ाइन किया गया है।यह अक्सर उन प्रणालियों में उपयोग किया जाता है जहां कम बिजली की खपत एक प्राथमिकता है, जिससे यह बैटरी से चलने वाले अनुप्रयोगों के लिए एक बढ़िया विकल्प बन जाता है।
कृपया एक जांच भेजें, हम तुरंत जवाब देंगे।
2024/10/21 पर
2024/10/21 पर
8000/04/18 पर 147757
2000/04/18 पर 111935
1600/04/18 पर 111349
0400/04/18 पर 83719
1970/01/1 पर 79508
1970/01/1 पर 66901
1970/01/1 पर 63022
1970/01/1 पर 63010
1970/01/1 पर 54081
1970/01/1 पर 52121