
74LS93 एक 4-बिट बाइनरी काउंटर है जिसे दो अंतर्निहित अप-काउंटर्स के साथ डिज़ाइन किया गया है।यह एक मोड -2 अप-काउंटर को MOD-8 अप-काउंटर के साथ जोड़ता है, जिससे यह 2 या 8 द्वारा MOD-8 काउंटिंग या विभाजन संकेतों जैसे अनुप्रयोगों के लिए बहुमुखी बनाता है। इस IC में चार JK फ्लिप-फ्लॉप शामिल हैं जो इनपुट दालों का जवाब देते हैं,जिसे माइक्रोकंट्रोलर या टाइमर आईसी द्वारा प्रदान किया जा सकता है।
74LS93 के डिज़ाइन में दो रीसेट पिन, दो घड़ी पिन और चार आउटपुट टर्मिनल हैं, जो इसे बाइनरी में 0 से 15 तक गिनने में सक्षम बनाते हैं।विभिन्न माइक्रोकंट्रोलर और टीटीएल-आधारित सिस्टम के साथ इसकी संगतता के साथ, यह काउंटर विभिन्न डिजिटल परियोजनाओं के लिए एक लचीला विकल्प है।यह आमतौर पर डीआईपी और एसएमडी जैसे प्रारूपों में उपलब्ध होता है, जिसमें हमेशा 14 पिन होते हैं।इसके अतिरिक्त, आईसी को उच्च गति वाले इनपुट को संभालने के लिए बनाया गया है, जो गतिशील वातावरण में विश्वसनीय संचालन सुनिश्चित करता है।

| पिन नंबर | पिन नाम | विवरण |
| 1, 2, 3, 6 | एनसी | कोई कनेक्शन नहीं |
| 4, 5, 8, 9 | Q0, Q1, Q2, Q3 | आउटपुट पिन |
| 7 | मैदान | सिस्टम के जमीन से जुड़ा हुआ है |
| 10 | CP0 | घड़ी इनपुट - 2 से विभाजित करें |
| 11 | CP1 | घड़ी इनपुट - 8 से विभाजित करें |
| 12, 13 | श्री | मास्टर रीसेट - स्पष्ट इनपुट |
| 14 | वीसीसी | आपूर्ति वोल्टेज - 4.5V से 5.5V |
74LS93 एक 4-बिट बाइनरी काउंटर है जिसे अनुप्रयोगों की एक विस्तृत श्रृंखला के लिए डिज़ाइन किया गया है।यह उन प्रणालियों में विश्वसनीय प्रदर्शन प्रदान करता है जिन्हें गिनती या आवृत्ति विभाजन की आवश्यकता होती है, इसके कुशल 4-बिट आर्किटेक्चर के लिए धन्यवाद।
यह आईसी 5 वी के मानक वोल्टेज पर मूल रूप से संचालित होता है, जिससे यह कई डिजिटल सिस्टम के साथ संगत हो जाता है।इस वोल्टेज पर लगातार प्रदर्शन करने की इसकी क्षमता विभिन्न परियोजनाओं में इसकी विश्वसनीयता सुनिश्चित करती है।
IC 4.5V और 5.5V के बीच एक वोल्टेज स्पेक्ट्रम का समर्थन करता है।यह लचीलापन आपको स्थिरता बनाए रखते हुए बिजली की आपूर्ति में मामूली बदलाव के साथ सिस्टम में इसका उपयोग करने की अनुमति देता है।
जब IC एक उच्च स्थिति का उत्पादन करता है, तो यह 3.5V बचाता है, और जब यह कम स्थिति में होता है, तो यह 0.25V को आउटपुट करता है।ये स्तर इसे अन्य टीटीएल उपकरणों के साथ संगत बनाते हैं, जो आपके सर्किट में सुचारू एकीकरण सुनिश्चित करते हैं।
IC उच्च आउटपुट के दौरान -0.4mA और कम आउटपुट के दौरान 8mA को संभालता है।ये वर्तमान स्तर आईसी को अधिभार के बिना प्रभावी रूप से अन्य घटकों के साथ बातचीत करने की अनुमति देते हैं।
इनपुट पिन CP0 के लिए घड़ी की आवृत्ति 32MHz तक पहुंच सकती है, जबकि CP1 16MHz तक का समर्थन करता है।यह उच्च गति प्रदर्शन आईसी को तेजी से गिनती या आवृत्ति विभाजन की आवश्यकता वाले कार्यों के लिए उपयुक्त बनाता है।
CP0 को कम से कम 15ns की पल्स चौड़ाई की आवश्यकता होती है, जबकि CP1 को न्यूनतम 30Ns की आवश्यकता होती है।ये विनिर्देश तेजी से स्विचिंग के दौरान किसी भी मिस्ड सिग्नल को रोकने के लिए सटीक संचालन सुनिश्चित करते हैं।
IC 14-पिन PDIP, GDIP, और PDSO जैसे प्रारूपों में उपलब्ध है, जिससे यह बहुमुखी और विभिन्न डिजाइनों में एकीकृत करने के लिए आसान हो जाता है।ये प्रारूप आपको उस व्यक्ति को चुनने की अनुमति देते हैं जो आपके विशिष्ट एप्लिकेशन को सबसे अच्छा लगता है।
आप 555 टाइमर या माइक्रोकंट्रोलर जैसे उपकरणों का उपयोग करके आईसी के घड़ी इनपुट को चला सकते हैं।यह लचीलापन विभिन्न अनुप्रयोगों में सरल टाइमर से अधिक जटिल डिजिटल सिस्टम तक उपयोग करना आसान बनाता है।
आईसी का आउटपुट टीटीएल प्रारूप में है, जो आईसीएस और माइक्रोकंट्रोलर सिस्टम की एक विस्तृत श्रृंखला के साथ संगतता सुनिश्चित करता है।यह सुविधा आपके डिजिटल सर्किट डिजाइनों में एकीकरण को सरल करती है।
आईसी 0 से 70 डिग्री सेल्सियस के तापमान में अच्छा प्रदर्शन करता है, जिससे यह मानक वातावरण के लिए उपयुक्त है।यह मध्यम तापमान परिवर्तन से प्रभावित होने के बिना लगातार परिणाम प्रदान करता है।
• 74HC19
• 74LS192
• 4516
• 74LS90
• CD4017
• 74LS02
• CD4020
• CD4060
• CD4022
• CD4026
• CD40102
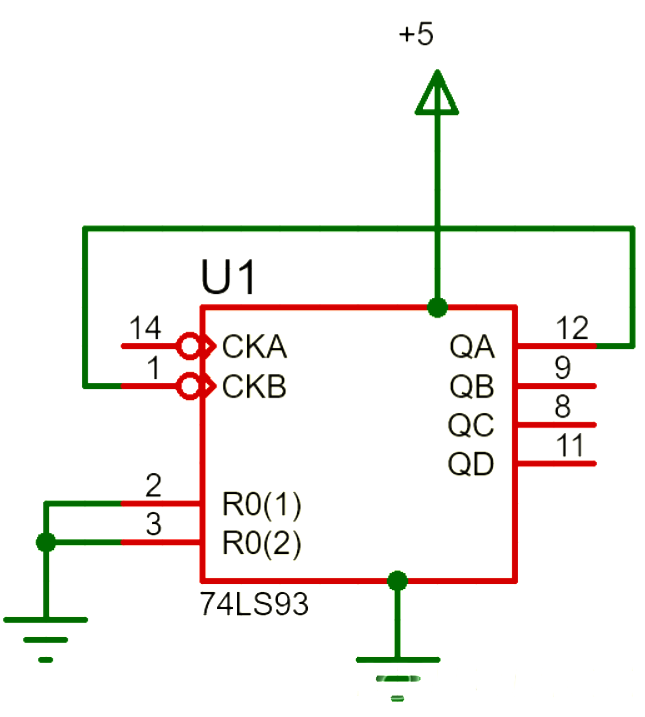
74LS93 बाइनरी काउंटर काम करने के लिए, बिजली की आपूर्ति को जोड़कर शुरू करें।VCC पिन को सकारात्मक टर्मिनल और GND पिन को अपने सिस्टम के मैदान में संलग्न करें।एक बार यह हो जाने के बाद, पहली घड़ी इनपुट (पिन 1) को अंतिम बिट आउटपुट (पिन 12) से कनेक्ट करें।यह कनेक्शन गिनती तंत्र को सक्षम करने के लिए महत्वपूर्ण है।

इसके बाद, रीसेट पिन (पिन 2 और 3) सेट करें।काउंटर को शून्य से शुरू करने के लिए इन पिनों को ग्राउंड करें।यदि आपको अलग -अलग कार्य करने के लिए रीसेट की आवश्यकता है, तो आप इन पिनों को अपने एप्लिकेशन आवश्यकताओं के आधार पर बाहरी तर्क से कनेक्ट कर सकते हैं।यह लचीलापन आपको अपनी सर्किट आवश्यकताओं के अनुसार काउंटर को कॉन्फ़िगर करने की अनुमति देता है।
घड़ी इनपुट के लिए, दूसरी घड़ी पिन (पिन 2) को बाहरी पल्स जनरेटर से कनेक्ट करें, जैसे कि टाइमर आईसी या घड़ी संकेतों को उत्पन्न करने में सक्षम कोई भी डिवाइस।यह घड़ी पल्स आईसी के बाइनरी काउंट आउटपुट को नियंत्रित करती है, जो पिन 8, 9, 11 और 12 पर प्रदर्शित होती है।
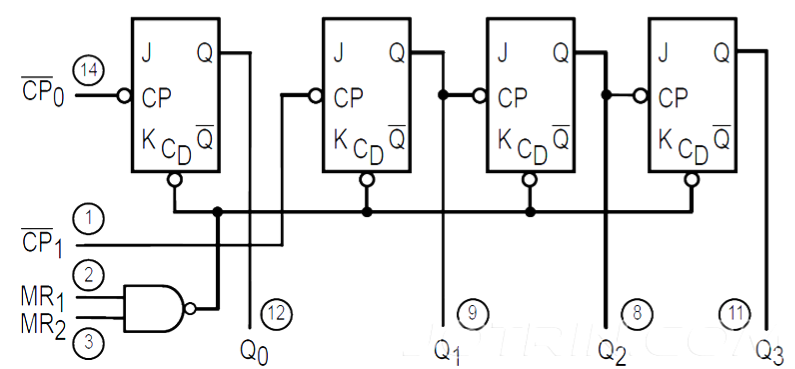
74LS93 के आंतरिक सर्किट को दो मुख्य भागों में विभाजित किया गया है: MOD 2 काउंटर और MOD 8 काउंटर।MOD 2 काउंटर पहले बिट का प्रबंधन करता है, प्रत्येक घड़ी पल्स के साथ 0 और 1 के बीच टॉगल करता है क्योंकि सिग्नल संक्रमण उच्च से निम्न तक है।यह आउटपुट MOD 8 काउंटर के लिए क्लॉक इनपुट के रूप में कार्य करता है, जो शेष तीन बिट्स को उत्पन्न करने के लिए तीन परस्पर जुड़े JK फ्लिप-फ्लॉप का उपयोग करता है।
MOD 8 काउंटर में प्रत्येक JK फ्लिप-फ्लॉप पिछले फ्लिप-फ्लॉप के आउटपुट से घड़ी सिग्नल प्राप्त करता है।साथ में, MOD 2 और MOD 8 काउंटर 4-बिट बाइनरी काउंट का उत्पादन करते हैं जो 0000 से 1111 तक होता है। यह बाइनरी आउटपुट चार आउटपुट पिन में प्रदर्शित होता है, जो गिनती का स्पष्ट प्रतिनिधित्व प्रदान करता है।
74LS93 काउंटर सर्किट को समझने के लिए, यह इसके आंतरिक डिजाइन और कार्यक्षमता की जांच करने में मदद करता है।सर्किट जेके फ्लिप-फ्लॉप पर आधारित है, प्रत्येक दो राज्यों के बीच स्विच करने में सक्षम है: 1 और 0। ये राज्य द्विआधारी मूल्यों का प्रतिनिधित्व करते हैं, और काउंटर इन राज्यों को घड़ी दालों के जवाब में बदलकर प्रगति करता है।

74LS93 में, प्रत्येक फ्लिप-फ्लॉप की स्थिति तब बदल जाती है जब पूर्ववर्ती फ्लिप-फ्लॉप संक्रमणों का उत्पादन उच्च से निम्न तक होता है।हालांकि, पहला फ्लिप-फ्लॉप सीधे दूसरे से जुड़ा नहीं है।एक कार्यात्मक अनुक्रम बनाने के लिए, आप पहली घड़ी पिन (CP1) को MOD 8 काउंटर के पहले फ्लिप-फ्लॉप के आउटपुट से जोड़ते हैं।यह सुनिश्चित करता है कि अनुक्रम ठीक से प्रवाहित हो।
अनुक्रम में जुड़े चार फ्लिप-फ्लॉप के साथ, प्रत्येक को पिछले फ्लिप-फ्लॉप के आउटपुट से एक घड़ी पल्स प्राप्त होता है, काउंटर 0000 से शुरू होता है और 0000 पर वापस रीसेट करने से पहले 1111 तक गिना जाता है। प्रत्येक राज्य एक अद्वितीय द्विआधारी संख्या का प्रतिनिधित्व करता है, प्रगति करता है।आदेश देना।
नीचे दी गई तालिका यह दर्शाती है कि बाइनरी आउटपुट प्रत्येक गणना के साथ कैसे बदलता है:
| गिनती | आउटपुट | Q3 | Q2 | Q1 | Q0 |
| 0 | 0 | 0 | 0 | 0 | |
| 1 | 0 | 0 | 0 | 1 | |
| 2 | 0 | 0 | 1 | 0 | |
| 3 | 0 | 0 | 1 | 1 | |
| 4 | 0 | 1 | 0 | 0 | |
| 5 | 0 | 1 | 0 | 1 | |
| 6 | 0 | 1 | 1 | 0 | |
| 7 | 0 | 1 | 1 | 1 | |
| 8 | 1 | 0 | 0 | 0 | |
| 9 | 1 | 0 | 0 | 1 | |
| 10 | 1 | 0 | 1 | 0 | |
| 11 | 1 | 0 | 1 | 1 | |
| 12 | 1 | 1 | 0 | 0 | |
| 13 | 1 | 1 | 0 | 1 | |
| 14 | 1 | 1 | 1 | 0 | |
| 15 | 1 | 1 | 1 | 1 |
इसके अतिरिक्त, एक समय आरेख दिखाता है कि कैसे Q0 से Q3 तक आउटपुट इनपुट घड़ी सिग्नल के जवाब में व्यवहार करते हैं।यह विज़ुअलाइज़ेशन यह देखना आसान बनाता है कि बाइनरी काउंटर कदम से कदम बढ़ाता है:

74LS93 एक बहुमुखी अप-काउंटर है जो चार जेके फ्लिप-फ्लॉप का उपयोग करके बनाया गया है।अपने MOD-2 और MOD-8 काउंटरों को मिलाकर, इसका उपयोग आमतौर पर MOD-16 काउंटर बनाने के लिए किया जाता है।यह अक्सर सर्किट में उपयोग किया जाता है, जिसमें बाइनरी में 0 से 15 तक गिनती की आवश्यकता होती है या समय के उद्देश्यों के लिए अनुक्रम बनाने की आवश्यकता होती है, जिससे यह ऐसे अनुप्रयोगों के लिए एक सीधा और विश्वसनीय विकल्प बन जाता है।
यह आईसी व्यापक रूप से आवृत्ति डिवीजन सर्किट में उपयोग किया जाता है, जहां यह आवृत्तियों को 2, 8, या 16 को सटीकता के साथ विभाजित कर सकता है।इसका डिज़ाइन इसे नियंत्रित समय कार्यों को प्रभावी ढंग से संभालने की अनुमति देता है, जिससे यह डिजिटल समय सिस्टम जैसे डिजिटल घड़ियों या अनुक्रमिक इवेंट मैनेजमेंट सेटअप में उपयोग के लिए उपयुक्त हो जाता है।
इसके अतिरिक्त, 74LS93 को पल्स काउंटिंग एप्लिकेशन में नियोजित किया जाता है, जहां यह बाइनरी में आने वाले संकेतों को लंबा करता है।MOD-2 और MOD-8 कार्यक्षमता को संयोजित करने की इसकी क्षमता इसे सटीक बाइनरी गिनती की आवश्यकता वाली परियोजनाओं में एक कुशल और भरोसेमंद घटक बनाती है।
74LS93 बाइनरी काउंटर का उपयोग करना सीधा और कुशल है।A +5V बिजली की आपूर्ति का उपयोग करके VCC और ग्राउंड पिन के माध्यम से IC को पावर करके शुरू करें।यह आईसी के लिए आवश्यक परिचालन शर्तों को स्थापित करता है।74LS93 में दो एमआर (मास्टर रीसेट) पिन शामिल हैं जो आपको ऑपरेशन के वांछित मोड को कॉन्फ़िगर करने की अनुमति देते हैं।मानक गिनती कार्यक्षमता के लिए, दोनों रीसेट पिन को ग्राउंड (कम) से कनेक्ट करें, जैसा कि मोड चयन तालिका में दिखाया गया है।

अगला, गिनती प्रक्रिया शुरू करने के लिए CP0 और CP1 इनपुट पिन को घड़ी की दालों की आपूर्ति करें।इन पिनों के लिए प्रत्येक पल्स इनपुट बाइनरी काउंट को एक करके बढ़ा देता है।CP1 पिन Q0 आउटपुट को नियंत्रित करता है, जबकि CP0 Q1, Q2 और Q3 के आउटपुट को नियंत्रित करता है।सभी चार आउटपुट बिट्स को सक्रिय करने के लिए, CP1 पर घड़ी पल्स को Q0 आउटपुट से कनेक्ट करें।
IC CP0 के लिए 32MHz की पीक घड़ी की आवृत्ति और CP1 के लिए 16MHz का समर्थन करता है।सुनिश्चित करें कि सटीक संचालन बनाए रखने के लिए CP1 के लिए CP0 और 30Ns के लिए पल्स की चौड़ाई कम से कम 15Ns है।आमतौर पर, आप 555 टाइमर या एक समान पल्स-उत्पादक सर्किट का उपयोग करके घड़ी सिग्नल उत्पन्न कर सकते हैं।
|
गिनती करना |
आउटपुट |
|||
|
Q0 |
Q1 |
Q2 |
Q3 |
|
|
0 |
एल |
एल |
एल |
एल |
|
1 |
एच |
एल |
एल |
एल |
|
2 |
एल |
एच |
एल |
एल |
|
3 |
एच |
एच |
एल |
एल |
|
4 |
एल |
एल |
एच |
एल |
|
5 |
एच |
एल |
एच |
एल |
|
6 |
एल |
एच |
एच |
एल |
|
7 |
एच |
एच |
एच |
एल |
|
8 |
एल |
एल |
एल |
एच |
|
9 |
एच |
एल |
एल |
एच |
|
10 |
एल |
एच |
एल |
एच |
|
11 |
एच |
एच |
एल |
एच |
|
12 |
एल |
एल |
एच |
एच |
|
13 |
एच |
एल |
एच |
एच |
|
14 |
एल |
एच |
एच |
एच |
|
15 |
एच |
एच |
एच |
एच |
इसकी कार्यक्षमता को बेहतर ढंग से समझने के लिए, आईसी के संचालन का अनुकरण करने पर विचार करें।उदाहरण के लिए, मोड -0 (मानक गिनती मोड) में, दोनों एमआर पिन को ग्राउंडिंग करना और मैन्युअल रूप से लॉजिक स्टेट को टॉगल करना घड़ी दालों को उत्पन्न करता है।प्रत्येक संक्रमण के साथ उच्च से निम्न तक, IC अपनी गिनती बढ़ा देता है।नीचे एक उदाहरण सिमुलेशन है जो इस व्यवहार को दर्शाता है।

आगे की स्पष्टता के लिए, आप वीडियो ट्यूटोरियल या अतिरिक्त संसाधनों का उल्लेख कर सकते हैं।समय और गिनती अनुप्रयोगों सहित विभिन्न सर्किटों में 74LS93 के व्यावहारिक उपयोग, डिजिटल डिजाइनों में इसकी अनुकूलनशीलता और उपयोग में आसानी का प्रदर्शन करते हैं।
74LS93 का उपयोग करके एकल-अंक काउंटर बनाने के लिए, आपको एक जैसे घटकों की आवश्यकता होगी 74LS20 (चार-इनपुट नंद गेट) और ए 74LS04 (तीन नहीं गेट्स)।ये घटक बीसीडी सात-सेगमेंट डिस्प्ले को चलाने के लिए आईसी के साथ मिलकर काम करते हैं, जिससे काउंटर को 0 से 9 तक संख्याओं के माध्यम से साइकिल चलाने की अनुमति मिलती है।
यद्यपि 74LS93 एक 4-बिट काउंटर है जो 16 बाइनरी काउंट्स को संभालने में सक्षम है, लेकिन यह सुनिश्चित करने के लिए 9 तक पहुंचने के बाद इसे रीसेट करना होगा।यदि काउंटर इस बिंदु पर रीसेट नहीं है, तो आउटपुट गलत या अप्रत्याशित मान दिखा सकता है।इसे प्रबंधित करने के लिए, एक फीडबैक रीसेट सर्किट का उपयोग किया जाता है, नंद से संकेतों को संयोजित करते हुए और काउंटर को स्वचालित रूप से रीसेट करने के लिए गेट नहीं।

इस सर्किट में, दो नॉट गेट क्यूए और क्यूसी आउटपुट से जुड़े होते हैं, जबकि क्यूबी और क्यूडी सीधे नंद गेट इनपुट से जुड़े होते हैं।नंद गेट केवल एक उच्च आउटपुट का उत्पादन करता है जब इसके सभी इनपुट शून्य होते हैं।1010 के द्विआधारी मूल्य पर, गेट्स नंद गेट से उच्च आउटपुट को ट्रिगर करते हुए, क्यूए और क्यूसी से संकेतों को उल्टा नहीं करते हैं।यह आउटपुट 74LS04 द्वारा उलटा है, काउंटर को शून्य पर रीसेट करता है।यह डिज़ाइन काउंटर को लगातार ताज़ा करता है और सही दशमलव मानों को प्रदर्शित करता है।
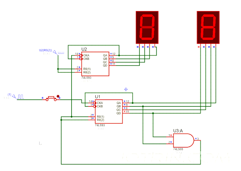
2-अंकीय काउंटर कॉन्फ़िगरेशन सिंगल-डिजिट काउंटर की अवधारणा का विस्तार करता है, जिससे यह 00 से 99 तक संख्याओं को प्रदर्शित करने की अनुमति देता है। एक ही मूल तर्क लागू होता है, लेकिन इस मामले में, पहला सात-खंड डिस्प्ले प्रगति करता है जब दूसरा प्रदर्शन एक भेजता हैघड़ी रीसेट सिग्नल।यह डिज़ाइन दूसरे के घड़ी इनपुट को चलाने के लिए एक डिस्प्ले के रीसेट सिग्नल का उपयोग करके दो अंकों में सहज गिनती सुनिश्चित करता है।

2-अंकीय काउंटर के पीछे का तर्क एकल-अंकों के सेटअप के अनुरूप है, जो दो सात-खंड डिस्प्ले का उपयोग करके बड़े संख्यात्मक मानों को प्रदर्शित करने के लिए एक कुशल तरीका प्रदान करता है।दो काउंटरों को उनके रीसेट और क्लॉक सिग्नल के माध्यम से जोड़कर, डिस्प्ले 00 से 99 तक संख्याओं का प्रतिनिधित्व करने के लिए मिलकर काम करता है।
74LS93 आधारित 2-अंकीय दशमलव काउंटर
2-अंकीय काउंटर के लिए, 74LS93 को 00 से 99 तक संख्याओं को गिनने और प्रदर्शित करने के लिए कॉन्फ़िगर किया जा सकता है। दो-अंकीय काउंटर के लिए तर्क एकल-अंकों के काउंटर के समान सिद्धांतों पर बनाता है, लेकिन दो बीसीडी काउंटरों को कैस्केड करके अपनी कार्यक्षमता का विस्तार करता है।।
इस सेटअप में, पहला बीसीडी सात-खंड प्रदर्शन दूसरे डिस्प्ले से रीसेट सिग्नल के आधार पर इसकी गिनती को आगे बढ़ाता है।अनिवार्य रूप से, पहले डिस्प्ले के लिए क्लॉक सिग्नल दूसरे डिस्प्ले के रीसेट से लिया गया है।यह कैस्केडिंग व्यवस्था यह सुनिश्चित करती है कि काउंटर दो अंकों के माध्यम से तार्किक रूप से आगे बढ़ता है, पहले डिस्प्ले बढ़ाने के साथ केवल तब जब दूसरा डिस्प्ले 0 से 9 तक अपना चक्र पूरा करता है।

यह दो-अंकीय काउंटर सर्किट 99 तक गिनने की अनुमति देता है और दो सात-खंड डिस्प्ले का उपयोग करके एक स्पष्ट और पठनीय प्रदर्शन प्रदान करता है।अंतर्निहित तर्क और प्रतिक्रिया तंत्र सुचारू संचालन सुनिश्चित करते हैं, जिससे यह अनुप्रयोगों के लिए आदर्श है, जिसमें गिनती की एक बड़ी रेंज की आवश्यकता होती है।
74LS93 डिजिटल सर्किट में विस्तारित समय अवधि उत्पन्न करने के लिए अच्छी तरह से अनुकूल है।इसके काउंटरों को उचित रूप से कॉन्फ़िगर करके, आप लंबे और सुसंगत देरी को प्राप्त कर सकते हैं जो समय-संबंधित अनुप्रयोगों में उपयोगी हैं।
यह आईसी एक विश्वसनीय आवृत्ति डिवाइडर के रूप में कार्य करता है।यह 2, 8, या 16 के कारकों द्वारा इनपुट घड़ी की आवृत्तियों को कम कर सकता है, जिससे यह उन प्रणालियों के लिए एक भरोसेमंद विकल्प बन जाता है जहां सिंक्रनाइज़ किए गए संचालन के लिए स्थिर आवृत्ति डिवीजन की आवश्यकता होती है।
जब सटीक समय आवश्यक होता है, तो 74LS93 एक सरल समाधान प्रदान करता है।इसका अनुमानित गिनती व्यवहार डिजिटल परियोजनाओं में अनुक्रमण और समय-आधारित नियंत्रण जैसे कार्यों में सटीकता सुनिश्चित करता है।
74LS93 उन परियोजनाओं के लिए आदर्श है जहां माइक्रोकंट्रोलर का उपयोग करना व्यावहारिक नहीं हो सकता है।यह गिनती और समय के कार्यों को कुशलता से संभालता है, अधिक जटिल और महंगे घटकों की आवश्यकता को कम करता है।
यह आईसी उन अनुप्रयोगों में प्रभावी है जिसमें पल्स काउंटिंग या फ्रीक्वेंसी विभाजन शामिल है।इसका बाइनरी काउंटिंग मैकेनिज्म अतिरिक्त सर्किटरी के बिना दालों को ट्रैक करना या आवृत्तियों को विभाजित करना आसान बनाता है।
74LS93 संख्यात्मक आउटपुट दिखाने के लिए सात-खंड डिस्प्ले के साथ मूल रूप से काम करता है।बाइनरी-टू-डेसिमल कन्वर्टर्स के साथ इसकी संगतता डिजिटल काउंटरों और रीडआउट बनाने की प्रक्रिया को सरल बनाती है।
इसकी गिनती क्षमताओं का उपयोग करके, 74LS93 सर्किट स्थापित करने में मदद करता है जिसमें लंबी अवधि के अंतराल की आवश्यकता होती है।यह डिजिटल घड़ियों और टाइमर जैसे अनुप्रयोगों के लिए विशेष रूप से उपयोगी बनाता है।
आईसी का उपयोग अक्सर विश्वसनीय काउंटर सर्किट डिजाइन करने के लिए किया जाता है।इसका मजबूत प्रदर्शन और कॉन्फ़िगरेशन में आसानी यह स्टैंडअलोन काउंटरों और आवृत्ति डिवाइडर सर्किट दोनों के निर्माण के लिए एक सामान्य विकल्प है।
जब समय की आवश्यकता विशिष्ट होती है, तो 74LS93 को इन आवश्यकताओं को पूरा करने के लिए अनुकूलित किया जा सकता है।चाहे औद्योगिक समय समाधान या DIY परियोजनाओं के लिए, इसका लचीलापन यह सुनिश्चित करता है कि यह विभिन्न प्रकार के समय-संबंधित कार्यों को फिट करता है।
74LS93 एक बहुमुखी और विश्वसनीय बाइनरी काउंटर है जो डिजिटल गिनती और समय कार्यों को सरल करता है।आवृत्तियों को विभाजित करने, दालों की गिनती और ड्राइव डिस्प्ले को विभाजित करने की अपनी क्षमता के साथ, यह विभिन्न प्रकार की परियोजनाओं में मूल रूप से फिट बैठता है।चाहे आप काउंटरों का निर्माण कर रहे हों, समय का प्रबंधन कर रहे हों, या आवृत्ति डिवाइडर बना रहे हों, 74LS93 एक कुशल और सीधा समाधान प्रदान करता है।इसका लचीलापन और उपयोग में आसानी इसे कई अनुप्रयोगों के लिए एक व्यावहारिक विकल्प बनाती है।
कृपया एक जांच भेजें, हम तुरंत जवाब देंगे।
नहीं, 74LS93 को एक अप-काउंटर के रूप में डिज़ाइन किया गया है, जिसका अर्थ केवल है बाइनरी प्रारूप में ऊपर की ओर गिना जाता है।इसकी क्षमता नहीं है उल्टा या घटाव मूल्यों में गणना करें।
74LS93 का उपयोग करने और बाहरी की आवश्यकता को कम करने के लिए सुविधाजनक है वायरिंग, यह परियोजनाओं में एकीकृत करने के लिए सरल बनाता है।हालांकि, एक सीमा यह है कि इसके फ्लिप-फ्लॉप पूर्व निर्धारित नहीं हो सकते हैं, इसलिए गिनती हमेशा शून्य से शुरू होता है, और आप एक अलग से गिनती शुरू नहीं कर सकते संख्या।
74LS93 में चार jk फ्लिप-फ्लॉप होते हैं जो इनपुट दालों का जवाब देते हैं, चाहे वे एक माइक्रोकंट्रोलर या टाइमर आईसी से आते हैं।इसमें दो हैं पिन, दो घड़ी इनपुट और चार आउटपुट पिन रीसेट करें, इसे गिनने में सक्षम करें घड़ी दालों के जवाब में बाइनरी संख्या प्रभावी रूप से।
74LS93 एक आवृत्ति विभक्त और एक काउंटर के रूप में कार्य करता है।यह है आमतौर पर समय में देरी बनाने या गिनती कार्यों को प्रबंधित करने के लिए उपयोग किया जाता है सर्किट।यह आईसी उन अनुप्रयोगों में विशेष रूप से सहायक है जहां विभाजित हो रहा है 2, 8, या 16 तक आवश्यक है।
74LS93N एक 4-बिट बाइनरी काउंटर है जो चार मास्टर-स्लेव जेके का उपयोग करता है फ्लिप फ्लॉप।यह एक विभाजन-दर-आठ गिनती तंत्र का समर्थन करता है, जो है अपने घड़ी इनपुट पर उच्च से निम्न तक एक संक्रमण द्वारा ट्रिगर किया गया।प्रत्येक अपने इनपुट पिन पर लागू क्लॉक पल्स एक कदम से गिनती को आगे बढ़ाता है।
2024/11/29 पर
2024/11/29 पर
8000/04/18 पर 147757
2000/04/18 पर 111935
1600/04/18 पर 111349
0400/04/18 पर 83719
1970/01/1 पर 79508
1970/01/1 पर 66901
1970/01/1 पर 63021
1970/01/1 पर 63010
1970/01/1 पर 54081
1970/01/1 पर 52121