औद्योगिक और वाणिज्यिक क्षेत्रों में, तीन-चरण ट्रांसफार्मर विद्युत शक्ति के प्रभावी संचरण और वितरण के लिए एक भूमिका निभाते हैं।तीन एकल-चरण ट्रांसफार्मर को एक इकाई में मिलाकर, वे लागत, आकार और वजन को कम करते हैं।ये ट्रांसफार्मर उच्च और निम्न वोल्टेज वाइंडिंग के बीच विद्युत ऊर्जा का वितरण भी सुनिश्चित करते हैं, भले ही उनके निर्माण प्रकार की परवाह किए बिना।यह लेख उनके निर्माण, संचालन और कनेक्शन कॉन्फ़िगरेशन की व्याख्या करता है, जिससे आपको उनकी कार्यक्षमता और अनुप्रयोगों को समझने में मदद मिलती है।यह कोर-प्रकार और शेल-प्रकार के डिजाइनों के साथ शुरू होता है, जो चुंबकीय प्रवाह का प्रबंधन करते हैं और ऊर्जा हानि को कम करते हैं।इसमें स्कॉट और ज़िग-ज़ैग जैसे विशेष कनेक्शनों के साथ-साथ डेल्टा/डेल्टा, डेल्टा/वाई, वाई/डेल्टा, और वाई/वाई जैसे परिचालन सिद्धांत, चुंबकीय फ्लक्स संतुलन और कनेक्शन प्रकार भी शामिल हैं।सूखे-प्रकार और तरल-भरे ट्रांसफार्मर के बीच उदाहरण और तुलना इष्टतम प्रदर्शन और विश्वसनीयता के लिए सही ट्रांसफार्मर चुनने में मदद करने के लिए प्रदान की जाती है।

चित्र 1: तीन चरण ट्रांसफार्मर निर्माण
वे तीन एकल-चरण ट्रांसफार्मर को एक में जोड़ते हैं, जिससे पैसे, स्थान और वजन की बचत होती है।कोर में तीन चुंबकीय सर्किट होते हैं जो उच्च और निम्न वोल्टेज भागों के बीच चुंबकीय प्रवाह को संतुलित करते हैं।यह डिज़ाइन तीन-चरण शेल-टाइप ट्रांसफॉर्मर से अलग है, जो तीन कोर को एक साथ समूहित करता है, लेकिन उन्हें मर्ज नहीं करता है।यह एकल-चरण प्रणालियों की तुलना में सिस्टम को अधिक कुशल और विश्वसनीय बनाता है।
तीन-चरण ट्रांसफार्मर के लिए एक सामान्य डिजाइन तीन-लिम्ब कोर-प्रकार है।प्रत्येक अंग अपने स्वयं के चुंबकीय प्रवाह का समर्थन करता है और दूसरों के लिए एक वापसी पथ के रूप में कार्य करता है, तीन प्रवाह बनाता है जो प्रत्येक 120 डिग्री चरण से बाहर हैं।यह चरण अंतर चुंबकीय प्रवाह के आकार को लगभग साइनसोइडल रखता है, जो एक स्थिर आउटपुट वोल्टेज सुनिश्चित करता है, विकृतियों और नुकसान को कम करता है, और प्रदर्शन और जीवनकाल में सुधार करता है।यह सरल और प्रभावी डिजाइन मानक उपयोगों के लिए लोकप्रिय है।

चित्र 2: कोर प्रकार
तीन-चरण ट्रांसफार्मर के लिए कोर प्रकार के निर्माण में, डिजाइन तीन मुख्य कोर पर केंद्रित है, प्रत्येक को दो योक के साथ जोड़ा गया है।यह संरचना प्रभावी रूप से चुंबकीय प्रवाह को वितरित करती है।प्रत्येक कोर प्राथमिक और द्वितीयक वाइंडिंग का समर्थन करता है, जो कोर पैरों के चारों ओर एक सर्पिल में कुंडलित होते हैं।यह सेटअप यह सुनिश्चित करता है कि प्रत्येक पैर उच्च वोल्टेज (एचवी) और कम वोल्टेज (एलवी) वाइंडिंग दोनों को वहन करता है, जो विद्युत भार और चुंबकीय प्रवाह वितरण को संतुलित करता है।
कोर टाइप ट्रांसफॉर्मर की एक और विशेषता एडी वर्तमान घाटे को कम कर रही है।एक बदलते चुंबकीय क्षेत्र द्वारा कंडक्टरों के भीतर प्रेरित एडी धाराएं, ऊर्जा हानि का कारण बन सकती हैं और दक्षता को कम कर सकती हैं।इन नुकसान को कम करने के लिए, कोर टुकड़े टुकड़े में है।इसमें चुंबकीय सामग्री की पतली परतों को ढेर करना शामिल है, प्रत्येक दूसरों से अछूता है, एड़ी धाराओं को सीमित करने और उनके प्रभाव को कम करने के लिए।
वाइंडिंग की स्थिति एक और डिजाइन पहलू है।कम वोल्टेज वाइंडिंग कोर के करीब रखा जाता है।यह प्लेसमेंट इन्सुलेशन और कूलिंग को सरल बनाता है, क्योंकि एलवी वाइंडिंग कम वोल्टेज पर काम करते हैं, कम इन्सुलेशन की आवश्यकता होती है।इन्सुलेशन और तेल नलिकाओं को एलवी वाइंडिंग और कोर के बीच कूलिंग को बढ़ाने और ओवरहीटिंग को रोकने के लिए पेश किया जाता है, जिससे ट्रांसफार्मर की दीर्घायु सुनिश्चित होती है।
उच्च वोल्टेज वाइंडिंग को एलवी वाइंडिंग के ऊपर रखा जाता है, जो तेल नलिकाओं के साथ भी अछूता और फैलाया जाता है।ये तेल नलिकाएं उच्च वोल्टेज के तहत इन्सुलेशन प्रणाली की प्रभावशीलता को ठंडा करने और बनाए रखने के लिए सबसे अच्छे हैं।वाइंडिंग और लेमिनेटेड कोर की यह विस्तृत व्यवस्था कोर प्रकार के ट्रांसफार्मर को न्यूनतम ऊर्जा हानि और उच्च स्थिरता के साथ उच्च वोल्टेज को कुशलता से संभालने की अनुमति देता है।ये डिज़ाइन सिद्धांत कुशल चुंबकीय प्रवाह प्रबंधन और उच्च वोल्टेज संचालन की आवश्यकता वाले अनुप्रयोगों के लिए कोर प्रकार ट्रांसफॉर्मर आदर्श बनाते हैं।
शेल टाइप ट्रांसफॉर्मर तीन-चरण ट्रांसफार्मर निर्माण के लिए एक अलग दृष्टिकोण प्रदान करते हैं, जो एक अद्वितीय डिजाइन और परिचालन लाभों की विशेषता है।इस डिज़ाइन में कोर टाइप ट्रांसफॉर्मर के विपरीत, तीन-चरण इकाई बनाने के लिए तीन व्यक्तिगत एकल-चरण ट्रांसफार्मर को स्टैकिंग करना शामिल है, जहां चरण अन्योन्याश्रित हैं।शेल प्रकार ट्रांसफार्मर में, प्रत्येक चरण का अपना चुंबकीय सर्किट होता है और स्वतंत्र रूप से संचालित होता है।स्वतंत्र चुंबकीय सर्किट एक दूसरे के समानांतर व्यवस्थित होते हैं, यह सुनिश्चित करते हुए कि चुंबकीय प्रवाह चरण में हैं, लेकिन एक दूसरे के साथ हस्तक्षेप नहीं करते हैं।यह पृथक्करण ट्रांसफार्मर की स्थिरता और सुसंगत प्रदर्शन में बहुत योगदान देता है।

चित्रा 3: शेल प्रकार
शेल प्रकार ट्रांसफॉर्मर का लाभ तरंग विकृति को कम कर दिया जाता है।प्रत्येक चरण का स्वतंत्र संचालन क्लीनर और अधिक स्थिर वोल्टेज तरंगों में होता है, जो कोर प्रकार ट्रांसफार्मर की तुलना में अधिक स्थिर वोल्टेज तरंग होता है।यह उन अनुप्रयोगों में महत्वपूर्ण है जहां वोल्टेज की गुणवत्ता से समझौता किया जाता है, जैसे कि संवेदनशील औद्योगिक और वाणिज्यिक प्रणालियों में जहां विकृति से उपकरण की खराबी हो सकती है।
शेल प्रकार ट्रांसफॉर्मर भी कुशल हैं।प्रत्येक चरण को अपनी विशिष्ट लोड स्थितियों के लिए स्वतंत्र रूप से अनुकूलित किया जा सकता है, विश्वसनीयता और दक्षता को बढ़ाता है।कम तरंग विरूपण हार्मोनिक नुकसान को कम करता है, जिससे ट्रांसफार्मर की दक्षता और जीवनकाल में सुधार होता है।
कोर प्रकार और शेल प्रकार ट्रांसफॉर्मर दोनों का निर्माण और संचालन इंजीनियरों और तकनीशियनों को अपने विद्युत प्रणालियों के लिए सही ट्रांसफार्मर चुनने में मदद करता है।चाहे उच्च वोल्टेज को संभालने, ऊर्जा के नुकसान को कम करने, या स्थिर वोल्टेज आपूर्ति सुनिश्चित करने के लिए आवश्यकता है, उपयुक्त ट्रांसफार्मर प्रकार का चयन करना इष्टतम प्रदर्शन सुनिश्चित करता है।

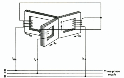
चित्र 4: तीन चरण ट्रांसफार्मर का काम करना
120 डिग्री के अलावा तीन कोर को तीन-चरण ट्रांसफार्मर में उपयोग किया जाता है ताकि प्राथमिक वाइंडिंग द्वारा उत्पन्न चुंबकीय प्रवाह के प्रभावी बातचीत की गारंटी दी जा सके।ट्रांसफार्मर का कोर प्राथमिक वाइंडिंग में धाराओं IR, IY और IB द्वारा उत्पन्न चुंबकीय प्रवाह को संभालता है।ये धाराएं चुंबकीय फ्लक्स ɸr, ɸy, और ɸb बनाती हैं।तीन-चरण बिजली की आपूर्ति से जुड़ा, ये धाराएं कोर में चुंबकीय प्रवाह को प्रेरित करती हैं।
एक संतुलित प्रणाली में, तीन-चरण धाराओं (ir + iy + ib) का योग शून्य है, जिससे केंद्र पैर में शून्य संयुक्त चुंबकीय प्रवाह (ɸr + ɸy + ɸb) होता है।इस प्रकार, ट्रांसफार्मर केंद्र पैर के बिना कार्य कर सकता है, क्योंकि अन्य पैर स्वतंत्र रूप से प्रवाह को संभालते हैं।तीन-चरण ट्रांसफार्मर तीन चरणों में समान रूप से बिजली वितरित करते हैं, ऊर्जा हानि को कम करते हैं और बिजली की आपूर्ति स्थिरता को बढ़ाते हैं।कुशल ट्रांसफार्मर संचालन के लिए आवश्यक कोर संरचना में फ्लक्स बैलेंस।तीन-चरण ट्रांसफार्मर के मूल के भीतर चुंबकीय प्रवाह का वितरण कार्य करने के लिए इसके लिए संतुलित होना चाहिए।कोर के 120-डिग्री प्लेसमेंट और धाराओं का सटीक प्रेरण कुशल संचालन सुनिश्चित करता है।
विभिन्न आवश्यकताओं को पूरा करने के लिए, तीन-चरण ट्रांसफार्मर वाइंडिंग्स को विभिन्न तरीकों से जोड़ा जा सकता है।"स्टार" (WYE), "डेल्टा" (मेष), और "इंटरकनेक्टेड-स्टार" (ZIG-ZAG) तीन प्राथमिक प्रकार के कनेक्शन हैं।संयोजनों में आवेदन के आधार पर माध्यमिक स्टार-कनेक्टेड, या इसके विपरीत के साथ प्राथमिक डेल्टा-जुड़े शामिल हो सकते हैं।

चित्र 5: तीन-चरण ट्रांसफार्मर कनेक्शन
डेल्टा/डेल्टा कनेक्शन का व्यापक रूप से उपयोग किया जाता है जब एक एकल माध्यमिक वोल्टेज की आवश्यकता होती है या जब प्राथमिक लोड में मुख्य रूप से तीन-चरण उपकरण होते हैं।यह सेटअप औद्योगिक सेटिंग्स में सामान्य है जिसमें बड़े तीन-चरण मोटर लोड 480 V या 240 V पर संचालित होते हैं, और न्यूनतम 120 V प्रकाश और रिसेप्टेक की जरूरतों के साथ।प्राथमिक और द्वितीयक वाइंडिंग के बीच का अनुपात आवश्यक वोल्टेज के साथ संरेखित करता है, जिससे यह सेटअप विभिन्न वोल्टेज परिवर्तनों के लिए कम उपयुक्त हो जाता है।

चित्र 6: डेल्टा/डेल्टा ट्रांसफार्मर के लिए प्रतीक

चित्रा 7: डेल्टा/डेल्टा ट्रांसफार्मर के लिए कनेक्शन आरेख
डेल्टा/डेल्टा कनेक्शन कई फायदे प्रदान करता है।एक लाभ कम चरण वर्तमान है, जो लाइन करंट का केवल 57.8% है।यह कमी तीन-चरण लोड की आपूर्ति करने वाले लाइन कंडक्टरों की तुलना में प्रत्येक एकल-चरण ट्रांसफार्मर के लिए छोटे कंडक्टरों के लिए अनुमति देती है, सामग्री की लागत को कम करने और सिस्टम को सरल बनाने के लिए।इसके अतिरिक्त, हार्मोनिक धाराओं को रद्द कर दिया जाता है, जिससे प्राथमिक और माध्यमिक सर्किट के बीच विद्युत शोर को अलग करने के लिए ट्रांसफार्मर की क्षमता में सुधार होता है।यह लोड सर्ज के दौरान न्यूनतम उतार -चढ़ाव के साथ एक स्थिर माध्यमिक वोल्टेज में परिणाम करता है।यदि एक एकल-चरण ट्रांसफार्मर विफल हो जाता है, तो सिस्टम अभी भी एक खुले डेल्टा कॉन्फ़िगरेशन के माध्यम से तीन-चरण वोल्टेज वितरित कर सकता है, यद्यपि 58%की कम क्षमता पर।
इन लाभों के बावजूद, डेल्टा/डेल्टा कनेक्शन में उल्लेखनीय कमियां हैं।यह केवल एक माध्यमिक वोल्टेज प्रदान करता है, जिसे विभिन्न वोल्टेज आवश्यकताओं के लिए अतिरिक्त ट्रांसफार्मर की आवश्यकता हो सकती है, सिस्टम जटिलता और लागत में वृद्धि हो सकती है।प्राथमिक घुमावदार कंडक्टरों को पूर्ण प्राथमिक वोल्टेज के लिए अछूता होना चाहिए, उच्च-वोल्टेज अनुप्रयोगों के लिए अतिरिक्त इन्सुलेशन की आवश्यकता होती है।एक और नुकसान द्वितीयक पक्ष पर एक सामान्य जमीनी बिंदु की कमी है, जिससे उच्च वोल्टेज जमीन तक हो सकता है, सुरक्षा जोखिम और संभावित उपकरणों को नुकसान पहुंचा सकता है।
डेल्टा/WYE कनेक्शन एक सामान्य ट्रांसफार्मर सेटअप है जिसका उपयोग विभिन्न माध्यमिक वोल्टेज पर किया जाता है।यह उन प्रणालियों के लिए बहुत अच्छा है जिन्हें एक ही समय में विभिन्न वोल्टेज स्तर प्रदान करने की आवश्यकता है।उदाहरण के लिए, कारखानों और वाणिज्यिक भवनों में, अक्सर भारी मशीनरी के लिए उच्च वोल्टेज और प्रकाश और सामान्य उपयोग आउटलेट के लिए कम वोल्टेज की आवश्यकता होती है।एक विशिष्ट उपयोग में मोटर्स के लिए 208 वी और रोशनी और आउटलेट के लिए 120 वी प्रदान करना शामिल हो सकता है।डेल्टा/वाई कनेक्शन इन अलग -अलग वोल्टेज की जरूरतों को अच्छी तरह से संभाल सकता है।
इस सेटअप में, प्राथमिक घुमावदार एक डेल्टा (and) आकार में है, और द्वितीयक वाइंडिंग एक Wye (y) आकार में है।प्राथमिक पक्ष पर डेल्टा कनेक्शन उच्च शक्ति भार को संभालने के लिए अच्छा है, एक मजबूत और स्थिर बिजली की आपूर्ति देता है।यह बड़े मोटर्स और भारी उपकरणों के साथ औद्योगिक सेटिंग्स में उपयोगी है।डेल्टा व्यवस्था कुछ प्रकार के विद्युत शोर को कम करने में भी मदद करती है, जिससे जुड़े उपकरणों को एक क्लीनर बिजली की आपूर्ति सुनिश्चित होती है।

चित्र 8: डेल्टा/वाई ट्रांसफार्मर के लिए प्रतीक

चित्र 9: डेल्टा/WYE ट्रांसफार्मर के लिए कनेक्शन आरेख
WYE कनेक्शन सेकेंडरी लाइन वोल्टेज को प्रत्येक एकल-चरण ट्रांसफार्मर के प्राथमिक और माध्यमिक वाइंडिंग पर समान संख्या के साथ 1.73 गुना अधिक होने की अनुमति देता है, जो स्टेप-अप ट्रांसफार्मर अनुप्रयोगों के लिए फायदेमंद है।द्वितीयक वाइंडिंग को कम इन्सुलेशन की आवश्यकता होती है क्योंकि उन्हें पूर्ण माध्यमिक लाइन वोल्टेज के लिए अछूता होने की आवश्यकता नहीं होती है।माध्यमिक पक्ष पर कई वोल्टेज की उपलब्धता 208 वी लाइन वोल्टेज के साथ तीन-चरण प्रणाली में 120 वी लोड की आपूर्ति करने के लिए अतिरिक्त ट्रांसफार्मर की आवश्यकता को समाप्त कर सकती है।लाभ प्रणाली को जमीन पर जमीन पर सीमित करने और माध्यमिक-चरण वोल्टेज को पार करने से रोकने के लिए वोल्टेज क्षमता को सीमित करने के लिए द्वितीयक पक्ष पर एक सामान्य बिंदु की उपस्थिति है।
हालाँकि, डेल्टा/WYE कनेक्शन के अपने नुकसान हैं।प्राथमिक वाइंडिंग को पूर्ण तीन-चरण लाइन वोल्टेज के लिए अछूता होना चाहिए, अतिरिक्त इन्सुलेशन की आवश्यकता होती है, विशेष रूप से उच्च-वोल्टेज स्टेप-डाउन अनुप्रयोगों के लिए।माध्यमिक WYE कनेक्शन हार्मोनिक धाराओं को रद्द नहीं करता है, जिससे ट्रांसफार्मर की स्थिरता और दक्षता को प्रभावित किया जाता है।द्वितीयक वाइंडिंग को पूरे तीन-चरण लाइन को करंट ले जाना है, जिसका अर्थ है कि उन्हें एक ही क्षमता वाले डेल्टा सिस्टम की तुलना में बड़ा होना चाहिए।
Y/of ट्रांसफॉर्मर कनेक्शन, जिसे WYE/DELTA कनेक्शन भी कहा जाता है, विद्युत शक्ति प्रणालियों में एक सामान्य सेटअप है।यह तब उपयोगी होता है जब आपको एकल माध्यमिक वोल्टेज की आवश्यकता होती है या जब मुख्य लोड औद्योगिक मोटर्स और भारी मशीनों जैसे तीन-चरण उपकरण होता है।इस सेटअप का उपयोग अक्सर स्टेप-डाउन ट्रांसफार्मर में उच्च प्राथमिक वोल्टेज को कम करने के लिए सुरक्षित और अधिक कुशल निचले माध्यमिक वोल्टेज के लिए किया जाता है।
इस संबंध में, प्राथमिक वाइंडिंग को एक Wye (y) आकार में व्यवस्थित किया जाता है, प्रत्येक घुमावदार एक सामान्य तटस्थ बिंदु से जुड़ा होता है, जो आमतौर पर ग्राउंडेड होता है।द्वितीयक वाइंडिंग को एक डेल्टा (example) आकार में व्यवस्थित किया जाता है, जिससे एक लूप बनता है।चरण संबंधों और वोल्टेज का स्तर स्थिर हो जाता है जबकि तीन-चरण शक्ति इस सेटअप की सहायता से बदल जाती है।

चित्र 10: WYE/डेल्टा ट्रांसफार्मर के लिए प्रतीक

चित्र 11: WYE/डेल्टा ट्रांसफार्मर के लिए कनेक्शन आरेख
एक माध्यमिक लाइन वोल्टेज में टर्न अनुपात का परिणाम होता है जो कि WYE कनेक्शन के कारण 1.73 (या 57.8%) के कारक द्वारा कम हो जाता है, जिससे यह स्टेप-डाउन ट्रांसफार्मर अनुप्रयोगों के लिए फायदेमंद हो जाता है।यह सुनिश्चित करता है कि माध्यमिक हार्मोनिक धाराएं रद्द कर देती हैं, जो प्राथमिक और माध्यमिक सर्किट के बीच उत्कृष्ट शोर अलगाव प्रदान करती है।प्राथमिक वाइंडिंग को पूर्ण तीन-चरण लाइन वोल्टेज के लिए अछूता होने की आवश्यकता नहीं है, उच्च वोल्टेज से नीचे कदम रखते समय संभावित रूप से इन्सुलेशन आवश्यकताओं को कम करना।एकल-चरण ट्रांसफार्मर विफलता की स्थिति में एक खुले डेल्टा प्रणाली का उपयोग करके तीन-चरण शक्ति अभी भी वितरित की जा सकती है, लेकिन 58% कम क्षमता पर।
WYE/DELTA कनेक्शन के अपने नुकसान हैं।डेल्टा/डेल्टा कनेक्शन की तरह, यह केवल एक एकल माध्यमिक वोल्टेज प्रदान करता है, जिसमें प्रकाश व्यवस्था और रिसेप्टेक लोड की आपूर्ति के लिए अतिरिक्त ट्रांसफार्मर की आवश्यकता होती है।द्वितीयक पक्ष पर कोई सामान्य जमीनी बिंदु नहीं है, जिससे उच्च वोल्टेज जमीन पर पहुंचते हैं।प्राथमिक घुमावदार कंडक्टरों को पूर्ण तीन-चरण लाइन वर्तमान को ले जाना चाहिए, एक ही क्षमता के डेल्टा से जुड़े प्राथमिक की तुलना में बड़े कंडक्टर की आवश्यकता होती है।अंत में, WYE प्राथमिक वाइंडिंग के सामान्य बिंदु को असंतुलित भार के साथ वोल्टेज में उतार -चढ़ाव से बचने के लिए तटस्थ सिस्टम से जोड़ा जाना चाहिए।
WYE/WYE ट्रांसफार्मर कनेक्शन का उपयोग शायद ही कभी इसके शोर हस्तांतरण, हार्मोनिक विरूपण, संचार हस्तक्षेप और चरण वोल्टेज अस्थिरता के कारण किया जाता है।Wye/Wye सेटअप में, प्राथमिक और माध्यमिक दोनों के तटस्थ बिंदुओं को जमीन पर रखा जाता है।जबकि यह ग्राउंडिंग एक संदर्भ बिंदु प्रदान करता है और संतुलन भार में मदद कर सकता है, यह शोर को प्राथमिक और माध्यमिक सर्किट के बीच स्थानांतरित करने की अनुमति देता है।इसका मतलब है कि एक तरफ कोई भी विद्युत शोर आसानी से दूसरे में जा सकता है, संवेदनशील इलेक्ट्रॉनिक उपकरणों को नुकसान पहुंचाता है और अक्षमताओं का कारण बन सकता है।
Wye/Wye कनेक्शन हार्मोनिक्स से ग्रस्त हैं, जो अवांछित आवृत्तियों हैं जो विद्युत धाराओं और वोल्टेज को विकृत करते हैं।हार्मोनिक्स रेक्टिफायर और वैरिएबल फ्रीक्वेंसी ड्राइव जैसे गैर-रैखिक भार से आ सकते हैं।डेल्टा/WYE जैसे अन्य कॉन्फ़िगरेशन के विपरीत, WYE/WYE ट्रांसफार्मर इन हार्मोनिक्स को प्रभावी ढंग से रद्द नहीं करते हैं।

चित्र 12: Wye/Wye ट्रांसफार्मर के लिए प्रतीक

चित्र 13: WYE/WYE ट्रांसफार्मर के लिए कनेक्शन आरेख
• असंतुलित भार के प्रति संवेदनशील, जिससे वाइंडिंग में असंतुलित धाराएं पैदा होती हैं, जिससे ओवरहीटिंग और कम दक्षता हो सकती है।
• तटस्थ धाराओं का प्रसार हो सकता है, विशेष रूप से असंतुलित भार के साथ, अतिरिक्त सुरक्षा उपायों की आवश्यकता होती है।
• एक WYE/WYE ट्रांसफार्मर को ग्राउंड करना अन्य कॉन्फ़िगरेशन की तुलना में अधिक जटिल है, जिसके परिणामस्वरूप ग्राउंड लूप और सुरक्षा खतरे हैं।
• गैर-रेखीय भार द्वारा उत्पन्न हार्मोनिक धाराओं से वोल्टेज विरूपण संवेदनशील उपकरणों के प्रदर्शन को प्रभावित कर सकता है और अतिरिक्त फ़िल्टरिंग या शमन उपायों की आवश्यकता हो सकती है।
• WYE/WYE ट्रांसफार्मर को लागू करना कनेक्शन की जटिलता और असंतुलित भार और तटस्थ धाराओं जैसे मुद्दों को संबोधित करने के लिए शामिल अतिरिक्त उपायों के कारण अधिक महंगा हो सकता है।

चित्र 14: डेल्टा या वी-वी कनेक्शन खोलें
एक खुले डेल्टा कनेक्शन में दो एकल-चरण ट्रांसफार्मर का उपयोग किया जाता है।यह सेटअप तब उपयोगी होता है जब एक ट्रांसफार्मर टूट जाता है या रखरखाव की आवश्यकता होती है।भले ही प्रारंभिक सेटअप ने तीन ट्रांसफॉर्मर का उपयोग किया, लेकिन शेष दो अभी भी तीन-चरण शक्ति प्रदान कर सकते हैं लेकिन 58%की कम क्षमता पर।
इस व्यवस्था में, दो ट्रांसफॉर्मर के प्राथमिक वाइंडिंग एक डेल्टा में एक पैर खुले के साथ जुड़े हुए हैं।चरण वोल्टेज VAB और VBC का उत्पादन दो ट्रांसफॉर्मर के माध्यमिक वाइंडिंग में किया जाता है, जबकि VCA अन्य दो ट्रांसफॉर्मर के माध्यमिक वोल्टेज से बनाया जाता है।इस तरह, तीन-चरण बिजली की आपूर्ति तीन के बजाय सिर्फ दो ट्रांसफॉर्मर के साथ काम कर सकती है।
जब आप एक संतुलित डेल्टा-डेल्टा कनेक्शन से एक खुले डेल्टा में स्विच करते हैं, तो प्रत्येक ट्रांसफार्मर को बहुत अधिक वर्तमान को संभालना पड़ता है।यह वृद्धि सामान्य राशि से लगभग 1.73 गुना है, जो ट्रांसफार्मर को उनकी सामान्य क्षमता से 73.2% अधिक से अधिक बढ़ा सकती है।रखरखाव के दौरान ओवरहीटिंग और क्षति को रोकने के लिए, आपको 1.73 के समान कारक द्वारा लोड को कम करना चाहिए।
यदि एक चरण के बाहर जाने की उम्मीद है, तो खुले डेल्टा कनेक्शन का उपयोग ट्रांसफॉर्मर पर काम करते समय चीजों को चलाने के लिए किया जा सकता है।

चित्र 15: स्कॉट कनेक्शन
90 ° चरण शिफ्ट के साथ दो-चरण वोल्टेज बनाने के लिए, तीन-चरण ट्रांसफार्मर का स्कॉट कनेक्शन दो ट्रांसफॉर्मर का उपयोग करता है: एक में दोनों वाइंडिंग पर एक केंद्र नल होता है, और दूसरे में 86.6% नल होता है।यह सेटअप केवल दो ट्रांसफॉर्मर के साथ एकल और तीन-चरण प्रणालियों के बीच शक्ति के रूपांतरण की अनुमति देता है।
दो ट्रांसफॉर्मर चुंबकीय रूप से अलग हैं लेकिन विद्युत रूप से जुड़े हुए हैं।सहायक ट्रांसफार्मर 30 ° चरण शिफ्ट के साथ समानांतर में जोड़ता है, जबकि मुख्य ट्रांसफार्मर अपने प्राथमिक घुमावदार पर तीन-चरण आपूर्ति वोल्टेज प्राप्त करता है।एकल-चरण भार के लिए, वाइंडिंग द्वितीयक पक्ष पर समानांतर में जुड़े हुए हैं।स्रोत वोल्टेज एकल-चरण को तीन-चरण में बदलने के लिए संयुक्त सेकंडरीज़ में जाता है, जिससे एक संतुलित तीन-चरण आउटपुट मिलता है।
ट्रांसफार्मर कोर को अलग रखने से, यह चुंबकीय पृथक्करण दो ट्रांसफॉर्मर को ओवरलोडिंग के बिना तीन-चरण बिजली के लिए आवश्यक तीसरे चरण वोल्टेज बनाने की अनुमति देता है।कम भागों के साथ एकल-चरण या तीन-चरण में एकल-चरण वोल्टेज में एकल-चरण को बदलने के लिए, स्कॉट कनेक्शन एक लागत प्रभावी विकल्प है।स्कॉट कनेक्शन का उपयोग अक्सर तीन-चरण प्रणालियों को दो-चरण प्रणालियों में बदलने के लिए किया जाता है।
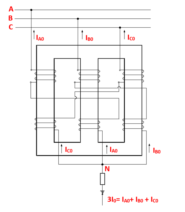
ZIG-ZAG ट्रांसफार्मर कनेक्शन में प्रत्येक चरण को दो समान हिस्सों में विभाजित करना शामिल है, जिसमें एक कोर पर पहली छमाही और दूसरी छमाही दूसरे कोर पर है।यह पैटर्न प्रत्येक चरण के लिए दोहराता है, जिसके परिणामस्वरूप प्रत्येक अंग पर दो चरणों के कुछ हिस्से होते हैं, जिसमें प्रत्येक अंग पर एक घुमावदार होता है जो समापन बिंदु पर जुड़ा होता है।
जब संतुलित वोल्टेज लागू किए जाते हैं, तो सिस्टम निष्क्रिय रहता है, प्रेरित वोल्टेज एक -दूसरे को रद्द करने के साथ, ट्रांसफार्मर को सकारात्मक और नकारात्मक अनुक्रम वोल्टेज के लिए एक उच्च प्रतिबाधा के रूप में स्थापित करता है।असंतुलित राज्यों के दौरान, जैसे कि जमीनी दोष, वाइंडिंग्स शून्य अनुक्रम धाराओं के लिए एक कम प्रतिबाधा पथ प्रदान करते हैं, वर्तमान को समान रूप से तीन में विभाजित करते हैं और इसे संबंधित चरणों में वापस करते हैं।प्रतिबाधा को अधिकतम ग्राउंड-फॉल्ट करंट सेट करने के लिए समायोजित किया जा सकता है, या ट्रांसफार्मर का उपयोग एक मध्यम-वोल्टेज सिस्टम में एक सुसंगत मूल्य बनाए रखने के लिए एक ग्राउंड रेसिस्टर के साथ किया जा सकता है।

चित्र 16: ZIG-ZAG तीन-चरण कनेक्शन
तीन-चरण ट्रांसफार्मर दो मुख्य श्रेणियों में आते हैं: ड्राई-टाइप ट्रांसफॉर्मर और तरल-भरे ट्रांसफॉर्मर।प्रत्येक प्रकार में उनके शीतलन विधियों और निर्माण के आधार पर अद्वितीय विशेषताएं होती हैं।

चित्र 17: ड्राई-टाइप ट्रांसफार्मर
शुष्क-प्रकार के ट्रांसफॉर्मर कूलिंग के लिए हवा का उपयोग करते हैं।वे खुले फ्रेम ट्रांसफार्मर और कास्ट-रेजिन कॉइल ट्रांसफॉर्मर में विभाजित हैं।
ओपन फ्रेम ट्रांसफार्मर: ओपन फ्रेम ट्रांसफार्मर ने रेजिन-संसेचन कोर और कॉइल को उजागर किया है और संलग्न स्थानों के लिए डिज़ाइन किए गए हैं।वे आम तौर पर 1000V तक वोल्टेज को संभालते हैं और 500 केवीए तक की शक्ति रखते हैं।उनका डिज़ाइन कुशल शीतलन की अनुमति देता है, जिससे वे ऐसे वातावरण के लिए उपयुक्त हो जाते हैं जिन्हें कम शोर और न्यूनतम रखरखाव की आवश्यकता होती है।हालांकि, उनकी उजागर प्रकृति को संदूषण से बचने के लिए एक नियंत्रित वातावरण की आवश्यकता होती है।
कास्ट-रेजिन कॉइल ट्रांसफॉर्मर: कास्ट-रेजिन कॉइल ट्रांसफॉर्मर में, प्रत्येक कॉइल को एपॉक्सी में ठोस रूप से डाला जाता है, जो बेहतर सुरक्षा और विश्वसनीयता प्रदान करता है।वे 36.0 केवी तक वोल्टेज को संभाल सकते हैं और 40 एमवीए तक की शक्ति कर सकते हैं।एपॉक्सी एनकैप्सुलेशन उत्कृष्ट इन्सुलेशन, यांत्रिक शक्ति और नमी और दूषित पदार्थों के प्रतिरोध प्रदान करता है।यह उन्हें औद्योगिक और बाहरी सेटिंग्स के लिए आदर्श बनाता है।

चित्रा 18: तरल-भरा ट्रांसफार्मर
तरल से भरे ट्रांसफार्मर वैक्यूम-सील मेटल कंटेनरों के अंदर खनिज तेल में डूबे हुए हैं।तेल एक शीतलन और इन्सुलेट माध्यम के रूप में कार्य करता है।ये ट्रांसफॉर्मर उच्च शक्ति और वोल्टेज अनुप्रयोगों के लिए उपयुक्त हैं, जिनमें 6.0 kV से 1,500 kV तक और 1000+ mva तक की शक्ति होती है।खनिज तेल बेहतर शीतलन दक्षता और इन्सुलेशन प्रदान करता है, जो उन्हें उच्च-मांग वाले औद्योगिक और उपयोगिता अनुप्रयोगों के लिए आदर्श बनाता है।
वैक्यूम-सील वाले कंटेनर पर्यावरणीय कारकों से घटकों की रक्षा करते हैं, जिससे स्थायित्व और विश्वसनीयता सुनिश्चित होती है।उच्च भार को संभालने और स्थिर प्रदर्शन को बनाए रखने की क्षमता के कारण तरल से भरे ट्रांसफार्मर को बड़े पैमाने पर बिजली वितरण के लिए पसंद किया जाता है।चीजों को सुचारू रूप से चलाने और ओवरहीटिंग से बचने के लिए, गर्मी को तेल के विसर्जन के माध्यम से पर्याप्त रूप से विघटित किया जाना चाहिए।
तीन-चरण ट्रांसफार्मर निर्माण, चाहे कोर-प्रकार या शेल-प्रकार, चुंबकीय प्रवाह के प्रबंधन पर मूल्यवान और नुकसान को कम करने पर मूल्यवान हो।कोर-टाइप ट्रांसफॉर्मर उच्च-वोल्टेज संचालन के लिए उपयुक्त हैं, जबकि शेल-टाइप ट्रांसफॉर्मर बेहतर तरंग स्थिरता और दक्षता प्रदान करते हैं।उनके परिचालन सिद्धांत, जिसमें संतुलित चुंबकीय प्रवाह वितरण और 120-डिग्री कोर प्लेसमेंट शामिल हैं, दक्षता सुनिश्चित करते हैं और ऊर्जा हानि को कम करते हैं।स्कॉट और ज़िग-ज़ैग जैसे विशिष्ट कनेक्शन, विशिष्ट अनुप्रयोगों के लिए उनकी बहुमुखी प्रतिभा को बढ़ाते हैं।सूखे-प्रकार और तरल-भरे ट्रांसफार्मर के बीच चयन शीतलन की जरूरतों, वोल्टेज के स्तर और पर्यावरणीय स्थितियों पर निर्भर करता है।विभिन्न ट्रांसफार्मर प्रकारों और कॉन्फ़िगरेशन के तकनीकी विवरण और लाभों को समझना इंजीनियरों को स्थिरता, दक्षता और दीर्घायु के लिए बिजली प्रणालियों को अनुकूलित करने में सक्षम बनाता है।
जब एक 3-चरण मोटर अपने चरणों में से एक को खो देता है, तो स्थिति को एकल चरणबद्ध के रूप में जाना जाता है।मोटर संचालन जारी रखने की कोशिश करेगी, लेकिन यह कई प्रतिकूल प्रभावों का अनुभव करेगा।सबसे पहले, मोटर कम शक्ति का उत्पादन करेगी और बढ़े हुए कंपन और शोर के साथ चलेंगी।यह शेष दो चरणों पर अधिक वर्तमान आकर्षित करेगा, जिससे मोटर वाइंडिंग को ओवरहीटिंग और संभावित नुकसान होगा।यदि इन परिस्थितियों में चल रहा है, तो मोटर को नुकसान हो सकता है, और इसका जीवनकाल कम हो जाएगा।व्यावहारिक रूप से, ऑपरेटर एक असामान्य गुनगुना ध्वनि, प्रदर्शन में कमी और संभवतः मोटर आवरण के तापमान में वृद्धि को नोटिस करेंगे।
तीन-चरण ट्रांसफॉर्मर या तो एक डेल्टा ()) या WYE (y) कॉन्फ़िगरेशन में जुड़े हुए हैं।डेल्टा कनेक्शन प्रत्येक ट्रांसफार्मर के साथ एक बंद लूप बनाता है, जो एक त्रिभुज बनाता है, जो एक त्रिभुज बनाता है।Wye कनेक्शन प्रत्येक ट्रांसफार्मर को एक सामान्य तटस्थ बिंदु से जोड़ता है, जिससे 'y' आकार बनता है।ये कॉन्फ़िगरेशन वोल्टेज स्तर, भार के वितरण और विद्युत प्रणाली में ग्राउंडिंग की विधि को प्रभावित करते हैं।
एक 3-चरण ट्रांसफार्मर में प्राथमिक पक्ष में छह टर्मिनल और द्वितीयक पक्ष पर छह होते हैं।ये टर्मिनल तीन चरणों (ए, बी, और सी) और उनके संबंधित छोरों (प्राथमिक पक्ष के लिए एच 1, एच 2, एच 3 और माध्यमिक पक्ष के लिए एक्स 1, एक्स 2, एक्स 3) के अनुरूप हैं।यदि ट्रांसफार्मर को WYE (Y) कनेक्शन में कॉन्फ़िगर किया गया है, तो प्राथमिक और माध्यमिक दोनों पक्षों पर एक तटस्थ टर्मिनल भी हो सकता है।
एक 3-चरण ट्रांसफार्मर में तीन प्राथमिक तार और तीन माध्यमिक तार होते हैं यदि डेल्टा-डेल्टा या डेल्टा-वी कॉन्फ़िगरेशन में जुड़ा हुआ है।यदि यह Wye-Wye या Wye-Delta कॉन्फ़िगरेशन में जुड़ा हुआ है, तो प्राथमिक पक्ष, माध्यमिक पक्ष, या दोनों पर एक अतिरिक्त तटस्थ तार हो सकता है।इस प्रकार, यह कॉन्फ़िगरेशन और तटस्थ कनेक्शन की उपस्थिति के आधार पर, प्रत्येक पक्ष पर तीन से चार तारों के बीच हो सकता है।
एक 3-चरण प्रणाली तीन पावर केबल का उपयोग करती है, प्रत्येक विद्युत आपूर्ति के एक चरण को ले जाती है।यदि सिस्टम में एक तटस्थ तार शामिल है, तो इसमें कुल चार केबल होंगे।उन प्रणालियों के लिए जिनमें एक पृथ्वी (जमीन) तार शामिल है, पांच केबल पूरी तरह से हो सकते हैं: तीन चरण के तार, एक तटस्थ तार और एक ग्राउंड वायर।
यदि 3-चरण ट्रांसफार्मर का एक चरण विफल हो जाता है, तो यह कई समस्याओं को जन्म दे सकता है।ट्रांसफार्मर संतुलित तीन-चरण शक्ति की आपूर्ति करने में असमर्थ होगा, जिसके परिणामस्वरूप असंतुलित भार होगा।यह स्थिति ओवरहीटिंग का कारण बन सकती है, शेष चरणों में वर्तमान में वृद्धि हुई है, और जुड़े उपकरणों को संभावित नुकसान हो सकता है।बिजली की गुणवत्ता बिगड़ जाएगी, जिससे संभावित खराबी या तीन-चरण शक्ति पर निर्भर उपकरणों की विफलता होगी।ऑपरेटरों को प्रदर्शन में गिरावट, बढ़ी हुई शोर और विद्युत प्रणाली के संभावित ओवरलोडिंग पर एक गिरावट देखी जाएगी।
सबसे आम 3-चरण कनेक्शन डेल्टा-वाई ()-वाई) कनेक्शन है।इस कॉन्फ़िगरेशन में, प्राथमिक वाइंडिंग एक डेल्टा व्यवस्था में जुड़ा हुआ है, और माध्यमिक वाइंडिंग एक WYE व्यवस्था में जुड़ा हुआ है।इस सेटअप का व्यापक रूप से उपयोग किया जाता है क्योंकि यह वोल्टेज के परिवर्तन के लिए अनुमति देता है और ग्राउंडिंग के लिए एक तटस्थ बिंदु प्रदान करता है, जो विद्युत वितरण प्रणाली में सुरक्षा और स्थिरता को बढ़ाता है।
बिजली वितरण: वे लंबी दूरी पर विद्युत शक्ति के संचरण और वितरण में मूल्यवान हैं, सुरक्षित आवासीय, वाणिज्यिक और औद्योगिक उपयोग के लिए वोल्टेज के स्तर को कम करते हैं।
औद्योगिक उपकरण: कई औद्योगिक मशीनों और मोटर ड्राइव को कुशल संचालन के लिए तीन-चरण शक्ति की आवश्यकता होती है, जिससे ये ट्रांसफार्मर औद्योगिक सेटिंग्स में अच्छा होते हैं।
एचवीएसी सिस्टम: बड़े हीटिंग, वेंटिलेशन और एयर कंडीशनिंग सिस्टम अक्सर अपने कंप्रेशर्स और मोटर्स के लिए तीन-चरण शक्ति का उपयोग करते हैं।
नवीकरणीय ऊर्जा प्रणाली: वे अक्षय ऊर्जा सेटअप, जैसे कि पवन और सौर ऊर्जा संयंत्रों में उपयोग किए जाते हैं, उत्पन्न शक्ति को कुशलता से बदलने और वितरित करने के लिए।
इलेक्ट्रिकल ग्रिड: वे सबस्टेशन और पावर ग्रिड में भूमिका निभाते हैं, उच्च ट्रांसमिशन वोल्टेज को कम वितरण स्तर तक नीचे ले जाते हैं।
कृपया एक जांच भेजें, हम तुरंत जवाब देंगे।
2024/06/29 पर
2024/06/28 पर
8000/04/18 पर 147758
2000/04/18 पर 111942
1600/04/18 पर 111349
0400/04/18 पर 83721
1970/01/1 पर 79508
1970/01/1 पर 66915
1970/01/1 पर 63065
1970/01/1 पर 63012
1970/01/1 पर 54081
1970/01/1 पर 52139