
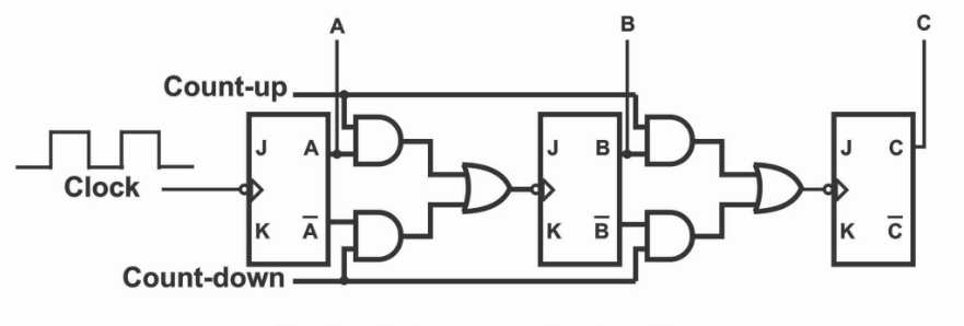
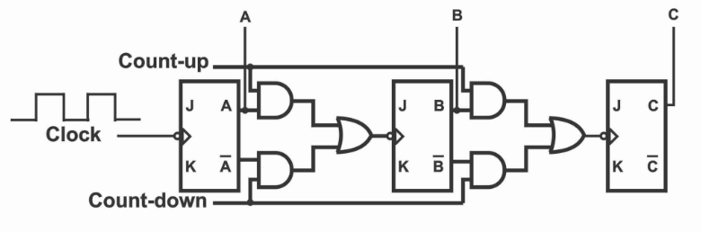
चित्र 1: ऊपर/नीचे काउंटर
एक अप/डाउन काउंटर, या द्विदिश काउंटर, एक इनपुट सिग्नल के आधार पर ऊपर और नीचे दोनों दिशाओं में संख्यात्मक मानों की निगरानी और समायोजित करता है।यह दोहरी कार्यक्षमता उन प्रणालियों में बुनियादी है जिनमें परिचालन वातावरण में परिवर्तन के लिए गतिशील रूप से प्रतिक्रिया करते हुए, गिनती बढ़ने और घटने की आवश्यकता होती है।ये काउंटर आमतौर पर शून्य पर शुरू होते हैं और जब तक वे एक पूर्व निर्धारित सीमा तक नहीं पहुंचते हैं, जो सिस्टम में एक कार्रवाई को ट्रिगर करता है।वैकल्पिक रूप से, वे एक सेट अधिकतम मूल्य पर शुरू कर सकते हैं और शून्य तक कम हो सकते हैं, कम बाउंड तक पहुंचने पर एक समान प्रतिक्रिया को सक्रिय करते हुए।

चित्र 2: TTL 74LS190 मॉडल
उदाहरण के लिए, TTL 74LS190 और 74LS191 मॉडल इस काउंटर के सामान्य संस्करण हैं।वे एक मोड इनपुट पिन की सुविधा देते हैं जो ऊपर और नीचे की गिनती के बीच स्विच करने की अनुमति देता है।यह मोड स्विच आसानी से होता है, गिनती अनुक्रम को बाधित किए बिना।

चित्र 3: 4-बिट अप/डाउन काउंटर
एक विशिष्ट 4-बिट अप/डाउन काउंटर स्पष्ट रूप से इस परिचालन लचीलेपन को दर्शाता है।जब ऊपर की ओर गिनती करने के लिए कॉन्फ़िगर किया जाता है, तो काउंटर बाइनरी वैल्यू 0000 से 1111 से चलता है, जो 4-बिट सिस्टम (दशमलव में 0 से 15) के भीतर सभी संभावित संयोजनों को कवर करता है।नीचे की ओर गिनती करने के लिए स्विच करना इस प्रक्रिया को उलट देता है, 0000 तक वापस आ जाता है। प्रत्येक संख्या के बीच परिवर्तन सटीकता के साथ होता है, एक घड़ी संकेत द्वारा नियंत्रित होता है जो सिस्टम की समय आवश्यकताओं के साथ सिंक में गिनती को चलाता है।

चित्रा 4: डी-टाइप फ्लिप-फ्लॉप
चार बिट्स में से प्रत्येक को एक किनारे-ट्रिगर सेटअप में डी-टाइप फ्लिप-फ्लॉप द्वारा नियंत्रित किया जाता है।ये फ्लिप-फ्लॉप एक श्रृंखला में एक साथ काम करते हैं, जिसमें प्रत्येक फ्लिप-फ्लॉप फीडिंग के आउटपुट के साथ अगले में होता है।सटीक गिनती सुनिश्चित करने के लिए, काउंटर प्रत्येक फ्लिप-फ्लॉप से उल्टे आउटपुट का उपयोग अपने डेटा इनपुट के लिए फीडबैक के रूप में करता है, विशेष रूप से नीचे की गिनती के दौरान।यह डिजाइन संख्याओं के बीच एक चिकनी, अनुमानित संक्रमण बनाता है।प्रत्येक फ्लिप-फ्लॉप का राज्य परिवर्तन सीधे अगले को प्रभावित करता है, जो गिनती प्रक्रिया को विश्वसनीय और अनुक्रम में रखता है।

चित्र 5: 3-बिट अप/डाउन काउंटर
3-बिट अप/डाउन काउंटर के लिए सर्किट डिज़ाइन एक कुशल सेटअप का उपयोग करता है जहां जेके फ्लिप-फ्लॉप को टी-टाइप (टॉगल) फ्लिप-फ्लॉप के रूप में पुन: कॉन्फ़िगर किया जाता है।यह संशोधन काउंटर को 0 (बाइनरी 000) से 7 (बाइनरी 111) तक गिनती के बीच सुचारू रूप से टॉगल करने और रिवर्स में नीचे गिनने की अनुमति देता है।इस डिजाइन की सादगी इसकी कार्यक्षमता और विश्वसनीयता को बढ़ाती है।
अप-काउंटिंग मोड में, अनुक्रम प्रत्येक फ्लिप-फ्लॉप से आउटपुट द्वारा नियंत्रित किया जाता है।विशेष रूप से, एक फ्लिप-फ्लॉप का 'क्यू' आउटपुट सीधे अगले फ्लिप-फ्लॉप के घड़ी इनपुट से जुड़ा हुआ है।यह सेटअप यह सुनिश्चित करता है कि प्रत्येक फ्लिप-फ्लॉप टॉगल करता है इससे पहले कि एक के जवाब में।जैसा कि घड़ी की दालों को प्राप्त होता है, काउंटर एक बार में एक कदम बढ़ाता है, 000 से शुरू होता है और क्रमिक रूप से 111 तक बढ़ता है। फ्लिप-फ्लॉप के बीच यह सीधा संबंध अप-गिनती चरण के दौरान एक चिकनी और तार्किक प्रगति सुनिश्चित करता है, प्रत्येक फ्लिप के साथ-फ्लॉप की स्थिति ने अगले एक को लाइन में बदल दिया।
जब काउंटर को गिनने के लिए सेट किया जाता है, तो तंत्र उलट जाता है।प्रत्यक्ष 'क्यू' आउटपुट का उपयोग करने के बजाय, सिस्टम प्रत्येक फ्लिप-फ्लॉप के उल्टे आउटपुट पर निर्भर करता है।ये उल्टे संकेत निम्नलिखित फ्लिप-फ्लॉप के घड़ी इनपुट में फ़ीड करते हैं, जिससे काउंटर एक नियंत्रित, अनुक्रमिक तरीके से नीचे कदम रखता है।प्रत्येक घड़ी पल्स अब बाइनरी अनुक्रम में एक गिरावट को ट्रिगर करती है, 111 से वापस 000 तक। यह विधि यह सुनिश्चित करती है कि संक्रमण व्यवस्थित रूप से बने रहें, गिनती प्रक्रिया में किसी भी व्यवधान से बचें।
अप/डाउन काउंटर का संचालन अप/डाउन इनपुट सिग्नल द्वारा नियंत्रित किया जाता है, जो सीधे गिनती की दिशा को सेट करता है।यह इनपुट यह सुनिश्चित करता है कि काउंटर या तो ऊपर या नीचे गिना जाता है, लेकिन दोनों एक ही समय में कभी नहीं।सिस्टम एक इन्वर्टर का उपयोग करके इस विशिष्टता को प्राप्त करता है, जो नियंत्रण संकेत को फ़्लिप करता है, यह सुनिश्चित करता है कि किसी भी समय केवल एक गिनती मोड सक्रिय है।
अप काउंटिंग मोड: जब काउंटर को गिनने के लिए सेट किया जाता है, तो लॉजिक गेट्स का एक विशिष्ट सेट सक्रिय होता है।ये गेट्स एक चरण-दर-चरण प्रगति के माध्यम से काउंटर का मार्गदर्शन करते हैं, जो बाइनरी 000 से शुरू होता है और 111 (या दशमलव में 0 से 7 तक) तक बढ़ता है।प्रत्येक घड़ी पल्स एक चिकनी और पूर्वानुमानित अनुक्रम को बनाए रखते हुए, अगले बाइनरी नंबर पर कूदती है।डिजाइन यह सुनिश्चित करता है कि काउंटर एक स्पष्ट और सुसंगत पैटर्न का अनुसरण करता है, जो मानक बाइनरी प्रगति नियमों का पालन करता है।
डाउन काउंटिंग मोड: नीचे गिनने के लिए काउंटर को स्विच करना सर्किटरी को नियंत्रित तरीके से अनुकूलित करने का कारण बनता है।ऊपर की ओर गिनती का प्रबंधन करने वाले तर्क गेट्स अब बंद हो गए हैं, जबकि गेट्स का एक और सेट नीचे की गिनती प्रक्रिया को संभालने के लिए लेता है।इस मोड में, सिस्टम उल्टे संकेतों पर निर्भर करता है जो फ्लिप-फ्लॉप के माध्यम से बहते हैं, जो उलटी गिनती को नियंत्रित करने के लिए जिम्मेदार हैं।जैसे -जैसे घड़ी की दालें जारी रहती हैं, काउंटर 111 से 000 तक पीछे की ओर बढ़ता है, बस आसानी से और मज़बूती से जैसा कि यह ऊपर की ओर मायने रखता है।ऑपरेशन में यह परिवर्तन दोनों दिशाओं को कुशलता से संभालने के लिए काउंटर की क्षमता को दर्शाता है।
जिस तरह से अप/डाउन काउंटर्स क्लॉक दालों के साथ बातचीत करते हैं, वह समय और अनुक्रम नियंत्रण का प्रबंधन करने की उनकी क्षमता में मूल्यवान अंतर्दृष्टि प्रदान करता है।एक अतुल्यकालिक काउंटर में, प्रत्येक घड़ी पल्स सीधे काउंटर के फ्लिप-फ्लॉप की राज्यों को प्रभावित करती है, जो गिनती की प्रक्रिया को चला रही है।
एक विशिष्ट डाउन-काउंटिंग मोड में, काउंटर 111 के द्विआधारी मूल्य पर शुरू हो सकता है (जो दशमलव में 7 के बराबर होता है)।सिस्टम प्रत्येक घड़ी पल्स के नकारात्मक किनारे पर प्रतिक्रिया करता है, जिससे पहले फ्लिप-फ्लॉप (क्यूए) का आउटपुट बदल जाता है।यह परिवर्तन तब एक कैस्केडिंग प्रभाव को ट्रिगर करता है, जहां क्यूए का आउटपुट अगले फ्लिप-फ्लॉप (क्यूबी) को प्रभावित करता है, और अंततः तीसरे फ्लिप-फ्लॉप (क्यूसी) को प्रभावित करता है।जैसा कि प्रत्येक घड़ी पल्स आता है, यह कैस्केड जारी रहता है, गिनती चरण-दर-चरण को 7 से 0 से 0 से कम करता है। प्रत्येक फ्लिप-फ्लॉप पिछले एक द्वारा अनुक्रम में प्रभावित होता है, यह सुनिश्चित करता है कि गिनती सुचारू रूप से आगे बढ़ती है और अनुमान लगाती है।
अप-काउंटिंग के दौरान, प्रक्रिया थोड़ी अलग है।यहां, प्रत्येक फ्लिप-फ्लॉप का आउटपुट लाइन में अगले फ्लिप-फ्लॉप को ट्रिगर करता है।000 (बाइनरी 0) से शुरू, प्रत्येक घड़ी पल्स ने काउंटर को बढ़ाया, जिसमें पहला फ्लिप-फ्लॉप दूसरे को ट्रिगर करता है, और दूसरा तीसरा ट्रिगर करता है।यह प्रक्रिया तब तक जारी रहती है जब तक काउंटर 111 (बाइनरी 7) तक नहीं पहुंच जाता।हर आठवीं घड़ी पल्स काउंटिंग चक्र को पूरा करती है, जिस बिंदु पर काउंटर वापस 000 पर रीसेट करता है और फिर से शुरू होता है।यह एक सुसंगत और दोहरावदार चक्र सुनिश्चित करता है जो सटीक समय को बनाए रखता है।
74193 आईसी एक बहुमुखी 4-बिट सिंक्रोनस अप/डाउन बाइनरी काउंटर है जो दोनों दिशाओं में गिनती करने में सक्षम है, जो मॉडुलो -16 तक है।यह दोहरी घड़ी इनपुट का उपयोग करता है - गिनती के लिए एक और एक गिनती के लिए एक - गिनती की दिशा पर सटीक नियंत्रण की अनुमति देने के लिए।यह डिज़ाइन यह सुनिश्चित करता है कि काउंटर का आउटपुट इनपुट क्लॉक सिग्नल के साथ परफेक्ट सिंक में रहता है, जिससे इसके संचालन में सटीकता और जवाबदेही दोनों में सुधार होता है।
74193 आईसी की एक प्रमुख विशेषता इसका मास्टर रीसेट पिन है।यह पिन तुरंत वर्तमान गणना को साफ करता है, सभी आउटपुट को शून्य पर सेट करता है।यह सिस्टम परीक्षण के दौरान या जब आपको किसी ज्ञात अवस्था में काउंटर को पुनरारंभ करने की आवश्यकता होती है, तो यह विशेष रूप से उपयोगी होता है।यह सिस्टम को पुन: कॉन्फ़िगर या समस्या निवारण करता है तेजी से और अधिक कुशल।इसके अलावा, आईसी ने काउंट-अप और काउंट-डाउन टर्मिनलों को समर्पित किया है, जो इसके लचीलेपन को और बढ़ाता है, जिससे यह विभिन्न डिजिटल काउंटिंग एप्लिकेशन के लिए उपयुक्त है जहां सटीक नियंत्रण की आवश्यकता होती है।

चित्र 6: 74193 आईसी पिनआउट
74193 आईसी का पिनआउट लेआउट अधिकतम कार्यक्षमता के लिए डिज़ाइन किया गया है।इसमें इनपुट पिन शामिल हैं जो उपयोगकर्ताओं को एक विशिष्ट मूल्य से शुरू करने के लिए काउंटर को पूर्व निर्धारित करने की अनुमति देते हैं, जो कस्टम अनुप्रयोगों के लिए आदर्श है जिसमें विशिष्ट प्रारंभिक राज्यों की आवश्यकता होती है।आउटपुट पिन वर्तमान गणना पर वास्तविक समय की प्रतिक्रिया प्रदान करते हैं, जिससे काउंटर को बड़े सिस्टम में मॉनिटर या एकीकृत करना आसान हो जाता है, जिन्हें लाइव अपडेट की आवश्यकता होती है।74193 आईसी की एक उल्लेखनीय विशेषता रिपल कैरी आउटपुट पिन है।यह पिन कई आईसी को जोड़कर (या कैस्केडिंग) करके काउंटर की क्षमता का विस्तार करना आसान बनाता है।इस सुविधा का उपयोग करके, आप उच्च-क्रम काउंटरों का निर्माण कर सकते हैं जो बड़े काउंट को संभालते हैं, जो अधिक उन्नत डिजिटल सिस्टम के लिए उपयुक्त है, जिसमें उच्च परिशुद्धता या बड़ी गिनती रेंज की आवश्यकता होती है।
IC 74193 एक बहुमुखी घटक है जिसका उपयोग लचीले गिनती सर्किट बनाने के लिए किया जाता है जिसे अनुप्रयोगों की एक विस्तृत श्रृंखला के लिए अनुकूलित किया जा सकता है।इसके मूल में, यह पिन 16 को वीसीसी से कनेक्ट करके मज़बूती से संचालित करता है, जिससे एक स्थिर बिजली की आपूर्ति सुनिश्चित होती है।इस कनेक्शन का उपयोग किसी भी प्रणाली में सुसंगत संचालन को बनाए रखने के लिए किया जाता है।IC 74193 को कई इनपुट पिन के साथ डिज़ाइन किया गया है जो विभिन्न परिचालन मोड को कॉन्फ़िगर करने की अनुमति देते हैं।प्रमुख विशेषताओं में से एक इसका सक्रिय-कम समानांतर लोड इनपुट है, जो उपयोगकर्ताओं को किसी भी पूर्व निर्धारित मूल्य से गिनती शुरू करने की क्षमता देता है।यह सुविधा विशेष रूप से उपयोगी है जब काउंटिंग अनुक्रम पर सटीक नियंत्रण की आवश्यकता होती है, क्योंकि यह काउंटर को गिनती शुरू करने से पहले एक विशिष्ट मूल्य पर कूदने की अनुमति देता है।
IC 74193 का एक प्रमुख लाभ अप और डाउन काउंटिंग मोड के बीच आसानी से स्विच करने की क्षमता है।यह प्रासंगिक पिनों में सरल समायोजन करके किया जा सकता है।जटिल कॉन्फ़िगरेशन के बिना इन मोडों के बीच टॉगल करने की क्षमता आईसी को अत्यधिक लचीला बनाती है, जिससे यह आसानी से मूल और अधिक जटिल गिनती कार्यों को संभालने में सक्षम हो जाता है।
अप काउंटर और डाउन काउंटर उनकी गिनती दिशाओं के आधार पर विभिन्न उद्देश्यों की सेवा करते हैं।एक यूपी काउंटर शून्य से शुरू होता है और एक सेट सीमा तक बढ़ जाता है, जिससे यह उन कार्यों के लिए अच्छी तरह से अनुकूल होता है, जिन्हें आगे के अनुक्रम में ट्रैकिंग प्रगति की आवश्यकता होती है।उदाहरणों में टाइम ट्रैकिंग या इवेंट सीक्वेंसिंग जैसे एप्लिकेशन शामिल हैं, जहां प्रत्येक चरण एक रैखिक फैशन में ऊपर की ओर बढ़ता है जब तक कि एक लक्ष्य मूल्य तक नहीं पहुंच जाता है।
दूसरी ओर, एक डाउन काउंटर एक परिभाषित अधिकतम मूल्य पर शुरू होता है और शून्य से नीचे की ओर गिना जाता है।इस प्रकार का काउंटर उन परिदृश्यों में विशेष रूप से उपयोगी है जहां आपको रिवर्स में एक प्रक्रिया को ट्रैक करने की आवश्यकता है।सामान्य उपयोगों में उलटी गिनती टाइमर शामिल हैं, जहां शेष समय को ट्रैक किया जाता है क्योंकि यह घटता है, या संसाधन ट्रैकिंग, जहां आप निगरानी करते हैं कि एक संसाधन कितना बचा है क्योंकि इसका सेवन किया जाता है।
अप/डाउन काउंटरों को उनके सरल डिजाइन और सिंक्रोनस ऑपरेशन के लिए अत्यधिक महत्व दिया जाता है, जिससे वे उन प्रणालियों में फायदेमंद होते हैं जिनके लिए त्वरित और विश्वसनीय गिनती की आवश्यकता होती है।ऊपर और नीचे दोनों की गिनती करने की उनकी क्षमता लचीली नियंत्रण सुनिश्चित करती है, जो विशेष रूप से उन अनुप्रयोगों में उपयोगी है जहां समय सटीकता और तेजी से प्रतिक्रियाएं बस रही हैं।चाहे ट्रैकिंग इवेंट, टाइमकीपिंग, या संसाधनों का प्रबंधन करने के लिए उपयोग किया जाता है, ये काउंटर विभिन्न प्रकार के डिजिटल सिस्टम में एक सीधा और प्रभावी समाधान प्रदान करते हैं।
उनका डिज़ाइन राज्यों के बीच चिकनी और अनुमानित संक्रमणों के लिए अनुमति देता है, जिससे वे वास्तविक समय के अनुप्रयोगों के लिए आदर्श बन जाते हैं।उदाहरण के लिए, वे आमतौर पर इवेंट काउंटरों, टाइमर, या सिस्टम में उपयोग किए जाते हैं, जिन्हें किसी भी दिशा में अनुक्रमिक गिनती की आवश्यकता होती है, जैसे कि औद्योगिक स्वचालन या डिजिटल घड़ियों में।
अपनी ताकत के बावजूद, अप/डाउन काउंटर उच्च गति पर चुनौतियों का सामना कर सकते हैं।जैसे -जैसे घड़ी की गति बढ़ती है, प्रसार देरी अधिक ध्यान देने योग्य हो जाती है, जिससे त्रुटियों की गिनती हो सकती है।ये देरी होती है क्योंकि सिग्नल काउंटर के प्रत्येक चरण के माध्यम से आगे बढ़ने में अधिक समय लेता है, सिस्टम के समय की सटीकता को कम करता है, विशेष रूप से उच्च गति वाले वातावरण में।
एक और सीमा उत्पन्न होती है क्योंकि काउंटर का बिट आकार बढ़ता है।बड़े काउंटर, जो उच्च संख्या को संभालते हैं, सिस्टम में जटिलता जोड़ते हैं।जटिलता में यह वृद्धि सिंक्रनाइज़ेशन मुद्दों या गलत मायने रख सकती है, खासकर जब कई काउंटर एक बड़े डिजिटल सर्किट में जुड़े होते हैं।सिस्टम जो कई काउंटरों में सटीक सिंक्रनाइज़ेशन पर भरोसा करते हैं, जैसे कि बड़े पैमाने पर डिजिटल सिस्टम, यदि डिजाइन को सावधानीपूर्वक प्रबंधित नहीं किया जाता है, तो ग्लिच या अशुद्धि का अनुभव हो सकता है।
दोनों दिशाओं में गिनती करने की उनकी क्षमता के कारण अप/डाउन काउंटरों का व्यापक रूप से कई औद्योगिक और तकनीकी अनुप्रयोगों में उपयोग किया जाता है।

चित्र 7: ऑटो-रिवरिंग तंत्र
अप/डाउन काउंटरों के सबसे महत्वपूर्ण उपयोगों में से एक ऑटो-रिवरिंग तंत्र में है।कन्वेयर बेल्ट या मोटर कंट्रोल जैसी प्रणालियों में, ये काउंटर्स द्विदिश गिनती को सक्षम करते हैं, जिससे यांत्रिक आंदोलनों के सटीक प्रबंधन की अनुमति मिलती है।उदाहरण के लिए, वे यह सुनिश्चित करते हैं कि मशीनें जरूरत पड़ने पर दिशाओं को सुचारू रूप से बदल सकती हैं, उत्पादन प्रक्रियाओं पर नियंत्रण बढ़ाती हैं।

चित्र 8: समय और संकेत प्रबंधन
अप/डाउन काउंटर भी क्लॉक डिवीजन सर्किट में एक प्रमुख भूमिका निभाते हैं, जहां वे डिजिटल संकेतों को ठीक से समय पर रखने के लिए समय अंतराल का प्रबंधन करते हैं।इन प्रणालियों में, काउंटर घड़ी सिग्नल को छोटे अंतराल में विभाजित करता है, यह सुनिश्चित करता है कि संपूर्ण सर्किट सिंक में संचालित हो।यह डिजिटल उपकरणों में गंभीर है जो उचित कामकाज के लिए सटीक सिग्नल समय पर भरोसा करते हैं, जैसे कि प्रोसेसर या संचार प्रणाली।

चित्र 9: वाहन पार्किंग प्रणाली
एक अन्य व्यावहारिक अनुप्रयोग वाहन पार्किंग सिस्टम में है, जहां अप/डाउन काउंटर उपलब्ध पार्किंग स्थानों पर नज़र रखते हैं।हर बार जब कोई कार प्रवेश करती है या बाहर निकलती है, तो काउंटर खुले स्थानों की संख्या को प्रतिबिंबित करने के लिए गिनती को समायोजित करता है।यह स्वचालित ट्रैकिंग अंतरिक्ष प्रबंधन में सुधार करता है और अधिभोग के स्तर पर सटीक, वास्तविक समय डेटा प्रदान करके पार्किंग सुविधाओं की समग्र दक्षता को बढ़ाता है।

चित्र 10: डिजिटल इलेक्ट्रॉनिक्स में आवृत्ति विभाजन
डिजिटल इलेक्ट्रॉनिक्स के क्षेत्र में, अप/डाउन काउंटर आवृत्ति डिवाइडर के रूप में काम करते हैं, एक इनपुट आवृत्ति को छोटे, अधिक प्रबंधनीय लोगों में तोड़ते हैं।यह सिग्नल प्रोसेसिंग और संचार प्रणालियों में विशेष रूप से महत्वपूर्ण है, जहां विभिन्न घटकों को सटीक आवृत्ति नियंत्रण की आवश्यकता होती है।इनपुट आवृत्तियों को संशोधित करके, ये काउंटर उन उपकरणों में सुचारू संचालन सुनिश्चित करते हैं जो सटीक सिग्नल समय और मॉड्यूलेशन पर निर्भर करते हैं।
पूरे लेख के दौरान, डिजिटल सर्किट डिजाइन में उनकी उपयोगी भूमिका को प्रदर्शित करते हुए, अप/डाउन काउंटरों की जटिलता और बहुमुखी प्रतिभा का पूरी तरह से विश्लेषण किया गया है।विभिन्न मॉडलों में विस्तृत अन्वेषण, जैसे कि 74193 आईसी, अनुकूलनशीलता और सटीक रूप से इन घटकों को डिजिटल सिस्टम के लिए प्रदान करता है।काउंटरों की तुलना में, चर्चा, चर्चा विभिन्न अनुप्रयोगों में उनके विशिष्ट लाभों पर जोर देती है, सरल घटना की गिनती से लेकर जटिल आवृत्ति डिवीजन तक।इसके अलावा, लेख संभावित सीमाओं को संबोधित करता है, जैसे कि प्रसार में देरी और सिंक्रनाइज़ेशन चुनौतियों का सामना करना पड़ता है, प्रभावी डिजाइन विचारों में अंतर्दृष्टि प्रदान करता है जो सिस्टम विश्वसनीयता को बढ़ा सकता है।विस्तारित अनुप्रयोग अनुभाग सटीक नियंत्रण और सिग्नल प्रबंधन में काउंटरों की अपेक्षित उपयोगिता की पुष्टि करता है, यह साबित करता है कि अप/डाउन काउंटर समकालीन तकनीकी बुनियादी ढांचे की उन्नति और दक्षता के लिए मूलभूत हैं।यह विस्तृत परीक्षा न केवल अप/डाउन काउंटरों की परिचालन बारीकियों को रेखांकित करती है, बल्कि आधुनिक डिजिटल प्रणालियों के डिजाइन और कार्यक्षमता पर उनके महत्वपूर्ण प्रभाव को भी प्रभावित करती है।
74193 एक विशिष्ट प्रकार का एकीकृत सर्किट (आईसी) है जिसे एक सिंक्रोनस अप-डाउन काउंटर के रूप में डिज़ाइन किया गया है।यह दोनों दिशाओं में गिन सकता है: वृद्धि (ऊपर) और घटाना (नीचे)।इसमें 4-बिट बाइनरी आउटपुट है और इसे 4-बिट रेंज के भीतर किसी भी अनुक्रम में गिनने के लिए सेट किया जा सकता है।ऑपरेटर आमतौर पर इसे उन अनुप्रयोगों में उपयोग करते हैं जहां प्रतिवर्ती गिनती की आवश्यकता होती है, जैसे कि डिजिटल घड़ियों में या औद्योगिक प्रणालियों में इवेंट काउंटर।
IC 74192 एक सिंक्रोनस अप-डाउन काउंटर का एक और मॉडल है।74193 के विपरीत, 74192 को एक दशक (0 से 9 या 9 से 0) के माध्यम से ऊपर या नीचे गिनने के लिए डिज़ाइन किया गया है और इस प्रकार एक दशक का काउंटर है।इसका उपयोग किया जाता है जहां गिनती को द्विआधारी रूप के बजाय दशमलव में प्रदर्शित या गणना करने की आवश्यकता होती है, जैसे कि कैलकुलेटर या डिजिटल मीटर में।
एक अप-डाउन काउंटर एक घड़ी इनपुट से प्रत्येक पल्स के साथ अपनी स्थिति को बदलकर संचालित करता है, चयनित मोड के आधार पर गिनती या नीचे की गिनती करता है।प्रत्येक पल्स काउंटर के आउटपुट को एक इकाई द्वारा या तो वृद्धि या गिरावट का कारण बनता है।व्यावहारिक अनुप्रयोगों में, तकनीशियन आवृत्ति, और समय अंतराल को मापने के लिए इन काउंटरों का उपयोग कर सकते हैं, या आगे या रिवर्स आंदोलनों की संख्या को ट्रैक करके यांत्रिक प्रणालियों में स्थिति का निर्धारण कर सकते हैं।
अप-डाउन काउंटरों के लिए सामान्य आईसी संख्या में 74193 और 74192 शामिल हैं, जैसा कि ऊपर चर्चा की गई है।ये संख्या डिजिटल लॉजिक आईसीएस की 7400 श्रृंखला का हिस्सा हैं, जो इंगित करता है कि वे अन्य कार्यों के बीच डिजिटल काउंटिंग कार्यों के लिए डिज़ाइन किए गए हैं।
काउंटरों में उपयोग किए जाने वाले एकीकृत सर्किट (ICS) में गिनती की जरूरतों के आधार पर विभिन्न प्रकार के प्रकार शामिल हैं।आमतौर पर इस्तेमाल किए जाने वाले आईसीएस क्रमशः बाइनरी और दशमलव गिनती के लिए 74193 और 74192 हैं।अन्य लोगों में 4029 शामिल हो सकते हैं, जो एक प्रोग्राम करने योग्य अप-डाउन काउंटर है, जो अधिक जटिल अनुप्रयोगों के लिए उपयुक्त है जहां प्रीसेट काउंटिंग सीमा और कई गिनती मोड की आवश्यकता होती है।व्यावहारिक परिदृश्यों में, जैसे कि विनिर्माण लाइन या डिजिटल सिस्टम, ये आईसी संचालन या वस्तुओं के सटीक गणना को बनाए रखने में मदद करते हैं।
कृपया एक जांच भेजें, हम तुरंत जवाब देंगे।
2024/09/21 पर
2024/09/20 पर
8000/04/18 पर 147758
2000/04/18 पर 111943
1600/04/18 पर 111349
0400/04/18 पर 83721
1970/01/1 पर 79508
1970/01/1 पर 66915
1970/01/1 पर 63066
1970/01/1 पर 63012
1970/01/1 पर 54081
1970/01/1 पर 52139