2N6488 To-220 प्लास्टिक केस के भीतर आयोजित ट्रांजिस्टर को पावर रैखिक और कम-आवृत्ति सेटिंग्स में इसके भरोसेमंद उपयोग के लिए मान्यता प्राप्त है।यह पैकेज उद्योग में, व्यावहारिकता और दक्षता का विलय करते हुए, विविध स्थितियों के लिए उपयुक्त है।डिज़ाइन ट्रांजिस्टर के स्थायित्व और कार्य को प्रभावित करते हुए, कुशल गर्मी अपव्यय का समर्थन करता है।2N6488 अपने मजबूत निर्माण और थर्मल क्षमताओं के कारण पावर रैखिक अनुप्रयोगों में पनपता है।यह सर्किट में स्थिरता के लिए लगातार वर्तमान और वोल्टेज प्रबंधन सुनिश्चित करता है।यह विश्वसनीयता ऑडियो एम्पलीफायरों और विनियमित बिजली की आपूर्ति में चमकता है, जहां प्रदर्शन को खोने के बिना अलग -अलग भार को संभालने की आवश्यकता होती है।
कम-आवृत्ति कार्यों में, 2N6488 प्रभावशाली अनुकूलनशीलता और प्रदर्शन को प्रदर्शित करता है।न्यूनतम विरूपण के साथ संकेतों को संभालने की इसकी क्षमता इसकी ताकत पर प्रकाश डालती है।2N6488 के साथ काम करते समय थर्मल आउटपुट प्रबंधन केंद्रीय है।गर्मी हस्तांतरण के अनुकूलन में प्रभावी गर्मी सिंक और थर्मल यौगिकों का उपयोग करना।इन्हें ओवरहीटिंग को रोकने की आवश्यकता होती है, जो कार्यक्षमता को बिगाड़ सकता है और घटक के जीवनकाल को कम कर सकता है।क्षेत्र में एक उभरता हुआ दृश्य अभिनव उपयोगों के लिए 2N6488 जैसे पारंपरिक घटकों को अपनाना है।प्रौद्योगिकी अग्रिमों के रूप में, इन्हें हाइब्रिड में शामिल करना, ऊर्जा-कुशल सिस्टम ट्रेंडिंग है।यह विधि स्थिरता और ऊर्जा दक्षता के लिए आधुनिक आवश्यकताओं को संबोधित करते हुए 2N6488 की स्थापित विश्वसनीयता का लाभ उठाती है।
• 2N60
• 2N600
• 2N6000
• 2N6001
• 2N6002
• 2N6491




2N6488 ट्रांजिस्टर प्रभावशाली बैंडविड्थ के साथ एक उल्लेखनीय डीसी वर्तमान लाभ समेटे हुए है।ये गुण उच्च-निष्ठा ऑडियो प्रवर्धन और चिकनी स्विचिंग संचालन की मांग करने वाले परिदृश्यों में इसकी प्रभावशीलता को बढ़ाते हैं।कई अक्सर जटिल प्रणालियों में सिग्नल विरूपण को कम करने के लिए इन विशेषताओं का लाभ उठाने में प्रसन्नता और सटीकता सुनिश्चित करते हैं।
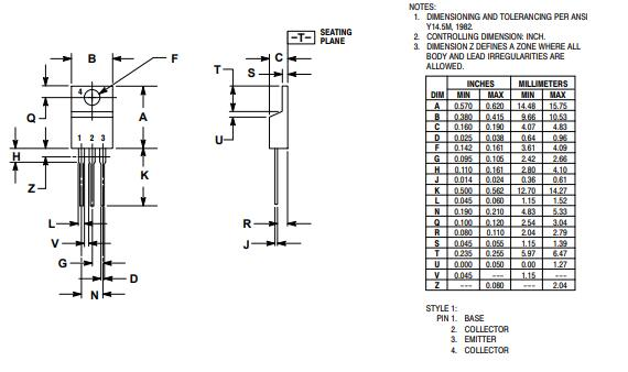
एक सुव्यवस्थित टू -220 पैकेज में संलग्न, 2N6488 थर्मल दक्षता और सीधी स्थापना को बढ़ावा देता है।इसकी संरचना उच्च-शक्ति अनुप्रयोगों में ओवरहीटिंग के लिए गर्मी अपव्यय की सुविधा प्रदान करती है।कई लोग गर्मी और कॉम्पैक्ट फॉर्म के अपने निपुण हैंडलिंग के लिए इस पैकेज को पसंद करते हैं।
2N6488 ROHS मानकों के अनुरूप है, हानिकारक पदार्थों को कम करके पर्यावरणीय कल्याण के बारे में एक डिजाइन पर प्रकाश डालता है।समकालीन उत्पाद नवाचार में बढ़ते महत्व के साथ, यह संरेखण वैश्विक पारिस्थितिक लक्ष्यों का पूरक है।
80V के कलेक्टर-एमिटर ब्रेकडाउन वोल्टेज की पेशकश करते हुए, 2N6488 उच्च-वोल्टेज सेटिंग्स में लचीला है।यह विशेषता तब सराहना करती है जब दबाव में भरोसेमंद प्रदर्शन अनिवार्य होता है।उद्योग अक्सर पर्याप्त वोल्टेज विविधताओं को सहन करने की अपनी क्षमता के लिए ऐसे घटकों का चयन करते हैं।
2N6488 ट्रांजिस्टर ऑडियो सिस्टम में खड़ा है जहां यह पावर प्रवर्धन में एक भूमिका निभाता है।यह वर्तमान और वोल्टेज स्तरों को कुशलता से प्रबंधित करके वक्ताओं और ऑडियो घटकों को चलाने के दौरान उल्लेखनीय प्रदर्शन प्रदान करता है।यह एक ध्वनि आउटपुट सुनिश्चित करता है जो विकृति से स्पष्ट और मुक्त दोनों है।ऑडियो अक्सर क्लास एबी एम्पलीफायर सर्किट को क्राफ्टिंग के लिए 2N6488 जैसे ट्रांजिस्टर का पक्ष लेते हैं।वे ऑडियो गुणवत्ता को बढ़ाते हुए, लगातार थर्मल स्थिरता और कुशलता से गर्मी को भंग करने की इसकी क्षमता की सराहना करते हैं।
कम-आवृत्ति स्विचिंग कार्यों में मजबूती का प्रदर्शन करते हुए, 2N6488 की बहुमुखी प्रतिभा स्पष्ट हो जाती है।यह अक्सर सटीक नियंत्रण की आवश्यकता वाले सर्किटों में उपयोग किया जाता है, जैसे कि मोटर ड्राइवरों और अन्य इलेक्ट्रोमैकेनिकल सिस्टम में।2N6488 जैसे ट्रांजिस्टर के लिए कई विकल्प वातावरण में स्थिर प्रदर्शन प्राप्त कर सकते हैं जहां दीर्घकालिक विश्वसनीयता एक प्राथमिक विचार है।
|
प्रकार |
पैरामीटर |
|
जीवनचक्र स्थिति |
अप्रचलित (अंतिम अद्यतन: 3 दिन पहले) |
|
पैकेज / मामला |
टू-220AB |
|
आपूर्तिकर्ता युक्ति पैकेज |
टू-220AB |
|
वर्तमान-कलेक्टर (आईसी) (अधिकतम) |
15 ए |
|
परिचालन तापमान |
-65 ° C से 150 ° C TJ |
|
प्रकाशित |
2007 |
|
नमी संवेदनशीलता स्तर (एमएसएल) |
1 (असीमित) |
|
न्यूनतम संचालन तापमान |
-65 ° C |
|
अधिकतम शक्ति अपव्यय |
1.8W |
|
आधार भाग संख्या |
2N6488 |
|
तत्व विन्यास |
अकेला |
|
बैंडविड्थ उत्पाद प्राप्त करें |
5MHz |
|
कलेक्टर एमिटर वोल्टेज (VCEO) |
3.5V |
|
डीसी करंट गेन (एचएफई) (मिनट) @ आईसी, वीसीई |
20 @ 5 ए 4 वी |
|
वीसीई संतृप्ति (अधिकतम) @ आईबी, आईसी |
3.5V @ 5a, 15a |
|
आवृत्ति - संक्रमण |
5MHz |
|
एमिटर बेस वोल्टेज (VEBO) |
5V |
|
सीसा मुक्त |
लीड शामिल है |
|
माउन्टिंग का प्रकार |
होल के माध्यम से |
|
पिन की संख्या |
3 |
|
कलेक्टर-एमिटर ब्रेकडाउन वोल्टेज |
80V |
|
hfe/min |
20 |
|
पैकेजिंग |
नली |
|
भाग की स्थिति |
अप्रचलित |
|
अधिकतम परिचालन तापमान |
150 ° C |
|
वोल्टेज - रेटेड डीसी |
80V |
|
वर्तमान रेटिंग |
15 ए |
|
विचारों में भिन्नता |
एनपीएन |
|
पावर - मैक्स |
1.8W |
|
ट्रांजिस्टर प्रकार |
एनपीएन |
|
अधिकतम कलेक्टर वर्तमान |
15 ए |
|
वर्तमान - कलेक्टर कटऑफ (अधिकतम) |
1ma |
|
वोल्टेज - कलेक्टर एमिटर ब्रेकडाउन (अधिकतम) |
80V |
|
कलेक्टर आधार वोल्टेज (वीसीबीओ) |
90V |
|
रोह्स स्टेटस |
गैर-आरओएचएस आज्ञाकारी |
|
भाग
संख्या |
उत्पादक |
पैकेट |
विचारों में भिन्नता |
कलेक्टर एमिटर ब्रेकडाउन
वोल्टेज |
वोल्टेज - कलेक्टर एमिटर
टूटना (अधिकतम) |
अधिकतम कलेक्टर वर्तमान |
आवृत्ति संक्रमण |
कलेक्टर एमिटर संतृप्ति
वोल्टेज |
हफे मिन |
|
2N6488 |
अर्धचालक पर |
To-220-3 |
एनपीएन |
80 वी |
80V |
15 ए |
5MHz |
3.5 वी |
20 |
|
BD243B |
अर्धचालक पर |
To-220-3 |
एनपीएन |
80 वी |
80V |
3 ए |
3 Mhz |
1.2 वी |
25 |
|
TIP31B |
अर्धचालक पर |
To-220-3 |
एनपीएन |
80 वी |
80V |
6 ए |
- |
1.5 वी |
15 |
|
BDW42 |
अर्धचालक पर |
To-220-3 |
एनपीएन |
100 वी |
- |
15 ए |
4 मेगाहर्टज |
- |
- |

सेमीकंडक्टर पर उन समाधानों को वितरित करता है जो इलेक्ट्रॉनिक्स में एक अग्रणी स्थिति को नक्काशी करते हुए, ऊर्जा उपयोग के लिए अभिनव और माइंडफुल दोनों हैं।दुनिया भर में इसकी व्यापक पहुंच मोटर वाहन, औद्योगिक और उपभोक्ता इलेक्ट्रॉनिक्स सहित विभिन्न अनुप्रयोगों का समर्थन करती है।यह व्यापक प्रभाव कंपनी को तकनीकी प्रगति के शीर्ष पर रखता है।जैसा कि हम आगे देखते हैं, यह सोचते हुए कि सेमीकंडक्टर पर कैसे स्थिरता के साथ चल रहे नवाचार को संतुलित कर सकते हैं, यह पेचीदा है।रैपिड टेक ग्रोथ और एनवायरनमेंटल स्टूवर्डशिप के इस परस्पर क्रिया में बाधा और नए रास्ते दोनों हैं।भविष्य के उद्योग के रुझानों के पूर्वानुमान और अनुकूलन में फर्म की कौशल इसकी दीर्घकालिक सफलता को आकार देगा।
टिप 31 (ए, बी, सी), टिप 32 (ए, बी, सी) .pdf
कृपया एक जांच भेजें, हम तुरंत जवाब देंगे।
2024/10/29 पर
2024/10/29 पर
8000/04/18 पर 147758
2000/04/18 पर 111941
1600/04/18 पर 111349
0400/04/18 पर 83721
1970/01/1 पर 79508
1970/01/1 पर 66915
1970/01/1 पर 63065
1970/01/1 पर 63012
1970/01/1 पर 54081
1970/01/1 पर 52136